YAMAHA RX-V420RDS av receiver
Pravila foruma
Naslov teme treba da bude u formatu: PROIZVOĐAČ, MODEL, KRATAK OPIS KVARA
Nakon rešenog kvara zatvoriti temu >> >UPUTSTVO< u suprotnom ništa ne činiti.
RAZNA UPUTSTVA
Naslov teme treba da bude u formatu: PROIZVOĐAČ, MODEL, KRATAK OPIS KVARA
Nakon rešenog kvara zatvoriti temu >> >UPUTSTVO< u suprotnom ništa ne činiti.
RAZNA UPUTSTVA
YAMAHA RX-V420RDS av receiver
Problem je u tome sto cim ukljucim uredjaj u struju odmah pocne da se okrece motor na potenciometru za volume i pojaca ton na max to tako radi par sekundi i ugasi se ceo uredjaj.Da li je neko imao slicnog iskustva?
YAMAHA RX-V420RDS av receiver
Iskreno receno neznam kako da startujem self ako nije problem objasni a i ako imas semu javi ili postavi.
YAMAHA RX-V420RDS av receiver
Inace ono sto sam ustanovio je sledece:od procesora dolazi komanda do kola mislim napamet neko BA... a sa njega na motor i naravno kada isklucim liniju sa procesora gde stalno stoji negde oko 4,5V na nekom pinu BA...svega toga nema i ton se regulise rucno.
- SaleSk
- ___

- Postovi: 656
- Pridružen: 04 Nov 2006, 21:08
- Location: Skopje
- Warranty service: Siemens, Konica Minolta, Kodak, B Braun, Dade Behring, Johnson & Johnson, Drew, TerumoBCT
- Kontakt:
cekaj cekaj....kontrola ti je 4,5 V??? ili napajanje tog drajva je 4,5 V??? Pretpostavljam da nije to kolo tolko slozeno??? Ono bi trebalo jedino da promeni polaritet motora da bi ga okrenulo u smer kazaljke sata ili obrnuto...
Dusevni bolesnik nikada ne napada bez razloga. U tome se razlikuje od normalnih ljudi.
YAMAHA RX-V420RDS av receiver
Milane i Stole ako zelite pomoci recite ako nezelite hvala lepo.Trazio sam semu i nisam mogao da je skinem iz nekog razloga cini mi se sa googla a ona bi verovatno mnogo pomogla.Iskreno nemam mnogo vremena u poslednje vreme za trazenje novih greski iz privatnih razloga a i pre podne se radi u firmi koja se bavi alarmom,video nadzorom,pozarom...Nije ni vise ono vreme kada su se svi kvarovi posteno naplacivali nego ovo sada te sve ,,ucenjuje''recju ako moze za male pare ako ne da kupim drugi pa stoga ako imate semu ili konkretno resenje nije na odmet da to i napisete ili postavite semu da se ne mucimo preterano jer forum je i zato naprevljen.Nikad nisam zavlacio kolege ako sam znao konkretan odgovor u smislu R358;Q801...a slusao sam 90-tih godina kad kolega kolegi pomaze pa kaze vidi tu neki otpor oko vn trafoa ili neki elko jer svi mi zapisemo takozvanu ,,kosku''sto neznaci i da je ovo koska ali sam vam sve pre toga rekao pa vi sad kako hocete i za ovoliko vam hvala ali reci neka se i oni muce(odakle -50V)su(ostavljam masti na volju)
- milan
- Preminuo
- Postovi: 4426
- Pridružen: 19 Avg 2006, 22:38
- Location: Novi Sad
- Specialty: tv-multimedia
@DZoni
Vidi kolega ovako da razjasnimo odmah oko mene za Stolleta ne znam.
Ja ti ne mogu sa moga racunara popraviti nista od aparata koji su neispravni, pogotovo ako nisi napisao nista sta si radio do sada i kakve je
to rezultate dalo, da bih ti dao neki konkretniji savet.
Ako ocekujes da ti napisem menjaj to i to, a to nije to, sta onda biva? bacas
pare i vreme...
Dao sam ti sve podatke gde ide regulacija tona treba samo da izmeris
i napises ako nesto ne ide ili nije jasno.Imas sve napone i oznake koje
su potrebni.
Oko kompletne dokumentacije moras se obratiti u Exper tim, jer je on i osnovan iz tih razloga koje ti navodis za pomoc kolegama, pa i sa dokumentacijom. Moras da shvatis da nas iz experta to sve kosta da bi
je mi ovde mecali, a vi na kraju napisete, odustao,neisplati se popravka..,
a bude i neka banalnost da uopste nije ni bila potrebna dokumentacija.
Pozdrav.
Vidi kolega ovako da razjasnimo odmah oko mene za Stolleta ne znam.
Ja ti ne mogu sa moga racunara popraviti nista od aparata koji su neispravni, pogotovo ako nisi napisao nista sta si radio do sada i kakve je
to rezultate dalo, da bih ti dao neki konkretniji savet.
Ako ocekujes da ti napisem menjaj to i to, a to nije to, sta onda biva? bacas
pare i vreme...
Dao sam ti sve podatke gde ide regulacija tona treba samo da izmeris
i napises ako nesto ne ide ili nije jasno.Imas sve napone i oznake koje
su potrebni.
Oko kompletne dokumentacije moras se obratiti u Exper tim, jer je on i osnovan iz tih razloga koje ti navodis za pomoc kolegama, pa i sa dokumentacijom. Moras da shvatis da nas iz experta to sve kosta da bi
je mi ovde mecali, a vi na kraju napisete, odustao,neisplati se popravka..,
a bude i neka banalnost da uopste nije ni bila potrebna dokumentacija.
Pozdrav.
YAMAHA RX-V420RDS av receiver
E to jeste komunikacija(kolegijalna)a ja kao sto vidite jos nisam imao vremena da proverim na osnovu seme naponske vrednosti i kazem vam sta je bilo.Ukoliko predlozite da menjam neki deo pa ne bude do njega naravno da niste vi krivi jer ja snosim odgovornost, krajnju,samo mogu da se zahvalim.Ideja mi je da probam prvo kolo za napajanje motora(eventualno da premerim najpre tranzistore)pa cu se javiti.
YAMAHA RX-V420RDS av receiver
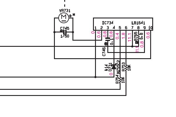
Naponi na pinovima LB1641 su:2=4,55;3=5.96;4=4.56;5=1.76;7=10.73;8=10.36;9=0.7.Ako sam ja dobro ispratio linije 35 i 36 pin idu direktno preko flet kabla na ulaze LB1641(5 I 6)te ja na pinu 36 imam stalno 4.8V pa preko otpornika R754(10K)na 5 pin LB1641,a sa 16 i 17 pina na baze Q912 I Q911gde su mi naponiUb=4.8;Uc=-48v;Ue=4.8.Probao sam drugo LB1641 i ostao je isti problem.Sta dalje?
YAMAHA RX-V420RDS av receiver
Verovatno kontra efekat jer in1 i in2 imaju pre toga otpornik 10K i na jednom otporu imam 4.8V a na drugom nemam nista;kad otkacim taj otpor koji ima 4.8V ne desava se nista(ne okrece se potenciometar).Verovatno da treba da bude ili na oba +4.8V ili oba 0V(nezmam)!
- milan
- Preminuo
- Postovi: 4426
- Pridružen: 19 Avg 2006, 22:38
- Location: Novi Sad
- Specialty: tv-multimedia
Re: YAMAHA RX-V420RDS av receiver
Neznam odakle ti ovo, evo ti sema, mozda ima neke razlike kod tebeDZoni je napisao:a sa 16 i 17 pina na baze Q912 I Q911
u odnosu na semu.
- Prilog
-
Pages from YAMAHA RX-V420.pdf- (1.43 MiB) Preuzeto 186 puta.
-
- Slične teme
- Odgovori
- Pregledano
- Zadnji post
-
-
YAMAHA RX-V420RDS av receiver
napisao Goran Stankov » 22 Jan 2017, 20:14 » u Servisiranje AUDIO Tehnike - 1 Odgovori
- 2487 Pregledano
-
Zadnji post napisao alexa_pg
22 Jan 2017, 20:39
-
-
-
Yamaha programmable mixer 01 - blokira *RESENO*
napisao stojkePN » 16 Apr 2010, 00:26 » u Servisiranje AUDIO Tehnike - 11 Odgovori
- 1862 Pregledano
-
Zadnji post napisao stojkePN
21 Jun 2010, 20:31
-
-
- 2 Odgovori
- 1068 Pregledano
-
Zadnji post napisao kibsa
02 Jan 2011, 23:59
-
- 2 Odgovori
- 1023 Pregledano
-
Zadnji post napisao petcomp
02 Feb 2011, 10:38
-
- 1 Odgovori
- 970 Pregledano
-
Zadnji post napisao toce
07 Jun 2011, 16:24
-
-
Yamaha YST-SW320 Subwoofer-RESENO
napisao milans01 » 25 svi 2013, 17:44 » u Servisiranje AUDIO Tehnike - 19 Odgovori
- 3101 Pregledano
-
Zadnji post napisao milans01
01 Jun 2013, 15:45
-
-
- 1 Odgovori
- 1874 Pregledano
-
Zadnji post napisao makedonec
30 Apr 2015, 11:48
-
- 3 Odgovori
- 2537 Pregledano
-
Zadnji post napisao kibsa
02 Jun 2017, 14:54

