Kendo TV 11AK53-3 Vestel sasija 

problemi , kvarovi , sheme upload/download popravka CRT televizora
HOME -- SERVISERI -- EXPERT-TEAM -- DALJINSKI

Urednici: alexa_pg,KASA1

Pravila foruma
Naslov teme treba da bude u formatu: PROIZVOĐAČ, MODEL, KRATAK OPIS KVARA
Nakon rešenog kvara zatvoriti temu >> >UPUTSTVO< u suprotnom ništa ne činiti.

HOME -- SERVISERI -- DALJINSKI -- RAZNA UPUTSTVA
Korisnik_
___
___
Postovi: 220
Pridružen: 25 Apr 2021, 04:22
Location: BiH
Specialty: tv-multimedia

Kendo TV 11AK53-3 Vestel sasija

Post napisao Korisnik_ » 20 svi 2021, 02:10

CRT TV
FIRMA: Kendo
MODEL: Ne znam,otpala naljepnica na poklopcu,skroz ravni ekran Thomson A68ELM021X121
CHASSIS: 11AK53-3 Vestel

SIMPTOMI:
TV se gasio nakon,sto bi skonto da nema slike,iako grijanje katodne radi,okreto dugme za svetlimu na VN pa skonto da nekad dobijem lijep komadic restera mozda jednu traku dobre horizontalno dobro rasirene,pa se opet ugasi ili blicne crta iznad donje polovine ekrana u trenutku kad se ugasi sam.


DETALJAN OPIS KVARA i PREDUZETE RADNJE:Sumnjam da moze bit do kola za vertikalu TDA8177F,jer bez kola dobijem ton i liniju horizontalnu po sred ekrana.Za TDA8177F nije isti kao TDA8177 po PDF-ovima prvi ima flyback supply drugi to nema.Sta mislite li probati sa STV9379FA,isti raspored pinova i ima FB Supply?Hvala unaprijed :pivopije:
JEDINO AFRICKA SLJIVA NE PADA

Avatar
alexa_pg
Site Admin
Site Admin
Postovi: 6119
Pridružen: 22 Avg 2006, 08:10
Location: Podgorica
Specialty: tv-multimedia

Re: Kendo TV 11AK53-3 Vestel sasija

Post napisao alexa_pg » 20 svi 2021, 08:42

Korisnik_ je napisao:
20 svi 2021, 02:10
...Sta mislite li probati sa STV9379FA,isti raspored pinova i ima FB Supply?...
Probaj.

Možda griješim ali čini mi se da se znamo. Ne piše ti u profilu odakle si. Jesi li ti iz Bangladeša?
"I ja volim ljude ali ih sve manje podnosim"

Avatar
KASA1
Site Admin
Site Admin
Postovi: 3856
Pridružen: 14 Feb 2011, 10:28
Location: Zagreb
Specialty: tv-multimedia

Re: Kendo TV 11AK53-3 Vestel sasija

Post napisao KASA1 » 20 svi 2021, 16:20

Kolega @Korisnik_, znamo sve,... drži se tehnike i smislenih postova kako se dosadašnji scenario ne bi više ponavljao.
"Čovječe, pazi da ne ideš malen ispod zvijezda!"

Korisnik_
___
___
Postovi: 220
Pridružen: 25 Apr 2021, 04:22
Location: BiH
Specialty: tv-multimedia

Re: Kendo TV 11AK53-3 Vestel sasija

Post napisao Korisnik_ » 20 svi 2021, 17:40

:pivopije: Probacu pa javim.Pozz
JEDINO AFRICKA SLJIVA NE PADA

Korisnik_
___
___
Postovi: 220
Pridružen: 25 Apr 2021, 04:22
Location: BiH
Specialty: tv-multimedia

Re: Kendo TV 11AK53-3 Vestel sasija

Post napisao Korisnik_ » 25 svi 2021, 00:57

Opet isto nemam orginalni TDA8177F,pokusacu ga porucit,mada se TV isto ponasa,imam izoblicenje slike u sredisnjem djelu ekrana sirine 5cm,samo kao smetnje nesto crno i onda ugasi i fino tu bljesne fin rester. ,mogu probati video,da nije nesto na onoj kartici sa sitnom stampom crklo C107 470 MF 35V sam stavio umjesto orginalnog,zaboravih kolika mu je tacno tu bila voltaza na orginalnom elektrolitu.Kakva su iskustva sa ovom sasijom? :pivopije:
JEDINO AFRICKA SLJIVA NE PADA

Avatar
Ribery
gx
gx
Postovi: 668
Pridružen: 28 Okt 2008, 20:21
Location: Beograd
Contact person: Darko
Specialty: tv-multimedia
Lokacija: Beograd-Zvezdara
Kontakt:

Re: Kendo TV 11AK53-3 Vestel sasija

Post napisao Ribery » 28 svi 2021, 08:22

Ako si iz Beograda imam ja TDA8177F negde ispravan pa ti mogu dati.
Posao TV servisera moras da volis da bi radio takav posao. Ovaj posao niko ne uci samo zbog novca.

Korisnik_
___
___
Postovi: 220
Pridružen: 25 Apr 2021, 04:22
Location: BiH
Specialty: tv-multimedia

Re: Kendo TV 11AK53-3 Vestel sasija

Post napisao Korisnik_ » 28 svi 2021, 23:23

Nisam,ako budem iso u BG,a ne nabavim blize negdje kolo javicu ti se.Pozdrav , hvala ti
JEDINO AFRICKA SLJIVA NE PADA

Avatar
Ribery
gx
gx
Postovi: 668
Pridružen: 28 Okt 2008, 20:21
Location: Beograd
Contact person: Darko
Specialty: tv-multimedia
Lokacija: Beograd-Zvezdara
Kontakt:

Re: Kendo TV 11AK53-3 Vestel sasija

Post napisao Ribery » 29 svi 2021, 23:12

Nema na čemu. Javi se ranije da ga potražim a imam ga sigurno
Posao TV servisera moras da volis da bi radio takav posao. Ovaj posao niko ne uci samo zbog novca.

Korisnik_
___
___
Postovi: 220
Pridružen: 25 Apr 2021, 04:22
Location: BiH
Specialty: tv-multimedia

Re: Kendo TV 11AK53-3 Vestel sasija

Post napisao Korisnik_ » 30 svi 2021, 10:47

Dogovoreno.Hvala

Nabavio kolo,pa cu javit kad probam. :pivopije:
JEDINO AFRICKA SLJIVA NE PADA

Korisnik_
___
___
Postovi: 220
Pridružen: 25 Apr 2021, 04:22
Location: BiH
Specialty: tv-multimedia

Re: Kendo TV 11AK53-3 Vestel sasija

Post napisao Korisnik_ » 11 Avg 2021, 23:54

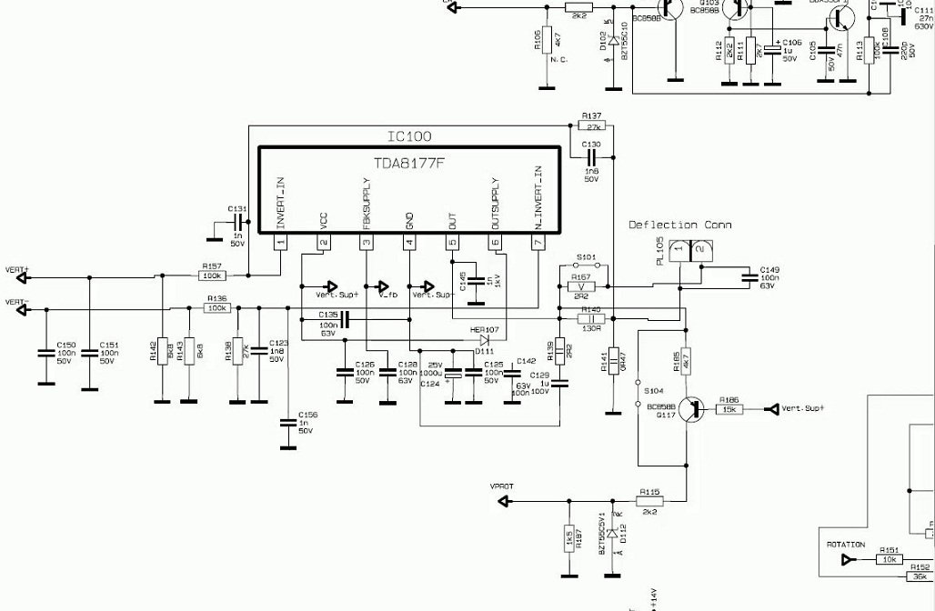
Nisam jos probao kolo,da mi slucajno ne crkne,koji bi ovde kondenzator u vertikali trebao provjeriti,C135 100nF 63V jedini blokic kojeg na ploci vidim ili na izlazu C145 1nF 1 KV ? :pivopije:
Prilog
shema.jpg
JEDINO AFRICKA SLJIVA NE PADA

Avatar
alexa_pg
Site Admin
Site Admin
Postovi: 6119
Pridružen: 22 Avg 2006, 08:10
Location: Podgorica
Specialty: tv-multimedia

Re: Kendo TV 11AK53-3 Vestel sasija

Post napisao alexa_pg » 12 Avg 2021, 00:16

C129. Nisam siguran da je 1uF. To mi je malo čudno. Obavezno provjeri.
"I ja volim ljude ali ih sve manje podnosim"

Korisnik_
___
___
Postovi: 220
Pridružen: 25 Apr 2021, 04:22
Location: BiH
Specialty: tv-multimedia

Re: Kendo TV 11AK53-3 Vestel sasija

Post napisao Korisnik_ » 12 Avg 2021, 01:19

To je u stvari taj jedini mali blokic pise na njemu 105M100 izgleda da onda jest 1uF,te sam od 1uF vidjo na nekim starim sasijama,probacu ga zamjenit,jer sam vec stavio kolo STV9379FA isto se ponasa ima 10-tak cm sirok rester pa se TV ugasi.
JEDINO AFRICKA SLJIVA NE PADA

Korisnik_
___
___
Postovi: 220
Pridružen: 25 Apr 2021, 04:22
Location: BiH
Specialty: tv-multimedia

Re: Kendo TV 11AK53-3 Vestel sasija

Post napisao Korisnik_ » 26 Avg 2021, 22:20

Zamjenio sam sve elektrolite u napajanju i blokic,probo sam i sa drugim ekranom i otklonskom,nemam sliku na suzenom djelu ekrana,kad pojacam UG2 dobijem plavu boju na uskom djelu ekrana,inace imam neko titanje linija na tamnom ekranu pa se TV ugasi,ono slicni kvarovi oko Vestel sasije sa problemom oko vertikale,jos cu probati sa orginalnim kolom,ali sumnjam da nesto nevalja na plocici sa procesorom i sitnom stampom,da nema sinhronizacije,ton je dobar.Ako bude nesto oko procesora gdje bio puko elektrolit C107 470mF 35V, necu se vise mucit oko ovog CRT-a,ne isplati se,ostavicu ga za djelove.Javicu vam poslje zamjene kola za vertikalu,jel sirina slike normalna.Crklo mi kolo,ostavicu TV po strani dok ne ispane drugo kolo,neko kinesko smece 50% ih crkne,pri paljenju a TV proradi sa starim kolom.Kazu ima kineza varalica nadju isto kuciste,pa napisu na njemu sto se trazi,moze znaci biti i TDA8170 a pise TDA8177f na pr.tako kazu. :lala: Pozz
JEDINO AFRICKA SLJIVA NE PADA

Korisnik_
___
___
Postovi: 220
Pridružen: 25 Apr 2021, 04:22
Location: BiH
Specialty: tv-multimedia

Re: Kendo TV 11AK53-3 Vestel sasija

Post napisao Korisnik_ » 25 Okt 2021, 20:21

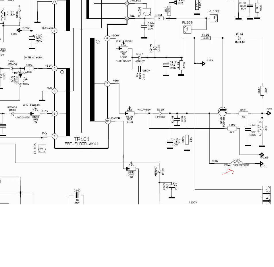
Prijatelji ,grijala mi se zavounica L110 zapravo vizuelno pocrnila ali omski i dalje pokazuje spoj nakon probe falericnog kola,prilazem i sliku,moze savjet koju da stavim drugu,da skinem sa neke stare ploce slicnu?Pozz
Prilog
fb zavojnica.png
JEDINO AFRICKA SLJIVA NE PADA

Avatar
alexa_pg
Site Admin
Site Admin
Postovi: 6119
Pridružen: 22 Avg 2006, 08:10
Location: Podgorica
Specialty: tv-multimedia

Re: Kendo TV 11AK53-3 Vestel sasija

Post napisao alexa_pg » 25 Okt 2021, 23:22

Nisam nikada imao da je ta prigušnica crkla. Po šemi se vidi da preko nje ide napajanje stepena za vertikalno skretanje. Nađi neđe original i ugradi.
"I ja volim ljude ali ih sve manje podnosim"

Avatar
KASA1
Site Admin
Site Admin
Postovi: 3856
Pridružen: 14 Feb 2011, 10:28
Location: Zagreb
Specialty: tv-multimedia

Re: Kendo TV 11AK53-3 Vestel sasija

Post napisao KASA1 » 25 Okt 2021, 23:35

Datasheet za FBMJ1608HS280NT:

Kod: Označi sve

https://eu.mouser.com/datasheet/2/396/TaiyoYuden_chipbeads01_e-1274227.pdf
"Čovječe, pazi da ne ideš malen ispod zvijezda!"

Korisnik_
___
___
Postovi: 220
Pridružen: 25 Apr 2021, 04:22
Location: BiH
Specialty: tv-multimedia

Re: Kendo TV 11AK53-3 Vestel sasija

Post napisao Korisnik_ » 25 Okt 2021, 23:39

Ma kolo fus jos iz elektronicke prodavnice prijatelj kupio,puklo ko pistolj a staro kolo ima neko trptanje slike desetak cm vertikalno pa se ugasi ton dobar inace.Kako da nadjem iste induktivnosti ili broja namotaja inace na ovima na ploci nista ne pise,ima ova oznaka na shemi ali google nista nije naso? :pivopije: Hvala Kasa sad cu pogledat..Mozda cu tesko naci istu,jos jedan je problem sto na plocama na takvima zavojnicama nista ne pise,jel moze slicnog izgleda ili da po oznaci porucim istu na internetu?Pozz
JEDINO AFRICKA SLJIVA NE PADA

Korisnik_
___
___
Postovi: 220
Pridružen: 25 Apr 2021, 04:22
Location: BiH
Specialty: tv-multimedia

Re: Kendo TV 11AK53-3 Vestel sasija

Post napisao Korisnik_ » 27 Okt 2021, 18:29

Imam Vestel sasije 11AK30A14,11AK30A11 nema u PDF-ovima spisak ugradjenih elemenata samo shema,postoje slicne zavojnice ispod kojihvna shemi pise samo @value inace kod FB generator pina za IC vertikale nemaju nikakvu zavojnicu,kolko sam vidio po shemama na ovim plocama nema takva zavojnica.Ako neko misli da moze neka sa ovih ploca bar za probu mogu probati?Pogledacu da nemam jos neku vestel sasiju sa slicnim smd zavojnicama.Hvala :pivopije:
JEDINO AFRICKA SLJIVA NE PADA

Korisnik_
___
___
Postovi: 220
Pridružen: 25 Apr 2021, 04:22
Location: BiH
Specialty: tv-multimedia

Re: Kendo TV 11AK53-3 Vestel sasija

Post napisao Korisnik_ » 16 Dec 2021, 22:43

Nabavio zavojnicu i drugo kolo,al ne ide popravka,naso sam poslje da mi izgara otpornik R128-1,5 Ohm i dioda D110-HER107 nisam odusto jos,sumjnam da mi ne radi vertikalna sinhronizacija koja dolazi sa plocice sa sitnom stampom,gdje se nalazi i procesor C107 470mF 35V,je li neko mozda mjenjao ovu plocicu da je bila problem? :pivopije:
JEDINO AFRICKA SLJIVA NE PADA

Avatar
Ribery
gx
gx
Postovi: 668
Pridružen: 28 Okt 2008, 20:21
Location: Beograd
Contact person: Darko
Specialty: tv-multimedia
Lokacija: Beograd-Zvezdara
Kontakt:

Re: Kendo TV 11AK53-3 Vestel sasija

Post napisao Ribery » 17 Dec 2021, 06:34

Kolega, ako nikada nisi radio CRT tehnilogiju a imaš želju da popraviš taj TV možda bi bilo najbolje da ga odneseš kod majstora koji zna da popravi taj televizor dok još može da se popravi da se ne mučiš džabe. To ti je i najbolje i najjeftinije rešenje veruj mi. Ovi novi LED televizori su dosta drugačiji za popravku od CRT televizora i pošto vidim da nisi nikada radio CRT televizore jeftinije je da odneseš nekom iskusnom majstoru.
Posao TV servisera moras da volis da bi radio takav posao. Ovaj posao niko ne uci samo zbog novca.

Odgovori
  • Slične teme
    Odgovori
    Pregledano
    Zadnji post

Natrag na “Servisiranje CRT Televizora”