Ispitivanje Operacionih pojačavača i Komparatora
Urednik: alexa_pg
Pravila foruma
Praktikujemo da na kraju opišemo kako smo rešili problem. Zatim zatvorimo temu >UPUTSTVO<
Praktikujemo da na kraju opišemo kako smo rešili problem. Zatim zatvorimo temu >UPUTSTVO<
-
- _
- Postovi: 58
- Pridružen: 07 Avg 2018, 17:18
- Location: kikinda
- Specialty: automotive
Ispitivanje Operacionih pojačavača i Komparatora
Već duže vreme se navodim mišlju da napravim neki "ispitivač" Operacionih Pojačala i Komparatora. Pomislio sam i da je uzalud trošiti vreme na to pa i u razgovoru sa kolegama. Operacioni mali signali, veliki otpornici na ulazima, neuništivi ...... BATALI
Ali imao sam u skorije vreme tri četri kvara gde su operacioni bili problem, na jedan se opekao pa rešio, zbog drugog sam poručivao procesor...programirao, zamenuo sa polovnim (naravno neispravan).....
Želeo bi da podelite vaša iskustva i ideje.....
Ja se vodim idejom. Pošto ima oko četri vrste kućišta da napravim podnožja i dovodim na ulaze jedan i drugi napon pa u režimu komparatora da mi pali i gasi na izlazu ledovke.
Pored četri kućišta postoje komparatori i operacioni open kolektor ili redovan izlaz.....
Ako neko zna još štošta da doda dok nekrenem u izradu ili ima svoje neke šeme ili tehnike ispitivanja dobro došle su......
Ali imao sam u skorije vreme tri četri kvara gde su operacioni bili problem, na jedan se opekao pa rešio, zbog drugog sam poručivao procesor...programirao, zamenuo sa polovnim (naravno neispravan).....
Želeo bi da podelite vaša iskustva i ideje.....
Ja se vodim idejom. Pošto ima oko četri vrste kućišta da napravim podnožja i dovodim na ulaze jedan i drugi napon pa u režimu komparatora da mi pali i gasi na izlazu ledovke.
Pored četri kućišta postoje komparatori i operacioni open kolektor ili redovan izlaz.....
Ako neko zna još štošta da doda dok nekrenem u izradu ili ima svoje neke šeme ili tehnike ispitivanja dobro došle su......
- Stolle
- Preminuo
- Postovi: 19099
- Pridružen: 12 Avg 2006, 23:35
- Location: Srbija
- Specialty: tv-multimedia
- Lokacija: Dimitrovgrad
Re: Ispitivanje Operacionih pojačavača i Komparatora
Ja sam kupio tester koji prepoznaje neke komponente i ispisuje njihove oznake. Neke operacione pojačivače, ULN2003 i logička CDxxxx i 74xxxx kola.. Pa računam, ako ga prepozna, onda je OP ispravan. Ispisuje slovo po slovo i cifre redom. recimo, LM324, LM358, ULN2003 i td.
Nije idealan. Neke nove i sigurno ispravne ne prepozna. Šta su učitali, to je i to pokazuje.
Nije idealan. Neke nove i sigurno ispravne ne prepozna. Šta su učitali, to je i to pokazuje.
"29 poslednjih dana u mesecu je najteže"
- branimir
- gx
- Postovi: 420
- Pridružen: 28 Mar 2017, 11:32
- Location: Srbija, Bačka Palanka
- Specialty: computers
Re: Ispitivanje Operacionih pojačavača i Komparatora
Možda nekom pomogne
Kod: Označi sve
https://www.aliexpress.com/item/4000155486457.html?spm=a2g0o.productlist.0.0.779b732bFiEhve&algo_pvid=3db94723-ffa8-405d-814b-1fdf3f5ecfd9&algo_expid=3db94723-ffa8-405d-814b-1fdf3f5ecfd9-0&btsid=0ab50f6115836932580636055ec560&ws_ab_test=searchweb0_0,searchweb201602_,searchweb201603_
Znam da ne znam, a sve što znam naučio sam od nekog.
- Stolle
- Preminuo
- Postovi: 19099
- Pridružen: 12 Avg 2006, 23:35
- Location: Srbija
- Specialty: tv-multimedia
- Lokacija: Dimitrovgrad
Re: Ispitivanje Operacionih pojačavača i Komparatora
Evo, ga:
Linkove za aliexpress obavezno stavljajte u CODE tagove.
Kod: Označi sve
https://www.ebay.com/itm/Multi-Function-IC-LED-Optocoupler-LM399-DIP-CHIP-TESTER-Model-Number-Detector/332694381812?hash=item4d762164f4:g:3a8AAOSwdoJbLDS0


"29 poslednjih dana u mesecu je najteže"
-
- _
- Postovi: 58
- Pridružen: 07 Avg 2018, 17:18
- Location: kikinda
- Specialty: automotive
Re: Ispitivanje Operacionih pojačavača i Komparatora
Branimirov uređaj izgleda solidno, malo poskupo ali izgleda da para vredi...... Ako to sve ispituje
Dok njega ne nabavim smisliću nešto priručno....
Dok njega ne nabavim smisliću nešto priručno....
- branimir
- gx
- Postovi: 420
- Pridružen: 28 Mar 2017, 11:32
- Location: Srbija, Bačka Palanka
- Specialty: computers
Re: Ispitivanje Operacionih pojačavača i Komparatora
Znam da ne znam, a sve što znam naučio sam od nekog.
-
- _
- Postovi: 58
- Pridružen: 07 Avg 2018, 17:18
- Location: kikinda
- Specialty: automotive
Re: Ispitivanje Operacionih pojačavača i Komparatora
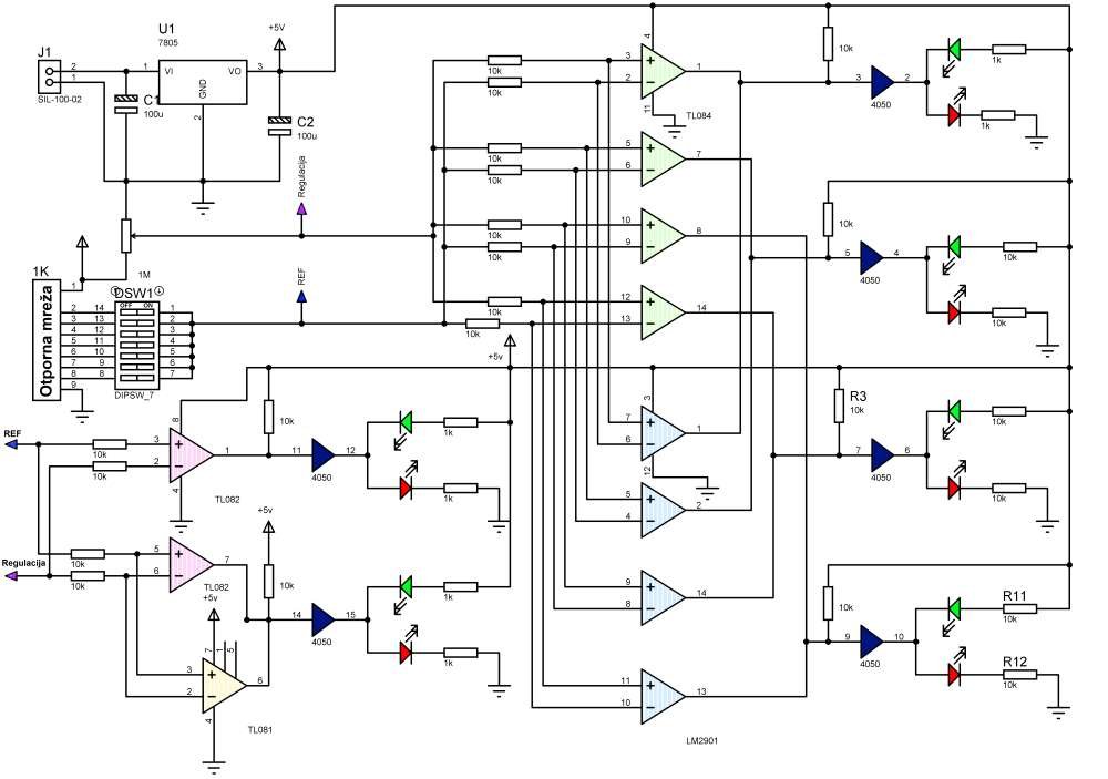
Ja zamislio ovako
Preko jedne otporne mreže i prekidača (može i potenciometar) podesim referentni napon na jedan ulaz.
Preko drugog potenciometra na drugi ulaz kako ga pokrećem naiđem na tačku gde će paliti i gasiti ledovku.
Na svaki izlaz sam vezao dve ledovke koje naizmenično svetle. Jedna za masu na izlazu druga za plus na izlazu.
Postavio sam CD 4050 baffer smittriger da mi pretvori signal iz izlaza OP u digitalni signal. Jer nula iz OP je oko volt dva a jedinica tj plus nije čisto napajanje.
Tako da sad ledovke lepo svetle ili ugašane potpuno.
Sve što je obojeno šrafirano isstom bojom je podnožje za IC kolo. Za četri kućišta četri podnožja.....
Zelena ledovka pokazuje da je nula na izlazu OP
Crvena Ledovka pokazuje da je plus na izlazu OP
Ispitivanje je sledeće:
Preklopnikom se izabere jedan referentni napon, potom se vrti potenciometar dok se nenađe tačka kada pali i gasi ledovke. Tačno se vidi stanje svakog izlaza koji moraju isto da se pale i gase......
Preko jedne otporne mreže i prekidača (može i potenciometar) podesim referentni napon na jedan ulaz.
Preko drugog potenciometra na drugi ulaz kako ga pokrećem naiđem na tačku gde će paliti i gasiti ledovku.
Na svaki izlaz sam vezao dve ledovke koje naizmenično svetle. Jedna za masu na izlazu druga za plus na izlazu.
Postavio sam CD 4050 baffer smittriger da mi pretvori signal iz izlaza OP u digitalni signal. Jer nula iz OP je oko volt dva a jedinica tj plus nije čisto napajanje.
Tako da sad ledovke lepo svetle ili ugašane potpuno.
Sve što je obojeno šrafirano isstom bojom je podnožje za IC kolo. Za četri kućišta četri podnožja.....
Zelena ledovka pokazuje da je nula na izlazu OP
Crvena Ledovka pokazuje da je plus na izlazu OP
Ispitivanje je sledeće:
Preklopnikom se izabere jedan referentni napon, potom se vrti potenciometar dok se nenađe tačka kada pali i gasi ledovke. Tačno se vidi stanje svakog izlaza koji moraju isto da se pale i gase......
- branimir
- gx
- Postovi: 420
- Pridružen: 28 Mar 2017, 11:32
- Location: Srbija, Bačka Palanka
- Specialty: computers
Re: Ispitivanje Operacionih pojačavača i Komparatora
Ima logike.
Znam da ne znam, a sve što znam naučio sam od nekog.
-
- _
- Postovi: 58
- Pridružen: 07 Avg 2018, 17:18
- Location: kikinda
- Specialty: automotive
Re: Ispitivanje Operacionih pojačavača i Komparatora
https://www.youtube.com/watch?v=YFN-8MnpUQU
Odradio sam ispitivač po navedenoj šemi sa manjim izmenama.
Mogu reći da sa zadovoljan kako je ispalo i samim ispitivanjem.
Ispitivanjem integralca TL 084 koji mi je radio neispravno u uređaju, jedan OP nije radio kako treba tj radi ispravno ali kao da mu je referentni napon pomeren u odnosu na ostala tri operaciona pojačala. Tehnički se čini ispravnim ali..... NIJE
Voleo bi ispitati i u kupovnim ispitivačima dali bi prikazali ispravno kolo ili ne. Pa da uporedim sa ovim priručnim.
Odradio sam ispitivač po navedenoj šemi sa manjim izmenama.
Mogu reći da sa zadovoljan kako je ispalo i samim ispitivanjem.
Ispitivanjem integralca TL 084 koji mi je radio neispravno u uređaju, jedan OP nije radio kako treba tj radi ispravno ali kao da mu je referentni napon pomeren u odnosu na ostala tri operaciona pojačala. Tehnički se čini ispravnim ali..... NIJE
Voleo bi ispitati i u kupovnim ispitivačima dali bi prikazali ispravno kolo ili ne. Pa da uporedim sa ovim priručnim.
Zadnja izmena: RadovanPetkovic, dana 03 Apr 2020, 08:51, ukupno menjano 1 put.
- branimir
- gx
- Postovi: 420
- Pridružen: 28 Mar 2017, 11:32
- Location: Srbija, Bačka Palanka
- Specialty: computers
Re: Ispitivanje Operacionih pojačavača i Komparatora
Bilo bi dobro imati i osciloskop.
Pohvala za trud.Bilo bi dobro imati i osciloskop.
Pohvala za trud.Bilo bi dobro imati i osciloskop.
Zadnja izmena: alexa_pg, dana 03 Apr 2020, 10:15, ukupno menjano 1 put.
Razlog: Dva uzastopna posta spojena u jedan
Razlog: Dva uzastopna posta spojena u jedan
Znam da ne znam, a sve što znam naučio sam od nekog.
- branimir
- gx
- Postovi: 420
- Pridružen: 28 Mar 2017, 11:32
- Location: Srbija, Bačka Palanka
- Specialty: computers
Re: Ispitivanje Operacionih pojačavača i Komparatora
Hvala na ispravci, memorija mog računara je napravilla dupli post koji nisam primetio, jer sam posle pisanja posta otišao dalje bez provere, a u toku pisanja posta sam naknadno prvi deo dodavao.Dešava se ponekad da računar odradi po svome.
Znam da ne znam, a sve što znam naučio sam od nekog.
-
- Slične teme
- Odgovori
- Pregledano
- Zadnji post
-
- 32 Odgovori
- 9550 Pregledano
-
Zadnji post napisao Majstor Duja
19 Jan 2010, 11:57
-
- 11 Odgovori
- 6704 Pregledano
-
Zadnji post napisao makkki79
04 Mar 2009, 22:21
-
- 13 Odgovori
- 7150 Pregledano
-
Zadnji post napisao Srečko
03 Mar 2010, 20:30
-
- 2 Odgovori
- 2245 Pregledano
-
Zadnji post napisao darko080372
19 Avg 2010, 23:39
-
-
Instrument za ispitivanje probojnog napona poluprovodnika BREAKDOWN VOLTAGE CHECKER made by Proko
napisao Proko » 18 Nov 2011, 02:18 » u Elektronika - 0 Odgovori
- 1524 Pregledano
-
Zadnji post napisao Proko
18 Nov 2011, 02:18
-
-
- 21 Odgovori
- 1081 Pregledano
-
Zadnji post napisao bracans
26 Jul 2025, 15:22