
Portabl duvaljka - lemna stanica Yihua 8858
Urednik: alexa_pg
- Stolle
- Preminuo
- Postovi: 19099
- Pridružen: 12 Avg 2006, 23:35
- Location: Srbija
- Specialty: tv-multimedia
- Lokacija: Dimitrovgrad
Re: Portabl duvaljka - lemna stanica Yihua 8858
A ja mislio, već si to popravio. 

"29 poslednjih dana u mesecu je najteže"
Re: Portabl duvaljka - lemna stanica Yihua 8858
U guzvi sam velikoj, a imam jos jednu duvaljku.I onda aj posle cu i opet nista. Sto bi rekli, obucar nikad nema celu obucu
Re: Portabl duvaljka - lemna stanica Yihua 8858
Kod njih to ne važi.Oni imaju pare 

-
- gx
- Postovi: 1491
- Pridružen: 14 Okt 2012, 13:40
- Location: Kupinovo
- Contact person: Vlada
- Specialty: tv-multimedia
Re: Portabl duvaljka - lemna stanica Yihua 8858
Otpor između pinova 7 i 8 na konektoru od ručice je 70Ω a otpor grejača je 0.9Ω , imam rezervni grejač pa sam izmerio. Kućište kontrolera-elektronike ne mogu da otvorim osim na silu. U uglovima su šrafići koji se okreću kao da su oblaznuti . Kako si ti razdvojio plastiku kućišta?
Re: Portabl duvaljka - lemna stanica Yihua 8858
Da li si siguran za otpor grejača? Ja sam pratio veze sa trijaka i tako merio 83 oma. Možda i nisam pogodio grejač, nisam obratio pažnju koji su to pinovi. Kod mene se ti šrafovi u uglovima najnormalnije otšrafe i rastavi se kućište. Utvrdio sam da TOP223PN definitivno ne valja, u drugom prolazu sam našao i neke diode loše. Kad rešim staviću spisak svih elemenata koje treba zameniti. Diode su vezane za TOP223PN.Naručio sam kolo pa kad stigne nastavljam.
Re: Portabl duvaljka - lemna stanica Yihua 8858
evo sad sam izmerio jedan novi heating element A1148 za BEB852A++, stigli mi pre neki dan...ima 88R. Mislim da se oko toga ne brineš, ako grejač prespoji cekas i smanji otpor imaćeš situaciju da termička zaštita na grejaču proradi kad se usija i ugasi grejanje. Jedino će trijak da gori zbog grejača ako ti recimo grejač padne na zemlju..neka od žica probije liskun i dohvati do metala...meni je jednom onaj sami vrh gde je temp. sonda, pipkala do mase (jer nisam dobro postavljao grejač u žljebove-gurao onako na pamet). Mislim da ti TOP pravi te probleme...
cuby
cuby
samo laž treba državnu podršku, istina stoji sama od sebe uspravno! 

- alexa_pg
- Site Admin
- Postovi: 6029
- Pridružen: 22 Avg 2006, 08:10
- Location: Podgorica
- Specialty: tv-multimedia
Re: Portabl duvaljka - lemna stanica Yihua 8858
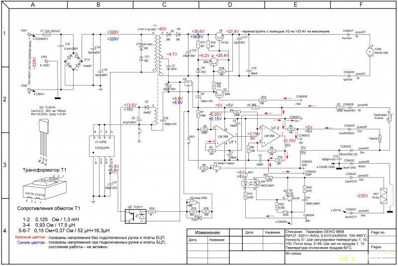
Na ovoj stranici
imas sve o toj duvaljci ukljucujuci i semu. Koliko je tacna ne znam. Pogledaj sam. Izgrebano kolo je LM358
Kod: Označi sve
https://mysku.ru/blog/aliexpress/44306.html
"I ja volim ljude ali ih sve manje podnosim"
Re: Portabl duvaljka - lemna stanica Yihua 8858
Hvala puno kolege!
-
- gx
- Postovi: 1491
- Pridružen: 14 Okt 2012, 13:40
- Location: Kupinovo
- Contact person: Vlada
- Specialty: tv-multimedia
Re: Portabl duvaljka - lemna stanica Yihua 8858
Ovo je slika moje duvaljke.
- alexa_pg
- Site Admin
- Postovi: 6029
- Pridružen: 22 Avg 2006, 08:10
- Location: Podgorica
- Specialty: tv-multimedia
Re: Portabl duvaljka - lemna stanica Yihua 8858
Nesto nisi dobro uradio.
Po specifikaciji proizvodjaca otpor grijača je 74 Ohm
"I ja volim ljude ali ih sve manje podnosim"
- branimir
- gx
- Postovi: 420
- Pridružen: 28 Mar 2017, 11:32
- Location: Srbija, Bačka Palanka
- Specialty: computers
Re: Portabl duvaljka - lemna stanica Yihua 8858
Vreme je za drugi unimer.
Znam da ne znam, a sve što znam naučio sam od nekog.
Re: Portabl duvaljka - lemna stanica Yihua 8858
Slucaj resen, misterija ostaje
Zamenjeno sledece
Osigurac, diode u grecu, TOP223PN, triak BTA16-600. Radi sve normalno. I dalje mi nije jasna veza izmedju triaka i TOP223PN.Al bitno da radi. Hvala svima jos jednom.


- Stolle
- Preminuo
- Postovi: 19099
- Pridružen: 12 Avg 2006, 23:35
- Location: Srbija
- Specialty: tv-multimedia
- Lokacija: Dimitrovgrad
Re: Portabl duvaljka - lemna stanica Yihua 8858
Nema misterije.
Stavio si neku diodu koja nije bila ispravna i eto.

"29 poslednjih dana u mesecu je najteže"
Re: Portabl duvaljka - lemna stanica Yihua 8858
Bitno da ponovo sljaka, a i dobili smo korisne informacije o ovoj duvaljci.I semu i mnogo stosta. 

Re: Portabl duvaljka - lemna stanica Yihua 8858
Evo ponovo se desilo isto. Pri ukljucenju u struju samo puklo.Otisao osigurac i vidno je da je izgoreo ponovo TOP .Dve nozice stopljene. 

- Stolle
- Preminuo
- Postovi: 19099
- Pridružen: 12 Avg 2006, 23:35
- Location: Srbija
- Specialty: tv-multimedia
- Lokacija: Dimitrovgrad
Re: Portabl duvaljka - lemna stanica Yihua 8858
Kondenzator, dioda u Drainu? Zameni ih. A može da bude i trafo.
"29 poslednjih dana u mesecu je najteže"
- alexa_pg
- Site Admin
- Postovi: 6029
- Pridružen: 22 Avg 2006, 08:10
- Location: Podgorica
- Specialty: tv-multimedia
Re: Portabl duvaljka - lemna stanica Yihua 8858
Nesto ne vjerujem da je trafo.
Kinezi su poznati po losim lemovima. Iz tog razloga provjeri sve lemove na primarnoj strani ukljucujuci i optokapler.
Kinezi su poznati po losim lemovima. Iz tog razloga provjeri sve lemove na primarnoj strani ukljucujuci i optokapler.
"I ja volim ljude ali ih sve manje podnosim"
- Stolle
- Preminuo
- Postovi: 19099
- Pridružen: 12 Avg 2006, 23:35
- Location: Srbija
- Specialty: tv-multimedia
- Lokacija: Dimitrovgrad
Re: Portabl duvaljka - lemna stanica Yihua 8858
Malo je verovatno, ali dešavalo se je na nekim mrežama da crkavaju ti mali trafići, obično za napon za st.by.
"29 poslednjih dana u mesecu je najteže"
Re: Portabl duvaljka - lemna stanica Yihua 8858
Evo gledam u kolu drejna paralelno primarnom namotaju trafoa imam dve diode okrenute katodama jedna ka drugoj. Jedna je definitivno BYV26C. Na drugoj je malo izlizano, kao da pise POKE200A sto bi realno pre bilo P6KE200A? To cu da zamenim i ako je dobro.Neznam na koji kondezator Stole misli? Elkosi su mi svi dobri, zamenicu i C16 1n/2kV.On zna da pokaze da je dobar, a nije mada...
-
- Slične teme
- Odgovori
- Pregledano
- Zadnji post
-
- 46 Odgovori
- 14921 Pregledano
-
Zadnji post napisao KASA1
13 Nov 2020, 20:59
-
- 2 Odgovori
- 2794 Pregledano
-
Zadnji post napisao branimir
16 Nov 2017, 12:49
-
- 26 Odgovori
- 6062 Pregledano
-
Zadnji post napisao stojkePN
13 Okt 2008, 01:26
-
- 7 Odgovori
- 1888 Pregledano
-
Zadnji post napisao djole-79
09 Sep 2011, 19:02
-
- 60 Odgovori
- 15061 Pregledano
-
Zadnji post napisao majstorr
10 Feb 2024, 19:18
-
- 1 Odgovori
- 1956 Pregledano
-
Zadnji post napisao MbyLegend
25 Mar 2016, 22:36