Acer S231HL LED backlight problem [ODUSTAO]
Pravila foruma
Naslov teme treba da bude u formatu: PROIZVOĐAČ, MODEL, KRATAK OPIS KVARA
Nakon rešenog kvara zatvoriti temu >> >UPUTSTVO< u suprotnom ništa ne činiti.
RAZNA UPUTSTVA
Naslov teme treba da bude u formatu: PROIZVOĐAČ, MODEL, KRATAK OPIS KVARA
Nakon rešenog kvara zatvoriti temu >> >UPUTSTVO< u suprotnom ništa ne činiti.
RAZNA UPUTSTVA
- marko50
- _

- Postovi: 101
- Pridružen: 02 Okt 2014, 21:47
- Location: Novi Sad Srbija
- Contact person: Marko
- Phone number: 0038121544487
- Specialty: tv-multimedia
- Lokacija: Novi Sad
Acer S231HL LED backlight problem [ODUSTAO]
LED MONITOR
PROIZVOĐAČ:ACER
MODEL: (S231HL)
MODEL DODATNO: (opcionalno)
CHASSIS: (oznaka šasije ako Vam je poznata)
MAINBOARD: (oznake na matičnoj ploči. za drugi red oznaka odvojite jednim razmakom)
PANEL: (cela oznaka na panelu, sa revizijom zajedno, kao "HSD190MEN3 / Rev.1 ili V.xx")
T-CON BOARD: (samo ako postoji)
INVERTER: 715g4128-p01-000-004f
SMPS (mreža / inverter):
*****************************************
SIMPTOMI: nema backlight
OPIS KVARA i PREDUZETE RADNJE:monitor dosao bez osvetljenja, otvoren na ploci za osvetljenje izgoreo led driver MP3389EF, videlo se da je goreo, mosfet dobar, svi ostali delovi dobri, nasao sam drugo polovno kolo sa slicne ploce koja je rashodovano ali nisam video da radi, stavio i dobio napone, postoje 3 napona koja idu na po 14 dioda znaci 3x14 dioda se napaja sa tog kola, naponi su mi sva 3 21V i idalje ne pali osvetljenje testirao sam sve diode su ispravne, kao da nema snage da pokrene svih 14, da li je neko imao nesto slicno, ako podelim 21 v sa 14 dioda dobije se 1.5V po diodi meni se to cini kao da je ok ali i dalje ne radi
PROIZVOĐAČ:ACER
MODEL: (S231HL)
MODEL DODATNO: (opcionalno)
CHASSIS: (oznaka šasije ako Vam je poznata)
MAINBOARD: (oznake na matičnoj ploči. za drugi red oznaka odvojite jednim razmakom)
PANEL: (cela oznaka na panelu, sa revizijom zajedno, kao "HSD190MEN3 / Rev.1 ili V.xx")
T-CON BOARD: (samo ako postoji)
INVERTER: 715g4128-p01-000-004f
SMPS (mreža / inverter):
*****************************************
SIMPTOMI: nema backlight
OPIS KVARA i PREDUZETE RADNJE:monitor dosao bez osvetljenja, otvoren na ploci za osvetljenje izgoreo led driver MP3389EF, videlo se da je goreo, mosfet dobar, svi ostali delovi dobri, nasao sam drugo polovno kolo sa slicne ploce koja je rashodovano ali nisam video da radi, stavio i dobio napone, postoje 3 napona koja idu na po 14 dioda znaci 3x14 dioda se napaja sa tog kola, naponi su mi sva 3 21V i idalje ne pali osvetljenje testirao sam sve diode su ispravne, kao da nema snage da pokrene svih 14, da li je neko imao nesto slicno, ako podelim 21 v sa 14 dioda dobije se 1.5V po diodi meni se to cini kao da je ok ali i dalje ne radi
- fanzo
- Site Admin

- Postovi: 16038
- Pridružen: 02 Avg 2006, 06:41
- Location: Bački Petrovac, Srbija
- Phone number: 0038121781575
- Specialty: tv-multimedia
- Lokacija: Bački Petrovac
Re: Acer S231HL LED backlight problem
Mislim da ti je potrebno malo više predznanja iz elektronike.
Diode bi trebalo da rade na 3V, a možda su i na 6V ili čak 9V. .. ali ti si testirao sve diode i napisao da su ispravne, pa ako si ih testirao onda znaš da koliko volti rade.
.. ali .. nije mi jasna tvoja zadnja rečenica, a nije mi jasno ni zašto si stavio tuđu sliku.
Pretpostavimo da diode rade na 3V .. x14 = oko 45V
Sa koliko volti se napaja LED driver?
Diode bi trebalo da rade na 3V, a možda su i na 6V ili čak 9V. .. ali ti si testirao sve diode i napisao da su ispravne, pa ako si ih testirao onda znaš da koliko volti rade.
.. ali .. nije mi jasna tvoja zadnja rečenica, a nije mi jasno ni zašto si stavio tuđu sliku.
Pretpostavimo da diode rade na 3V .. x14 = oko 45V
Sa koliko volti se napaja LED driver?
Svakodnevno usavršavanje je bolje od zakasnelog savršenstva
- marko50
- _

- Postovi: 101
- Pridružen: 02 Okt 2014, 21:47
- Location: Novi Sad Srbija
- Contact person: Marko
- Phone number: 0038121544487
- Specialty: tv-multimedia
- Lokacija: Novi Sad
Re: Acer S231HL LED backlight problem
Drajver se napaja sa 19v, tudju sliku sam stavio zato sto je identicna ali mogu da slikam i original, testirao sam ih instrumentom i svaka je svetlela, moja greska nasao sam na kupindu driver nov pa cu kupiti i probati
- fanzo
- Site Admin

- Postovi: 16038
- Pridružen: 02 Avg 2006, 06:41
- Location: Bački Petrovac, Srbija
- Phone number: 0038121781575
- Specialty: tv-multimedia
- Lokacija: Bački Petrovac
Re: Acer S231HL LED backlight problem
Ako se napaja sa 19, kako onda može da ima 21V na izlazu?
Na Kupindu nema takav driver.
Na Kupindu nema takav driver.
Svakodnevno usavršavanje je bolje od zakasnelog savršenstva
- marko50
- _

- Postovi: 101
- Pridružen: 02 Okt 2014, 21:47
- Location: Novi Sad Srbija
- Contact person: Marko
- Phone number: 0038121544487
- Specialty: tv-multimedia
- Lokacija: Novi Sad
Re: Acer S231HL LED backlight problem
Ne znam kako moze zato sam i zatrazio pomoc, kada je monitor iskljucen na izlazima nema nista kada je ukljucen ima 21v sto je i logicno ali nema 41-45 koliko i treba, https://www.kupindo.com/Oprema-i-delovi ... 9_MP3389EF evo i kola na kupindu...
- alexa_pg
- Site Admin

- Postovi: 6119
- Pridružen: 22 Avg 2006, 08:10
- Location: Podgorica
- Specialty: tv-multimedia
Re: Acer S231HL LED backlight problem
Nešto ti sa tim drajverom nije uredu. Provjeri ti to još jednom.
Kao što ti je Fanzo napisao, ako je 14 dioda u nizu, napon za napajanje istih je 14x3.5V = 49V (približno)
Kao što ti je Fanzo napisao, ako je 14 dioda u nizu, napon za napajanje istih je 14x3.5V = 49V (približno)
"I ja volim ljude ali ih sve manje podnosim"
Re: Acer S231HL LED backlight problem
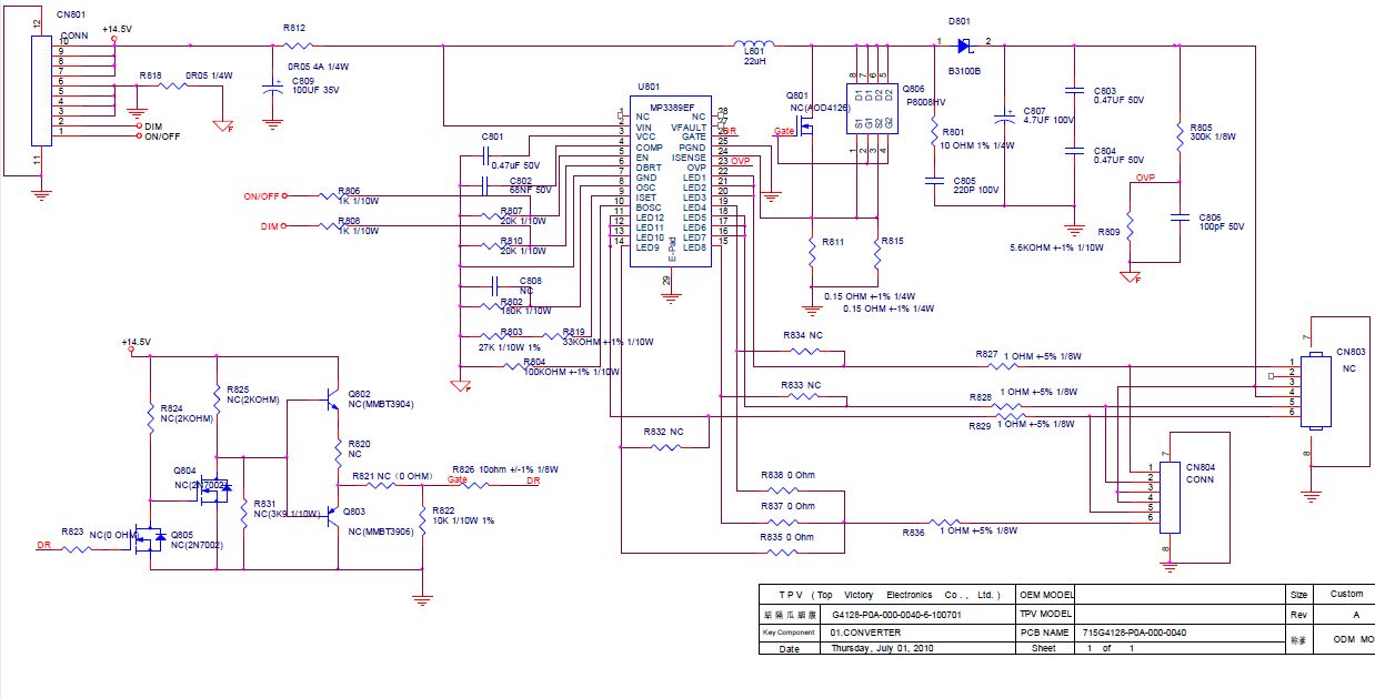
Koliki je napon na katodi D801 ?Ako kolo ima "rupu" proveri i otpore oko njega.
- marko50
- _

- Postovi: 101
- Pridružen: 02 Okt 2014, 21:47
- Location: Novi Sad Srbija
- Contact person: Marko
- Phone number: 0038121544487
- Specialty: tv-multimedia
- Lokacija: Novi Sad
Re: Acer S231HL LED backlight problem
Sve otpore i blokove sam detaljno pregledao sada mada sam i do sada gledao, sve je ok, na diodi za vreme stand-by imam 19v kada se pokrene dobijem 20v i to je to mislim da jedino driver koci stvari ako stignem danas cu ga nabaviti pa cu probati
Re: Acer S231HL LED backlight problem
Isključi konektor od led traka ,pa onda meri napon.
- marko50
- _

- Postovi: 101
- Pridružen: 02 Okt 2014, 21:47
- Location: Novi Sad Srbija
- Contact person: Marko
- Phone number: 0038121544487
- Specialty: tv-multimedia
- Lokacija: Novi Sad
Re: Acer S231HL LED backlight problem
Kupio sam novo kolo ugradio na jednom izlazu nema nista na drugom ima 20v na trecem 7v, definitivno nista od popravke sklopio sam monitor i vracam ga, nadam se da tema nije beskorisna ako jeste admini neka brisu, uglavnom stanje teme odustao.
- Stolle
- Preminuo
- Postovi: 19098
- Pridružen: 12 Avg 2006, 23:35
- Location: Srbija
- Specialty: tv-multimedia
- Lokacija: Dimitrovgrad
Re: Acer S231HL LED backlight problem
Brzo si odustao, nisi ni tranzistor proverio, ima još komponenti. Koliko vidim nisi pogledao ni neku šemu i datasheet kola.
Sa ovim kolom su ti naponi još gori, možda si ga oštetio?
A o isplativosti popravke monitora ne treba govoriti.
Sa ovim kolom su ti naponi još gori, možda si ga oštetio?
A o isplativosti popravke monitora ne treba govoriti.
"29 poslednjih dana u mesecu je najteže"
Re: Acer S231HL LED backlight problem
Na pogrešnim mestima si merio !Lepo sam ti napisao gde i kako.Po tvom zadnjem pisanju ne valjaju ledice ,a kako si ih ti ispitao bez rasturanja displeja ,ja ne znam ? I ja mislim da si se brzo predao, a taman sam se zagrejao.
- marko50
- _

- Postovi: 101
- Pridružen: 02 Okt 2014, 21:47
- Location: Novi Sad Srbija
- Contact person: Marko
- Phone number: 0038121544487
- Specialty: tv-multimedia
- Lokacija: Novi Sad
Re: Acer S231HL LED backlight problem
Ne ljudi nisam prebrzo drugi dan je ostavljen na njemu, nije jos uvek sklopljen ali sam se iznervirao, rastavljen je displej bio svaka dioda je pojedinacno testirana, i rade diode sigurno, novo kolo sam zalemio precizno i bez ostecenja i nisam dobio nista time jos gore je proslo, mosfet sam proverio i dobar je cak sam menjao i dtugi, sve otpore sam premerio detaljno, blokove sam pregledao ni jedan nije probio ne znam sta bi vise a ne radi i naravno sve je mereno dok su flet i diode otkacene, o isplativosti ne treba ali sta je tu je, jedino sto mogu da zakljucim da ne valja ni novo kolo ne znam sta vise
---------- Sub Sep 03, 2016 18:16 ----------
Novo kolo ili je fals ili nesto drugo nije u redu ali sada sam primetio da ono i na stand by ima napone neke na izlazima na jednom nista na drugom 3v na trecem 19v suludo ali tako je, vratio sam se opet na proslo kolo moje polovno i kad je u stand by na izlazima nema nista kad se ukljuci kolo na izlazima je 20-21v i to je to ne znam sta dalje...
---------- Sub Sep 03, 2016 18:16 ----------
Novo kolo ili je fals ili nesto drugo nije u redu ali sada sam primetio da ono i na stand by ima napone neke na izlazima na jednom nista na drugom 3v na trecem 19v suludo ali tako je, vratio sam se opet na proslo kolo moje polovno i kad je u stand by na izlazima nema nista kad se ukljuci kolo na izlazima je 20-21v i to je to ne znam sta dalje...
Re: Acer S231HL LED backlight problem
Jbg... ,nisi napisao da si rasturao displej.Te tri linije sa dioda što idu na čip,one idu na drein koji je u samom IC.Koliki je napon na elkou C807 (katoda D801)?Da bi IC proradilo treba da dobije "ON" sa digi ploče, takođe i regulacija svetla(R506 i R805) .Da li na tim otporima ima promene napona ?
- Stolle
- Preminuo
- Postovi: 19098
- Pridružen: 12 Avg 2006, 23:35
- Location: Srbija
- Specialty: tv-multimedia
- Lokacija: Dimitrovgrad
Re: Acer S231HL LED backlight problem
Nije baš tačna, ali pomoći će.
"29 poslednjih dana u mesecu je najteže"
- fanzo
- Site Admin

- Postovi: 16038
- Pridružen: 02 Avg 2006, 06:41
- Location: Bački Petrovac, Srbija
- Phone number: 0038121781575
- Specialty: tv-multimedia
- Lokacija: Bački Petrovac
Re: Acer S231HL LED backlight problem
Driver je tipa step-up i treba da podigne napon kada se kolo aktivira. Obzirom da je kod tebe isti napon kao i napon napajanja (napon samo prođe kroz L801 i D801 po Stoletovoj šemi) to znači da step-up ne radi (ne valja IC ili MB ne aktivira kolo ili neka komponenta u kolu IC nije dobra) ili ti je instrument suviše spor (ili kasno meriš) i ne primećuješ da kolo odlazi u protekt mode odmah nakon što se aktivira i u ovom slučaju diode ne valjaju.
Mislio sam da si našao komplet drugi modul.
Mislio sam da si našao komplet drugi modul.
Svakodnevno usavršavanje je bolje od zakasnelog savršenstva
- marko50
- _

- Postovi: 101
- Pridružen: 02 Okt 2014, 21:47
- Location: Novi Sad Srbija
- Contact person: Marko
- Phone number: 0038121544487
- Specialty: tv-multimedia
- Lokacija: Novi Sad
Re: Acer S231HL LED backlight problem
da to sam i ja sve tako nekako obrazlozio i shvatio, definitivno kolo je problem, da imam drugi modul tako bi najlakse resio ali to je naci kao iglu u plastu sena, dobija kolo pobudu sa main-a 3v i komandu za osvetljenje 3v i tih 19v za napajanje, instrument koristim fluke 116 on bi bar trebo da bude precizan, na ta tri izlaza dodje do promene znaci kada kolo dobije 3v sa maina, ja tu dobijem 21v a napaja se sa 19 znaci nije bas isto ali totalno nebitno, nemam vise vremena a ni novaca da ulazem u to neisplativo jedino ako bih nasao komplet polovan modul,ako neko slucajno ima nek se javi :) ili neki slican koji moze da se prepravi. Hvala svima jos jednom na pomoci 
- fanzo
- Site Admin

- Postovi: 16038
- Pridružen: 02 Avg 2006, 06:41
- Location: Bački Petrovac, Srbija
- Phone number: 0038121781575
- Specialty: tv-multimedia
- Lokacija: Bački Petrovac
Re: Acer S231HL LED backlight problem
Ako ti je još otvoren, onda otkači sve diode, instrument namesti da meri i zamrzne MAX vrednost, zakači instrument na + elka iza diode i onda uključi u struju.
Ostavi tako 10-tak sekundi i pogledaj koliki je maksimalni napon bio na elku.
Ako je bio preko 50V onda je step-up dobar, ako pak ne prelazi tih 21V onda step-up ne valja. Naravno ako uzmemo u obzir da je napajanje dobro i da je ON sa MB bio prisutan.
Ovo je samo da ispitaš da li step-up radi.
Ostavi tako 10-tak sekundi i pogledaj koliki je maksimalni napon bio na elku.
Ako je bio preko 50V onda je step-up dobar, ako pak ne prelazi tih 21V onda step-up ne valja. Naravno ako uzmemo u obzir da je napajanje dobro i da je ON sa MB bio prisutan.
Ovo je samo da ispitaš da li step-up radi.
Svakodnevno usavršavanje je bolje od zakasnelog savršenstva
Re: Acer S231HL LED backlight problem
Marko,Marko pogledaj sliku.Treći put ti govorim gde da meriš, a i Fanzo napisao ,a ti uporno tri izlaza na kojima meriš 21V i to je u redu kad ne radi step-up ili nema signal za svetlo ,a još i okačene led diode.Zabodi fluke na katodu D801 i izmeri napon!Bem ti crtanje ,ko prvak ,ubi se bada!
Nemoj sad da odustaješ bar dok ne napravimo tačnu dijagnozu !
Nemoj sad da odustaješ bar dok ne napravimo tačnu dijagnozu !
- Prilog
-
- 2015-Rushed-New-Arrival-Oled-Tft-Lcd-Free-Shipping-The-Original-715g4128-p01-000-004f-font.jpg (70.82 KiB) Pregledano 7565 puta.
-
- Slične teme
- Odgovori
- Pregledano
- Zadnji post
-
-
acer al2216w ne daje nikakve znake
napisao alexb » 02 Jun 2011, 18:58 » u Servisiranje TFT - LCD Monitora - 11 Odgovori
- 2702 Pregledano
-
Zadnji post napisao hellfm
27 Avg 2011, 23:32
-
-
- 1 Odgovori
- 1093 Pregledano
-
Zadnji post napisao chellawy
19 Sep 2011, 09:07
-
-
LCD Monitor ACER V193W (pozadinsko osvetljenje) RESENO!
napisao paja » 23 Feb 2012, 10:47 » u Servisiranje TFT - LCD Monitora - 3 Odgovori
- 2142 Pregledano
-
Zadnji post napisao paja
23 Feb 2012, 22:48
-
-
-
ACER FP563 potrebna sema rijeseno
napisao elektro2 » 28 Feb 2012, 14:38 » u Servisiranje TFT - LCD Monitora - 2 Odgovori
- 1022 Pregledano
-
Zadnji post napisao milan
28 Feb 2012, 20:42
-
-
- 12 Odgovori
- 3836 Pregledano
-
Zadnji post napisao ahim
31 Jul 2012, 20:44
-
- 9 Odgovori
- 5758 Pregledano
-
Zadnji post napisao stevanrs
24 Sep 2014, 13:05
-
-
Inverter CIU11-T0003D 49-3-0108-000 za ACER AL2671W
napisao mancic » 08 Feb 2016, 11:44 » u SRB PRODAJA - LCD - LED televizori monitori - 0 Odgovori
- 895 Pregledano
-
Zadnji post napisao mancic
08 Feb 2016, 11:44
-
-
-
T-Con V26ACB za Acer AL2671W
napisao mancic » 08 Feb 2016, 12:45 » u SRB PRODAJA - LCD - LED televizori monitori - 0 Odgovori
- 870 Pregledano
-
Zadnji post napisao mancic
08 Feb 2016, 12:45
-

