Renault Tuner List AUX?

problemi , kvarovi , autoradio aparati i auto ozvučenja

Urednik: Barbarella56

Pravila foruma
Na ovom delu foruma ZABRANJENO JE:
-Postavljanje kalkulatora iz serijskog broja,
-Izracunavanje kodova iz serijskog broja,
-Objavljivanje dampova bez koda.
Sva ostala pitanja iz oblasti servisiranja ARK-a,CD-a su dozvoljena.

Praktikujemo da na kraju opišemo kako smo rešili problem. Zatim zatvorimo temu >UPUTSTVO<
XbaneX
_
_
Postovi: 18
Pridružen: 10 Jan 2013, 09:50
Location: Novi Sad

Renault Tuner List AUX?

Post napisao XbaneX » 03 svi 2016, 14:01

Pozdrav svima.

Da li je iko pokušao da namesti AUX na renoovom cd uređaju sa oznakom Tuner list?

Koliko sam video po netu on nema pozadi klasični priključak za AUX već samo za CD changer.

Ono što je meni palo na pamet je da zalemim aux na izlaze CD player-a i narežem silent cd (ovakve zahvate sam već radio) ali s obzirom da je auto star 12 godina pitanje koliko će još laser pogurati.
Pa mi je nadošla još jedna ideja, a to je da nekako zeznem uređaj da je cd unutra i da propusti signal. Ne znam da li je uopšte ovo izvodljivo.

Ako neko ima predloga ili rešenja neka javi.

XbaneX
_
_
Postovi: 18
Pridružen: 10 Jan 2013, 09:50
Location: Novi Sad

Re: Renault Tuner List AUX?

Post napisao XbaneX » 03 svi 2016, 20:14

Gledam sad datasheet od procesora. Pa mi naviru ideje. :)
Ukoliko bi presekao vodove od AM signala i direktno nalemio na pinove 66 (AM/AM_R) i 67(AM_L) žice od mp3 playera da li bi to radilo ili bi nešto pregorilo? :)

Ovo bi bilo odlično jer AM ne koristim.
Prilog
Capture.JPG

Avatar
alexa_pg
Site Admin
Site Admin
Postovi: 6029
Pridružen: 22 Avg 2006, 08:10
Location: Podgorica
Specialty: tv-multimedia

Re: Renault Tuner List AUX?

Post napisao alexa_pg » 03 svi 2016, 21:37

Nema razloga da ista pregori.
Jedino ne moze direktno na pinove kola vec kao u prilozenoj semi.
NF.JPG
NF.JPG (25.32 KiB) Pregledano 4891 put.
"I ja volim ljude ali ih sve manje podnosim"

XbaneX
_
_
Postovi: 18
Pridružen: 10 Jan 2013, 09:50
Location: Novi Sad

Re: Renault Tuner List AUX?

Post napisao XbaneX » 03 svi 2016, 23:32

E onda ću probati tako da napravim.
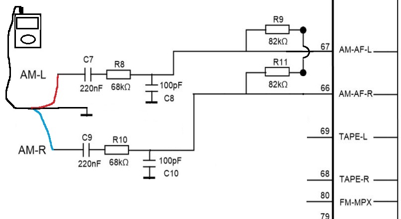
Ako sam dobro skontao šemu ovo bi mogao da sredim na kablu i to bi onda ovako izgledalo. Zar ne?
Prilog
am aux.JPG

Avatar
alexa_pg
Site Admin
Site Admin
Postovi: 6029
Pridružen: 22 Avg 2006, 08:10
Location: Podgorica
Specialty: tv-multimedia

Re: Renault Tuner List AUX?

Post napisao alexa_pg » 04 svi 2016, 00:20

Tačno tako.
"I ja volim ljude ali ih sve manje podnosim"

XbaneX
_
_
Postovi: 18
Pridružen: 10 Jan 2013, 09:50
Location: Novi Sad

Re: Renault Tuner List AUX?

Post napisao XbaneX » 06 svi 2016, 10:27

Poduhvat nije uspeo. :-( Zvuk je kao da slušam AM stanicu, baš loš.

Probaću ,ako nađem izlaze sa cd čitača (nikakve oznake nema na pločici od elektronike....), da namestim aux preko CD-a sa silend track-om.
Ako ni to ne uspe onda ostaje zamena radija za Update List.

---------- Ned Maj 15, 2016 20:04 ----------
Novosti...

Pokušao sam sa CD-om ali nisam uspeo. Naime cd ima digitalne izlaze tako da me u startu pokopao.
Onda sam još jednom pokušao sa AM. Prekontrolisao da li sam sve povezao, sve je OK... ali ništa. Jednostavno kao da nisu programirali procesor da obrađuje stereo AM signal.
Od zamene radija nema ništa. Problem je razlika u komunikaciji sa displejom. :(
Jedino sam našao a netu je da se prikači mp3 direkno na pojačalo ali se onda pojačava i smanjuje na player-u, a to mi je bezveze, nemam komande na volanu....

Tako da će na kraju raditi FM transmiter. 8)

Ako nekad neko uspe neka okači uputstvo.

Avatar
alexa_pg
Site Admin
Site Admin
Postovi: 6029
Pridružen: 22 Avg 2006, 08:10
Location: Podgorica
Specialty: tv-multimedia

Re: Renault Tuner List AUX?

Post napisao alexa_pg » 15 svi 2016, 21:42

Jesi li proba da MP3 player umjesto AM prikacis na Tape-L i Tape-R
"I ja volim ljude ali ih sve manje podnosim"

XbaneX
_
_
Postovi: 18
Pridružen: 10 Jan 2013, 09:50
Location: Novi Sad

Re: Renault Tuner List AUX?

Post napisao XbaneX » 16 svi 2016, 13:02

Nisam. Nešto sam kontao pošto nije kasetaš da onda nema ni opciju za izbor kasete.

Probaću za vikend, ne mogu ništa izgubiti.

Odgovori
  • Slične teme
    Odgovori
    Pregledano
    Zadnji post

Natrag na “AUTO RADIO - CD - DVD- NAVIGACIJE i slično”