MODUL COPRECI BYDS1310

Forum o MAŠINAMA ZA PRANJE I MAŠINAMA ZA SUŠENJE VEŠA.

Urednici: goranfri,nike,sim,Honorarac

Pravila foruma
BT-expert info - BTexpert forumi
U naslov teme prvo pisati ime proizvođača, zatim oznake modela bez crtica i razmaka i kratak opis kvara. U post obavezno upisati ID ili EAN oznake sa poleđine aparata u suprotnom tema će biti obrisana.
Praktikujemo da na kraju opišemo kako smo rešili problem. Zatim zatvorimo temu >UPUTSTVO<
PRILIKOM POSTAVLJANJA PITANJA U VEZI ELEKTRONSKOG MODULA OBAVEZNO POPIŠITE SVE OZNAKE sa ploče i sa nalepnica, dobro bi došla i po koja fotografija.
pecalav
_
_
Postovi: 10
Pridružen: 28 Dec 2012, 23:10
Location: Beograd

MODUL COPRECI BYDS1310

Post napisao pecalav » 11 Dec 2015, 22:20

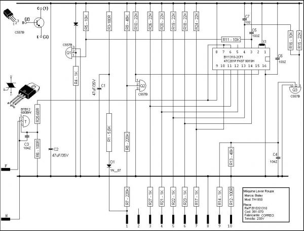
Pozdrav svima da li neko ima el. shemu za modul MODUL COPRECI BYDS 1310 koij se nalazi na velikom broju ves masina za regulaciju brzine motora, potrebna mi je oznaka integralnog kola koju ne mogu da nadjem da bi izvrsio popravku iste.

Evo slike:
slika

Avatar
servisant
_
_
Postovi: 127
Pridružen: 14 Nov 2008, 03:27
Location: Slovenija

Re: MODUL COPRECI BYDS1310

Post napisao servisant » 12 Dec 2015, 18:38

BYDS 1310.JPG
BYDS1310
Shema je vrlo lose resolucije (ne vjerujem bas, da ce ti biti u veliko pomoc)
LP Jaša

pecalav
_
_
Postovi: 10
Pridružen: 28 Dec 2012, 23:10
Location: Beograd

Re: MODUL COPRECI BYDS1310

Post napisao pecalav » 12 Dec 2015, 23:18

H V A L A vam cudo ste! :) RESENO

Avatar
servisant
_
_
Postovi: 127
Pridružen: 14 Nov 2008, 03:27
Location: Slovenija

Re: MODUL COPRECI BYDS1310

Post napisao servisant » 13 Dec 2015, 14:54

Drago mi je da si resio. sto je bilo u kvaru ? IC ?
LP Jaša

pecalav
_
_
Postovi: 10
Pridružen: 28 Dec 2012, 23:10
Location: Beograd

Re: MODUL COPRECI BYDS1310

Post napisao pecalav » 17 Dec 2015, 22:21

Dosao majstoj da da podesi nogicu od ves masine koju nije mogao da odvrne nego je tuka po njoj muski sto je dovelo do pada grafitne presine od cetkica na samu plocu kad je masina ukjlucena ciim je motor dobio prvi zahtev za rad doslo je do onoga ( svi uredjaji rade na beli dim kad on izadje iz uredjaja isti prestaju da rade) sto znaci da covek mora da bude oprezan kad drzi cekic
Pozdrav Pera.

Odgovori
  • Slične teme
    Odgovori
    Pregledano
    Zadnji post

Natrag na “VEŠ MAŠINE”