Kako da otvorim BRD i SCH file
Pravila foruma
Praktikujemo da na kraju opišemo kako smo rešili problem. Zatim zatvorimo temu >UPUTSTVO<
Praktikujemo da na kraju opišemo kako smo rešili problem. Zatim zatvorimo temu >UPUTSTVO<
- vlatkocopa
- gx
- Postovi: 3030
- Pridružen: 04 Jun 2008, 22:41
- Location: Makedonija-Kumanovo
- Contact person: Vlado
- Phone number: 0038931420808
- Specialty: tv
Kako da otvorim BRD i SCH file
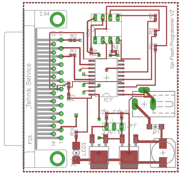
Resio da pravim SPI programator i ne mogu da otvorim fajlove.Posto se bas ne razumem u programe,molio bi da neko od kolega pomogne,konkretno za ovo.
- Prilog
-
SPI Flash Programmer v2.rar
- (318.38 KiB) Preuzeto 168 puta.
Za sjaj u očima, rumenilo u licu i lepršav hod - koristite kozmetiku -Šljivovica a moze i domaca jabukovaca ..:))
- alexa_pg
- Site Admin
- Postovi: 6029
- Pridružen: 22 Avg 2006, 08:10
- Location: Podgorica
- Specialty: tv-multimedia
Re: Kako da otvorim BRD i SCH file
Da bi otvorio ova dva fajla na svom racunaru moras instalirati program Eagle
Isti imas skinuti ovdje http://www.cadsoftusa.com/download-eagle/
Kad imas neki fajl za koji ne znas cime da ga otvoris, probaj ga otvoriti sa Notepad-om. Ja licno koristim Notepad++
U zaglavlju fajla najcesce pise cime se otvara taj fajl, odnosno kom programu pripada.
Evo kako izgleda zaglavlje otvoreno u Notepad++
Koliko kosta ova plocica da je uradi Tehnik a koliko mu kosta gotov i ispitan programator?
Ako narucimo vise komada mozda bude i jeftinije.
Isti imas skinuti ovdje http://www.cadsoftusa.com/download-eagle/
Kad imas neki fajl za koji ne znas cime da ga otvoris, probaj ga otvoriti sa Notepad-om. Ja licno koristim Notepad++
U zaglavlju fajla najcesce pise cime se otvara taj fajl, odnosno kom programu pripada.
Evo kako izgleda zaglavlje otvoreno u Notepad++
Kod: Označi sve
<?xml version="1.0" encoding="utf-8"?>
<!DOCTYPE eagle SYSTEM "eagle.dtd">
<eagle version="6.1">
<drawing>
Ako narucimo vise komada mozda bude i jeftinije.
"I ja volim ljude ali ih sve manje podnosim"
- vlatkocopa
- gx
- Postovi: 3030
- Pridružen: 04 Jun 2008, 22:41
- Location: Makedonija-Kumanovo
- Contact person: Vlado
- Phone number: 0038931420808
- Specialty: tv
Re: Kako da otvorim BRD i SCH file
I ja sam mislio da ga pitam,ali bio je off line,cim se pojavu cu da mu zvrcnem.


Za sjaj u očima, rumenilo u licu i lepršav hod - koristite kozmetiku -Šljivovica a moze i domaca jabukovaca ..:))
- vlatkocopa
- gx
- Postovi: 3030
- Pridružen: 04 Jun 2008, 22:41
- Location: Makedonija-Kumanovo
- Contact person: Vlado
- Phone number: 0038931420808
- Specialty: tv
Re: Kako da otvorim BRD i SCH file
Instalirao i opet nece 

Za sjaj u očima, rumenilo u licu i lepršav hod - koristite kozmetiku -Šljivovica a moze i domaca jabukovaca ..:))
- alexa_pg
- Site Admin
- Postovi: 6029
- Pridružen: 22 Avg 2006, 08:10
- Location: Podgorica
- Specialty: tv-multimedia
Re: Kako da otvorim BRD i SCH file
Ne znam zasto kod tebe nece. Da nisi skinuo i instalirao nizu verziju od 6.1
Evo kod mene radi sa verzijom 6.5
Evo kod mene radi sa verzijom 6.5
"I ja volim ljude ali ih sve manje podnosim"
- vlatkocopa
- gx
- Postovi: 3030
- Pridružen: 04 Jun 2008, 22:41
- Location: Makedonija-Kumanovo
- Contact person: Vlado
- Phone number: 0038931420808
- Specialty: tv
Re: Kako da otvorim BRD i SCH file
Ma istu 6.5,restartirao comp i nece 

Za sjaj u očima, rumenilo u licu i lepršav hod - koristite kozmetiku -Šljivovica a moze i domaca jabukovaca ..:))
- alexa_pg
- Site Admin
- Postovi: 6029
- Pridružen: 22 Avg 2006, 08:10
- Location: Podgorica
- Specialty: tv-multimedia
Re: Kako da otvorim BRD i SCH file
Prijavi li racunar bar neku gresku, dobijes li neku poruku na ekranu?
"I ja volim ljude ali ih sve manje podnosim"
- vlatkocopa
- gx
- Postovi: 3030
- Pridružen: 04 Jun 2008, 22:41
- Location: Makedonija-Kumanovo
- Contact person: Vlado
- Phone number: 0038931420808
- Specialty: tv
Re: Kako da otvorim BRD i SCH file
Ma jok,sve se instalira ok i nece,aj ako ne zvacu nekog od prijatelja koji se bave sa programima... 

Za sjaj u očima, rumenilo u licu i lepršav hod - koristite kozmetiku -Šljivovica a moze i domaca jabukovaca ..:))
Re: Kako da otvorim BRD i SCH file
Kod mene otvara u Eagle, verzija 6.3.0 
http://circuitish.com/projects/spi-flas ... mmer-v2-2/
Hardware and PCB were designed with Cadsoft Eagle 6.1 version .

http://circuitish.com/projects/spi-flas ... mmer-v2-2/
Hardware and PCB were designed with Cadsoft Eagle 6.1 version .
Sto vise ucim sve vise vidim koliko neznam :plaz:
Re: Kako da otvorim BRD i SCH file
Probao sad u Eagle 6.1 na Linuxu i radi 1:1...
There are only 10 types of people in the world:
those who understand binary, and those who don't.
those who understand binary, and those who don't.
- bogoslav
- gx
- Postovi: 995
- Pridružen: 10 Dec 2006, 01:41
- Location: Nikšić
- Phone number: 0038268000267
- Specialty: tv-multimedia
- Lokacija: niksic
Re: Kako da otvorim BRD i SCH file
I ja se prijavljujem za kupovinualexa_pg je napisao:a koliko mu kosta gotov i ispitan programator?

- vlatkocopa
- gx
- Postovi: 3030
- Pridružen: 04 Jun 2008, 22:41
- Location: Makedonija-Kumanovo
- Contact person: Vlado
- Phone number: 0038931420808
- Specialty: tv
Re: Kako da otvorim BRD i SCH file
Culi smo se sa Vanetom i obeco da ce da obnovi temu i da vidimo koiko ima kandidata da se poruci gotov iz Kine,a mozda i samo plocica,sve zavisi kako se dogovorimo 

Za sjaj u očima, rumenilo u licu i lepršav hod - koristite kozmetiku -Šljivovica a moze i domaca jabukovaca ..:))
-
- Slične teme
- Odgovori
- Pregledano
- Zadnji post
-
- 2 Odgovori
- 749 Pregledano
-
Zadnji post napisao Stolle
26 Mar 2012, 21:47