Candy Junior 4.04

Forum o MAŠINAMA ZA PRANJE I MAŠINAMA ZA SUŠENJE VEŠA.

Urednici: goranfri,nike,sim,Honorarac

Pravila foruma
BT-expert info - BTexpert forumi
U naslov teme prvo pisati ime proizvođača, zatim oznake modela bez crtica i razmaka i kratak opis kvara. U post obavezno upisati ID ili EAN oznake sa poleđine aparata u suprotnom tema će biti obrisana.
Praktikujemo da na kraju opišemo kako smo rešili problem. Zatim zatvorimo temu >UPUTSTVO<
PRILIKOM POSTAVLJANJA PITANJA U VEZI ELEKTRONSKOG MODULA OBAVEZNO POPIŠITE SVE OZNAKE sa ploče i sa nalepnica, dobro bi došla i po koja fotografija.
MBS
_
_
Postovi: 6
Pridružen: 19 Jun 2010, 14:13
Location: Bačka Palanka

Candy Junior 4.04

Post napisao MBS » 17 Avg 2013, 20:55

Pozdrav,
molio bih za šemu veš mašine Candy L 4.04 ( Junior )
potrebna mi je zbog povezivanja termostata.
Hvala.

gaccaka
_
_
Postovi: 2
Pridružen: 18 Feb 2013, 14:59
Location: niš
Specialty: computers

Re: Candy Junior 4.04

Post napisao gaccaka » 13 Okt 2013, 01:28

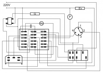
Imam ono sto sam sam "skidao" sa ves masine i crtao.Nadam se da ce ti pomoci
Prilog
Graphic1.jpg

Odgovori
  • Slične teme
    Odgovori
    Pregledano
    Zadnji post

Natrag na “VEŠ MAŠINE”