Digital Video Camcorder CANON MV200 [REŠENO]
Pravila foruma
Naslov teme treba da bude u formatu: PROIZVOĐAČ, MODEL, KRATAK OPIS KVARA
Nakon rešenog kvara zatvoriti temu >> >UPUTSTVO< u suprotnom ništa ne činiti.
RAZNA UPUTSTVA
Naslov teme treba da bude u formatu: PROIZVOĐAČ, MODEL, KRATAK OPIS KVARA
Nakon rešenog kvara zatvoriti temu >> >UPUTSTVO< u suprotnom ništa ne činiti.
RAZNA UPUTSTVA
Digital Video Camcorder CANON MV200 [REŠENO]
pozdrav svim uvaženim članovima foruma ... Potrebna mi je shema ili service manual za digitalnu video kameru(mini dv) Canon MV200 ...
Problem je u tome što je neko spojio punjač (adapter) od neke druge kamere oslanjajući se na voltažu ali nije obraćao pažnju na polove + i - pa se sad ista nemože upaliti .
rastavio sam kameru i našao osigurače u prekidu zamjeno ali isto neće da se upali....
Svaki savjet,pomoć,ili komentar dobro došao unaprijed zahvalan.......
Problem je u tome što je neko spojio punjač (adapter) od neke druge kamere oslanjajući se na voltažu ali nije obraćao pažnju na polove + i - pa se sad ista nemože upaliti .
rastavio sam kameru i našao osigurače u prekidu zamjeno ali isto neće da se upali....
Svaki savjet,pomoć,ili komentar dobro došao unaprijed zahvalan.......
- Krajnc Karlo
- Preminuo
- Postovi: 359
- Pridružen: 02 Jul 2009, 09:46
- Location: Veternik
- Contact person: Karlo
- Specialty: tv-multimedia
Re: Digital Video Camcorder CANON MV200- Pomoć
proveri posle osiguraca da li ima neki dc-dc konvertor
i vidi koji je IC pa napisi ovde
i vidi koji je IC pa napisi ovde
Make it idiot proof and someone will make a better idiot
Re: Digital Video Camcorder CANON MV200- Pomoć
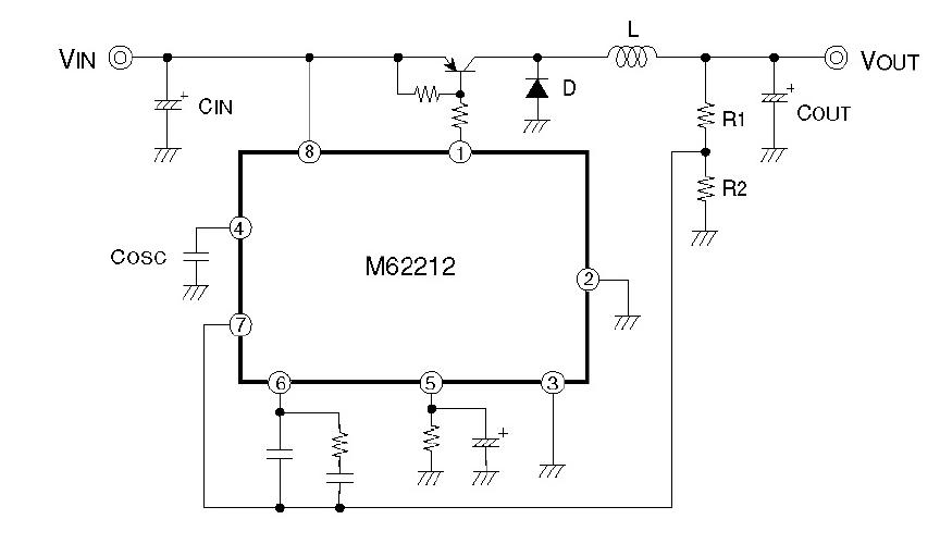
ima ako misliš na ovaj mali (kućište dip lil dil 8 SMD) po kućištu isiti kao smd eprom --62212- ispod piše 870--
- Krajnc Karlo
- Preminuo
- Postovi: 359
- Pridružen: 02 Jul 2009, 09:46
- Location: Veternik
- Contact person: Karlo
- Specialty: tv-multimedia
Re: Digital Video Camcorder CANON MV200- Pomoć
moguci naponi za procesor su 2,7V; 3V; 5V
ako to nemas posle konvertora onda je tu kvar
ako nisu neki prosti delovi (otpornici tranzistori),
tesko ces da nadjes bilo sta od tih smd za tu kameru
ako to nemas posle konvertora onda je tu kvar
ako nisu neki prosti delovi (otpornici tranzistori),
tesko ces da nadjes bilo sta od tih smd za tu kameru
Zadnja izmena: Krajnc Karlo, dana 30 Mar 2012, 00:44, ukupno menjano 1 put.
Make it idiot proof and someone will make a better idiot
Re: Digital Video Camcorder CANON MV200- Pomoć
Hvala puno na pomoći a jel bi mogao da mi kažeš kako da ispitam samo kolo ili možda znaš koja mu je zamena ili prava oznaka ,,hvala još jednom što mi pomažeš jer bi mi popravak ove kamere mnogo značio.....
- Krajnc Karlo
- Preminuo
- Postovi: 359
- Pridružen: 02 Jul 2009, 09:46
- Location: Veternik
- Contact person: Karlo
- Specialty: tv-multimedia
Re: Digital Video Camcorder CANON MV200- Pomoć
imas iznad 
i ovde

i ovde
Zadnja izmena: Krajnc Karlo, dana 30 Mar 2012, 00:48, ukupno menjano 1 put.
Make it idiot proof and someone will make a better idiot
Re: Digital Video Camcorder CANON MV200- Pomoć
jedino što sam primetio da su pin 2 i pin 7 na klou u kratkom spoju e sad da imam datalist za kolo sve bi mi bilo jasnije.....
- Krajnc Karlo
- Preminuo
- Postovi: 359
- Pridružen: 02 Jul 2009, 09:46
- Location: Veternik
- Contact person: Karlo
- Specialty: tv-multimedia
Re: Digital Video Camcorder CANON MV200- Pomoć
imas i pdf iznad
Make it idiot proof and someone will make a better idiot
Re: Digital Video Camcorder CANON MV200- Pomoć
šta drugo da napišem nego neizmerno zahvalan za pomoć izgleda da je kolo u pitanju po datasheet pin 2 i pin 7 nebi smeli da budu u ks-u.... molim potvrdu moje konstatacije....
- Krajnc Karlo
- Preminuo
- Postovi: 359
- Pridružen: 02 Jul 2009, 09:46
- Location: Veternik
- Contact person: Karlo
- Specialty: tv-multimedia
Re: Digital Video Camcorder CANON MV200- Pomoć
pa ako si odvojio pinove sa stampe onda je crko,
ako nisi posto tamo ima neki R2
moze da bude neki mali otpor, proveri
ako nisi posto tamo ima neki R2
moze da bude neki mali otpor, proveri
Make it idiot proof and someone will make a better idiot
Re: Digital Video Camcorder CANON MV200- Pomoć
nema otpora ni sekunde ... instrument sam podesio na ispitivanje dioda i pišti ko modem 

- Krajnc Karlo
- Preminuo
- Postovi: 359
- Pridružen: 02 Jul 2009, 09:46
- Location: Veternik
- Contact person: Karlo
- Specialty: tv-multimedia
Re: Digital Video Camcorder CANON MV200- Pomoć
eto
a gde ima da se kupi m62212 nemam pojma
pitanje je da li je jos nesto pocrkalo
vidi elkose na izlazu, ako konvertor pravi 5V
mozes da zakacis neki 7805 za probu
ali preko nekog otpora da vidis koliku struju vuce
ako povuce preko 1A onda je kamera dovidjenja
a gde ima da se kupi m62212 nemam pojma
pitanje je da li je jos nesto pocrkalo
vidi elkose na izlazu, ako konvertor pravi 5V
mozes da zakacis neki 7805 za probu
ali preko nekog otpora da vidis koliku struju vuce
ako povuce preko 1A onda je kamera dovidjenja
Make it idiot proof and someone will make a better idiot
Re: Digital Video Camcorder CANON MV200- Pomoć
ok pošto imam negde u rashodu dve identične kamere kod kojih je stradao mehanizam pa ću da vidim dali ima nešto sto bi moglo da mi bude od koristi .. U svakom slučaju tebi mnogo hvala na nesebičnoj pomoći a o nastavku servisiranja ću svakako obavještavati pa se nadam da ćeš pratiti temu...
- Krajnc Karlo
- Preminuo
- Postovi: 359
- Pridružen: 02 Jul 2009, 09:46
- Location: Veternik
- Contact person: Karlo
- Specialty: tv-multimedia
Re: Digital Video Camcorder CANON MV200- Pomoć
sretno, tu smo da pomognemo



Make it idiot proof and someone will make a better idiot
Re: Digital Video Camcorder CANON MV200- Rešeno
posle dužeg traganja za gore pomenutim dc-dc konvertorom isti je pronađen i ugrađen u kameru koja sada funkcioniše kao nova ...
Zahvaljujem se nesebičnoj pomoći znalcima sa fanzo foruma .. Hvala svima....
Zahvaljujem se nesebičnoj pomoći znalcima sa fanzo foruma .. Hvala svima....
- Krajnc Karlo
- Preminuo
- Postovi: 359
- Pridružen: 02 Jul 2009, 09:46
- Location: Veternik
- Contact person: Karlo
- Specialty: tv-multimedia
Re: Digital Video Camcorder CANON MV200- Pomoć

Make it idiot proof and someone will make a better idiot
-
- Slične teme
- Odgovori
- Pregledano
- Zadnji post
-
-
Camcorder SAMSUNG VPD371 - Neradi IEE1394
napisao janko » 08 Mar 2008, 22:29 » u Servisiranje Digitalnih Kamera Fotoaparata - 6 Odgovori
- 3036 Pregledano
-
Zadnji post napisao janko
11 Mar 2008, 16:47
-
-
-
Camcorder SONY DCRHC19E - Nema prikaz na ekranu
napisao DZoni » 27 Sep 2009, 15:50 » u Servisiranje Digitalnih Kamera Fotoaparata - 6 Odgovori
- 3322 Pregledano
-
Zadnji post napisao bados
12 Okt 2009, 08:08
-
-
-
Foto Aparat CANON A75 - Crna slika (RESENO)
napisao milans01 » 26 Jan 2008, 19:40 » u Servisiranje Digitalnih Kamera Fotoaparata - 7 Odgovori
- 3825 Pregledano
-
Zadnji post napisao milans01
22 Sep 2009, 15:59
-
-
-
Foto Aparat CANON IXUS70 - Prestao da radi (RESENO)
napisao cempers » 02 Apr 2009, 02:40 » u Servisiranje Digitalnih Kamera Fotoaparata - 5 Odgovori
- 4876 Pregledano
-
Zadnji post napisao notorni
07 Jan 2012, 16:52
-
-
-
Kamera CANON MV960E (RESENO)
napisao perosvencev » 31 Jan 2010, 17:44 » u Servisiranje Digitalnih Kamera Fotoaparata - 5 Odgovori
- 3548 Pregledano
-
Zadnji post napisao stojkePN
31 Jan 2010, 21:35
-
-
-
digital camera Panasonic DMC-FS10 (pao)
napisao felix_sk11 » 23 Avg 2011, 09:31 » u Servisiranje Digitalnih Kamera Fotoaparata - 5 Odgovori
- 3946 Pregledano
-
Zadnji post napisao felix_sk11
25 Avg 2011, 07:17
-
-
-
Foto Aparat CANON A530 - Objektiv (ODUSTAO)
napisao bolle86 » 09 Apr 2008, 14:55 » u Servisiranje Digitalnih Kamera Fotoaparata - 8 Odgovori
- 5561 Pregledano
-
Zadnji post napisao dtucic
06 Avg 2010, 20:06
-
-
-
Foto Aparat CANON A530 - Sema (ODUSTAO)
napisao nikolaresler » 20 Mar 2009, 21:12 » u Servisiranje Digitalnih Kamera Fotoaparata - 3 Odgovori
- 2726 Pregledano
-
Zadnji post napisao nikolaresler
02 Apr 2009, 19:56
-