** ŠEME OSTALI APARATI ** ovde možete postaviti
Urednici: goranfri,nike,sim,Honorarac
Pravila foruma
BT-expert info - BTexpert forumi
U naslov teme prvo pisati ime proizvođača, zatim oznake modela bez crtica i razmaka i kratak opis kvara. U post obavezno upisati ID ili EAN oznake sa poleđine aparata u suprotnom tema će biti obrisana.
Praktikujemo da na kraju opišemo kako smo rešili problem. Zatim zatvorimo temu >UPUTSTVO<
PRILIKOM POSTAVLJANJA PITANJA U VEZI ELEKTRONSKOG MODULA OBAVEZNO POPIŠITE SVE OZNAKE sa ploče i sa nalepnica, dobro bi došla i po koja fotografija.
BT-expert info - BTexpert forumi
U naslov teme prvo pisati ime proizvođača, zatim oznake modela bez crtica i razmaka i kratak opis kvara. U post obavezno upisati ID ili EAN oznake sa poleđine aparata u suprotnom tema će biti obrisana.
Praktikujemo da na kraju opišemo kako smo rešili problem. Zatim zatvorimo temu >UPUTSTVO<
PRILIKOM POSTAVLJANJA PITANJA U VEZI ELEKTRONSKOG MODULA OBAVEZNO POPIŠITE SVE OZNAKE sa ploče i sa nalepnica, dobro bi došla i po koja fotografija.
- fanzo
- Site Admin
- Postovi: 16010
- Pridružen: 02 Avg 2006, 06:41
- Location: Bački Petrovac, Srbija
- Phone number: 0038121781575
- Specialty: tv-multimedia
- Lokacija: Bački Petrovac
** ŠEME OSTALI APARATI ** ovde možete postaviti
** ŠEME OSTALI APARATI ** ovde možete postaviti ako želite. Obavezno navedite u postu apsolutno sve oznake (ID - EAN kod) i vrstu aparata.
Svakodnevno usavršavanje je bolje od zakasnelog savršenstva
- kisko
- Preminuo
- Postovi: 2054
- Pridružen: 12 Jun 2007, 01:51
- Location: Kovilj-na kraj sveta
- Specialty: tv-multimedia
- Lokacija: Kovilj-Novi sad
Re: ** ŠEME OSTALI APARATI ** ovde možete postaviti
Trening Daewoo mikrotalasne rerne uopšteno (svi modeli) By Fanzo
uvek ima nesto interesantno
Re: ** ŠEME OSTALI APARATI ** ovde možete postaviti
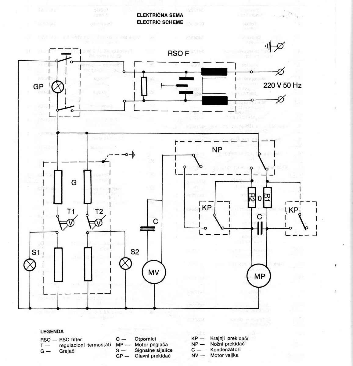
Evo seme valjka za peglanje EI Nis ROLMATIC 75.4 Pomogli meni a ja zainteresovanima 

- milan
- Preminuo
- Postovi: 4426
- Pridružen: 19 Avg 2006, 22:38
- Location: Novi Sad
- Specialty: tv-multimedia
Re: ** ŠEME OSTALI APARATI ** ovde možete postaviti
Elektrolux Microwave Ovens in general
Elektrolux Microwave Ovens
Elektrolux Microwave Technic Basic Training
Elektrolux Microwave Ovens
Elektrolux Microwave Technic Basic Training
- Prilog
-
Elektrolux Microwave Ovens.pdf
- (1.9 MiB) Preuzeto 617 puta.
-
Elektrolux Microwave Ovens in general.pdf
- (3.09 MiB) Preuzeto 717 puta.
-
Elektrolux Microwave Technic Basic Training.pdf
- (1.56 MiB) Preuzeto 441 put.
-
- Slične teme
- Odgovori
- Pregledano
- Zadnji post
-
-
** SOFTVER OSTALI APARATI ** ovde možete postaviti
napisao fanzo » 01 Avg 2009, 02:50 » u OSTALI APARATI - 0 Odgovori
- 2632 Pregledano
-
Zadnji post napisao fanzo
01 Avg 2009, 02:50
-