pioneer pdp-434 mxe
power supply PP1809-30
AXY 1059-E
ic- LA6339
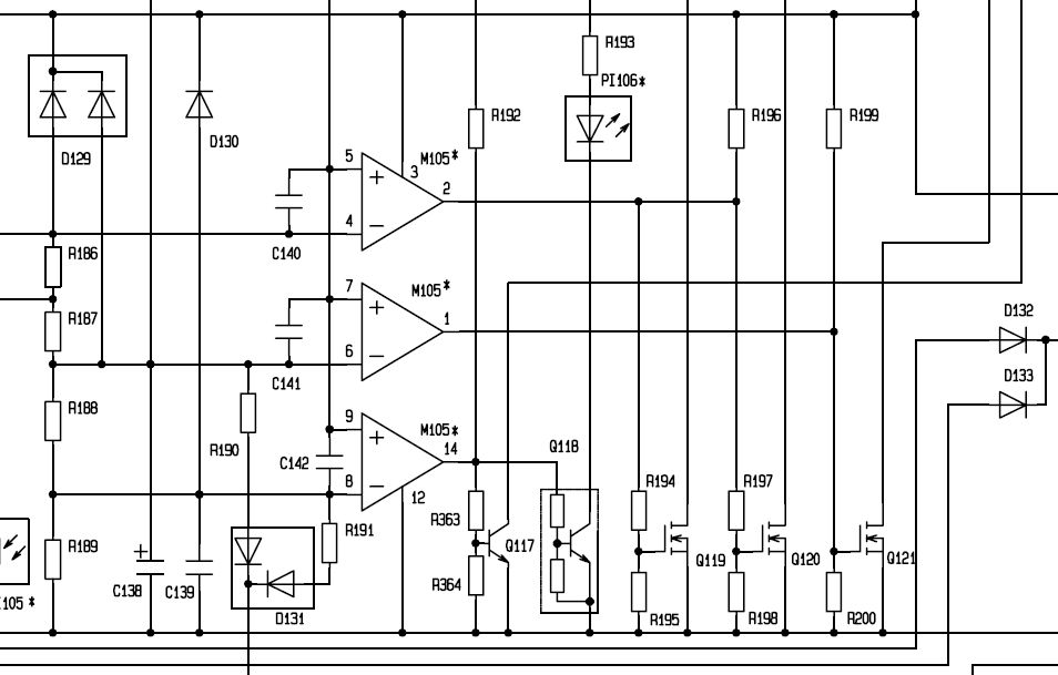
na ploci su vidno osteceni smd tranzistori Q-119,Q120,Q121, na jednom od njih mogu primetiti oznaku YA i nista vise od toga pa stoga ne mogu pronaci adekvatnu zamenu istih.Po sveemu sudeci radi se o istovetnim tranzistorima ,naime oni su pobudni za izlazne mosfetove ovog power supplera sa oznakom K2651.
Molio bih ko nesto zna o adekvatnoj zameni ovih tranzistora a itovremeno i za informaciju o semi ovog powera.
plazma monitor pioneer PDP433MXE sema? RESENO ***
Pravila foruma
Naslov teme treba da bude u formatu: PROIZVOĐAČ, MODEL, KRATAK OPIS KVARA
Nakon rešenog kvara zatvoriti temu >> >UPUTSTVO< u suprotnom ništa ne činiti.
RAZNA UPUTSTVA
Naslov teme treba da bude u formatu: PROIZVOĐAČ, MODEL, KRATAK OPIS KVARA
Nakon rešenog kvara zatvoriti temu >> >UPUTSTVO< u suprotnom ništa ne činiti.
RAZNA UPUTSTVA
- Stolle
- Preminuo
- Postovi: 19098
- Pridružen: 12 Avg 2006, 23:35
- Location: Srbija
- Specialty: tv-multimedia
- Lokacija: Dimitrovgrad
Re: plazma monitor pioneer pdp-433mxe potrebna sema
Samo ovo, nema oznaka:
"29 poslednjih dana u mesecu je najteže"
- cacko85
- gx

- Postovi: 1752
- Pridružen: 03 Dec 2008, 17:51
- Location: Macedonia
- Contact person: Slavche
- Specialty: tv-multimedia
- Lokacija: Sveti Nikole
- Kontakt:
Re: plazma monitor pioneer PDP433MXE potrebna sema
Shta kukishte su tranzistore ??
Po oznake ako je SMD SOT-23 treba da je 3LN01C
Po oznake ako je SMD SOT-23 treba da je 3LN01C
www.facebook.com/slavceelectronics
Re: plazma monitor pioneer PDP433MXE potrebna sema
to jeste ta sema i zaista pomaze ,naravno da si u pravu za tranzistor ,ide 3LN01C moze 2sk-669,2sc3392,kn2222a...
potrazicu nesto od toga pa se javljam ,jos samo da resim pitanje otpornika pa idem dalje,hvala svima i ako neko zna vrednosti otpora na gate-ovima...R194,R197...vidim da su R195 i R198 oko 80 k-oma
mala ispravka R 195,i R198 su po 8,1k a R194 i R 197 po 10k D128 je zener 8-9 volti
ako ne gresim...jos jednom hvala, reseno.
potrazicu nesto od toga pa se javljam ,jos samo da resim pitanje otpornika pa idem dalje,hvala svima i ako neko zna vrednosti otpora na gate-ovima...R194,R197...vidim da su R195 i R198 oko 80 k-oma
mala ispravka R 195,i R198 su po 8,1k a R194 i R 197 po 10k D128 je zener 8-9 volti
ako ne gresim...jos jednom hvala, reseno.
- Majstor Duja
- Neaktivan
- Postovi: 3136
- Pridružen: 23 Avg 2006, 17:29
- Location: Novi Sad - centar
- Warranty service: http://www.elektrocentar.com
- Contact person: Goran Duic
- Specialty: tv-multimedia
Re: plazma monitor pioneer PDP433MXE sema? RESENO
Procitaj pravilnik da znas kako sledeci put da vodis temu. Kada resis - napises RESENO u naslovu prvog posta...
Rule #1 "Always stand for what you believe, even if it means standing alone."
-
- Slične teme
- Odgovori
- Pregledano
- Zadnji post
-
-
Audio Pioneer Plazma AWZ6863
napisao fanzo » 28 Jan 2016, 00:13 » u SRB PRODAJA - PLAZMA rezervni delovi - 0 Odgovori
- 1673 Pregledano
-
Zadnji post napisao fanzo
28 Jan 2016, 00:13
-
-
-
Pioneer plazma ANP2056-B
napisao fanzo » 28 Jan 2016, 00:14 » u SRB PRODAJA - PLAZMA rezervni delovi - 0 Odgovori
- 1895 Pregledano
-
Zadnji post napisao fanzo
28 Jan 2016, 00:14
-
-
-
Pioneer Plazma Y drive ANP2060-C
napisao fanzo » 28 Jan 2016, 00:15 » u SRB PRODAJA - PLAZMA rezervni delovi - 0 Odgovori
- 1961 Pregledano
-
Zadnji post napisao fanzo
28 Jan 2016, 00:15
-
-
-
Pioneer plazma Xdrive ANP2059-B
napisao fanzo » 28 Jan 2016, 00:18 » u SRB PRODAJA - PLAZMA rezervni delovi - 0 Odgovori
- 1931 Pregledano
-
Zadnji post napisao fanzo
28 Jan 2016, 00:18
-
-
-
Plazma Philips 37FD9944 01S problem "power supply"RESENO
napisao stankost » 25 Jan 2011, 23:46 » u Servisiranje PLASMA Televizora i Monitora - 1 Odgovori
- 3292 Pregledano
-
Zadnji post napisao Majstor Duja
26 Jan 2011, 00:29
-
-
-
PLAZMA LG 42PC3RA neće da startuje REŠENO
napisao aca.b » 07 Jul 2012, 20:51 » u Servisiranje PLASMA Televizora i Monitora - 6 Odgovori
- 5766 Pregledano
-
Zadnji post napisao surla
09 Nov 2012, 00:12
-
-
-
LG RZ42PX11 PLAZMA zsus model neispravan
napisao makedonec » 25 Apr 2010, 19:53 » u Servisiranje PLASMA Televizora i Monitora - 5 Odgovori
- 3601 Pregledano
-
Zadnji post napisao milan
01 Jun 2010, 22:41
-
-
-
Gericom GTA42HDSA101A Plazma-Odustao
napisao milans01 » 23 Jun 2010, 11:07 » u Servisiranje PLASMA Televizora i Monitora - 9 Odgovori
- 5371 Pregledano
-
Zadnji post napisao alexa_pg
14 svi 2015, 09:29
-

