Candy CD132 AAA Ne radi ništa-Odustao

Forum sudo mašine.

Urednici: goranfri,nike,sim,Honorarac

Pravila foruma
BT-expert info - BTexpert forumi
U naslov teme prvo pisati ime proizvođača, zatim oznake modela bez crtica i razmaka i kratak opis kvara. U post obavezno upisati ID ili EAN oznake sa poleđine aparata u suprotnom tema će biti obrisana.
Praktikujemo da na kraju opišemo kako smo rešili problem. Zatim zatvorimo temu >UPUTSTVO<
PRILIKOM POSTAVLJANJA PITANJA U VEZI ELEKTRONSKOG MODULA OBAVEZNO POPIŠITE SVE OZNAKE sa ploče i sa nalepnica, dobro bi došla i po koja fotografija.
orion52
___
___
Postovi: 389
Pridružen: 24 Nov 2012, 18:31
Location: Hrvatska
Specialty: whitegoods

Candy CD132 AAA Ne radi ništa-Odustao

Post napisao orion52 » 21 Jun 2020, 17:04

Mod. CD132 AAA
Art. No. (nije vidljivo-priložena slika)
Modul: 41029101
Na poziv mušterije,koja je rekla da je suđerica radila i dimila,ustanovio sam pregaranje dijela elektronike,te odnio na popravak.Zamjenjeni su elektroliti.
blok kondenzatori i relej grijača.Nakon montaže i ukopčavanja,mašina nije proradila(nije se upalila ni kontrolna sijalica napajanja).Konzultirao sam
elektroničara,koji je rekao da je elektronika ispravna,što znači da negdje u ostatku instalacije gubi fazu(nulu).Prekidač ukopčavanja ispravan,brava
vrata ispravna,ožičenje provjereno.Pokušavao sam pratiti po šemi,koja se nalazi na ovom forumu,ali ne odgovara u potpunosti,npr. elektronika na šemi
ima jedan konektor(ne računajući konektor grijača kraj releja),dok ova mašina ima tri konektora.Na šemi ima dva hidrostata(PN-radni i PS-sigurnosni),a
na mašini samo jedan.Pošto ne mogu otkriti kvar,tražim pomoć.Da li je netko imao sličan problem?Da li netko ima odgovarajuću šemu?Da li bi mogao biti
neispravan proceso,unatoč tvrdnji elektroničara kako je modul ispravan?Ne znam više što drugo poduzeti,nego čekati nečiji savjet.Pozzz :yeah:
P00616-090347.jpg
P00616-133819.jpg
P00616-133730.jpg
P00616-093658.jpg
P00616-093558.jpg
Zadnja izmena: orion52, dana 23 Jun 2020, 15:54, ukupno menjano 2 puta.

Avatar
Stolle
Preminuo
Postovi: 19099
Pridružen: 12 Avg 2006, 23:35
Location: Srbija
Specialty: tv-multimedia
Lokacija: Dimitrovgrad

Re: Candy CD132 AAA Ne radi ništa

Post napisao Stolle » 21 Jun 2020, 17:23

Kako ovo pišeš, sa novim redovima, nezgodno je za čitanje. Gde je ta šema koju pominješ?
Na slikama dole se ne vidi ništa. I oznake se ne slikaju. :uca: Može i to, ali treba da se upišu u post. Što bi neko zurio i tražio oznake, odnosno gubio vreme nepotrebno, ako nisu upisane.
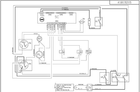
Modul 41029101 BITRON
Ovde imaš tri manuala:
https://elektrotanya.com/showresult?wha ... l&kat2=All
Evo i šeme iz jednog od njih.
Modul 41019215
Prilog
2.jpg
3.jpg
"29 poslednjih dana u mesecu je najteže"

orion52
___
___
Postovi: 389
Pridružen: 24 Nov 2012, 18:31
Location: Hrvatska
Specialty: whitegoods

Re: Candy CD132 AAA Ne radi ništa

Post napisao orion52 » 21 Jun 2020, 18:15

Što se tiče oznake modula,ispričavam se,sada sam ga upisao,no,oznaku sa bočne stranice vrata sam slikao da se vidi kako je nevidljivo(to sam napomenuo).
Što se tiče načina pisanja posta,ne razumijem u čemu sam pogriješio.I na kraju,prikazana šema je ista koju sam našao na ovom forumu-člana petcompa,
od 22.sept. 2012.(modul 41019215),a moj modul ima oznaku 41029101,tako da sam opet na početku.Osim toga,slike sam slikao mobitelom i prenesao u
računalo,no,kad kliknem na sliku,ne znam zašto se ne može povećati.

Avatar
Stolle
Preminuo
Postovi: 19099
Pridružen: 12 Avg 2006, 23:35
Location: Srbija
Specialty: tv-multimedia
Lokacija: Dimitrovgrad

Re: Candy CD132 AAA Ne radi ništa

Post napisao Stolle » 21 Jun 2020, 18:31

Verovatno si ih loše prebacio.
Sad sam pogledao tvoje postove, ti u stvari uvek tako pišeš. Ali dobro, nećemo sad o gramatici, osim ako sam ne želiš da to popraviš.

I ova montažna šema na slici je ista kao i ta što si gledao. :-(
"29 poslednjih dana u mesecu je najteže"

orion52
___
___
Postovi: 389
Pridružen: 24 Nov 2012, 18:31
Location: Hrvatska
Specialty: whitegoods

Re: Candy CD132 AAA Ne radi ništa

Post napisao orion52 » 21 Jun 2020, 19:57

Za ovu šemu na slici i ja sam rekao da je ista,jer je i drugi modul,odnosno,na mojoj mašini je modul sa tri konektora.Što se tiče mojih postova,
naravno da želim to popraviti,ukoliko se kosi sa pravilima foruma.Dapače,to i želim,ukoliko mi se objasni gdje i na koji način griješim,pa da
ubuduće ne ponavljam određene greške,kojih očito nisam svjestan.Opet ponavljam,ako netko zna mogući kvar na ovoj mašine,da to i napiše.
Hvala.Pozzz

Avatar
Stolle
Preminuo
Postovi: 19099
Pridružen: 12 Avg 2006, 23:35
Location: Srbija
Specialty: tv-multimedia
Lokacija: Dimitrovgrad

Re: Candy CD132 AAA Ne radi ništa

Post napisao Stolle » 21 Jun 2020, 20:07

Evo pokušaću. Ne kosi se sa pravilima, gramatika nije nešto na šta se insistira na tehničkom forumu, svi grešimo ponešto, takođe i ja, ali nije loše pisati pravilno. Da bi se lakše pratila misao.
Ne ide se na novi red, ako nije završena rečenica ili nije ispunjen prethodni red.
Što se tiče oznake modula,ispričavam se,sada sam ga upisao, no,oznaku sa bočne stranice vrata sam slikao da se vidi kako je nevidljivo(to sam napomenuo).
Što se tiče načina pisanja posta,ne razumijem u čemu sam pogriješio.I na kraju,prikazana šema je ista koju sam našao na ovom forumu-člana petcompa,
od 22.sept. 2012.(modul 41019215),a moj modul ima oznaku 41029101,tako da sam opet na početku.Osim toga,slike sam slikao mobitelom i prenesao u
računalo,no,kad kliknem na sliku,ne znam zašto se ne može povećati.
Evo ovako bi trebalo.

Što se tiče oznake modula, ispričavam se, sada sam ga upisao, no, oznaku sa bočne stranice vrata sam slikao da se vidi kako je nevidljivo(to sam napomenuo).
Što se tiče načina pisanja posta, ne razumijem u čemu sam pogriješio. I na kraju,prikazana šema je ista koju sam našao na ovom forumu-člana petcompa, od 22.sept. 2012. (modul 41019215),a moj modul ima oznaku 41029101, tako da sam opet na početku. Osim toga, slike sam slikao mobitelom i prenesao u računalo, no, kad kliknem na sliku, ne znam zašto se ne može povećati.
Mod. CD132 AAA
Art. No. (nije vidljivo-priložena slika)
Modul: 41029101
Na poziv mušterije,koja je rekla da je suđerica radila i dimila,ustanovio sam pregaranje dijela elektronike,te odnio na popravak.Zamjenjeni su elektroliti.
blok kondenzatori i relej grijača.Nakon montaže i ukopčavanja,mašina nije proradila(nije se upalila ni kontrolna sijalica napajanja).Konzultirao sam
elektroničara,koji je rekao da je elektronika ispravna,što znači da negdje u ostatku instalacije gubi fazu(nulu).Prekidač ukopčavanja ispravan,brava
vrata ispravna,ožičenje provjereno.Pokušavao sam pratiti po šemi,koja se nalazi na ovom forumu,ali ne odgovara u potpunosti,npr. elektronika na šemi
ima jedan konektor(ne računajući konektor grijača kraj releja),dok ova mašina ima tri konektora.Na šemi ima dva hidrostata(PN-radni i PS-sigurnosni),a
na mašini samo jedan.Pošto ne mogu otkriti kvar,tražim pomoć.Da li je netko imao sličan problem?Da li netko ima odgovarajuću šemu?Da li bi mogao biti
neispravan proceso,unatoč tvrdnji elektroničara kako je modul ispravan?Ne znam više što drugo poduzeti,nego čekati nečiji savjet.Pozzz
I ovo:
Mod. CD132 AAA
Art. No. (nije vidljivo-priložena slika)
Modul: 41029101
Na poziv mušterije, koja je rekla da je suđerica radila i dimila, ustanovio sam pregaranje dijela elektronike, te odnio na popravak. Zamjenjeni su elektroliti, blok kondenzatori i relej grijača. Nakon montaže i ukopčavanja, mašina nije proradila(nije se upalila ni kontrolna sijalica napajanja). Konzultirao sam elektroničara, koji je rekao da je elektronika ispravna,što znači da negdje u ostatku instalacije gubi fazu(nulu). Prekidač ukopčavanja ispravan, brava vrata ispravna,ožičenje provjereno. Pokušavao sam pratiti po šemi,koja se nalazi na ovom forumu, ali ne odgovara u potpunosti,npr. elektronika na šemi ima jedan konektor(ne računajući konektor grijača kraj releja),dok ova mašina ima tri konektora. Na šemi ima dva hidrostata(PN-radni i PS-sigurnosni),a na mašini samo jedan.Pošto ne mogu otkriti kvar,tražim pomoć. Da li je netko imao sličan problem? Da li netko ima odgovarajuću šemu? Da li bi mogao biti neispravan proceso, unatoč tvrdnji elektroničara kako je modul ispravan? Ne znam više što drugo poduzeti, nego čekati nečiji savjet. Pozzz

Naravno, sve je ovo dobronamerno. A i sam si ispravio u svom zadnjem postu.
01ziveli
"29 poslednjih dana u mesecu je najteže"

Avatar
Stolle
Preminuo
Postovi: 19099
Pridružen: 12 Avg 2006, 23:35
Location: Srbija
Specialty: tv-multimedia
Lokacija: Dimitrovgrad

Re: Candy CD132 AAA Ne radi ništa

Post napisao Stolle » 21 Jun 2020, 20:15

U drugom manualu je 41029152 modul.
Prilog
2.jpg
3.jpg
"29 poslednjih dana u mesecu je najteže"

Avatar
miodrag popovic
gx
gx
Postovi: 3300
Pridružen: 08 Nov 2006, 21:08
Location: Srbija
Phone number: 00381638773821
Specialty: tv
Lokacija: Pančevo Braće Jovanović 56

Re: Candy CD132 AAA Ne radi ništa

Post napisao miodrag popovic » 22 Jun 2020, 00:15

Koliko vidim dimio je konektor grejača.I pravio kratak spoj.Ako je osigurač na kućnoj instalaciji preko 16A - ekser - negdje je popustilo,tj.moralo je.Sa ispravnim osiguračem - uobičajeno, relej grejača,konektor što je dimio.
Ko izgubi dobitak, taj dobija gubitak

Avatar
sim
gxu
gxu
Postovi: 1178
Pridružen: 09 Jul 2009, 21:43
Location: Krusevac
Warranty service: Bela tehnika
Contact person: Ivan
Phone number: 0038162303936
Specialty: whitegoods

Re: Candy CD132 AAA Ne radi ništa

Post napisao sim » 22 Jun 2020, 01:06

Jel nisi mozda zamenio mesta zicama koje se kace sa 2 buksne na plocu?
SIMkom

orion52
___
___
Postovi: 389
Pridružen: 24 Nov 2012, 18:31
Location: Hrvatska
Specialty: whitegoods

Re: Candy CD132 AAA Ne radi ništa

Post napisao orion52 » 22 Jun 2020, 10:24

Hvala Stolle na savjetu,a i shvatio sam da je bilo dobronamjerno.No,i kad bih se htio ljutiti,ne mogu,jer na ovom forumu godinama dobivam dobre savjete,pomoću
kojih rješavam mnoge probleme.Toliko o tome,sad o temi.Spominje se modul 41029152 koji je sličan,ali ipak nije adekvatan,jer moj(41029101)ima tri konektora.
Odgovor miodragu-na kućnoj instalaciji su automatski osigurači,od mašine je 16A.Pitanje za sima-nisam razumio na koje žice si mislio.Kratak rezime,pa bih molio tvoj
odgovor.Kod otvaranja mašine,slikao sam zatečeno stanje,što se i vidi na slici(izgoreni elementi),te vratio sva tri izvađena konektora na ista mjesta.Četvrti konektor od
grijača(izgoren)sam precvikao,te spojio žice sa drugim konektorom.Ako si mislio na te žice,mislim da ih nisam okrenuo,ali ako se slučajno desilo,da li bi bilo važno da
na grijač ide faza ili nula,kad bi se to isto desilo i ako se okrene utikač u utičnici.Ili možda griješim...

Avatar
miodrag popovic
gx
gx
Postovi: 3300
Pridružen: 08 Nov 2006, 21:08
Location: Srbija
Phone number: 00381638773821
Specialty: tv
Lokacija: Pančevo Braće Jovanović 56

Re: Candy CD132 AAA Ne radi ništa

Post napisao miodrag popovic » 22 Jun 2020, 11:02

Grešiš.Bila bi mrtva jer bi jedna od žica napajanja išla na otvoren relej.Sim je verovatno pogodio u sridu
Ko izgubi dobitak, taj dobija gubitak

orion52
___
___
Postovi: 389
Pridružen: 24 Nov 2012, 18:31
Location: Hrvatska
Specialty: whitegoods

Re: Candy CD132 AAA Ne radi ništa

Post napisao orion52 » 22 Jun 2020, 11:37

Hvala ,miodrag,nadam se da je ovo potvrda da sam pogriješio.Spajao sam sa tzv. "čokoladicom"(na vijke) i vjerojatno se desilo da sam okrenuo žice i zakomplicirao sebi
posao.Uvjeren sam da će kod sljedeće posjete mašina proraditi.Time se opet potvrđuje navod iz prethodnog posta,kako mnoge probleme rješavam uz pomoć članova
ovog foruma,na čemu sam veoma zahvalan,a na temama koje su mi dostupne sa znanjem i iskustvom,rado priskačem drugima u pomoć sa savjetima.Javim se kad rješim.

orion52
___
___
Postovi: 389
Pridružen: 24 Nov 2012, 18:31
Location: Hrvatska
Specialty: whitegoods

Re: Candy CD132 AAA Ne radi ništa

Post napisao orion52 » 23 Jun 2020, 15:51

Zamjenjene žice na konektoru,ali,nažalost,mašina i dalje bez glasa.Čak mi se čini da i nisam pogriješio u spajanju žica.Naime,na konektoru bi moralo biti na grijanju
obadva kontakta faza ili nula(dovodna i odvodna),a na početku faza i nula,što je prije izmjene žica bio slučaj.No,nakon zamjene žica pojavile su se obadvije faze,a
mašina i dalje ne radi.Stoga sam mišljenja da bi moglo biti do elektronike,ali na kraju nije ni važno,jer je stranka odustala i namjerava kupiti drugu mašinu.Ipak hvala
na pomoći i više sreće drugi put...

Avatar
miodrag popovic
gx
gx
Postovi: 3300
Pridružen: 08 Nov 2006, 21:08
Location: Srbija
Phone number: 00381638773821
Specialty: tv
Lokacija: Pančevo Braće Jovanović 56

Re: Candy CD132 AAA Ne radi ništa-Odustao

Post napisao miodrag popovic » 23 Jun 2020, 16:21

Da tako je danas-ako se ne popravi za dan,dva kupuje se novo.
Majstorima ostaje da naplate pregled/dolazak ali to nije dovoljno za opstanak u poslu.
Ko izgubi dobitak, taj dobija gubitak

orion52
___
___
Postovi: 389
Pridružen: 24 Nov 2012, 18:31
Location: Hrvatska
Specialty: whitegoods

Re: Candy CD132 AAA Ne radi ništa-Odustao

Post napisao orion52 » 23 Jun 2020, 18:21

Upravo tako,miodrag,ako se ne popravi brzo,ljudi su nestrpljivi,jer ne žele prati ručno,pa odmah kupuju novo.

Odgovori
  • Slične teme
    Odgovori
    Pregledano
    Zadnji post

Natrag na “MAŠINE ZA SUDOVE”