POTREBAN MI JE PRIKAZ VEZE MODULA NA INSTALACIJU MASINE-NEMAM SN MASINE IZBRISAN.
Nemoj pisati sve velikim slovima,to znaci kao da vices nekome.
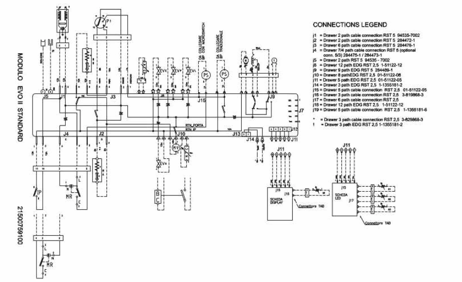
ARISTON AVTL83 SEMA VEZE MODULA
Urednici: goranfri,nike,sim,Honorarac
Pravila foruma
BT-expert info - BTexpert forumi
U naslov teme prvo pisati ime proizvođača, zatim oznake modela bez crtica i razmaka i kratak opis kvara. U post obavezno upisati ID ili EAN oznake sa poleđine aparata u suprotnom tema će biti obrisana.
Praktikujemo da na kraju opišemo kako smo rešili problem. Zatim zatvorimo temu >UPUTSTVO<
PRILIKOM POSTAVLJANJA PITANJA U VEZI ELEKTRONSKOG MODULA OBAVEZNO POPIŠITE SVE OZNAKE sa ploče i sa nalepnica, dobro bi došla i po koja fotografija.
BT-expert info - BTexpert forumi
U naslov teme prvo pisati ime proizvođača, zatim oznake modela bez crtica i razmaka i kratak opis kvara. U post obavezno upisati ID ili EAN oznake sa poleđine aparata u suprotnom tema će biti obrisana.
Praktikujemo da na kraju opišemo kako smo rešili problem. Zatim zatvorimo temu >UPUTSTVO<
PRILIKOM POSTAVLJANJA PITANJA U VEZI ELEKTRONSKOG MODULA OBAVEZNO POPIŠITE SVE OZNAKE sa ploče i sa nalepnica, dobro bi došla i po koja fotografija.
- milan
- Preminuo
- Postovi: 4426
- Pridružen: 19 Avg 2006, 22:38
- Location: Novi Sad
- Specialty: tv-multimedia
Re: ARISTON AVTL83 SEMA VEZE MODULA
Pravila foruma/ Crvenim slovima pise gore.
U post obavezno upisati ID ili EAN oznake sa poledine aparata u suprotnom tema ce biti obrisana.
Re: ARISTON AVTL83 SEMA VEZE MODULA
HVALA I IZVINJAVAM SE ZBOG NEPOTPUNIH PODATAKA
Nemoj pisati sve velikim slovima,to znaci kao da vices nekome.
Nemoj pisati sve velikim slovima,to znaci kao da vices nekome.
- milan
- Preminuo
- Postovi: 4426
- Pridružen: 19 Avg 2006, 22:38
- Location: Novi Sad
- Specialty: tv-multimedia
Re: ARISTON AVTL83 SEMA VEZE MODULA
Treba da dopises to i da upises comercijalni cod od te masihe.
-
- Slične teme
- Odgovori
- Pregledano
- Zadnji post
-
- 0 Odgovori
- 2703 Pregledano
-
Zadnji post napisao nase
01 Apr 2008, 13:07
-
- 5 Odgovori
- 1676 Pregledano
-
Zadnji post napisao kisko
24 Dec 2009, 17:16
-
-
Gorenje WA63080 Šema upravljačkog modula PG3 REŠENO
napisao ekoproba@gmail.com » 24 Feb 2014, 13:16 » u VEŠ MAŠINE - 8 Odgovori
- 4825 Pregledano
-
Zadnji post napisao sim
17 Nov 2021, 01:12
-
-
-
Potrebna vrednost otpora modula Gorenje WA61061(RESENO)
napisao mdelektronik » 23 Avg 2010, 13:53 » u VEŠ MAŠINE - 2 Odgovori
- 1955 Pregledano
-
Zadnji post napisao mdelektronik
24 Avg 2010, 08:15
-
-
-
siemens wa44030fg potrebna shema modula ... reseno
napisao deia01 » 03 Okt 2010, 14:24 » u VEŠ MAŠINE - 6 Odgovori
- 1694 Pregledano
-
Zadnji post napisao deia01
14 Okt 2010, 17:25
-
-
-
Potrebno uputstvo za programiranje modula Gorenje W62Y2/S
napisao majstordaca » 18 svi 2022, 16:13 » u VEŠ MAŠINE - 3 Odgovori
- 1876 Pregledano
-
Zadnji post napisao junuzovic
20 svi 2022, 14:31
-
-
- 6 Odgovori
- 1739 Pregledano
-
Zadnji post napisao jaro
10 Feb 2025, 20:16
-
- 4 Odgovori
- 2454 Pregledano
-
Zadnji post napisao Magnus Pyke
02 Sep 2009, 15:03

