Potrebna shema bar mrežnog stepena . Bio je u odličnom stanju ali se pokvarilo napajanje. Elektroliti provereni, bilo ih je sa smanjenim kapacitetom. I dalje ne radi.
Hvala!
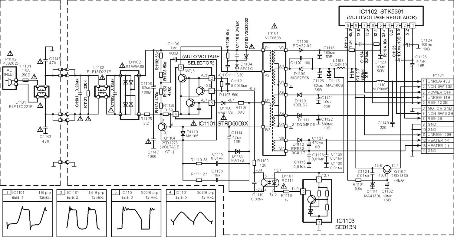
VCR Panasonic NVFS100EG
Pravila foruma
Naslov teme treba da bude u formatu: PROIZVOĐAČ, MODEL, KRATAK OPIS KVARA
Nakon rešenog kvara zatvoriti temu >> >UPUTSTVO< u suprotnom ništa ne činiti.
RAZNA UPUTSTVA
Naslov teme treba da bude u formatu: PROIZVOĐAČ, MODEL, KRATAK OPIS KVARA
Nakon rešenog kvara zatvoriti temu >> >UPUTSTVO< u suprotnom ništa ne činiti.
RAZNA UPUTSTVA
-
- Slične teme
- Odgovori
- Pregledano
- Zadnji post
-
- 4 Odgovori
- 1627 Pregledano
-
Zadnji post napisao Danko
17 Mar 2010, 19:22
-
- 8 Odgovori
- 1841 Pregledano
-
Zadnji post napisao Stolle
16 Dec 2007, 15:31
-
- 2 Odgovori
- 1191 Pregledano
-
Zadnji post napisao simoni
17 Dec 2008, 15:14
-
- 7 Odgovori
- 1854 Pregledano
-
Zadnji post napisao generacija 49
01 Sep 2009, 11:14
-
- 2 Odgovori
- 1127 Pregledano
-
Zadnji post napisao Stolle
23 Apr 2010, 23:38
-
-
DVD/VCR receiver DAV-D150N nema napajanja
napisao xipsilon » 04 Avg 2011, 18:28 » u Servisiranje DVD VCR - 5 Odgovori
- 3299 Pregledano
-
Zadnji post napisao milkovski08
25 Avg 2011, 02:57
-
-
- 39 Odgovori
- 12300 Pregledano
-
Zadnji post napisao milan
30 Apr 2012, 19:10
-
- 1 Odgovori
- 4260 Pregledano
-
Zadnji post napisao vladapile
23 Jul 2017, 22:05