REGULACIJA TONA NAPONOM-POTREBNA ŠEMA REŠENO
Urednik: alexa_pg
Pravila foruma
Praktikujemo da na kraju opišemo kako smo rešili problem. Zatim zatvorimo temu >UPUTSTVO<
Praktikujemo da na kraju opišemo kako smo rešili problem. Zatim zatvorimo temu >UPUTSTVO<
REGULACIJA TONA NAPONOM-POTREBNA ŠEMA REŠENO
Treba mi proverena šema uredjaja za ručnu regulaciju mono audio signala pre izlaznog pojačala-Nemora biti sa simetričnim napajanjem.Kao klinac sam pravio nešto otprilike ovako ali nisam mogao skroz da utišam.Verovatno nisam uskladio vrednosti elemenata i napona..... U daljinskim prijemnim jedinicama TV-a ,muzičkim linija i sl ima IC-a ali su dosta skupi (da bi ih koristio samo za ovo).Trebalo bi da postoji neki jednostavan IC za ovakvu namenu.Trazio bih na netu ali nemam predstavu šta da kucam .
- Prilog
-
- POT.JPG (13.05 KiB) Pregledano 1928 puta.
Zadnja izmena: TOMSON, dana 12 Nov 2009, 01:01, ukupno menjano 2 puta.
Re: REGULACIJA TONA NAPONOM-POTREBNA ŠEMA
Ne znam za mono, u Kelco imas TDA1524 koji kosta oko 250 dinara i ima i balans i boju tona sto ti verovatno ni ne treba ali od viska glava ne boli. :)
A imas i TDA7056 koji je 3W pojacavac sa DC kontrolom.
A imas i TDA7056 koji je 3W pojacavac sa DC kontrolom.
- vlatkocopa
- gx

- Postovi: 3034
- Pridružen: 04 Jun 2008, 22:41
- Location: Makedonija-Kumanovo
- Contact person: Vlado
- Phone number: 0038931420808
- Specialty: tv
Re: REGULACIJA TONA NAPONOM-POTREBNA ŠEMA
Pravio sam takvo predpojacalo sa TDA1524,sema je jednostavna bila,ali sto ima suma...susti ko nijagara... 
Za sjaj u očima, rumenilo u licu i lepršav hod - koristite kozmetiku -Šljivovica a moze i domaca jabukovaca ..:))
Re: REGULACIJA TONA NAPONOM-POTREBNA ŠEMA
Zasto ne bi jednostavno potenciometrom iz predpojacala u pojacalo regulisao jacinu signala 
Sto vise ucim sve vise vidim koliko neznam :plaz:
Re: REGULACIJA TONA NAPONOM-POTREBNA ŠEMA
...
- Prilog
-
- potenciometar.JPG (6.44 KiB) Pregledano 2092 puta.
Re: REGULACIJA TONA NAPONOM-POTREBNA ŠEMA
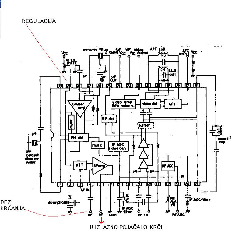
Treba mi za TV .Crko mi MF stepen.IC LA-7520.Izlazno pojačalo dobro(ispitano).Izlaz audio signala iz mf stepena(IC-a) krči i cvili mada sam našao na jednom pinu audio signal koji ne krči.Promenljivi napon iz daljinske kontrole stabilan i lepo se kontroliše.Sam ic za MF ne bih menjao jer se bojim da bih raštimao ceo sklop.Ako je to neko radio i nije bilo problema nek mi javi....
- vlatkocopa
- gx

- Postovi: 3034
- Pridružen: 04 Jun 2008, 22:41
- Location: Makedonija-Kumanovo
- Contact person: Vlado
- Phone number: 0038931420808
- Specialty: tv
Re: REGULACIJA TONA NAPONOM-POTREBNA ŠEMA
Slobodno zameni LA7520,ne znam sta bi mogo rastimovati...Predhodno zameni keramicki filtar i elkose,a moze i pazljivo,al PAZLJIVO da probas sa nekom zavojnicom... 
Za sjaj u očima, rumenilo u licu i lepršav hod - koristite kozmetiku -Šljivovica a moze i domaca jabukovaca ..:))
- Stolle
- Preminuo
- Postovi: 19098
- Pridružen: 12 Avg 2006, 23:35
- Location: Srbija
- Specialty: tv-multimedia
- Lokacija: Dimitrovgrad
Re: REGULACIJA TONA NAPONOM-POTREBNA ŠEMA
"29 poslednjih dana u mesecu je najteže"
Re: REGULACIJA TONA NAPONOM-POTREBNA ŠEMA
Sve oko pinova 1-5 sam i skinuo a ipak je krčalo, naglo pojačavalo ,cvilelo i sl.Taj zvuk delimičnog "proboja slojeva silicijuma"sam čuo više puta u životu n.p kad recimo spojim neispravnu diodu+napajanje+slušalice+otpornik(serijski) i taj zvuk se čuo !!!! Zameniću ga novim pa ako se šta raštimuje ili ču vratiti staro ili fino ugoditi t.j malo okrenuti ferite ako mi ton ili slika "pobegnu".Ugadjao sam ton i sliku na crno belim tv-ima.Trebalo bi da bude bez problema jer tek dalji stepen sa sledećim ic-om iz video signala izdvaja boje itd itd itd.Hvala svima na predlozima oko TDA 1524....
-
- Slične teme
- Odgovori
- Pregledano
- Zadnji post
-
- 36 Odgovori
- 6549 Pregledano
-
Zadnji post napisao stojkePN
20 Nov 2008, 21:52
-
- 8 Odgovori
- 6347 Pregledano
-
Zadnji post napisao service76
11 Mar 2009, 23:23
-
- 9 Odgovori
- 3479 Pregledano
-
Zadnji post napisao miros981
23 Apr 2009, 18:21
-
- 7 Odgovori
- 1592 Pregledano
-
Zadnji post napisao marko
18 Sep 2009, 10:37
-
- 9 Odgovori
- 2171 Pregledano
-
Zadnji post napisao stojkePN
23 Sep 2009, 23:51
-
- 3 Odgovori
- 1300 Pregledano
-
Zadnji post napisao Krajnc Karlo
13 Mar 2012, 22:49
-
-
ROHS 50W 12V4a LED Driver (S-50-12) potrebna sema RESENO
napisao kefaja » 04 Feb 2013, 00:19 » u Elektronika - 3 Odgovori
- 1351 Pregledano
-
Zadnji post napisao kefaja
06 Feb 2013, 00:33
-
-
- 6 Odgovori
- 2184 Pregledano
-
Zadnji post napisao grifon
12 Mar 2009, 15:39



