

Imaju svoje prednosti i mane i digitalni i analogni, eto sad imam oba. :) I onaj treći sa LED signalizacijom, koji sam retko koristio.
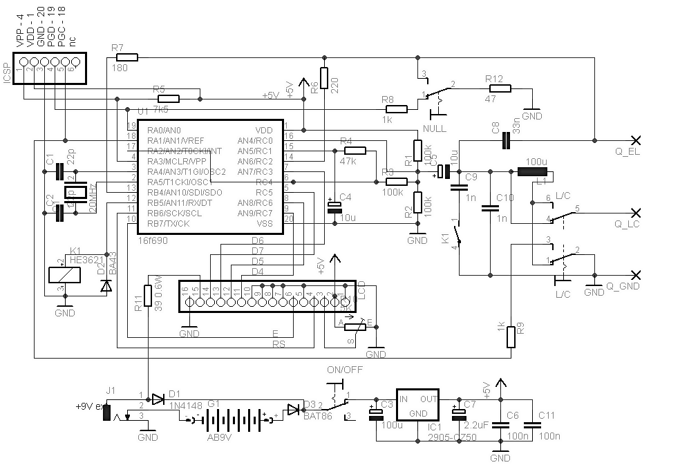
L metar mi je bio potreban, zatreba u raznim situacijama, imao sam na univerzalnom, ali je merio samo velike vrednosti.
mΩ metar takođe zatreba, i njega ima u ovome. Nije šampion u preciznosti, već je pisao Damir, ali ako se ne cepidlači, završava posao.
A ko ga ne želi, to je barem lako.
