AlarM za svetla na kolima
Urednik: alexa_pg
Pravila foruma
Praktikujemo da na kraju opišemo kako smo rešili problem. Zatim zatvorimo temu >UPUTSTVO<
Praktikujemo da na kraju opišemo kako smo rešili problem. Zatim zatvorimo temu >UPUTSTVO<
AlarM za svetla na kolima
Ovo je korisna spravica, i hocu da je napravim. Opominje kad zaboravis da ugasis svetlo (da se akumulator "ne iskezi"), ali i da nisi upalio kratka svetla (novi zakon o saobracaju). Uz nju imam i sve podatke o elementima. IC1 je CD 40106 (smit triger), IC2 je CD4070 (OR gate). Znaci, nista posebno. Na semi "C" je kontak na koji se vezuje kontak brava kad je dat kontak za paljenje kola, a "L" je kontak na koji se vezuje svetlo (sijalica). E, a sta mu je +V? A nije napajanje +12V od akumulatora, jer sam video originalan uredjaj. Na njemu postoje samo tri zice za vezivanje: kontakt-brava, svetlo, masa. I nista vise. Konsultovao sam se sa jednim prijateljem i on mi kaze da je ipak +12V od akumulatora. Ali, zasto se u originalnom opisu uredjaja kaze da ima samo tri zice za vezivanje? I nigde se ne spominje +12V.
Hvala svima koji se ukljuce u ovu temu!
Hvala svima koji se ukljuce u ovu temu!
Re: AlarM za svetla na kolima
Ili tema nije zanimljiva, ili ,za sada, niko ne zna?
- alexa_pg
- Site Admin
- Postovi: 6029
- Pridružen: 22 Avg 2006, 08:10
- Location: Podgorica
- Specialty: tv-multimedia
Re: AlarM za svetla na kolima
Nije mi jasno sta tebi nije jasno. Sema je jednostavna i iz nje se sve vidi. Uredjaj radi na tri zice kao sto kazes. Zumer pisti ako das kontakt a ne upalis svijetlo. Takodje pisti ako upalis svijetlo a ne das kontakt. Da ne bi pistao mora auto da radi i da gori svijetlo.
Sklop se ne napaja direktno sa akumulatora vec preko klema C i L. Napon akumulatora tada preko dioda D8 i D9 "pravi" napon +V koji sluzi za napajanje ostalih sklopova u uredjaju. Znaci, +V je napon koji se stvara u uredjaju i sluzi za napajanje istog. Ne izlazi nigdje vani.
Ako ima sta nejasno jos postavi pitanje malo bolje.
Sklop se ne napaja direktno sa akumulatora vec preko klema C i L. Napon akumulatora tada preko dioda D8 i D9 "pravi" napon +V koji sluzi za napajanje ostalih sklopova u uredjaju. Znaci, +V je napon koji se stvara u uredjaju i sluzi za napajanje istog. Ne izlazi nigdje vani.
Ako ima sta nejasno jos postavi pitanje malo bolje.
"I ja volim ljude ali ih sve manje podnosim"
Re: AlarM za svetla na kolima
Kao prvo, da se zahvalim!Sad mi je mnogo jasnije. Kao drugo, i ja sam sumnjao da postoji stalno napajanje, ali sam poslusao mog poznanika (dipl. ing. elektronike) koji je tvrdio da uredjaj ima stalno napajanje. I dalje ne sumnjam u njegovo znanje, mislim da nije dobro pogledao semu, da se nije udubio. A sad jos jedno pitanje: posto uredjaj nema stalno napajanje, gde onda da prikljucim, tj. na koji izvod "C" ili "L", nozicu 7(+) integralaca, da bi sama kola imala napajanje? To se u semi ne vidi, nije dato.
- alexa_pg
- Site Admin
- Postovi: 6029
- Pridružen: 22 Avg 2006, 08:10
- Location: Podgorica
- Specialty: tv-multimedia
Re: AlarM za svetla na kolima
U elektrotehnickim semama neke veze se ne crtaju jer se podrazumevaju. Takodje radi preglednosti seme izostavljaju se neke "linije" ali je to na neki drugi nacin naznaceno. Tako tacka ->+V koja se nalazi na spoju dioda D8 i D9 se vezuje na ostale tacke >-+V. Kao sto rekoh, ovo se ne crta radi preglednosti seme.
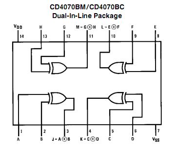
U proligu su raspored izvoda oba kola.
PS. Obrati paznju da si ti u svom postu naopako napisao.
PS2. Kad vec imas semu, dobro bi bilo i da das vrijednost elemenata.
Integralna kola serije CD imaju standardni raspored napajanja i to na 14 pinu je + a na 7 pinu je - (minus). Kod IC koja imaju 16 pinova onda je 16 pin + a 8 pin -. Ima par izuzetaka ali sad to nije bitno. Znaci ti ces 14 pin oba kola vezati na ->+V a 7 pin oba kola vezaces na GND....gde onda da prikljucim, tj. na koji izvod "C" ili "L", nozicu 7(+) integralaca,...
U proligu su raspored izvoda oba kola.
PS. Obrati paznju da si ti u svom postu naopako napisao.
PS2. Kad vec imas semu, dobro bi bilo i da das vrijednost elemenata.
- Prilog
-
- CD40106.JPG (14.68 KiB) Pregledano 3832 puta.
-
- Napajanje.JPG (5.11 KiB) Pregledano 3812 puta.
"I ja volim ljude ali ih sve manje podnosim"
Re: AlarM za svetla na kolima
Koliko sutra cu da napravim uredjaj, plocicu sam napravio. Izvesticu da li radi(a sto ne bi?) Pokusacu da za pocetak simuliram sve na radnom stolu, da ne bih povezivao zice po kolima.
Imam ispravljac i sijalicu, pa da probam.Kako god, hvala!
Imam ispravljac i sijalicu, pa da probam.Kako god, hvala!
Re: AlarM za svetla na kolima
a što jednostavno ne napraviš da se automatski pale po paljenju motora automobila,potrebno ti je 2,ili 4 releja ako imaš parking svjetla.dovedeš na sva 4 relea plus sa akumulatora preko osigurača,na rele dovedeš masu direktno,a plus uzmeš sa tanke plave žice sa alternatora.čim upališ auto i alternator krene puniti pale se i svjetla.znaći na špulu relea masa,a plus sa tanke plave žice sa alternatora.
Re: AlarM za svetla na kolima
Napravio sam kompletan uredjaj, ali to cudo nece da radi. Doduse, nisam ga prikljucio u kola, na auto-instalaciju, vec na moj laboratorijski ispravljac. Ne znam zasto ne bi radio, valjda nema razlike izmedju 12V iz ispravljaca i akumulatora?
Doveo sam +12V na klemu "L" (svetlo) a nisam doveo na "C" (kontakt od kljuca), i tada bi trebalo da pisti, da upozori da kola ne rade a svetlo radi. I drugu kombinaciju sam probao, kola rade, a svetlo ne radi, i opet ne pisti. Merio sam napone na Smit triger kolima: kad ima napon na ulazu(+12V) na izlazu nema nista, i obrnuto.

- alexa_pg
- Site Admin
- Postovi: 6029
- Pridružen: 22 Avg 2006, 08:10
- Location: Podgorica
- Specialty: tv-multimedia
Re: AlarM za svetla na kolima
Sklop je toliko jednostavan da ne moze a da ne radi ako su ispravne komponente. Sa seme se vidi da se sastoji od 3 oscilatora. N5 je NF oscilator i daje osnovni ton. Druga dva cine N1 i N4. Ova dva bi trebalo da budu sa nekim malim vremenima ali razlicitim da prekidaju osnovni oscilator i te tako imas razlicit ton za dva razlicita slucaja. Prikaci masu i jedan od pluseva i proveri stanja. Na osnovu toga znacemo sta je po sredi.
PS. Ja ti rekoh da bi valjalo da das vrednisti komponenata da bih mogao nesto blize i preciznije da ti kazem a ti nista.
PS. Ja ti rekoh da bi valjalo da das vrednisti komponenata da bih mogao nesto blize i preciznije da ti kazem a ti nista.
"I ja volim ljude ali ih sve manje podnosim"
- cacko85
- gx
- Postovi: 1746
- Pridružen: 03 Dec 2008, 17:51
- Location: Macedonia
- Contact person: Slavche
- Specialty: tv-multimedia
- Lokacija: Sveti Nikole
- Kontakt:
Re: AlarM za svetla na kolima
Kod nas u MK u imao je vakvi sklop t.e. dva tipa na vakivi stvar jedni e da predupredzava kad ni se upalio ili ni si ugasio svetla.
a drugi tip sve vrse automatski.
Spisanije je bilo EMITER, ja trenutno nemam to broj ali ako neko ima nek skenitra i zakaci to.
Ima sve PPK semu i sve je kompletno.
A u ovi tvoi slucai mozda ni si povezao neke vrske jer sema je so mali broj na vezi za da ne se komplicira da je ednostavnia za pregled pa mozda si ispustio neka veza.

a drugi tip sve vrse automatski.
Spisanije je bilo EMITER, ja trenutno nemam to broj ali ako neko ima nek skenitra i zakaci to.
Ima sve PPK semu i sve je kompletno.
A u ovi tvoi slucai mozda ni si povezao neke vrske jer sema je so mali broj na vezi za da ne se komplicira da je ednostavnia za pregled pa mozda si ispustio neka veza.

www.facebook.com/slavceelectronics
Re: AlarM za svetla na kolima
Evo vrednosti elemenata. Izvinjavam se sto ih ranije nisam postavio. Prevideo sam to. Za svaki slucaj kupicu oba nova integralca, da ih zamenim, oni bar nisu skupi, po 15 dinara, bar kod nas u Subotici.
Re: AlarM za svetla na kolima
Izgleda da sam nasao gresku! Zenerica od 2,4V malo curi u kontra smeru. Ispitao sam je sa dva razlicita instrumenta, i oba isto pokazuju:curi u kontra smeru. Hteo sam da stavim privremeno od 3,3v, ali nisam nasao u furdi. Najmanji napon koji imam je 5,6V. Moracu da sacekam do sutra da kupim, mrzi me sad da idem do prodavnice. Pokusacu da nagovorim suprugu da ona svrati u povratku sa posla i da mi donese.
- alexa_pg
- Site Admin
- Postovi: 6029
- Pridružen: 22 Avg 2006, 08:10
- Location: Podgorica
- Specialty: tv-multimedia
Re: AlarM za svetla na kolima
Nije ti greska do zenerice. Ne gubi vrijeme i trazi kvar na drugo mjesto. Sve zenerice ispod 3V se tako ponasaju. Naime sta se desava. Kako imstrumenat radi na bateriju 3V, onda u inverznom smeru ti dovedes napon od 3V na zenericu i ona pocne da provodi sto joj je i zadatak.
"I ja volim ljude ali ih sve manje podnosim"
- alexa_pg
- Site Admin
- Postovi: 6029
- Pridružen: 22 Avg 2006, 08:10
- Location: Podgorica
- Specialty: tv-multimedia
Re: AlarM za svetla na kolima
Da bi pronasao zasto ti ne radi predlazem sledece. Otkaci jedan kraj dioda D6, D4 i D2 (d3 se ne ugradjuje) i uklljuci uradjaj. Plus dovedi na bilo koji izvod (C ili L) U ovom slucaju radi samo oscilator N5 i mora se cuti zvuk iz zumera. Ako se ne cuje trazi kvar tu. Ako dobijes ton onda vracaj jednu po jednu diodu. Kad prestane da pisti, opet trazi kvar oko te diode, odnosno kola na koje ide ta D
"I ja volim ljude ali ih sve manje podnosim"
Re: AlarM za svetla na kolima
Hvala! Postupicu "po naredjenju"!
To cu koliko danas da uradim, pa cu da izvestim o rezultatima. Mozda, ali samo mozda je u pitanju stampana plocica, da ima neki prekid. Kad sam je projektovao, napravio sam dosta tanke vodove (0.35mm), tako da je i to moguce.

Re: AlarM za svetla na kolima
Sta da kazem,kako da zahvalim? Uradio sam po preporuci, i... uredaj je proradio!
A greska je bila za neverovanje?!
Dakle, posto me je mrzelo da pravim plocicu, tj. da je projektujem ( a za to imam bar 5-6 programa, cak i najnoviji Multisim+Ultiboard 10.1), ja sam skoro skinuo sa neta program "Dip Trace" za crtanje sema i pravljenje plocica.
Nacrtao sam semu, i posto me je mrzelo da sam radim plocicu, ukljucio sam opciju autoruter, i dobio jednostranu plocicu, kakvu sam i hteo. Poredjao sam sve elemente kako mi je program rekao, i imam sta da vidim
Jednu diodu (konkretno D5) mi je okrenuo kontra
??? I sta sad ja da mislim o tom programu? Ili sam ja lud sto sam mu verovao, pa sam ukljucio autoruter. Kad je pogresio kod uredjaja sa, sto se kaze sa tri zice i pet otpornika, sta bi bilo da mi je radio neku komplikovaniju semu?! Dakle, bezite od programa "Dip Trace". U sirokom luku. Sto se tice samog uredjaja, radi bas kao sto treba:kad das kontak, pisti, kad ukljucis svetlo opet pisti, a kad ukljucis zajedno, ne pisti. Mada ima i opcija da pisti samo kad zaboravis svetlo da iskljucis, da ne isprazni akumulator. To je ona veza sto je crtkasto prikazana u semi. Moracu da napravim novu plocicu sa debljim vezama. I sa drugim programom.
Hvala!
P.S. Sto se mene tice, ovaj problem je resen.




Nacrtao sam semu, i posto me je mrzelo da sam radim plocicu, ukljucio sam opciju autoruter, i dobio jednostranu plocicu, kakvu sam i hteo. Poredjao sam sve elemente kako mi je program rekao, i imam sta da vidim






Hvala!
P.S. Sto se mene tice, ovaj problem je resen.
- alexa_pg
- Site Admin
- Postovi: 6029
- Pridružen: 22 Avg 2006, 08:10
- Location: Podgorica
- Specialty: tv-multimedia
Re: AlarM za svetla na kolima
Vazno je da radi.
Imao bih jos jedan savjet da ti dam. Ovaj sklop fino radi ali ima jednu manu. Ako klemu L vezes na kratka svijetla, kad upalis duga onda ce da ti opet pisti. To mozes resiti kao na slici u prilogu. Dodaj dvije diode. Jedna ide na kratka svetla, a druga na duga. To bi bilo sve.

Imao bih jos jedan savjet da ti dam. Ovaj sklop fino radi ali ima jednu manu. Ako klemu L vezes na kratka svijetla, kad upalis duga onda ce da ti opet pisti. To mozes resiti kao na slici u prilogu. Dodaj dvije diode. Jedna ide na kratka svetla, a druga na duga. To bi bilo sve.
- Prilog
-
- Dodatak.JPG (15.43 KiB) Pregledano 3567 puta.
"I ja volim ljude ali ih sve manje podnosim"
-
- Slične teme
- Odgovori
- Pregledano
- Zadnji post
-
- 6 Odgovori
- 1458 Pregledano
-
Zadnji post napisao suros
06 Avg 2008, 15:41