Ispitivanje kapaciteta akumulatora
Urednik: alexa_pg
Pravila foruma
Praktikujemo da na kraju opišemo kako smo rešili problem. Zatim zatvorimo temu >UPUTSTVO<
Praktikujemo da na kraju opišemo kako smo rešili problem. Zatim zatvorimo temu >UPUTSTVO<
- fanzo
- Site Admin
- Postovi: 16010
- Pridružen: 02 Avg 2006, 06:41
- Location: Bački Petrovac, Srbija
- Phone number: 0038121781575
- Specialty: tv-multimedia
- Lokacija: Bački Petrovac
Ispitivanje kapaciteta akumulatora
Da li ima pouzdanog načina da se ispita u kakvom je stanju akumulator...i neka procena koliko bi još mogao izdržati, odnosno izmeriti procenat kapaciteta naspram novog ?
Klasični olovni akumulatori 12V za vozila , mada bi bilo dobro i za druge vrste,one sa želatinom itd.
Klasični olovni akumulatori 12V za vozila , mada bi bilo dobro i za druge vrste,one sa želatinom itd.
Svakodnevno usavršavanje je bolje od zakasnelog savršenstva
- Vojvoda
- ___
- Postovi: 2285
- Pridružen: 17 Dec 2006, 22:14
- Location: Srbija
- Contact person: Mirko
- Specialty: tv-multimedia
- Lokacija: Beograd, Karaburma
Re: Ispitivanje kapaciteta akumulatora
Postoje alatke za to ali sumnjam da se isplati to nabavljati za ličnu upotrebu. Snaga akumulatora se ispituje pomoću test-viljuške a za stanje elektrolita ima takođe spravica slična bometru za proveru antifriza. Slikaću to u firmi pa ču postaviti ovde ako nekoga interesuje kako to izgleda.
Možeš i "laički" to da odradiš tako što ćeš zaviriti u svaku od ćelija kroz otvor za dolivanje destilovane vode. Ako je elektrolit bistar i na ćeliji nema primetnih deformacija onda je ćelija verovatno OK, u suprotnom vreme je za posetu prodavnici akumulatora.
Možeš i "laički" to da odradiš tako što ćeš zaviriti u svaku od ćelija kroz otvor za dolivanje destilovane vode. Ako je elektrolit bistar i na ćeliji nema primetnih deformacija onda je ćelija verovatno OK, u suprotnom vreme je za posetu prodavnici akumulatora.
Budženje je majka zanata.
Ko dobro budži, bolje pare uzima.
http://www.youtube.com/watch?v=WBao61sI ... ture=share
Ko dobro budži, bolje pare uzima.
http://www.youtube.com/watch?v=WBao61sI ... ture=share
Re: Ispitivanje kapaciteta akumulatora
video sam uredjaj u jednoj firmi
prosto uradjen : anlaser (neki malo jaci) pokrece zupcanik kao onaj na zamajcu samo sto je na ovom zupcaniku kocnica ( frikcioni disk) na anlaser je zakacen volt i amper metar kao i veliki rele koji prekida
akumulator se skine sa vozila i meri se kiselina sa instrumentom ( kao sto vojvoda rece ) u svakoj celiji se meri... ako je kiselina ok
i onda se kaci akumulator odvrnuti cepovi ostaju ovavezno.. i pusta se u rad naj pre krece bez kocnice i polako se opterecuje (koci) samim tim se prati kako pada napon i raste struja i mogu vam reci vrlo brzo se vidi dali je u kvaru ili nije a kad nevalja desi se da nekad jedna od celija provri toliko jako da hoce sve isterat napolje , a na svakoj bateriji pisu karakteristike tako da se nesme isto opteretit baterija od 55A kao ona od 180A ima tu jos nekih startnih struja...
tako se testiraju i u garanciji
prosto uradjen : anlaser (neki malo jaci) pokrece zupcanik kao onaj na zamajcu samo sto je na ovom zupcaniku kocnica ( frikcioni disk) na anlaser je zakacen volt i amper metar kao i veliki rele koji prekida
akumulator se skine sa vozila i meri se kiselina sa instrumentom ( kao sto vojvoda rece ) u svakoj celiji se meri... ako je kiselina ok

i onda se kaci akumulator odvrnuti cepovi ostaju ovavezno.. i pusta se u rad naj pre krece bez kocnice i polako se opterecuje (koci) samim tim se prati kako pada napon i raste struja i mogu vam reci vrlo brzo se vidi dali je u kvaru ili nije a kad nevalja desi se da nekad jedna od celija provri toliko jako da hoce sve isterat napolje , a na svakoj bateriji pisu karakteristike tako da se nesme isto opteretit baterija od 55A kao ona od 180A ima tu jos nekih startnih struja...
tako se testiraju i u garanciji

proradijo mi net zahvaljujuci fanzi
- tom
- gxu
- Postovi: 2297
- Pridružen: 23 Apr 2007, 20:01
- Location: Strumica
- Contact person: TOME
- Specialty: tv
- Lokacija: Makedonija
Re: Ispitivanje kapaciteta akumulatora
Dva korisna linka o akumulatorima
http://hr.wikipedia.org/wiki/Akumulator
http://www.geocities.com/zorzof/akumulatori.html
http://hr.wikipedia.org/wiki/Akumulator
http://www.geocities.com/zorzof/akumulatori.html
TOME
- Stolle
- Preminuo
- Postovi: 19099
- Pridružen: 12 Avg 2006, 23:35
- Location: Srbija
- Specialty: tv-multimedia
- Lokacija: Dimitrovgrad
Re: Ispitivanje kapaciteta akumulatora
Posle raznih pokušaja za "oživljavanje" ,više ne radim ništa.Ako počnu problemi,menjam ga,a stari dam nekome ko ima još gori.
Inače,stavljao sam i tablete,dodavao vodu,kiselinu,ispirao skroz i menjao kiselinu i uglavnom su rezultati slabi.
Bometar meri gustinu elektrolita,koja treba da bude od 1.24 do 1.30 g/ml.Obično je 1.28 kad je akumulator pun.
Evo i slike:
Inače,stavljao sam i tablete,dodavao vodu,kiselinu,ispirao skroz i menjao kiselinu i uglavnom su rezultati slabi.
Bometar meri gustinu elektrolita,koja treba da bude od 1.24 do 1.30 g/ml.Obično je 1.28 kad je akumulator pun.
Evo i slike:
"29 poslednjih dana u mesecu je najteže"
Re: Ispitivanje kapaciteta akumulatora
Najbolje je otići u neki servis akumulatora da ga oni ispitaju. To rade tako da ga prvo napune a zatim se opterećuje kontrolisanim opterećenjem i kontrolisanim vremenom. Ti parametri se razlikuju od tipa i kapaciteta akumulatora. Postoje i takozvane viljuške to je voltmetar sa jakim otpotima. To baš nije sigurno jer nema kontrolisanog vremena opterećenja.
Re: Ispitivanje kapaciteta akumulatora
Stolle je napisao:Posle raznih pokušaja za "oživljavanje" ,više ne radim ništa.Ako počnu problemi,menjam ga,a stari dam nekome ko ima još gori.
Inače,stavljao sam i tablete,dodavao vodu,kiselinu,ispirao skroz i menjao kiselinu i uglavnom su rezultati slabi.
Bometar meri gustinu elektrolita,koja treba da bude od 1.24 do 1.30 g/ml.Obično je 1.28 kad je akumulator pun.
Evo i slike:
Stole jel to sprava za proveravanje alkohola




TOCE
- Stolle
- Preminuo
- Postovi: 19099
- Pridružen: 12 Avg 2006, 23:35
- Location: Srbija
- Specialty: tv-multimedia
- Lokacija: Dimitrovgrad
Re: Ispitivanje kapaciteta akumulatora
Ha, :lol: nije ostalo za instrument. :oops:
"29 poslednjih dana u mesecu je najteže"
- kisko
- Preminuo
- Postovi: 2054
- Pridružen: 12 Jun 2007, 01:51
- Location: Kovilj-na kraj sveta
- Specialty: tv-multimedia
- Lokacija: Kovilj-Novi sad
Re: Ispitivanje kapaciteta akumulatora
Bometar je sasvim dovoljan za ove nove akumulatore jer i kad napunite akumulator,videce se na bometru da je mala gustina.Prave ih tako da riknjavaju odma posle garancije(ko kinezi televizore) 

uvek ima nesto interesantno
- fanzo
- Site Admin
- Postovi: 16010
- Pridružen: 02 Avg 2006, 06:41
- Location: Bački Petrovac, Srbija
- Phone number: 0038121781575
- Specialty: tv-multimedia
- Lokacija: Bački Petrovac
Re: Ispitivanje kapaciteta akumulatora
Nije problem kada je akumulator u vozilu i svi već znamo kada je čas da se kupi novi. Međutim problem je kada je isti tip akumulatora prikačen negde u kući i vrši neku drugu funkciju,...a vremenom mu kapacitet pada ...a mi nismo svesti toga, saznamo tek kada nas izneveri, a to se uvek desi kada nam nikako ne odgovara. Iz tog razloga sam i postavio temu....ako neko ima 10 akumulatora u podrumu i to je sve povezano i neku instalaciju, pa ko će ih sve vući svakih par meseci da se ispitaju?
Evo mog jednostavnog objašnjenja zašto olovni akumulatori propadaju odnosno gube kapacitet. Vremenom se raspadaju metalne ploče u kućištu akumulatora. Olovne ploče su i dalje kao nove , dok metalne "koroziraju" i polagano se raspadaju, samim tim dolazi do slabljenja kapaciteta i samim tim i ostaje talog (mulj) u njemu. Ćelije se deformišu vremenom jer delovi metalnih ploča netsaju (raspadaju se) i time se stvara prazan prostor između ploča i samim tim i mesto za deformaciju izolatora i olovnih listova,a još ako se pritom doda malo veća struja punjenja i time se zagreju ploče pa eto i deformacije..do ovoga dolazi vremenom naravno. Ovo se sve vidi kada se akumulator rastavi u delove, ali tada više nije ga moguće sastaviti
. Stoga je i pogrešna konstatacija da akumulatoru treba dosipati kiselinu , čistiti, stavljati unutra neke tablete i slično...sve je ovo pogrešno shvatanje. Da su limene ploče unutar ćelija kvalitetnije i sam aku bi duže trajao.
Meni treba koliko-toliko pouzdan način provere preostalog kapaciteta , a time se dobija i relativno preostalo vreme za eksploataciju istog.
Jedno od najjednostavnijeg rešenja ovog problema je i prosečan procenjeni vek trajanja od novog, a to je oko 3 godine za ove lowcost aku. Što bi značilo da nakon 3 godine sve aku. treba promeniti za nove, što bih rekao periodično..radio ne radio svira mu radio....ali možda im je nekad moguće produžiti vek trajanja, ali samo ako znamo za preostali kapacitet.
Preostali kapacitet bi mogli još ispitati tako što ih napunimo...i onda praznimo konstantno sa poznatim opterećenjem, merimo vreme pražnjenja i eto nam rezultata, ali to dugo traje i pritom akumulatori u tom periodu ne mogu služiti svojoj namenjenoj funkciji.
Evo mog jednostavnog objašnjenja zašto olovni akumulatori propadaju odnosno gube kapacitet. Vremenom se raspadaju metalne ploče u kućištu akumulatora. Olovne ploče su i dalje kao nove , dok metalne "koroziraju" i polagano se raspadaju, samim tim dolazi do slabljenja kapaciteta i samim tim i ostaje talog (mulj) u njemu. Ćelije se deformišu vremenom jer delovi metalnih ploča netsaju (raspadaju se) i time se stvara prazan prostor između ploča i samim tim i mesto za deformaciju izolatora i olovnih listova,a još ako se pritom doda malo veća struja punjenja i time se zagreju ploče pa eto i deformacije..do ovoga dolazi vremenom naravno. Ovo se sve vidi kada se akumulator rastavi u delove, ali tada više nije ga moguće sastaviti

Meni treba koliko-toliko pouzdan način provere preostalog kapaciteta , a time se dobija i relativno preostalo vreme za eksploataciju istog.
Jedno od najjednostavnijeg rešenja ovog problema je i prosečan procenjeni vek trajanja od novog, a to je oko 3 godine za ove lowcost aku. Što bi značilo da nakon 3 godine sve aku. treba promeniti za nove, što bih rekao periodično..radio ne radio svira mu radio....ali možda im je nekad moguće produžiti vek trajanja, ali samo ako znamo za preostali kapacitet.
Preostali kapacitet bi mogli još ispitati tako što ih napunimo...i onda praznimo konstantno sa poznatim opterećenjem, merimo vreme pražnjenja i eto nam rezultata, ali to dugo traje i pritom akumulatori u tom periodu ne mogu služiti svojoj namenjenoj funkciji.
Svakodnevno usavršavanje je bolje od zakasnelog savršenstva
- kisko
- Preminuo
- Postovi: 2054
- Pridružen: 12 Jun 2007, 01:51
- Location: Kovilj-na kraj sveta
- Specialty: tv-multimedia
- Lokacija: Kovilj-Novi sad
Re: Ispitivanje kapaciteta akumulatora
Slazem se sa navedenim.U firmi za reparaciju akumulatora(takodje i prodaju) Melbat imali su uredjaj sa grejacima povezan na instrumente i u zavisnosti od deklarisanih amper sati na akumulatoru,opterecivali su ga sa grejacem i merili i struju i vreme praznjenja i to prvo praznjenje i nije uzimano u obzir vec drugo merenje koje se obavlja tek nakon ponovnog punjenja akumulatora.Takodje se sa tim uredjajem za brzo praznjenje vidi i ako je neka celija otisla u nepovret jer na njoj automatski pocne da kljuca.U sustini isto to radi i uredjaj sa anlaserom koji je Ranko opisao,znaci mozes nesto tako sa anlaserom napraviti da ima to nekakvo dodatno opterecenje na njemu ili izvesti nekakvo opterecenje sa grejacima koje bi praznilo akumulator za cini mi se 3 minuta(ici do 25% kapaciteta,ispod toga nikako jer ce se celije pokriviti ,davno sam bio kod kolege kad je to radio no mogu ga pitati
)Secam se jedino da je govorio da nikako nevalja za akumulatore da stoje jer tad stradaju pa kao primer naveo da kod poljoprivrednika akumulatori brzo odu iz razloga sto im on sluzi iskljucivo za paljenje masina koje alternator nadoknadi vec za par minuta rada dok isti takav akumulator u automobilu moze trajati triput duze.Da bi produzili vek akumulatoru seljaci bi trebali pri svakom radu da drze upaljena svetla neko vreme jer tad akumulator se dopunjava i elektroliti stalno "rade" i odrzavaju akumulator aktivnim u suprotnom se na celijama pojavljuje skrama koja kasnije skracuje radni vek akumulatoru.
Takodje ako ti akumulatori u podrumu nisu stalno aktivni treba im dodati neki potrosac da ih prazni svremena na vreme kad napon opadne(a opada sam od sebe neminovno)
Kolega je uz invertore koje je prodavao za potrebe parnog grejanja u slucaju nestanka el.energije(pumpa,plus TV i jedna
) postavljao i jednu sijalicu koju je PIC aktivirao svremena na vreme bas iz tih razloga da bi akumulatori ostajali aktivni a da se nedesi da zataji odnosno da radi pola sata-sat i iskljuci se jer je akumulator sam od sebe izgubio napon ili kapacitet zato sto nije koristen celo leto a kad zatreba nece da radi
(isti slucaj sa seljacima ali oni zimi nekoriste masine pa kad dodje prolece,nepali traktor)
U sustini ,mogu se raspitati kod kolege iz Melbata kakav bi uredjaj bio najpogodnije napraviti za ispitivanje kapaciteta akumulatora kao sto je za te potrebe....meni licno pre 15 godina na isto pitanje kako da ispitam aku na kolima rekao:evo ti original bometar,isprayni akumulator ali ne do kraja da nepokrivis celije i onda ga napuni sa punjacen od 5A (kad se puni sa 10% snage akumulatora,produzava mu se vek a svako "brze" punjenje mu skracuje vek trajanja) pa ga onda izmeri i ako na bometru pokaze da je slab,nevredi ti nista,povratiti ga neces,vec gledaj da ga koristis pravilno i tad mi objasnio ono uvezi traktora i od cega sve strada akumulator.
Raspitacu se kako,sta,koliko vremenski i ostalo sto je bitno uvezi uredjaja za merenje kapaciteta.
Janko:

Takodje ako ti akumulatori u podrumu nisu stalno aktivni treba im dodati neki potrosac da ih prazni svremena na vreme kad napon opadne(a opada sam od sebe neminovno)
Kolega je uz invertore koje je prodavao za potrebe parnog grejanja u slucaju nestanka el.energije(pumpa,plus TV i jedna


U sustini ,mogu se raspitati kod kolege iz Melbata kakav bi uredjaj bio najpogodnije napraviti za ispitivanje kapaciteta akumulatora kao sto je za te potrebe....meni licno pre 15 godina na isto pitanje kako da ispitam aku na kolima rekao:evo ti original bometar,isprayni akumulator ali ne do kraja da nepokrivis celije i onda ga napuni sa punjacen od 5A (kad se puni sa 10% snage akumulatora,produzava mu se vek a svako "brze" punjenje mu skracuje vek trajanja) pa ga onda izmeri i ako na bometru pokaze da je slab,nevredi ti nista,povratiti ga neces,vec gledaj da ga koristis pravilno i tad mi objasnio ono uvezi traktora i od cega sve strada akumulator.
Raspitacu se kako,sta,koliko vremenski i ostalo sto je bitno uvezi uredjaja za merenje kapaciteta.
Janko:
Radio sam sa njima na terenu i sluzile su mi da ispitam akumulator koliki mu je napon pod opterecenjem i dali ce mi izdrzati akumulatori taj dan za rad ali nije to merilo za neki duzi period inace akumulatori su snabdevali elektroniku za neka ocitavanja uvezi geoloskih ispitivanja,znaci nisu bili u pitanju neki bas veliki potrosaci a opet se desavalo da i pored provere sa viljuskom,neki akumulator "iskoci" u radu....takav akumulator sam obelezavao i obicno se to ponavljalo sa njim iako ujutro pokaze ispravnost sa viljuskom....po meni ona i nije bas nesto merodavna za neko merenje snage akumulatora tj.njegovog kapaciteta za neki duzi period.Postoje i takozvane viljuške to je voltmetar sa jakim otpotima. To baš nije sigurno jer nema kontrolisanog vremena opterećenja.
uvek ima nesto interesantno
- fanzo
- Site Admin
- Postovi: 16010
- Pridružen: 02 Avg 2006, 06:41
- Location: Bački Petrovac, Srbija
- Phone number: 0038121781575
- Specialty: tv-multimedia
- Lokacija: Bački Petrovac
Re: Ispitivanje kapaciteta akumulatora
Nije ništa hitno..pa ako neko ima nekakvo rešenje neka napiše.
Svakodnevno usavršavanje je bolje od zakasnelog savršenstva
Re: Ispitivanje kapaciteta akumulatora
Stanje takvih "podrumskih " akumulatora ( koji su vezani na neki potrosac) moze da se nadzire
sa elektronikom koja ne prati samo napon na krajevima vec daje i INFO o unutrasnjem otporu.
Napon na krajevima nije pokazatelj stepena napunjenosti niti kapaciteta !
Za odredjivanje "stanja" koristi se elektronika koja OPTERETI akumulator ( ili paket Akumulatora )
sa poznatom Fix-nom strujom. Na pr. 1,10,ili 100 Ampera na kratak vremenski period,na pr 0,1-0.2 s
"Cupanje Fixne" struje iz Akumulatora moze se realizovati Strujnim Generatorom,,na pr. paket FET-ova ili obicnih tranzistora.
A trajanje vremenskog perioda moze da se podesi jednostavnim tajmerom i zescim-rednim FET-om koji sluzi da Strujni Generator
nakaci na Akumulator na vreme od 0.1s (primer)
Na osnovu velicine " PADA NAPONA " na krajevima akumulatora ( razlika operecen-NEopterecen) dobija se INFO
o Unutrasnjem otporu koji je naravo u cvrstoj vezi sa stanjem AKU-a.
Ovakav MONITORING omogucava da se proveri AKU a da se NE iskljuci potrosac ( na pr.Alarmna centrala,,UPS,,itd)
Bitno je napraviti kolo koje ce da izmeri napon AKU-a kada se iz njega cupa TEST struja ( to je za ono vreme od 0,1s)
Za ovu svrhu NIJE zgodno koristiti obican DVM ,,jer on meri napon 2-4 x u sekundi (sempluje) pa NE moze da pogodi
ono vreme kada je AKU-opterecem vestacki.
Neki FLUKE-ovi instrumenti imaju na naponskom opsegu MIN/MAX funkciju koja moze da se
iskoristi za ove potrebe.Na primer:
Kada se FLUKE prikaci na Akumulator pokaze 12,65 V
A MIN funkcija izmeri 10,22 V,,,,,to znaci da je napon pao za 2,43 V ,,ako je TEST struja bila 10 Ampera(primer za struju opterecenja)
Unutrasnji otpor Akumulatora je 2,43V / 10A=0.243 Oma
Na osnovu ovoga,,moze se "skockati" skalamerija koja stanje "podrumskih" Akumulatora JAVLJA gore u dnevnu sobu !
U prilogu primer podesivog Generatora konstantne struje.
Pozdrav
sa elektronikom koja ne prati samo napon na krajevima vec daje i INFO o unutrasnjem otporu.
Napon na krajevima nije pokazatelj stepena napunjenosti niti kapaciteta !
Za odredjivanje "stanja" koristi se elektronika koja OPTERETI akumulator ( ili paket Akumulatora )
sa poznatom Fix-nom strujom. Na pr. 1,10,ili 100 Ampera na kratak vremenski period,na pr 0,1-0.2 s
"Cupanje Fixne" struje iz Akumulatora moze se realizovati Strujnim Generatorom,,na pr. paket FET-ova ili obicnih tranzistora.
A trajanje vremenskog perioda moze da se podesi jednostavnim tajmerom i zescim-rednim FET-om koji sluzi da Strujni Generator
nakaci na Akumulator na vreme od 0.1s (primer)
Na osnovu velicine " PADA NAPONA " na krajevima akumulatora ( razlika operecen-NEopterecen) dobija se INFO
o Unutrasnjem otporu koji je naravo u cvrstoj vezi sa stanjem AKU-a.
Ovakav MONITORING omogucava da se proveri AKU a da se NE iskljuci potrosac ( na pr.Alarmna centrala,,UPS,,itd)
Bitno je napraviti kolo koje ce da izmeri napon AKU-a kada se iz njega cupa TEST struja ( to je za ono vreme od 0,1s)
Za ovu svrhu NIJE zgodno koristiti obican DVM ,,jer on meri napon 2-4 x u sekundi (sempluje) pa NE moze da pogodi
ono vreme kada je AKU-opterecem vestacki.
Neki FLUKE-ovi instrumenti imaju na naponskom opsegu MIN/MAX funkciju koja moze da se
iskoristi za ove potrebe.Na primer:
Kada se FLUKE prikaci na Akumulator pokaze 12,65 V
A MIN funkcija izmeri 10,22 V,,,,,to znaci da je napon pao za 2,43 V ,,ako je TEST struja bila 10 Ampera(primer za struju opterecenja)
Unutrasnji otpor Akumulatora je 2,43V / 10A=0.243 Oma
Na osnovu ovoga,,moze se "skockati" skalamerija koja stanje "podrumskih" Akumulatora JAVLJA gore u dnevnu sobu !
U prilogu primer podesivog Generatora konstantne struje.
Pozdrav
-
- ___
- Postovi: 410
- Pridružen: 09 Okt 2006, 14:39
- Location: Bezdan
- Contact person: Jovica
- Specialty: tv
- Lokacija: Bezdan
- Kontakt:
Re: Ispitivanje kapaciteta akumulatora
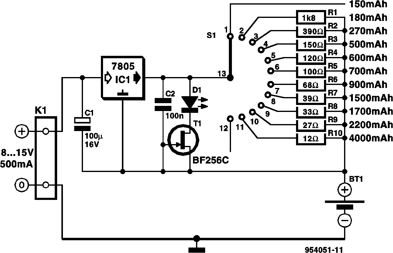
Imas u casopisu InfoElektronika br.5 Godina 2 semu sa nacrtom stampane plocice za izradu Meraca kapaciteta akumulatora
koji radi na impulsnom principu a kao opterecenje koristi dva paralelno vezana otpora 0.1 Oma a kao prekidac koristi darlington tranzistor BDV65 koji pobudjuje IC kolo 555
Sklop ima i instrument za merenje kapaciteta koji se bazdari u A/h realizovano sa IC kolom TLC271 i analogni instrument.
Nemam skener da skeniram clanak ali ako ti je potrebno mogu da fotokopiram i da ti posaljem.
Inace clanak je preuzet iz casopisa Elektor 4/94.
koji radi na impulsnom principu a kao opterecenje koristi dva paralelno vezana otpora 0.1 Oma a kao prekidac koristi darlington tranzistor BDV65 koji pobudjuje IC kolo 555
Sklop ima i instrument za merenje kapaciteta koji se bazdari u A/h realizovano sa IC kolom TLC271 i analogni instrument.
Nemam skener da skeniram clanak ali ako ti je potrebno mogu da fotokopiram i da ti posaljem.
Inace clanak je preuzet iz casopisa Elektor 4/94.
- alexa_pg
- Site Admin
- Postovi: 6029
- Pridružen: 22 Avg 2006, 08:10
- Location: Podgorica
- Specialty: tv-multimedia
Re: Ispitivanje kapaciteta akumulatora
Ako ti nije problem skeniraj je kod nekoga i okaci semu ovdje. Valja ce...ako ti je potrebno mogu da fotokopiram ...
"I ja volim ljude ali ih sve manje podnosim"
-
- ___
- Postovi: 410
- Pridružen: 09 Okt 2006, 14:39
- Location: Bezdan
- Contact person: Jovica
- Specialty: tv
- Lokacija: Bezdan
- Kontakt:
Re: Ispitivanje kapaciteta akumulatora
Evo seme i skenirani clanak.
- Prilog
-
Merac kapaciteta akumulatora.rar
- (2.13 MiB) Preuzeto 1244 puta.
- Marko Enter
- _
- Postovi: 152
- Pridružen: 21 Feb 2008, 21:39
- Location: Hagen-Nemacka
- Lokacija: Srbija-Smederevo/ Nemacka-Hagen
Re: Ispitivanje kapaciteta akumulatora
Ja imam jedan aku od 85 Ah koji sluzi da tera pumpe za toplovodno grejanje kad nestane struja i kupio sam jedan mali uredjaj koji odrzava aku bio je negde oko 15 eura , i on kada se prikaci na aku pocne da ga polako puni i kada ga napuni pocne polako da ga prazni , a da se izmeri kapacitet moze isto i kada se prikaci prazan aku i meri se vreme kad ce da se napuni npr . aku od 10 Ah sa strujom punjenja od 10 A trebao bi da se napuni za 1 h
pozdrav Marko
pozdrav Marko
Tranzistori su najbrzi osiguraci :)
- kisko
- Preminuo
- Postovi: 2054
- Pridružen: 12 Jun 2007, 01:51
- Location: Kovilj-na kraj sveta
- Specialty: tv-multimedia
- Lokacija: Kovilj-Novi sad
Re: Ispitivanje kapaciteta akumulatora
To ti nikako nebih preporucio radi veka trajanja akumulatoraaku od 10 Ah sa strujom punjenja od 10 A trebao bi da se napuni za 1 h

uvek ima nesto interesantno
Re: Ispitivanje kapaciteta akumulatora
To se nikada ne racuna a kamoli radi takoMarko Enter je napisao:Ja imam jedan aku od 85 Ah koji sluzi da tera pumpe za toplovodno grejanje kad nestane struja i kupio sam jedan mali uredjaj koji odrzava aku bio je negde oko 15 eura , i on kada se prikaci na aku pocne da ga polako puni i kada ga napuni pocne polako da ga prazni , a da se izmeri kapacitet moze isto i kada se prikaci prazan aku i meri se vreme kad ce da se napuni npr . aku od 10 Ah sa strujom punjenja od 10 A trebao bi da se napuni za 1 h
pozdrav Marko

Struja punjenja olovnih akumulatora se krece 2-4A i traje 16-20 sati. Nikako ne idi na brzo punjenje posto se celije krive i akumulator brze propada. Ako ga cuvas napunjenog pozeljno je jednom mesecno da izvrsis ciklus praznjenja i ponovnog punjenja. Pre svakog ponjenja kontrolisati nivo elektrolita i po potrebi dosipati ISKLJUČIVO DESTILOVANU VODU nikako ne kiselinu ili neki rastvor kiseline.
Sigurno mu pregoreo neki otpornik
- fanzo
- Site Admin
- Postovi: 16010
- Pridružen: 02 Avg 2006, 06:41
- Location: Bački Petrovac, Srbija
- Phone number: 0038121781575
- Specialty: tv-multimedia
- Lokacija: Bački Petrovac
Re: Ispitivanje kapaciteta akumulatora
Upravo tako...kiselina nikada ne ispari i ne oslabi, isparava samo voda .Hakija je napisao: Pre svakog ponjenja kontrolisati nivo elektrolita i po potrebi dosipati ISKLJUČIVO DESTILOVANU VODU nikako ne kiselinu ili neki rastvor kiseline.
Svakodnevno usavršavanje je bolje od zakasnelog savršenstva
-
- Slične teme
- Odgovori
- Pregledano
- Zadnji post
-
- 7 Odgovori
- 2377 Pregledano
-
Zadnji post napisao djidja
01 Mar 2020, 20:01
-
- 10 Odgovori
- 5250 Pregledano
-
Zadnji post napisao electronix
29 Jul 2010, 10:25
-
-
Potrebna shema-iskljucivanje akumulatora kada je napunjen
napisao srdjannn » 15 Nov 2010, 09:48 » u Elektronika - 21 Odgovori
- 7910 Pregledano
-
Zadnji post napisao Majstor Duja
04 Jan 2011, 12:16
-
-
-
Switcherski punjač akumulatora 24V, 30A, prepunjava
napisao bursach » 10 Apr 2019, 21:53 » u Elektronika - 24 Odgovori
- 7012 Pregledano
-
Zadnji post napisao fanzo
16 Apr 2019, 19:04
-
-
-
volt amper meter kako povezati na punjac akumulatora
napisao ljupco_bt » 14 svi 2021, 19:47 » u Elektronika - 29 Odgovori
- 7631 Pregledano
-
Zadnji post napisao branimir
19 svi 2021, 10:44
-
-
- 44 Odgovori
- 12644 Pregledano
-
Zadnji post napisao alexa_pg
14 svi 2023, 14:36
-
- 11 Odgovori
- 6696 Pregledano
-
Zadnji post napisao makkki79
04 Mar 2009, 22:21
-
- 13 Odgovori
- 7144 Pregledano
-
Zadnji post napisao Srečko
03 Mar 2010, 20:30