
Potrebna sema tajmera za relej *RESENO*
Urednik: alexa_pg
Pravila foruma
Praktikujemo da na kraju opišemo kako smo rešili problem. Zatim zatvorimo temu >UPUTSTVO<
Praktikujemo da na kraju opišemo kako smo rešili problem. Zatim zatvorimo temu >UPUTSTVO<
Potrebna sema tajmera za relej *RESENO*
Potrebna mi je sema za tajmer koji kad dobije napon ukjuci relej na 1-2sec i iskljuci ga.Sledece ukljucenje da bude kad ponovo dobije napon. Koristio bih ga u televizoru Samsung CF536R za promenu pal/secam sistema.Tv kad god se upali on je u Secam pa mora na prednjem panelu da se stisne taster da se prebaci u Pal. Na taj taster planiram da vezem relej pa prilikom svakog ukljucenja da okine taster preko releja na 1-2 sec i da ga prebaci u Pal. 

Zadnja izmena: stojkePN, dana 23 Sep 2009, 23:53, ukupno menjano 1 put.
Sto vise ucim sve vise vidim koliko neznam :plaz:
- Proko
- gx
- Postovi: 375
- Pridružen: 14 Avg 2006, 23:33
- Location: http://proko.rs
- Phone number: 38122310545
Re: Potrebna sema tajmera za relej
Ne treba ti rele za tako nešto, možeš to uraditi sa svega polovinom IC kola 4066. Bitno je da ga priključiš na isto napajanje koje napaja i sam procesor, dok otpornik 1M ide na neki napon kojeg nema kada je TV u st.by režimu.
Da se sa vernicima može argumentovano razgovarati, vernika ne bi ni bilo...
Re: Potrebna sema tajmera za relej
Nisam bio preko vikenda u radionicu pa evo me sada. Nije problem mogu da uradim i ovako ali ne razumem semu u potpunosti
Skinuo sam datasheet ali i dalje mi sema nije jasna
http://www.fairchildsemi.com/ds/CD%2FCD4066BC.pdf
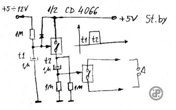
Tacnije nije mi jasno na koje pinove se vezuje ovo sto sam obelezio i koja je dioda u pitanju

Skinuo sam datasheet ali i dalje mi sema nije jasna

Tacnije nije mi jasno na koje pinove se vezuje ovo sto sam obelezio i koja je dioda u pitanju

- Prilog
-
- Graphic11.JPG (25.88 KiB) Pregledano 1984 puta.
Sto vise ucim sve vise vidim koliko neznam :plaz:
Re: Potrebna sema tajmera za relej
Snasao sam se.Javicu rezultat kad napravim 

Sto vise ucim sve vise vidim koliko neznam :plaz:
- alexa_pg
- Site Admin
- Postovi: 6029
- Pridružen: 22 Avg 2006, 08:10
- Location: Podgorica
- Specialty: tv-multimedia
Re: Potrebna sema tajmera za relej
Na slici u prilogu cu pokusati da ti objasnim princip rada jednog od cetiri prekidaca u kolu.
Prekidac SW A prikacen je na pinove 1 i 2 i sve jedno je sta ce biti ulaz ili izlaz. Kontrolni pin je pin 13 i kad se na ovom pinu pojavi logicka jedinica (+ napon 5V) prekidac je ukljucen a kad je nula onda je iskljucen.
Dioda koju pominjes je 1n4148 a sluzi da zastiti kolo da se ne bi desilo da je kontrolni napon veci od napona napajanja kola.
Prekidac SW A prikacen je na pinove 1 i 2 i sve jedno je sta ce biti ulaz ili izlaz. Kontrolni pin je pin 13 i kad se na ovom pinu pojavi logicka jedinica (+ napon 5V) prekidac je ukljucen a kad je nula onda je iskljucen.
Dioda koju pominjes je 1n4148 a sluzi da zastiti kolo da se ne bi desilo da je kontrolni napon veci od napona napajanja kola.
- Prilog
-
- 4066.JPG (17.28 KiB) Pregledano 1963 puta.
"I ja volim ljude ali ih sve manje podnosim"
Re: Potrebna sema tajmera za relej
Kako produziti vreme zadrzavanja tastera na 2-3 sec 
EDIT
Drugi problem je sto na izlazu za taster iz 4066 daje 220ohm pa nema nikakvog uticaja na taster.

EDIT

Drugi problem je sto na izlazu za taster iz 4066 daje 220ohm pa nema nikakvog uticaja na taster.
Sto vise ucim sve vise vidim koliko neznam :plaz:
Re: Potrebna sema tajmera za relej
Ustvari mozda se ovo vreme i ne treba produzivati ali je problem sa ovih 220ohm 

Sto vise ucim sve vise vidim koliko neznam :plaz:
- alexa_pg
- Site Admin
- Postovi: 6029
- Pridružen: 22 Avg 2006, 08:10
- Location: Podgorica
- Specialty: tv-multimedia
Re: Potrebna sema tajmera za relej
Sto se tice vremena, mozes ga povecati povecanjem otpornika od 1M. Ugradi 3M3 i vrijeme ce biti 3 puta duze.
Je li moguce da 220 oma ne moze da promijeni stanje? Tu otpornost imas kad kolo napajas sa 5V. Povecaj mu napon napajanja i smanjices otpor. Najnizu vrijednost koju mozes dobiti je oko 80 oma. Ako je i to mnogo (?) "ne gine ti" da na kraju stavis i rele paralelno tasteru.
Je li moguce da 220 oma ne moze da promijeni stanje? Tu otpornost imas kad kolo napajas sa 5V. Povecaj mu napon napajanja i smanjices otpor. Najnizu vrijednost koju mozes dobiti je oko 80 oma. Ako je i to mnogo (?) "ne gine ti" da na kraju stavis i rele paralelno tasteru.
"I ja volim ljude ali ih sve manje podnosim"
- Proko
- gx
- Postovi: 375
- Pridružen: 14 Avg 2006, 23:33
- Location: http://proko.rs
- Phone number: 38122310545
Re: Potrebna sema tajmera za relej
Pa imaš još dva slobodna "prekidača" u tom kolu. Veži sva tri paralelno, i imaš manju otpornost.
Da se sa vernicima može argumentovano razgovarati, vernika ne bi ni bilo...
Re: Potrebna sema tajmera za relej
HVALA Proko i Alexa_PG na pomoci
Problem je resen podizanjem napona napajanja na 12V
Sada je otpornost na 75-80ohm i bez problema radi. Sklopicu ga sutra i pustiti da radi

Uslikacu ovo pa ide na budz meseca





Uslikacu ovo pa ide na budz meseca


Sto vise ucim sve vise vidim koliko neznam :plaz:
-
- Slične teme
- Odgovori
- Pregledano
- Zadnji post
-
- 9 Odgovori
- 3223 Pregledano
-
Zadnji post napisao miros981
23 Apr 2009, 18:21
-
- 7 Odgovori
- 1406 Pregledano
-
Zadnji post napisao marko
18 Sep 2009, 10:37
-
- 8 Odgovori
- 1900 Pregledano
-
Zadnji post napisao TOMSON
02 Nov 2009, 00:21
-
- 3 Odgovori
- 1184 Pregledano
-
Zadnji post napisao Krajnc Karlo
13 Mar 2012, 22:49
-
-
ROHS 50W 12V4a LED Driver (S-50-12) potrebna sema RESENO
napisao kefaja » 04 Feb 2013, 00:19 » u Elektronika - 3 Odgovori
- 1212 Pregledano
-
Zadnji post napisao kefaja
06 Feb 2013, 00:33
-
-
- 6 Odgovori
- 1989 Pregledano
-
Zadnji post napisao grifon
12 Mar 2009, 15:39
-
- 21 Odgovori
- 6490 Pregledano
-
Zadnji post napisao Milos fis
26 Jan 2017, 12:11
-
-
Mikrofonsko predpojačalo-potrebna šema (Riješeno)
napisao bogoslav » 21 Dec 2008, 15:36 » u Elektronika - 13 Odgovori
- 2935 Pregledano
-
Zadnji post napisao bogoslav
22 Dec 2008, 21:42
-