[Kupio mi prijatelj na buvljaku pumpu za cg, koja mu treba za neke druge potrebe ( za masinu za rezanje kamena) ,kao sa donje slike ,na koju sam naleteo na netu,ali bez onog crnog poklopca obelezenog strelicom.E sad,izgleda kao na slici 1.Ja sam premeravao omski i provodi kao na shemi i to
Z1=220 ohma,
Z2=44,3 ohma,
Z3=44,5 ohma i
Z4=43,3 ohma.
Na etiketi-tablici jos pise da treba i kond 2,5uF. Meni je sad problem kako sve to povezati (po meni je slicno kao asinhroni motor od ves masine),izgleda da ima i nekolkio brzina,znaci kako povezati da funkionise normalno,a da se ne desi da dodje do pregorevanja nekog od namotaja ?
Pozdrav.
PS:Na netu nema nikakvih shema za ovakve pumpe i sory za lose slike.
Pumpa centralnog grejanja-šema veze-Rešeno
Urednik: alexa_pg
Pravila foruma
Praktikujemo da na kraju opišemo kako smo rešili problem. Zatim zatvorimo temu >UPUTSTVO<
Praktikujemo da na kraju opišemo kako smo rešili problem. Zatim zatvorimo temu >UPUTSTVO<
Pumpa centralnog grejanja-šema veze-Rešeno
Zadnja izmena: andro79, dana 26 Apr 2009, 16:41, ukupno menjano 1 put.
=@=@=
- milan
- Preminuo
- Postovi: 4426
- Pridružen: 19 Avg 2006, 22:38
- Location: Novi Sad
- Specialty: tv-multimedia
Re: Pumpa centralnog grejanja-šema veze
Ima
Kod: Označi sve
http://www.grundfos.com/web/homehu.nsfRe: Pumpa centralnog grejanja-šema veze
Milane hvala ti na linku,ima onde i Grudfos Srbija,medjutim nigde na sajtu nisam nasao unutrasnju shemu pumpe,po kojoj bih da pokusam da je povezem.
=@=@=
-
lnicks
- _

- Postovi: 77
- Pridružen: 05 Nov 2006, 16:56
- Location: Srbija
- Specialty: tv-multimedia
- Lokacija: Zrenjanin
- Kontakt:
Re: Pumpa centralnog grejanja-šema veze
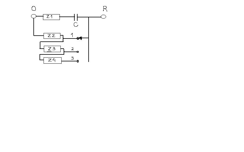
Ovako bi nekako trebalo,ovo je na brzaka,pa shodno i kvalitet :)
1-najbrze najmanji otpor glavnog namotaja
2.sporije malo veci otpor
3.najsporije,najveci otpor glavnog namotaja
Za svaki slucaj kada budes probao,stavi mu neku sijalicu 60-100W na red da ogranicis struju
poz.
1-najbrze najmanji otpor glavnog namotaja
2.sporije malo veci otpor
3.najsporije,najveci otpor glavnog namotaja
Za svaki slucaj kada budes probao,stavi mu neku sijalicu 60-100W na red da ogranicis struju
poz.
- Prilog
-
- slikica.JPG (14.05 KiB) Pregledano 2811 puta.
- JaroslavBires
- ___

- Postovi: 392
- Pridružen: 25 Okt 2007, 19:06
- Location: Stara Pazova
- Specialty: whitegoods
- Lokacija: Stara Pazova
Re: Pumpa centralnog grejanja-šema veze
Nađoh šemu jedne pumpe što sam radio:
Možda ne znam, al' znam, ko zna! 
Re: Pumpa centralnog grejanja-šema veze
Hvala na šemi,posluzice nekad sigurno.
Ja sam ono povezao kao sto rece kolega gore ,samo na dve brzine,
kondenzator na red sa 220 oma,pa za jednu brzinu 45oma u paraleli a za drugu 120,malo se greje ali nece raditi non-stop.
Za sada pišem rešeno.
Ja sam ono povezao kao sto rece kolega gore ,samo na dve brzine,
kondenzator na red sa 220 oma,pa za jednu brzinu 45oma u paraleli a za drugu 120,malo se greje ali nece raditi non-stop.
Za sada pišem rešeno.
=@=@=
-
- Slične teme
- Odgovori
- Pregledano
- Zadnji post
-
- 4 Odgovori
- 2291 Pregledano
-
Zadnji post napisao buzdumra
18 Dec 2019, 19:18
-
- 9 Odgovori
- 3470 Pregledano
-
Zadnji post napisao miros981
23 Apr 2009, 18:21
-
- 7 Odgovori
- 1585 Pregledano
-
Zadnji post napisao marko
18 Sep 2009, 10:37
-
- 9 Odgovori
- 2165 Pregledano
-
Zadnji post napisao stojkePN
23 Sep 2009, 23:51
-
- 8 Odgovori
- 2085 Pregledano
-
Zadnji post napisao TOMSON
02 Nov 2009, 00:21
-
- 3 Odgovori
- 1298 Pregledano
-
Zadnji post napisao Krajnc Karlo
13 Mar 2012, 22:49
-
-
ROHS 50W 12V4a LED Driver (S-50-12) potrebna sema RESENO
napisao kefaja » 04 Feb 2013, 00:19 » u Elektronika - 3 Odgovori
- 1350 Pregledano
-
Zadnji post napisao kefaja
06 Feb 2013, 00:33
-
-
- 6 Odgovori
- 2180 Pregledano
-
Zadnji post napisao grifon
12 Mar 2009, 15:39
