Poštovani,
Molio bih pomoć oko interfona Urmet. Zanima me kako se, na već ugrađene interfone, može spojiti na kontakte za otvaranje tasterom. Potpuno sam neupućen i kako se pristupa unutarnjosti i kako se može jednostavno "zakačiti". Radi se o relejnom kontaktu koji treba spojiti na kontakte za taster. Gdje se mogu naći sheme spajanja za Urmet interfon?
Interfoni Urmet
Urednik: alexa_pg
Pravila foruma
Praktikujemo da na kraju opišemo kako smo rešili problem. Zatim zatvorimo temu >UPUTSTVO<
Praktikujemo da na kraju opišemo kako smo rešili problem. Zatim zatvorimo temu >UPUTSTVO<
- alexa_pg
- Site Admin

- Postovi: 6034
- Pridružen: 22 Avg 2006, 08:10
- Location: Podgorica
- Specialty: tv-multimedia
Re: Interfoni Urmet
Na internetu ima dosta dokumentacije o ovom uredjaju. Napisi samo tacan model i naći ćeš sve šta te interesuje.
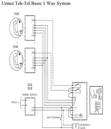
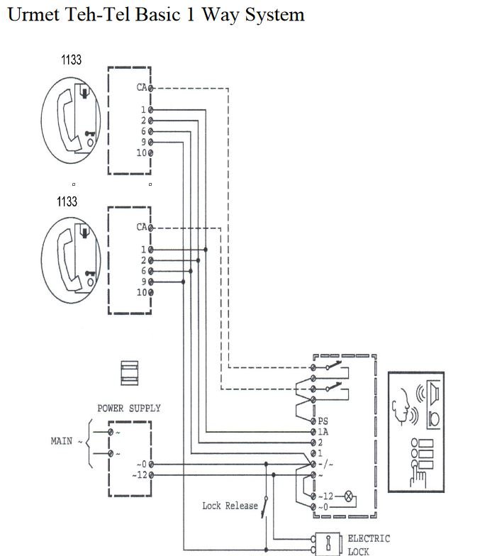
U prilogu su dvije šeme za dva različita modela, 1130 i 1133
U prilogu su dvije šeme za dva različita modela, 1130 i 1133
"I ja volim ljude ali ih sve manje podnosim"
Re: Interfoni Urmet
Hvala na odgovoru.
Nisam stigao zadnjih dana da se bavim s ovom temom. Kao što sam već napisao, malo znam o interfonima i tek sam sad dokučio kako otvoriti kutiju
Još ne znam kako pronaći model interfona. Jesu li na priloženim slikama različiti modeli ili je to isti sa različitim brojem korisnika.
Očekivao sam da je postoji neki standard i da na stezaljkama postoje univerzalne oznake gdje se zna šta se na koju spaja. Kako odrediti koje su žice sa prihvatnika, na koju treba spojiti kontakt releja i na koju stezaljku spojiti drugi kontakt releja. Ukratko, postoji li standardno mjesto na stezaljkama, sa standardnim oznakama za priključenje tastera za otvaranje vrata?
Ima li neka slika otvorenog interfona jer nisam u mogućnosti sam to pregledati?

Nisam stigao zadnjih dana da se bavim s ovom temom. Kao što sam već napisao, malo znam o interfonima i tek sam sad dokučio kako otvoriti kutiju
Još ne znam kako pronaći model interfona. Jesu li na priloženim slikama različiti modeli ili je to isti sa različitim brojem korisnika.
Očekivao sam da je postoji neki standard i da na stezaljkama postoje univerzalne oznake gdje se zna šta se na koju spaja. Kako odrediti koje su žice sa prihvatnika, na koju treba spojiti kontakt releja i na koju stezaljku spojiti drugi kontakt releja. Ukratko, postoji li standardno mjesto na stezaljkama, sa standardnim oznakama za priključenje tastera za otvaranje vrata?
Ima li neka slika otvorenog interfona jer nisam u mogućnosti sam to pregledati?
-
grubiz1@gmail.com
- _

- Postovi: 190
- Pridružen: 10 Dec 2012, 13:08
- Location: SOMBOR
- Contact person: Zeljko
Re: Interfoni Urmet
Napiši šta tačno hoćeš da uradiš-dobiješ.Poprilično je nerazumljivo to što si napisao.
Re: Interfoni Urmet
Izvinjavam se, kad ne znaš dovoljno, ne znaš ni pitanje postaviti.
Ukratko hoću da na interfon spojim uređaj za otvaranje vrata pomoću koda. Uređaj ima relej i htio spojiti njegove kontakte na mjesto tastera za otvaranje vrata ili paralelno prekidaču pomoću kojeg se otvaraju vrata preko interfona.
Ugrađen interfon podrazumjeva da ima već spojen prihvatnik i trafo 12V što bih mogao iskoristiti za napajanje mog uređaja.
Napajanje nije problem, može i vanjsko, ali mi je problem naći kontakte na koje bih spojio relej sa svog uređaja.
LP
Ukratko hoću da na interfon spojim uređaj za otvaranje vrata pomoću koda. Uređaj ima relej i htio spojiti njegove kontakte na mjesto tastera za otvaranje vrata ili paralelno prekidaču pomoću kojeg se otvaraju vrata preko interfona.
Ugrađen interfon podrazumjeva da ima već spojen prihvatnik i trafo 12V što bih mogao iskoristiti za napajanje mog uređaja.
Napajanje nije problem, može i vanjsko, ali mi je problem naći kontakte na koje bih spojio relej sa svog uređaja.
LP
- alexa_pg
- Site Admin

- Postovi: 6034
- Pridružen: 22 Avg 2006, 08:10
- Location: Podgorica
- Specialty: tv-multimedia
Re: Interfoni Urmet
Kontakte uredjaja za otvaranje vrata vezes paralelno prekidacu koji je na semi oznacen sa Pr.
To znaci, kada korisnik unese pravilnu sifru, rele brave (rele uredjaja za otvaranje vrata) spoji svoje kontakte i dovede napon 12V AC u trajanju od 5 sec na elektromagnet i ovaj drzi vrata otvorena.
To znaci, kada korisnik unese pravilnu sifru, rele brave (rele uredjaja za otvaranje vrata) spoji svoje kontakte i dovede napon 12V AC u trajanju od 5 sec na elektromagnet i ovaj drzi vrata otvorena.
"I ja volim ljude ali ih sve manje podnosim"
