Tranzistor K8A60DA zamena

Hobi i ostala elektronika

Urednik: alexa_pg

Pravila foruma
Praktikujemo da na kraju opišemo kako smo rešili problem. Zatim zatvorimo temu >UPUTSTVO<
Avatar
stojkePN
___
___
Postovi: 1594
Pridružen: 11 Feb 2007, 04:55
Location: Srbija-Paraćin

Tranzistor K8A60DA zamena

Post napisao stojkePN » 01 Apr 2014, 01:55

Imam na popravci LCD Samsung LE26B450C4W. Tranzistor u primaru mreze (PFC kolo) je K8A60DA. Nisam uspeo da nadjem original da se kupi, pa kad sam porucio delove narucio sam 2SK1723 koji je nesto kao priblizan po nekim karakteristikama ali je u drugom kucistu. Medjutim tv sam uspeo da startujem i radi sve ok ali se ovaj tranzistor brzo ugreje. Cime mogu naj adekvatnije da zamenim ovaj tranzistor, a da je dostupno kod nas za kupovinu :?:

Pozicija tranzistora:
QP802S

Oznaka ploce napajanja (+inverter):
H26HD 9SS
BN44-00259A
HANAR02
Rev 1.3
Prilog
samsung_bn44-00259a.pdf
(11.24 MiB) Preuzeto 436 puta.
TK8A60DA.pdf
(197.47 KiB) Preuzeto 842 puta.
Sto vise ucim sve vise vidim koliko neznam :plaz:

zozontv1
___
___
Postovi: 419
Pridružen: 16 Okt 2006, 08:10
Lokacija: Beograd (N. Beograd)

Re: Tranzistor K8A60DA zamena

Post napisao zozontv1 » 01 Apr 2014, 05:40

Kad se PFC tranzistor brzo greje (a verovarno bi brzo i izgoreo), mislim da PFC kontroler neradi kako treba....

Avatar
stojkePN
___
___
Postovi: 1594
Pridružen: 11 Feb 2007, 04:55
Location: Srbija-Paraćin

Re: Tranzistor K8A60DA zamena

Post napisao stojkePN » 01 Apr 2014, 12:12

Zamenio sam kontroler, elektrolite, neke smd otpore i sve iskontrolisao. Jedino sto nisam nasao original tranzistor pa sam stavio nesto priblizno.

Inace izgoreo je grec, FAN kontroler u pfc kolu, fet tranzistor, zener, par smd otpora, jedan smd blok.
Sto vise ucim sve vise vidim koliko neznam :plaz:

Avatar
Stolle
Preminuo
Postovi: 19098
Pridružen: 12 Avg 2006, 23:35
Location: Srbija
Specialty: tv-multimedia
Lokacija: Dimitrovgrad

Re: Tranzistor K8A60DA zamena

Post napisao Stolle » 01 Apr 2014, 12:50

Pogledaj šta ima u PFC i u drugim mrežama sa FANxxxx, ima raznih tranzistora. Moguće i da mreža nije potpuno rešena. :?:
"29 poslednjih dana u mesecu je najteže"

Avatar
stojkePN
___
___
Postovi: 1594
Pridružen: 11 Feb 2007, 04:55
Location: Srbija-Paraćin

Re: Tranzistor K8A60DA zamena

Post napisao stojkePN » 01 Apr 2014, 22:25

Poprilicno sam bio detaljan, ali provericu jos jednom da nesto nije promaklo.
Sto vise ucim sve vise vidim koliko neznam :plaz:

crnisale
Preminuo
Postovi: 995
Pridružen: 28 Mar 2007, 23:22
Location: Novi Sad
Contact person: Sasa
Specialty: tv-multimedia

Re: Tranzistor K8A60DA zamena

Post napisao crnisale » 02 Apr 2014, 11:32

Mozda je tranzistor skart.Moze tu bilo koji za 8A 600V ili jaci.

Avatar
stojkePN
___
___
Postovi: 1594
Pridružen: 11 Feb 2007, 04:55
Location: Srbija-Paraćin

Re: Tranzistor K8A60DA zamena

Post napisao stojkePN » 02 Apr 2014, 14:44

Skinuo sam tranzistor STP20NM60FP sa ispravnog napajanja od jednog LCD-a. Otpornost mu je veca nego kod ovog u originalu sto je bio. Posle 10-tak min se ugreje do nekih 45-50c.
STP20NM60FP.pdf
(545.49 KiB) Preuzeto 255 puta.
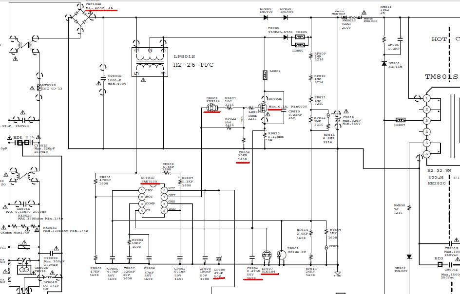
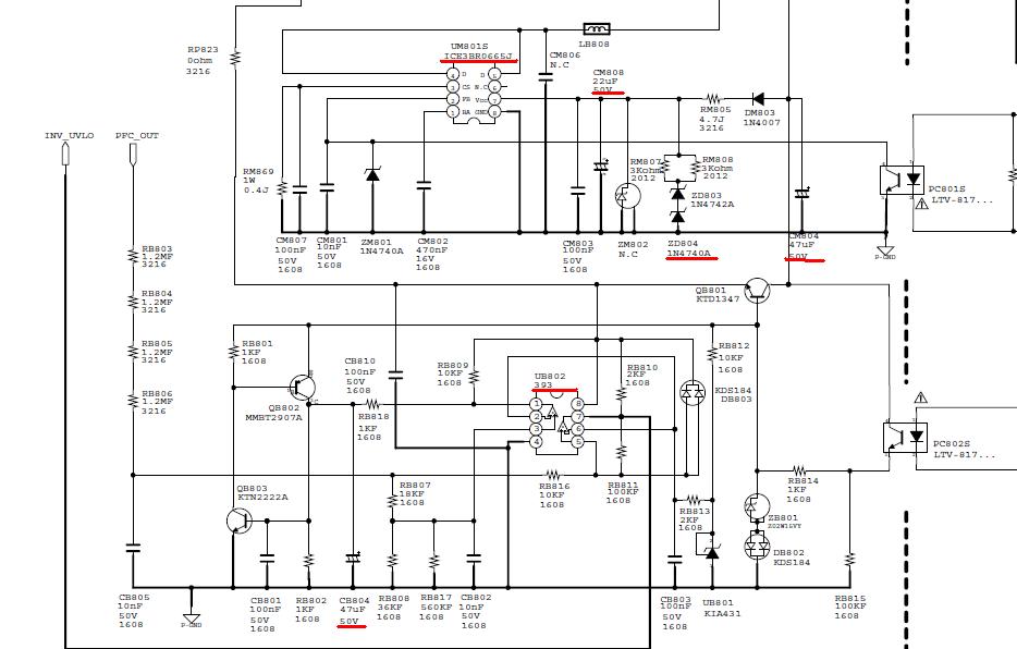
Obelezio sam na slikama sta je sve izgorelo. LM393, ICE3BR0665J i elektrolite sam zamenio iz preventivnih razloga.
Prilog
1.JPG
2.JPG
Sto vise ucim sve vise vidim koliko neznam :plaz:

Avatar
stojkePN
___
___
Postovi: 1594
Pridružen: 11 Feb 2007, 04:55
Location: Srbija-Paraćin

Re: Tranzistor K8A60DA zamena

Post napisao stojkePN » 02 Apr 2014, 21:34

Stavio sam paralelno na RP821 i na RP822 po 10ohm. Za sad je grejanje u nekoj normalnoj granici, videcu kad jos radi tv kako ce da se ponasa.
Sto vise ucim sve vise vidim koliko neznam :plaz:

Odgovori
  • Slične teme
    Odgovori
    Pregledano
    Zadnji post

Natrag na “Elektronika”