light show

Hobi i ostala elektronika

Urednik: alexa_pg

Pravila foruma
Praktikujemo da na kraju opišemo kako smo rešili problem. Zatim zatvorimo temu >UPUTSTVO<
ckomi
_
_
Postovi: 12
Pridružen: 04 Jun 2009, 22:08
Location: Nis, Srbija

light show

Post napisao ckomi » 26 Mar 2012, 16:26

Potrebna pomoc oko light show-a. Doneo mi prijatelj neki light show koji je pravljen u hoby varijanti koji je sav izmuvan izprespajan zicama - cudo. Light show je sa 8 kom. TIC216M i sa 2 SN74SL90. Ako neko ima slucjno shemu za ovo cudo, ako ne neka bilo koja da mu to prepravim. Unapred zahvalan. Pozdrav.

ckomi
_
_
Postovi: 12
Pridružen: 04 Jun 2009, 22:08
Location: Nis, Srbija

Re: light show

Post napisao ckomi » 31 Mar 2012, 13:56

Ne radim ove stvari uopste, pa sam u medjremenu saznao da je ovo u stvari trcece svetlo. Posto nisam uspeo da mu nadjem oiginal shemu nasao sam slicnu samo sa CD4017 i CD4001. Probacu da prepravim uredjaj pa javljam rezultat.

NSDUCKO
_
_
Postovi: 1
Pridružen: 22 Nov 2012, 20:59
Location: srbija

Re: light show

Post napisao NSDUCKO » 23 Nov 2012, 00:40

Pozz ljudi!
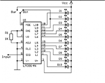
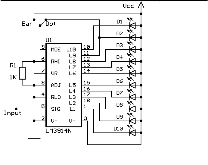
nov sam na forumu. molio bi ako neko zna kako moze ovo da se objedini sa light show
untitled.png
Prilog
imagesCAMG853S.jpg
imagesCAMG853S.jpg (13.02 KiB) Pregledano 995 puta.

Avatar
Majstor Duja
Neaktivan
Postovi: 3136
Pridružen: 23 Avg 2006, 17:29
Location: Novi Sad - centar
Warranty service: http://www.elektrocentar.com
Contact person: Goran Duic
Specialty: tv-multimedia

Re: light show

Post napisao Majstor Duja » 23 Nov 2012, 06:51

Prvo, donja slika se uopste ne vidi sta je sta...drugo, ako zelis da od led VU metra napravis light show onda moras svaku led da zamenis sa opto trijakom i prikljucis sijalicu 220V preko odgovarajuceg elektronskog kola (rc filtera), shema ima na netu koliko hoces, trazi sam...
Rule #1 "Always stand for what you believe, even if it means standing alone."

Odgovori

Natrag na “Elektronika”