PIC programator
Urednik: alexa_pg
Pravila foruma
Praktikujemo da na kraju opišemo kako smo rešili problem. Zatim zatvorimo temu >UPUTSTVO<
Praktikujemo da na kraju opišemo kako smo rešili problem. Zatim zatvorimo temu >UPUTSTVO<
PIC programator
Poštovani
trebao bi isprogramirati PIC 16F84A kako da ga najlakše isprogramiram da sad ne radim all pic programator te sami postupak programiranja u programu
unaprijed hvala
trebao bi isprogramirati PIC 16F84A kako da ga najlakše isprogramiram da sad ne radim all pic programator te sami postupak programiranja u programu
unaprijed hvala
- goranfri
- bela tehnika

- Postovi: 1581
- Pridružen: 02 Sep 2008, 01:16
- Location: Beograd
- Warranty service: Icematic Simag Scotsman LaSanMarco Brema LaCimbali Joly
Manitowoc - Specialty: whitegoods
- Lokacija: Beograd
Re: PIC programator
http://www.elektronika.rs.ba/data/proje ... ri/allpic/
Ne moraš da praviš , kupiš za 15 eu i imaš ga za ubuduće.
Ne moraš da praviš , kupiš za 15 eu i imaš ga za ubuduće.
Re: PIC programator
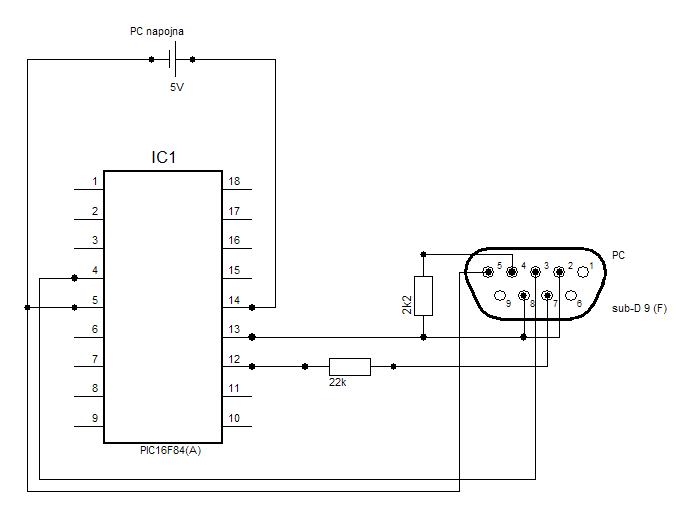
Kad sam reko da mi se neda raditi PIC programator nisam mislio opčenito nego trenutno a i ne stignem nego dali ima koja šema kako da ga spojim preko kompa pa da unutra ubacim hex, nekaj jednostavno da mi ne oduzima previše vremena:-)

- goranfri
- bela tehnika

- Postovi: 1581
- Pridružen: 02 Sep 2008, 01:16
- Location: Beograd
- Warranty service: Icematic Simag Scotsman LaSanMarco Brema LaCimbali Joly
Manitowoc - Specialty: whitegoods
- Lokacija: Beograd
Re: PIC programator
Ja mislim da jedina šema koja ima je da kupiš programator.
Re: PIC programator
puno hvala
a daj mi molim te još reci samo koji je najjednostavniji program ak nije problem
unaprijed hvala
unaprijed hvala
- alexa_pg
- Site Admin

- Postovi: 6029
- Pridružen: 22 Avg 2006, 08:10
- Location: Podgorica
- Specialty: tv-multimedia
Re: PIC programator
Jedan od programa Win Pic Programmer
http://www.qsl.net/dl4yhf/winpicpr.html
http://www.qsl.net/dl4yhf/winpicpr.html
"I ja volim ljude ali ih sve manje podnosim"
Re: PIC programator
......a ja imam ovih ''pic''-ova u dovoljnim količinama- pa, nek' igre započnu.alexa_pg je napisao:Evo dvije jednostavne seme......
P.S. Aleksa, ne zameri, nisam hteo da kažem da tvoje šeme ne rade
- alexa_pg
- Site Admin

- Postovi: 6029
- Pridružen: 22 Avg 2006, 08:10
- Location: Podgorica
- Specialty: tv-multimedia
Re: PIC programator
Nisu moje, nadjene su na internetu :)...nisam hteo da kažem da tvoje šeme ne rade
Desavalo mi se dosta puta u praxi da stranka trazi da sto jeftinija bude popravka pa makar na ustrb kvaliteta.
Tako je i sa ovim programatorom.
Ne trazi se da to sigurno radi i da odradi posao vec da bude sto jednostavnije, da se ne daju "veliki novci" za sastavljanje ili kupovinu gotovog.
Prvi programator koji sam sastavio bio je JDM i za divno cudo proradio je iz cuga.
Kasnije negde, prikljucim isti programator na drugi PC kad on ne radi.
Da skratim pricu, na nekim racunarima radi a na nekim ne radi. U pitanju je izvedba serijskog porta, odnosno na nekim plocama struja iz porta je nedovoljna za programiranje.
Tada sam batalio ove jednostavne programatore, napravio "pravi" programator i sad znam da ce da radi na svakoj masini.
U ovoj temi, kolega trazi "nekaj jednostavno da mi ne oduzima previše vremena". To mu je i ponudjeno.
Zivio Zoki
"I ja volim ljude ali ih sve manje podnosim"
Re: PIC programator
Toplo bih Vam preporucio PIC Kit 2, oficijelni programator Microchipa. Ima puno kopija po netu, postoje i verne kopije, a postoje i uproscene, softver programatora za Dz sa Microchip sajta, konekcija USB.
Uprosceni - programira samo MCU koji rade na 5V, sta biva kad se prikaci na 3v3 MCU ne znam, ima da se kupe i po limundu za 1500-2500RSD kako ko trazi, imam ga i radi super, mali je i jeftin.
Full kopija - dosta bolja stvar, prema Microchipu pokriva sve zivo sto je postojalo do izlaska PICKit3 (mozda i dalje od toga, nisam proverio), ono sto je jos zgodno sto firmware moze da se stavi u njega, pa se ubode u uredjaj tamo negde, pritisne taster na programatoru i on isprogramira MCU (ovo sam koristio kod jednog investitora, koji je ugradio uredjaje koje sam mu pravio, a onda je u eksploataciji primetio da je "bolje malo drugacije" pa je trebalo modifikovati program.
Oba koriste samo 5 vodova za vezu sa MCU pa kad pravite nesto ostavite na ploci mali ICSP 5pin konektor i programirate u kolu, zgodno kad je u pitanju SMD ili TQFP, pa ne trebaju silni adapteri da bi se cip programirao na samom programatoru.
Samo u Google search i napred.
Uprosceni - programira samo MCU koji rade na 5V, sta biva kad se prikaci na 3v3 MCU ne znam, ima da se kupe i po limundu za 1500-2500RSD kako ko trazi, imam ga i radi super, mali je i jeftin.
Full kopija - dosta bolja stvar, prema Microchipu pokriva sve zivo sto je postojalo do izlaska PICKit3 (mozda i dalje od toga, nisam proverio), ono sto je jos zgodno sto firmware moze da se stavi u njega, pa se ubode u uredjaj tamo negde, pritisne taster na programatoru i on isprogramira MCU (ovo sam koristio kod jednog investitora, koji je ugradio uredjaje koje sam mu pravio, a onda je u eksploataciji primetio da je "bolje malo drugacije" pa je trebalo modifikovati program.
Oba koriste samo 5 vodova za vezu sa MCU pa kad pravite nesto ostavite na ploci mali ICSP 5pin konektor i programirate u kolu, zgodno kad je u pitanju SMD ili TQFP, pa ne trebaju silni adapteri da bi se cip programirao na samom programatoru.
Samo u Google search i napred.
-
bogdanm
- _

- Postovi: 18
- Pridružen: 13 Mar 2014, 10:21
- Location: mladenovac
- Contact person: Bogdan
- Specialty: computers
Re: PIC programator
Da li neko zna za sta je ovo i sta moze da programira , meni konkretno treba za ubacivanje dump fajlova u eeprome za lcd tv ili eventualno neki bios da se odradi
Re: PIC programator
to ti je razvojna ploca za avr ,. das klincima nek se uce .... 
ovo levo sa usb., i taj kablic sareni to se verovatno moze iskoristiti za prog. ali samo uz odgovarajuci sw.

ovo levo sa usb., i taj kablic sareni to se verovatno moze iskoristiti za prog. ali samo uz odgovarajuci sw.
proradijo mi net zahvaljujuci fanzi
-
bogdanm
- _

- Postovi: 18
- Pridružen: 13 Mar 2014, 10:21
- Location: mladenovac
- Contact person: Bogdan
- Specialty: computers
Re: PIC programator
znaci pisi propalo, dali neko ima programator za tu namenu na prodaju , moze polovan a moze i nov,
- alexa_pg
- Site Admin

- Postovi: 6029
- Pridružen: 22 Avg 2006, 08:10
- Location: Podgorica
- Specialty: tv-multimedia
Re: PIC programator
Za to sto ti hoces, pogledaj ovu temu.
viewtopic.php?p=269847#p269847
viewtopic.php?p=269847#p269847
"I ja volim ljude ali ih sve manje podnosim"
Re: PIC programator
Da ne otvaram novu temu...
Da li je neko koristio WinPic?
Pokusao sam isprogramirati pic16f688 preko paralelnog porta na PC-u ali bez uspeha.
Da li je neko koristio WinPic?
Pokusao sam isprogramirati pic16f688 preko paralelnog porta na PC-u ali bez uspeha.
- fanzo
- Site Admin

- Postovi: 16010
- Pridružen: 02 Avg 2006, 06:41
- Location: Bački Petrovac, Srbija
- Phone number: 0038121781575
- Specialty: tv-multimedia
- Lokacija: Bački Petrovac
Re: PIC programator
Postoji šansa da nisi dobro povezao LPT konektor.
Nađi na netu raspored izvoda i uporedi ga sa tvojom šemom, a posle i sa tvojom napravljenom aplikacijom.
Na LPT konektoru imaš sitno ispisane redne brojeve pinova. Obrati pažnju na njih.
***************************
Postoji šansa i da PIC ne valja. Dešava se.
Nađi na netu raspored izvoda i uporedi ga sa tvojom šemom, a posle i sa tvojom napravljenom aplikacijom.
Na LPT konektoru imaš sitno ispisane redne brojeve pinova. Obrati pažnju na njih.
***************************
Postoji šansa i da PIC ne valja. Dešava se.
Svakodnevno usavršavanje je bolje od zakasnelog savršenstva
Re: PIC programator
OK. Hvala na odgovoru.
Proveriću pa javljam rezultate.
Proveriću pa javljam rezultate.
-
- Slične teme
- Odgovori
- Pregledano
- Zadnji post
-
- 1 Odgovori
- 1204 Pregledano
-
Zadnji post napisao tvmikro
07 Apr 2008, 20:07
-
- 0 Odgovori
- 1016 Pregledano
-
Zadnji post napisao grifon
08 Mar 2009, 19:19
-
- 17 Odgovori
- 2993 Pregledano
-
Zadnji post napisao Stolle
05 Dec 2010, 18:29
-
-
willem programator programiranje 93c46BX problem (Reseno)
napisao Japanac » 29 Mar 2015, 13:41 » u Elektronika - 6 Odgovori
- 2894 Pregledano
-
Zadnji post napisao Majstor Duja
30 Mar 2015, 10:06
-


