Ispitivanje bobina, šema
Urednik: alexa_pg
Pravila foruma
Praktikujemo da na kraju opišemo kako smo rešili problem. Zatim zatvorimo temu >UPUTSTVO<
Praktikujemo da na kraju opišemo kako smo rešili problem. Zatim zatvorimo temu >UPUTSTVO<
Ispitivanje bobina, šema
Ovo mi je prvi post na forumu pa zato u moje ime pozdravljam sve clanove ovog foruma, imam jedno pitanje u vezi seme za ispitivanje bobine kod auta, u prilogu je sema pa me interesuje za element Q1 koji mosfet tranzistor tu mogu da stavim i koji su ovo elementi sa oznakom V1 i V2, jos bolje bi bilo ako je neko mozda pravio ovu semu da malo bolje pojasni rad ili bar ako je moguce da mi da odgovor na moja pitanja?
Veliki pozdrav!!!
Veliki pozdrav!!!
- Stolle
- Preminuo
- Postovi: 19098
- Pridružen: 12 Avg 2006, 23:35
- Location: Srbija
- Specialty: tv-multimedia
- Lokacija: Dimitrovgrad
Re: Potrebna pomoc u vezi jedne seme
Ima puno tranzistora....evo recimo BUK 456-1000B, samo je 4A.
"29 poslednjih dana u mesecu je najteže"
- ajduk
- _

- Postovi: 16
- Pridružen: 01 Feb 2010, 18:46
- Location: crna bara
- Contact person: milinko
- Lokacija: crna bara
Re: Ispitivanje bobina šema
Imas u beogradu Kalko bisi radio klub timocka 18. BUP 212 mosfet i nemoras stavljati hladnjak na njega, ja bi cak probo sa irf 740 ali ostavi samo jedan varistor u zastiti.
Re: Ispitivanje bobina šema
A zasto da ostavim samo jedan varistor u zastiti sa IRF740, zar nebi trebalo oba da ostanu, a zasto su u semi vezana dva redno, zbog vece radnog napona ili.. ?
- ajduk
- _

- Postovi: 16
- Pridružen: 01 Feb 2010, 18:46
- Location: crna bara
- Contact person: milinko
- Lokacija: crna bara
Re: Ispitivanje bobina šema
Ja sam za elektricnog pastira koristio 50v mosfet i varistor 36v, shema je skoro ista male izmene , skinuo sam struju bobine sa otpornikom da skinem napon na 5-6 kv. Ako stavis mosfet sa manjim radnim naponom moras da izostavis jedan varistor da ne probije mosfet, irf 740 je 400v a varistor sluzi da pojede naponske pikove da se nebi javio preveliki napon izmedju drejna i sorsa i doslo do proboja. Ja ti predlozi irf 740 jer je dostupan mosfer, imas ga u raskodovanim monitorima a mozda tamo pronadjes i mosfet iz horizontalnog stepena sa vecim radnim naponom.
Re: Ispitivanje bobina šema
moze i drugacije da se izvede sa kondenzatorima prema masi slicno na tv
proradijo mi net zahvaljujuci fanzi
Re: Ispitivanje bobina šema
Ok, probacu sa IRF740 i sa jednim varistorom pa cu videti, zanima me jos jedna stvar, potenciometar P1 od 1Moma koja je njegova uloga u ovoj semi?
-
Joca
- ___

- Postovi: 410
- Pridružen: 09 Okt 2006, 14:39
- Location: Bezdan
- Contact person: Jovica
- Specialty: tv
- Lokacija: Bezdan
- Kontakt:
Re: Ispitivanje bobina šema
Mozes taj ispitivac da napravis mnogo jednostavnije upotrebi tiristore pouzdaniji su .
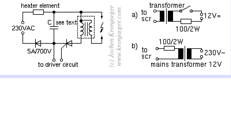
Pogledaj na ovoj adresi imas vise nacina da ih napravis
http://www.kronjaeger.com/hv/hv/src/ign/index.html
Pogledaj na ovoj adresi imas vise nacina da ih napravis
http://www.kronjaeger.com/hv/hv/src/ign/index.html
Re: Ispitivanje bobina šema
Slazem se tobom Joco da su ove seme jednostavnije, ali nije mi jasna jedna stvar kod ove prve seme, odakle i kako da mu dovedem pobudni signal preko otpornika 470 oma i kond. 0,1 mf na baze tranzistora, to mi nije jasno?
-
Joca
- ___

- Postovi: 410
- Pridružen: 09 Okt 2006, 14:39
- Location: Bezdan
- Contact person: Jovica
- Specialty: tv
- Lokacija: Bezdan
- Kontakt:
Re: Ispitivanje bobina šema
Mozes da spojis oscilator sa ovim jeftinm kolom NE555
http://www.electronics-tutorials.ws/wav ... lator.html
http://www.electronics-tutorials.ws/wav ... lator.html
Re: Ispitivanje bobina šema
Joco ok za semu, koju bi vrednost otpornika i kond. trebao da stavim da bi dobio ovakav oblik signala, mislim dali znas iz iskustva da ne eksperementisem, i koja je frekvencija ovog signala koji je meni potreban?
Veliki pozdrav i zahvalan sam ti na strpljenju i pomoci!
Veliki pozdrav i zahvalan sam ti na strpljenju i pomoci!
Re: Ispitivanje bobina šema
takav oblik i treba da dobijes nemoze drugi
de skini data sheet kola pa ga prouci kako radi a tamo ti pisu i otpori
de skini data sheet kola pa ga prouci kako radi a tamo ti pisu i otpori
proradijo mi net zahvaljujuci fanzi
-
Joca
- ___

- Postovi: 410
- Pridružen: 09 Okt 2006, 14:39
- Location: Bezdan
- Contact person: Jovica
- Specialty: tv
- Lokacija: Bezdan
- Kontakt:
Re: Ispitivanje bobina šema
Za R1 stavi otpornik od 1 Koma + potenciometar od 1 Moma redno vezane za R2 stavi 1 Koma
C 1 10nF sa potenciometrom mozes regulisati frekvenciju.
f=1,45/(R1 + 2 R2) C1
C 1 10nF sa potenciometrom mozes regulisati frekvenciju.
f=1,45/(R1 + 2 R2) C1
Re: Ispitivanje bobina šema
Kucaj u google 555calculator pa češ dobiti puno tih kalkulatora za izračunavanje odpornika i kondija.djole-79 je napisao:Joco ok za semu, koju bi vrednost otpornika i kond. trebao da stavim da bi dobio ovakav oblik signala, mislim dali znas iz iskustva da ne eksperementisem, i koja je frekvencija ovog signala koji je meni potreban?
Veliki pozdrav i zahvalan sam ti na strpljenju i pomoci!
Lp Srečko
Samouk
-
- Slične teme
- Odgovori
- Pregledano
- Zadnji post
-
- 32 Odgovori
- 10271 Pregledano
-
Zadnji post napisao Majstor Duja
19 Jan 2010, 11:57
-
- 11 Odgovori
- 7044 Pregledano
-
Zadnji post napisao makkki79
04 Mar 2009, 22:21
-
- 2 Odgovori
- 2348 Pregledano
-
Zadnji post napisao darko080372
19 Avg 2010, 23:39
-
-
Instrument za ispitivanje probojnog napona poluprovodnika BREAKDOWN VOLTAGE CHECKER made by Proko
napisao Proko » 18 Nov 2011, 02:18 » u Elektronika - 0 Odgovori
- 1616 Pregledano
-
Zadnji post napisao Proko
18 Nov 2011, 02:18
-
-
-
Ispitivanje Operacionih pojačavača i Komparatora
napisao RadovanPetkovic » 31 Mar 2020, 17:39 » u Elektronika - 10 Odgovori
- 3415 Pregledano
-
Zadnji post napisao branimir
03 Apr 2020, 12:40
-
-
- 21 Odgovori
- 1809 Pregledano
-
Zadnji post napisao bracans
26 Jul 2025, 15:22
-
- 6 Odgovori
- 2181 Pregledano
-
Zadnji post napisao grifon
12 Mar 2009, 15:39
-
- 21 Odgovori
- 6894 Pregledano
-
Zadnji post napisao Milos fis
26 Jan 2017, 12:11


