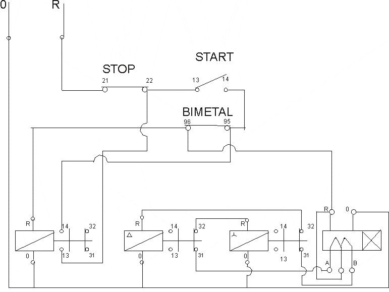
evo sheme vezivahja na komanda za trifaznog asinhron motor u zvezda trokut i redosled fazi.
zvezda trokut shema vezivanja [info]
Urednik: alexa_pg
Pravila foruma
Praktikujemo da na kraju opišemo kako smo rešili problem. Zatim zatvorimo temu >UPUTSTVO<
Praktikujemo da na kraju opišemo kako smo rešili problem. Zatim zatvorimo temu >UPUTSTVO<
-
- Slične teme
- Odgovori
- Pregledano
- Zadnji post
-
-
zvezda-trougao trofazno-monofazno kondenzator [INFO]
napisao Majstor Duja » 13 Jun 2008, 23:19 » u Elektronika - 67 Odgovori
- 26399 Pregledano
-
Zadnji post napisao bimba1958
10 Avg 2014, 10:38
-
-
- 11 Odgovori
- 2954 Pregledano
-
Zadnji post napisao misa
29 Jun 2009, 13:32
-
- 5 Odgovori
- 3297 Pregledano
-
Zadnji post napisao Krajnc Karlo
29 Jun 2010, 22:42
-
-
Shema promene smera obrtanja monofaznog kaveznog motora?
napisao dane » 23 Okt 2010, 20:39 » u Elektronika - 8 Odgovori
- 17341 Pregledano
-
Zadnji post napisao Majstor Duja
24 Okt 2010, 17:58
-
-
-
Potrebna shema-iskljucivanje akumulatora kada je napunjen
napisao srdjannn » 15 Nov 2010, 09:48 » u Elektronika - 21 Odgovori
- 8466 Pregledano
-
Zadnji post napisao Majstor Duja
04 Jan 2011, 12:16
-
-
- 0 Odgovori
- 1032 Pregledano
-
Zadnji post napisao robert63
16 Feb 2008, 07:17
-
-
Servostabilizator mreznog napona SMN5/20 Sema - INFO
napisao alexa_pg » 17 Nov 2009, 16:54 » u Elektronika - 4 Odgovori
- 3244 Pregledano
-
Zadnji post napisao Magnus Pyke
01 Feb 2010, 00:37
-
-
- 8 Odgovori
- 2145 Pregledano
-
Zadnji post napisao svedok
03 svi 2013, 00:10

