EVERTONE DVX515X -na displeju samo ;hello;(RESENO)
Pravila foruma
Naslov teme treba da bude u formatu: PROIZVOĐAČ, MODEL, KRATAK OPIS KVARA
Nakon rešenog kvara zatvoriti temu >> >UPUTSTVO< u suprotnom ništa ne činiti.
RAZNA UPUTSTVA
Naslov teme treba da bude u formatu: PROIZVOĐAČ, MODEL, KRATAK OPIS KVARA
Nakon rešenog kvara zatvoriti temu >> >UPUTSTVO< u suprotnom ništa ne činiti.
RAZNA UPUTSTVA
EVERTONE DVX515X -na displeju samo ;hello;(RESENO)
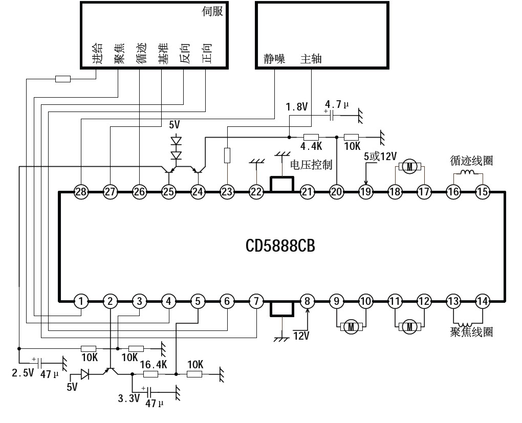
Kad ukljucim uredjaj,samo ispise na displeju ,,HELLO,,i nista drugo ne funkcionise(Nemoze da izbaci lift tj.ne reaguje ni na jednu komandu)Merio sam napone u mreznom delu i naponi od 12 i 5 volti su uredu.Elektrolite menjao sve u ovom stepenu.Svi motori ispravni(imaju od 10 do 12 oma)Drajver CD5888CB se u ovom stanju ne greje.Laser opran i menjao sam flet kabl od istog.Neznam dalje sta da radim.Molim za pomoc i savet.Hvala!
Zadnja izmena: ivicas, dana 05 Nov 2009, 14:43, ukupno menjano 3 puta.
- vlatkocopa
- gx

- Postovi: 3030
- Pridružen: 04 Jun 2008, 22:41
- Location: Makedonija-Kumanovo
- Contact person: Vlado
- Phone number: 0038931420808
- Specialty: tv
Re: EVERTONE DVX-515X -na displeju samo ;hello;
Motor ne sme da ima 10oma,sa kakvim si instrumentom merio?
Za sjaj u očima, rumenilo u licu i lepršav hod - koristite kozmetiku -Šljivovica a moze i domaca jabukovaca ..:))
Re: EVERTONE DVX-515X -na displeju samo ;hello;
Merio sam sa digitalni instrumentom(,,Fluke,,)
- vlatkocopa
- gx

- Postovi: 3030
- Pridružen: 04 Jun 2008, 22:41
- Location: Makedonija-Kumanovo
- Contact person: Vlado
- Phone number: 0038931420808
- Specialty: tv
Re: EVERTONE DVX-515X -na displeju samo ;hello;
Probaj sa analognim obicnim unimerom,na opseg #1 trebalo bi da ima 40-50oma i da okrece motor.
Radim sa Iskrinim unimerom koji ima 2#1.5V baterije i nikad nije omanuo oko dijagnostike motora.
Pozz
Radim sa Iskrinim unimerom koji ima 2#1.5V baterije i nikad nije omanuo oko dijagnostike motora.
Pozz
Za sjaj u očima, rumenilo u licu i lepršav hod - koristite kozmetiku -Šljivovica a moze i domaca jabukovaca ..:))
Re: EVERTONE DVX-515X -na displeju samo ;hello;
Odmah sam otisao u radionicu , uzeo svoj unimer 43(iskra) i probao motore.Motor koji okrece cd,vrti i ima 45 oma.Motor koji pomera laser,vrti i ima 35 oma,dok motor koji tera lift ne vrti i ima otpor od 10 oma(tj.ne izbacuje lift)
- vlatkocopa
- gx

- Postovi: 3030
- Pridružen: 04 Jun 2008, 22:41
- Location: Makedonija-Kumanovo
- Contact person: Vlado
- Phone number: 0038931420808
- Specialty: tv
Re: EVERTONE DVX-515X -na displeju samo ;hello;
Pokazuje 10 oma zato sto je opterecen sa mehanikom...Motori su OK 100%,idemo dalje....
Jel imas neku opciju da ubacis proverenu mrezu sa drugog aparata (da eliminiramo jedno,po jedno..)
Jel imas neku opciju da ubacis proverenu mrezu sa drugog aparata (da eliminiramo jedno,po jedno..)
Za sjaj u očima, rumenilo u licu i lepršav hod - koristite kozmetiku -Šljivovica a moze i domaca jabukovaca ..:))
Re: EVERTONE DVX-515X -na displeju samo ;hello;
Pa nemam takvu mrezu ali mreza daje samo dva napona 5 i 12 volti.Merim instrumentom i imam:4,97v i 11,02v.Ja mislim da je to ok!Pre toga sam pokusao da zamenim sve elektrolite i dobijem iste napone.
- vlatkocopa
- gx

- Postovi: 3030
- Pridružen: 04 Jun 2008, 22:41
- Location: Makedonija-Kumanovo
- Contact person: Vlado
- Phone number: 0038931420808
- Specialty: tv
Re: EVERTONE DVX-515X -na displeju samo ;hello;
Ako mozes postavi neku sliku....
Za sjaj u očima, rumenilo u licu i lepršav hod - koristite kozmetiku -Šljivovica a moze i domaca jabukovaca ..:))
- vlatkocopa
- gx

- Postovi: 3030
- Pridružen: 04 Jun 2008, 22:41
- Location: Makedonija-Kumanovo
- Contact person: Vlado
- Phone number: 0038931420808
- Specialty: tv
Re: EVERTONE DVX-515X -na displeju samo ;hello;
Jesi promenio i ona tri elkosa u sekundarnom delu mreze?
Za sjaj u očima, rumenilo u licu i lepršav hod - koristite kozmetiku -Šljivovica a moze i domaca jabukovaca ..:))
Re: EVERTONE DVX515X -na displeju samo ;hello;
Da,zamenjeni su svi elektroliti u sekundaru(100,1000,470 uf).Cak sam menjao i elektrolite u primaru.Nista se ne desava,uvek isto,samo ,,hello,,
- cacko85
- gx

- Postovi: 1746
- Pridružen: 03 Dec 2008, 17:51
- Location: Macedonia
- Contact person: Slavche
- Specialty: tv-multimedia
- Lokacija: Sveti Nikole
- Kontakt:
Re: EVERTONE DVX515X -na displeju samo ;hello;
Slikaj ploca sa dekoderi t.e. ona sa procesorima da vidimo koja je, ovako po marku
.... pa da vidimo koi procesori ima na nju.
Mozda neko ke prepoznaje ta ploca u neki drugi Player.
Mozda neko ke prepoznaje ta ploca u neki drugi Player.
www.facebook.com/slavceelectronics
- cacko85
- gx

- Postovi: 1746
- Pridružen: 03 Dec 2008, 17:51
- Location: Macedonia
- Contact person: Slavche
- Specialty: tv-multimedia
- Lokacija: Sveti Nikole
- Kontakt:
Re: EVERTONE DVX515X -na displeju samo ;hello;
Kad izbacish konektore od plocu koi idu na mehanizam shta se deshava? Probaj ako ni si. Otvori ti rucno ono kde se CD tura i ondak ukluci DVD ako je OK treba samo da zatvori glavui da produzi. Ako to ne se deshava proveri dal ima napajanje driver za laser i mehanizam t.e. CD5888, pobaraj datasheet za njemu.
www.facebook.com/slavceelectronics
- cacko85
- gx

- Postovi: 1746
- Pridružen: 03 Dec 2008, 17:51
- Location: Macedonia
- Contact person: Slavche
- Specialty: tv-multimedia
- Lokacija: Sveti Nikole
- Kontakt:
Re: EVERTONE DVX515X -na displeju samo ;hello;
Na 8 i na 19 nozici ima napajanje od 4,95v.U medju vremenu dok sam merio napone na cd5888 dvd je proradio.Sve je bilo normalno:izbacivao je lift,ispisao na displeju ,,no disc,,-okretao motor cd i laser je svetlucao.Kako sam ga iskljucio i ponovo ukljucio,opet po starome, samo ,,hello,,
- cacko85
- gx

- Postovi: 1746
- Pridružen: 03 Dec 2008, 17:51
- Location: Macedonia
- Contact person: Slavche
- Specialty: tv-multimedia
- Lokacija: Sveti Nikole
- Kontakt:
Re: EVERTONE DVX515X -na displeju samo ;hello;
Produvaj sa duvalka mozda imash neki hladan lem na CD5888 ili neki drugi integralac, ili ako nemash duvalka prelemi polakoCD5888.
Ako opet nece promeni CD5888 za da se osigurash da ono je ispravno.
Ako opet nece promeni CD5888 za da se osigurash da ono je ispravno.
www.facebook.com/slavceelectronics
- vlatkocopa
- gx

- Postovi: 3030
- Pridružen: 04 Jun 2008, 22:41
- Location: Makedonija-Kumanovo
- Contact person: Vlado
- Phone number: 0038931420808
- Specialty: tv
Re: EVERTONE DVX515X -na displeju samo ;hello;
Kao sto rece Cacko,samo hladni lemovi....Sto se tice zamene CD5888,bice tesko bez duvaljke... 
Za sjaj u očima, rumenilo u licu i lepršav hod - koristite kozmetiku -Šljivovica a moze i domaca jabukovaca ..:))
Re: EVERTONE DVX515X -na displeju samo ;hello;
Narode javicu se kasnije !Idem kod jednog prijatelja koji ima duvaljku pa cu pokusati to da odradim.Rezultate javljam uvece oko 21 casova.
Re: EVERTONE DVX515X -na displeju samo ;hello;
Posle zamene 5888 dvd je proradio.Nakon 10 minuta rada,dvd sam iskljucio iz napona i posle ovoga pojavio se isti problem kao na pocetku(samo ,,hello,,).Par puta sam ga na mrezni prekidac ukljucio,iskljucio i sada ponovo radi.Njakam ga vec pola sata ali radi.Sta ce biti dalje neznam?Javicu vam sutra da li jos uvek zeza ili je problem stvarno resen!
-
- Slične teme
- Odgovori
- Pregledano
- Zadnji post
-
- 8 Odgovori
- 1876 Pregledano
-
Zadnji post napisao SaleSk
30 Jul 2008, 10:56
-
-
AXION FDV780 7" Nema nista na displeju
napisao stojkePN » 26 Feb 2009, 17:42 » u Servisiranje DVD VCR - 4 Odgovori
- 1340 Pregledano
-
Zadnji post napisao SaleSk
03 Mar 2009, 16:42
-
