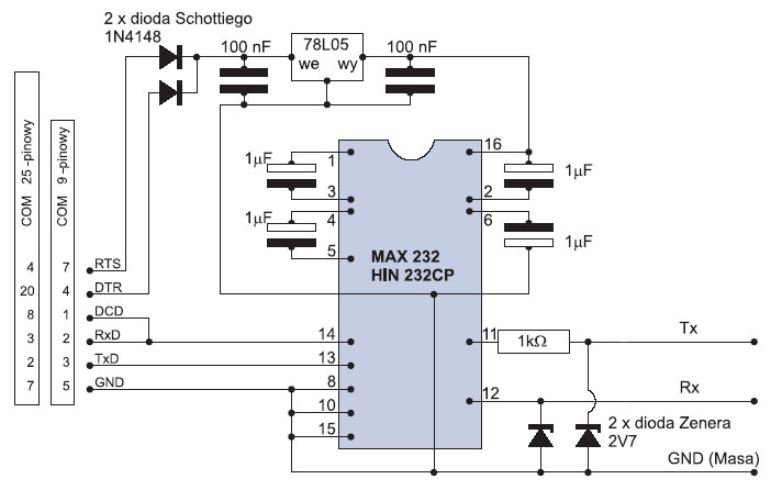
za kolege koje jos nemaju shemu i soft evo prilazem pa neka je sebi skinu ja sam je napravio i testirao sve lijepo radi naravno ovo je za MT processor
pozz...
P.S.
neki dvd traze napajanje od 5V a neki od 3,3V ja sam iz svog racunara sa konektora u maticnu plocu sto ide povukao te napone i masu masa se spaja zajedno sa masom interface-a
FLESHANJE DVD SHEMA I SOFT
Pravila foruma
Naslov teme treba da bude u formatu: PROIZVOĐAČ, MODEL, KRATAK OPIS KVARA
Nakon rešenog kvara zatvoriti temu >> >UPUTSTVO< u suprotnom ništa ne činiti.
RAZNA UPUTSTVA
Naslov teme treba da bude u formatu: PROIZVOĐAČ, MODEL, KRATAK OPIS KVARA
Nakon rešenog kvara zatvoriti temu >> >UPUTSTVO< u suprotnom ništa ne činiti.
RAZNA UPUTSTVA
- skyline-GTR
- gx

- Postovi: 1369
- Pridružen: 26 Avg 2006, 22:26
- Location: Bosna i Hercegovina
- Contact person: Ibrahim
- Lokacija: Bosanska Krupa
FLESHANJE DVD SHEMA I SOFT
- Prilog
-
MTKTool_1-31.rar- (324.21 KiB) Preuzeto 211 puta.
Danas je tesko biti budala,jebiga prevelika konkurencija
-
- Slične teme
- Odgovori
- Pregledano
- Zadnji post
-
-
QUADRO DVD HT-1068DivX pot.shema mrez.st.[reseno]
napisao nec » 08 Feb 2008, 13:23 » u Servisiranje DVD VCR - 5 Odgovori
- 1726 Pregledano
-
Zadnji post napisao Tehnik
08 Feb 2008, 16:16
-
-
-
SEG DVD 1801 potrebna shema mrezni stepen(RESENO)
napisao Tehnik » 19 Jun 2008, 15:18 » u Servisiranje DVD VCR - 4 Odgovori
- 1658 Pregledano
-
Zadnji post napisao Tehnik
20 Jun 2008, 09:26
-
-
- 0 Odgovori
- 966 Pregledano
-
Zadnji post napisao xho
05 Sep 2010, 23:37
-
-
DVD Xwave-7200 Nece DVD , CD Radi(RESENO)
napisao zlix » 06 Jan 2008, 17:31 » u Servisiranje DVD VCR - 7 Odgovori
- 2704 Pregledano
-
Zadnji post napisao zlix
08 Jan 2008, 00:05
-
-
- 5 Odgovori
- 2239 Pregledano
-
Zadnji post napisao dane
23 Sep 2008, 23:34
-
- 13 Odgovori
- 3810 Pregledano
-
Zadnji post napisao SaleSk
28 Nov 2008, 17:21
-
- 7 Odgovori
- 1401 Pregledano
-
Zadnji post napisao felix_sk11
22 Jul 2009, 16:54
-
- 5 Odgovori
- 1771 Pregledano
-
Zadnji post napisao BD-electronic
29 Nov 2007, 11:56
