TV CROWN CTV2003R - Mreza (RESENO)

problemi , kvarovi , sheme upload/download popravka CRT televizora
HOME -- SERVISERI -- EXPERT-TEAM -- DALJINSKI

Urednici: alexa_pg,KASA1

Pravila foruma
Naslov teme treba da bude u formatu: PROIZVOĐAČ, MODEL, KRATAK OPIS KVARA
Nakon rešenog kvara zatvoriti temu >> >UPUTSTVO< u suprotnom ništa ne činiti.

HOME -- SERVISERI -- DALJINSKI -- RAZNA UPUTSTVA
Avatar
cacko85
gx
gx
Postovi: 1746
Pridružen: 03 Dec 2008, 17:51
Location: Macedonia
Contact person: Slavche
Specialty: tv-multimedia
Lokacija: Sveti Nikole
Kontakt:

TV CROWN CTV2003R - Mreza (RESENO)

Post napisao cacko85 » 12 Feb 2009, 22:14

FIRMA: CROWN
MODEL: CTV2003R
CHASSIS(oznaka šasije): ???
PCB(oznake na štampanoj ploči): 2103-V1
MCU(procesor): ST6367B1/BAK
EEPROM: N/A
VERTIKALA: TRANZISTORSKA
AUDIO: TDA1905
VIDEO: TDA8362
SMPS (mreža): BUT11AX, + 4 mali Tranz..
FBT (vn trafo): 154-138W
TUNER: UVE33-W14
KVAR: Mreza sad za sad
OPIS KVARA:

Jaglenisani neki otpornici t.e. R122,121,120 ne se vidit boi pa ako neko zna ko sasiju e ovi CROWN da nadzem semu ??? Evo i sliku
Sad za sad kvar e u mreza u puno elkosi u HIS i sec..
da resim mrezu pa ondak ke kaze za sledice :)
:pivopije:
Prilog
CROWN.jpg
Zadnja izmena: cacko85, dana 13 Feb 2009, 21:05, ukupno menjano 1 put.
www.facebook.com/slavceelectronics

Avatar
cacko85
gx
gx
Postovi: 1746
Pridružen: 03 Dec 2008, 17:51
Location: Macedonia
Contact person: Slavche
Specialty: tv-multimedia
Lokacija: Sveti Nikole
Kontakt:

Re: CROWN CTV2003R Chassis ??? Mreza

Post napisao cacko85 » 13 Feb 2009, 14:08

Skinuo sam svi seme sta sam naso na net-u za CROWN-tva ali nikoja ne odgovara :m:
Dali niko nezna za cemu sasiju se radi ili je upitanju nesta drugo :) ..... mozda ni ste zabelezale tema :mrgreen:
:pivopije:
www.facebook.com/slavceelectronics

Avatar
nec
Site Admin
Site Admin
Postovi: 4849
Pridružen: 17 Okt 2007, 22:15
Location: Makedonija, Strumica
Phone number: 0038978425778
Specialty: tv-multimedia
Kontakt:

Re: CROWN CTV2003R Chassis ??? Mreza

Post napisao nec » 13 Feb 2009, 16:45

neznam sto se mucis s tom semom za mrezni stepen, lepo ugradis UNI mrezu i nemas problem :lala:
Kad zamenimo ideje svi imamo duplo vise ideja

Avatar
cacko85
gx
gx
Postovi: 1746
Pridružen: 03 Dec 2008, 17:51
Location: Macedonia
Contact person: Slavche
Specialty: tv-multimedia
Lokacija: Sveti Nikole
Kontakt:

Re: CROWN CTV2003R Chassis ??? Mreza

Post napisao cacko85 » 13 Feb 2009, 16:53

Ako to uradim nema da bude interesantno :) vako je pozabavno da uradim nju :mrgreen:
Salim se
Nemam momentalno na lageru imao sam nekoliko potrosio sam gi pa valjda ima visak tranzistora pa da gi potrosim malo.
@nec ako imas semu bar na merezu molim te da zakacis ili na PP
:pivopije:
www.facebook.com/slavceelectronics

Avatar
dzafer
gx
gx
Postovi: 2522
Pridružen: 21 Sep 2006, 13:13
Location: BIH SARAJEVO-ILIDŽA
Specialty: tv-multimedia

Re: CROWN CTV2003R Chassis ??? Mreza

Post napisao dzafer » 13 Feb 2009, 17:27

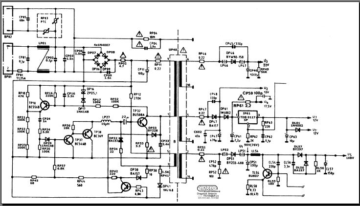
Cacko nadji sa neke shassije ispravnu mrezu i samo je tu uglavi
pogledaj jedan primjer :mrgreen:
Prilog
uni mreza.jpg
uni mreza.jpg (26.13 KiB) Pregledano 1074 puta.
džale
Bez alata nema zanata, a bez znanja ni najbolji alat neće pomoći.

Avatar
cacko85
gx
gx
Postovi: 1746
Pridružen: 03 Dec 2008, 17:51
Location: Macedonia
Contact person: Slavche
Specialty: tv-multimedia
Lokacija: Sveti Nikole
Kontakt:

Re: CROWN CTV2003R Chassis ??? Mreza

Post napisao cacko85 » 13 Feb 2009, 17:41

Kolega meni fali samo gorenavedeni otpornika R122,121,120 zasto su jaglenisane, mislim da nema potreba od takve BUDZ....
Ako niko ne zna sta vrednosti su malo cu eksperemntirati :mrgreen: neke boje se malo vide .... :oklagija
sijalica ce pomaze da ne rikne nesta :)
www.facebook.com/slavceelectronics

Avatar
Stolle
Preminuo
Postovi: 19098
Pridružen: 12 Avg 2006, 23:35
Location: Srbija
Specialty: tv-multimedia
Lokacija: Dimitrovgrad

Re: CROWN CTV2003R Chassis ??? Mreza

Post napisao Stolle » 13 Feb 2009, 18:03

A da nije BUT11 plus TRI tranzistora?
Prilog
1.jpg
"29 poslednjih dana u mesecu je najteže"

Avatar
cacko85
gx
gx
Postovi: 1746
Pridružen: 03 Dec 2008, 17:51
Location: Macedonia
Contact person: Slavche
Specialty: tv-multimedia
Lokacija: Sveti Nikole
Kontakt:

Re: CROWN CTV2003R Chassis ??? Mreza

Post napisao cacko85 » 13 Feb 2009, 18:19

Stolle jos nisam zaboravio da broim :mrgreen:
4 + BUT11 su
:pivopije:
www.facebook.com/slavceelectronics

Avatar
dzafer
gx
gx
Postovi: 2522
Pridružen: 21 Sep 2006, 13:13
Location: BIH SARAJEVO-ILIDŽA
Specialty: tv-multimedia

Re: CROWN CTV2003R Chassis ??? Mreza

Post napisao dzafer » 13 Feb 2009, 18:42

evo jedne sa 5 tr
vidi dali ima kakve slicnosti
Prilog
01.jpg
džale
Bez alata nema zanata, a bez znanja ni najbolji alat neće pomoći.

Avatar
cacko85
gx
gx
Postovi: 1746
Pridružen: 03 Dec 2008, 17:51
Location: Macedonia
Contact person: Slavche
Specialty: tv-multimedia
Lokacija: Sveti Nikole
Kontakt:

Re: CROWN CTV2003R Chassis ??? Mreza

Post napisao cacko85 » 13 Feb 2009, 20:05

@dzafer ni je ta mreza ne su uopste slicni ni primar ni sec..
Ali resio sam je ova, malo eksperiment malo se gledaju prve boje na otpora malo logika i radi :mrgreen: (R120-33oma/2W,R121-5oma/2W, R122-5oma/2W), ali sad ima novi kvar ne zaustavlja :m: ove kvarove najvise mrazim, probacu sa MFT za AFC ako ne pomaze ondak malo ce bidi tesko bez semu.
Hvala na svima sta su htele da pomazut
javljam za neke minute staa ke uradim sa zaustavljanje
:pivopije:

EDIT:
TV resen sve radi OK, malo TUNER,malo u MF hladnih lemovi i malo podesavanje MFT (T181) i zaustavanje je OK
:pivopije:
www.facebook.com/slavceelectronics

Odgovori
  • Slične teme
    Odgovori
    Pregledano
    Zadnji post

Natrag na “Servisiranje CRT Televizora”