TV GEC SQ2388 Chassis C41 Supra - Potrebna shema (RESENO)

problemi , kvarovi , sheme upload/download popravka CRT televizora
HOME -- SERVISERI -- EXPERT-TEAM -- DALJINSKI

Urednici: alexa_pg,KASA1

Pravila foruma
Naslov teme treba da bude u formatu: PROIZVOĐAČ, MODEL, KRATAK OPIS KVARA
Nakon rešenog kvara zatvoriti temu >> >UPUTSTVO< u suprotnom ništa ne činiti.

HOME -- SERVISERI -- DALJINSKI -- RAZNA UPUTSTVA
faca74
Udaljen sa foruma zbog nedoličnog ponašanja
Postovi: 155
Pridružen: 13 Okt 2006, 12:40
Location: Pivnice Vojvodina
Specialty: consumer
Lokacija: Pivnice Vojvodina

TV GEC SQ2388 Chassis C41 Supra - Potrebna shema (RESENO)

Post napisao faca74 » 14 Mar 2008, 14:37

Ako neko moze da mi kaze koja je to sasija ili mozda ako ima semu da okaci ovde na forum

Pozdrav...
Zadnja izmena: faca74, dana 15 Mar 2008, 12:53, ukupno menjano 2 puta.

Avatar
tom
gxu
gxu
Postovi: 2297
Pridružen: 23 Apr 2007, 20:01
Location: Strumica
Contact person: TOME
Specialty: tv
Lokacija: Makedonija

Post napisao tom » 14 Mar 2008, 15:09

Ako je do trafoa DCF2077A ,zamena je HR7455
TOME

faca74
Udaljen sa foruma zbog nedoličnog ponašanja
Postovi: 155
Pridružen: 13 Okt 2006, 12:40
Location: Pivnice Vojvodina
Specialty: consumer
Lokacija: Pivnice Vojvodina

Post napisao faca74 » 14 Mar 2008, 15:11

imam ja trafo nov sve sam izmenjao ali neradi tv kako treba ima jos smetnji u slici pa mi zato treba sema

Avatar
tom
gxu
gxu
Postovi: 2297
Pridružen: 23 Apr 2007, 20:01
Location: Strumica
Contact person: TOME
Specialty: tv
Lokacija: Makedonija

Post napisao tom » 14 Mar 2008, 15:28

Dali je ova sasija slicna tvojoj:

slika
Zadnja izmena: tom, dana 17 Mar 2008, 02:55, ukupno menjano 1 put.
TOME

Avatar
milan
Preminuo
Postovi: 4426
Pridružen: 19 Avg 2006, 22:38
Location: Novi Sad
Specialty: tv-multimedia

Post napisao milan » 14 Mar 2008, 15:29

faca74 je napisao: neradi tv kako treba ima jos smetnji u slici pa mi zato treba sema
Pokusaj da napises po izgledu chassis ciji je TV, i napisi koja ima IC kola
pa da se vidi sta ce se uklopiti.Kakve smetnje ima u slici?

faca74
Udaljen sa foruma zbog nedoličnog ponašanja
Postovi: 155
Pridružen: 13 Okt 2006, 12:40
Location: Pivnice Vojvodina
Specialty: consumer
Lokacija: Pivnice Vojvodina

Post napisao faca74 » 14 Mar 2008, 15:30

jeste to je ta sasija sa slike, tafo je probio normalno bu probio , izmenjao oko hisa elkice i buster blok stavio nov bu i trafo kad ono slika mutna i od gore je suzena ali ne ravna linija linija nego ukrivljena , ton normalan sve ostalo reaguje kako treba, kada merim napon posle trafoa mislim kada je pusten vn trafo imam mesto 103 volta 123 volta a sa sijalicom ima normalne napone od 103 v e sada dali onaj namotaj oko ferita na vn trafou ima neki fazon tj ja sam stavio 3 namotaja od parice za telefon sto se koriste takva je i na starom trafou bila.

faca74
Udaljen sa foruma zbog nedoličnog ponašanja
Postovi: 155
Pridružen: 13 Okt 2006, 12:40
Location: Pivnice Vojvodina
Specialty: consumer
Lokacija: Pivnice Vojvodina

Post napisao faca74 » 14 Mar 2008, 16:18

Nasao sam semu to je SUPRA STV 1452/2052 C500 SASIJA desava se jos i ovo da kada pokusavam namestiti fokus slika se zatamnjuje ili izbledjuje ali fokusa nigde, tj slika je zamucena totalno

Avatar
milan
Preminuo
Postovi: 4426
Pridružen: 19 Avg 2006, 22:38
Location: Novi Sad
Specialty: tv-multimedia

Post napisao milan » 14 Mar 2008, 16:27

faca74 je napisao:Nasao sam semu to je SUPRA STV 1452/2052 C500 SASIJA desava se jos i ovo da kada pokusavam namestiti fokus slika se zatamnjuje ili izbledjuje ali fokusa nigde, tj slika je zamucena totalno
Mozda sema odgovara ali po oznaci to nije za njega.
To je chassis C-41 SUPRA.
Proveri da li si zalemio izvod na trafou od potenciometara, po tom izvodu
znaju da se razlikuju novi od starih trafoa.

Avatar
tom
gxu
gxu
Postovi: 2297
Pridružen: 23 Apr 2007, 20:01
Location: Strumica
Contact person: TOME
Specialty: tv
Lokacija: Makedonija

Post napisao tom » 14 Mar 2008, 16:56

Isto posle crkavanja trafa cesto crknu i R438 (10k) i R415 (7k5)
PS.Kakav si trafo stavio :?:
TOME

faca74
Udaljen sa foruma zbog nedoličnog ponašanja
Postovi: 155
Pridružen: 13 Okt 2006, 12:40
Location: Pivnice Vojvodina
Specialty: consumer
Lokacija: Pivnice Vojvodina

Post napisao faca74 » 14 Mar 2008, 17:04

stavio sam dcf 2077 ali ne hr nego singapurska varijanta, taj otpor R 438 sam zamenio i odpor 7k5 ali stalno se isto ponasa razmazuje sliku a kod ga smanjujem na g2 onda u jednom trenutku se pojavi se nesto ostrija slika ali to nije , ekran je orion usko grlo da nije do ekrana mozda neznam ni sam regenerator mi nije tu nemogu ga meriti ali zabrinjavame i to sto je sa gornje strane slike slika izoblicena u vidu banane tj kriva linija a kad podesavam na scerrn ili fokus potenciometrima i ona jednom nestaje i pojavljuje se sve zavisi u kom su polozaju potenciometri

Stari trafo je probio bas na potenciometrima prema masi a musterija kaze pre nego sto je probio da se slika zamutila sto je i logicno kad tamo probije i iskrivila tj izoblicila sa gornje strane ekrana

Avatar
Stolle
Preminuo
Postovi: 19098
Pridružen: 12 Avg 2006, 23:35
Location: Srbija
Specialty: tv-multimedia
Lokacija: Dimitrovgrad

Post napisao Stolle » 14 Mar 2008, 17:16

Proveri podnožje ekrana.Otvori,raskopaj ako se ne otvara,tamo gde je focus i pogledaj da li je pocrnelo odnosno probilo.
"29 poslednjih dana u mesecu je najteže"

Avatar
milan
Preminuo
Postovi: 4426
Pridružen: 19 Avg 2006, 22:38
Location: Novi Sad
Specialty: tv-multimedia

Post napisao milan » 14 Mar 2008, 17:17

Slika hoce da se izoblici zbog otklonske jedinice koje crknu zajedno sa trafom.Da li si probao da zamenis (NA KRATKO VREME)krajeve zica koje si namotao na trafo?

faca74
Udaljen sa foruma zbog nedoličnog ponašanja
Postovi: 155
Pridružen: 13 Okt 2006, 12:40
Location: Pivnice Vojvodina
Specialty: consumer
Lokacija: Pivnice Vojvodina

Post napisao faca74 » 14 Mar 2008, 17:22

probao sam da promenim strane i onda je samo cvilio i nisam hteo duze da ga ostavljam plaseci se da ne crkne jos nesto

Avatar
tom
gxu
gxu
Postovi: 2297
Pridružen: 23 Apr 2007, 20:01
Location: Strumica
Contact person: TOME
Specialty: tv
Lokacija: Makedonija

Post napisao tom » 14 Mar 2008, 17:23

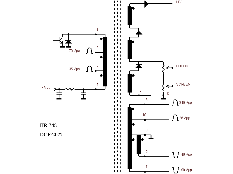
DCF2077 (bez A) je HR7481.
Proveri dali na L551(to treba da je na ploci CRT) imas 180 V
TOME

faca74
Udaljen sa foruma zbog nedoličnog ponašanja
Postovi: 155
Pridružen: 13 Okt 2006, 12:40
Location: Pivnice Vojvodina
Specialty: consumer
Lokacija: Pivnice Vojvodina

Post napisao faca74 » 14 Mar 2008, 17:33

zanimljivo da su svi naponi uredni po semi ali probacu da proverim i podnozje ekrana a ja sam stavio singapursku varijantu trafoa na trafou pise Daewoo DCF 2077 A ML i neki broj tamo jos, ai uoriginalu je isto bio dcf 2077 a

faca74
Udaljen sa foruma zbog nedoličnog ponašanja
Postovi: 155
Pridružen: 13 Okt 2006, 12:40
Location: Pivnice Vojvodina
Specialty: consumer
Lokacija: Pivnice Vojvodina

Post napisao faca74 » 14 Mar 2008, 18:00

Reseno podnozje je bilo u pitanju probilo je na masu ali dosada sam video svakakve zavrzlame ali ovo mi je prvi put da plastika podnozja provodi merio sam na 20 megaoma sa instrumenom i provodi ima neki odpor ali skinuto podnozje,

Hvala svima na podrsci ...

Avatar
milan
Preminuo
Postovi: 4426
Pridružen: 19 Avg 2006, 22:38
Location: Novi Sad
Specialty: tv-multimedia

Post napisao milan » 14 Mar 2008, 18:08

Evo i trafoi
Prilog
HR7455.gif
HR7455.gif (8.55 KiB) Pregledano 2097 puta.
HR7481.gif
HR7481.gif (8.51 KiB) Pregledano 2094 puta.

Avatar
Stolle
Preminuo
Postovi: 19098
Pridružen: 12 Avg 2006, 23:35
Location: Srbija
Specialty: tv-multimedia
Lokacija: Dimitrovgrad

Post napisao Stolle » 15 Mar 2008, 11:27

Nemoj da otvaraš novu temu za isti TV!


faca74 : Posle zamene podnozja ekrana tv radio normalno jedno 5 min i onda pocne da gubi boje tj treperi kao da je oscilator razdesen, zamenio TA7689AP ali isto , sta bi moglo biti , probao sam malo okretanje zavojnica u kolu oscilatora ali isto se ponasa neznam sta moze biti prekopao sam pola PAL-a ...
**************************
zozontv1 : Ispitaj da li bezi sa kanala (varikap napon, tjuner), Mf, AFC,
kristal 4,43Mhz, keramicki trimer-kondenzator.......uglavnom,
sve ono sto i kod drugih TV-a dovodi do gubitka boje.
****************************

faca74 : ne bezi s kanala sve je to uredu nego samo gubi boje menjao sam i kola 7698 i MC ono drugo gde i vodi pot za kontrolu boje ,pregledacu mf i sve u liniji sa PAL-om.

Neznam sta bi sve mogao trafo da osteti kada je probio , sa ovim televizorima nisam nikad imao nekih vecih problema uglavnom trafo se zameni i okolo par elemenata i tv normalno dalje radi.
*******************
tv servis goranovic : Da li ti gubi neku od boja ili ti ostane cisto crno bijela slika?
******************

faca74 : kad ga upalim jedno 5 sek ima sve boje normalno tek onda pocinje da gubi pojavljuje se boja i gubi a pojavljuju se i neke bele linijice u onom delu slike gde dolazi boja jer kad i izgubi boju boja se nevraca normalno nego iz tri dela na slici , ako me razumete i u tom delu gde se pojavi i nestaje boja ima i nekih smetnji u vidu povratnih linijica
******************
Nec : mislim da je do VN trafo-a(nekvalitetan) imali smo jedno vreme isti problem sa zamenom trafoa sod SAN (bila jedna pratka nekih kineskih trafoa) posle zamene desio se isti problem
probaj sa zamenom nekog polovnog
*************************
faca74 :
Neznam zasto bi bilo do trafoa jer slika i sve je normalna i kad izgubi boju i kad treperi , crno bela slika je ok nebezi sa kanala focus i svetlo sve je ok ostra slika ali jedino samo to sto gubi boju posle 5 sek rada prilikom paljenja.

Sad dali treba propratiti impuls sa vn prema detekciji za boje ili tome slicno mozda se impuls sa ovog trafoa razlikuje i zato stvara problem ali nisam siguran tacno na koju nozicu treba dovesti impuls na kolo TA7698AP
***********************
nec : mislim da je do impulsa sacekaj da malo potrazim(mislim da je impuls kod originalnog trafoa bio u pozitivnoj poluperiodi a kod novog obratno)
***********************
tv servis goranovic : Pregledaj da ti nije slucajno zica od fokusa lose ubodena ili da nije korozirala
*****************
nec : ovako slika i sve drugo kako si napisao je OK problem bi trebao biti oko pina 23(6,7V) na TA7698 koliki je kod tebe ovaj napon kad imas i kad nestane boje
**************************
faca74 : napon na tom pinu je 5.5 v i kada nestaje boja stalno je isti
"29 poslednjih dana u mesecu je najteže"

Avatar
milan
Preminuo
Postovi: 4426
Pridružen: 19 Avg 2006, 22:38
Location: Novi Sad
Specialty: tv-multimedia

Post napisao milan » 15 Mar 2008, 11:36

@Stolle moj post si obrisao evo ga ponovo.
Da li reaguje na trimer R412 (phase) i prekontrolisi C411 od 0.47mF
Nemoj da zaboravis da on ima i SECAM sistem
Prilog
PAL.jpg
PAL.jpg (102.85 KiB) Pregledano 2075 puta.

Avatar
Stolle
Preminuo
Postovi: 19098
Pridružen: 12 Avg 2006, 23:35
Location: Srbija
Specialty: tv-multimedia
Lokacija: Dimitrovgrad

Post napisao Stolle » 15 Mar 2008, 11:42

Celu drugu temu sam obrisao,verovatno je post stigao u međuvremenu....
Proveri i diode posle otpornika u ABL,hoće ponekad i zbog njih da nema boje.
"29 poslednjih dana u mesecu je najteže"

Odgovori
  • Slične teme
    Odgovori
    Pregledano
    Zadnji post

Natrag na “Servisiranje CRT Televizora”