TV CAJAVEC 556PS - Nema sliku (RESENO)
Pravila foruma
Naslov teme treba da bude u formatu: PROIZVOĐAČ, MODEL, KRATAK OPIS KVARA
Nakon rešenog kvara zatvoriti temu >> >UPUTSTVO< u suprotnom ništa ne činiti.
HOME -- SERVISERI -- DALJINSKI -- RAZNA UPUTSTVA
Naslov teme treba da bude u formatu: PROIZVOĐAČ, MODEL, KRATAK OPIS KVARA
Nakon rešenog kvara zatvoriti temu >> >UPUTSTVO< u suprotnom ništa ne činiti.
HOME -- SERVISERI -- DALJINSKI -- RAZNA UPUTSTVA
TV CAJAVEC 556PS - Nema sliku (RESENO)
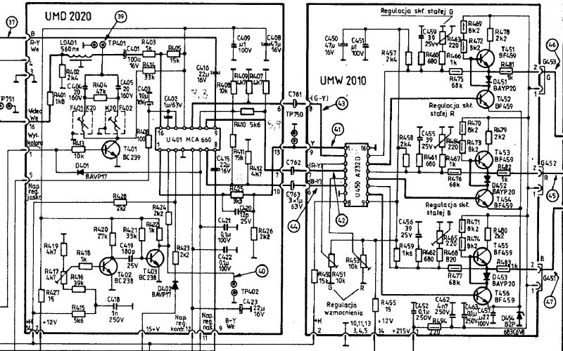
Ljudi treba mi ,ako neko ima,shema za ovaj TV iz naslova,jer bez nje su mi male sanse za opravku.Zapravo mozda uz vasu pomoc (mislim na profi majstore) .
TV ima ton,nema sliku,a ima osvetljen ekran sa nekim belim horizontalnim linijama sirine 2-3cm preko celog ekrana,potenciometri za osvetlj.,kontr. I boju ne reaguju.Zamenio sam RGB matricu A232D sa TDA2530 ali nista nisam dobio.Naponi na katodama su mali (nekoliko volti).
TV je bio kod mene nekoliko puta,menjao sam mu transistor u HIS-u,zatim TBA950x2…..
A na kraju nije imao crvenu boju I dok sam to gledao I probao mislim da sam negde dohvatio u RGB-u srafcigerom (?!?!) I desio se ovaj kvar.Trebalo bi se ovakvih stvari ,verovatno,stideti ali ipak mislim da moze svaki detalj da pomogne u otklanjanju kvara.
Unapred hvala. andro79
Email: andro79@nadlanu.com Pozdrav
TV ima ton,nema sliku,a ima osvetljen ekran sa nekim belim horizontalnim linijama sirine 2-3cm preko celog ekrana,potenciometri za osvetlj.,kontr. I boju ne reaguju.Zamenio sam RGB matricu A232D sa TDA2530 ali nista nisam dobio.Naponi na katodama su mali (nekoliko volti).
TV je bio kod mene nekoliko puta,menjao sam mu transistor u HIS-u,zatim TBA950x2…..
A na kraju nije imao crvenu boju I dok sam to gledao I probao mislim da sam negde dohvatio u RGB-u srafcigerom (?!?!) I desio se ovaj kvar.Trebalo bi se ovakvih stvari ,verovatno,stideti ali ipak mislim da moze svaki detalj da pomogne u otklanjanju kvara.
Unapred hvala. andro79
Email: andro79@nadlanu.com Pozdrav
Zadnja izmena: andro79, dana 25 Dec 2008, 15:29, ukupno menjano 1 put.
Nisam jos nista uradio,osim ako ...
mozda da se zameni MCA660 ili je u pitanju to sto nijeTDA2532,ja sam stavioTDA2530 (po ECA '98 to je to)
Juce sam pokusavao da nastelujem neki B20 i odvrtacem gurnem malo jae i ploca RGB-a se malo izvadi i dobije se isto to-(beo ekran) ih kad mi puce film
ali samo se izvukao kontakt za masu i jedan ulaz za boju,
a ovo . . . .NE ZNAM?!?!
mozda da se zameni MCA660 ili je u pitanju to sto nijeTDA2532,ja sam stavioTDA2530 (po ECA '98 to je to)
Juce sam pokusavao da nastelujem neki B20 i odvrtacem gurnem malo jae i ploca RGB-a se malo izvadi i dobije se isto to-(beo ekran) ih kad mi puce film
a ovo . . . .NE ZNAM?!?!
- majstordaca
- _

- Postovi: 79
- Pridružen: 17 Avg 2007, 02:52
- Location: Srpska Crnja
- Specialty: tv-multimedia
- majstordaca
- _

- Postovi: 79
- Pridružen: 17 Avg 2007, 02:52
- Location: Srpska Crnja
- Specialty: tv-multimedia
-
- Slične teme
- Odgovori
- Pregledano
- Zadnji post
-
-
rudi cajavec 356ps nema slike ima ton
napisao DZoni » 19 Avg 2012, 21:57 » u Servisiranje CRT Televizora - 4 Odgovori
- 1280 Pregledano
-
Zadnji post napisao DZoni
26 Avg 2012, 22:27
-
-
-
TP/RUDI CAJAVEC TV KVAR SA NAPOJNIM MODULOM
napisao Thunderr » 13 Feb 2018, 01:11 » u Servisiranje CRT Televizora - 66 Odgovori
- 22287 Pregledano
-
Zadnji post napisao Thunderr
29 Feb 2020, 22:57
-
-
-
tv teletech ctv2140tx chassis 3y11 nema sliku i ton RESENO
napisao milivojsa » 05 Jul 2009, 15:40 » u Servisiranje CRT Televizora - 10 Odgovori
- 2650 Pregledano
-
Zadnji post napisao milivojsa
09 Jul 2009, 09:58
-
-
-
TV SAMSUNG CKH1TR gubi sliku RESENO
napisao sinisa » 10 Sep 2009, 16:24 » u Servisiranje CRT Televizora - 9 Odgovori
- 1951 Pregledano
-
Zadnji post napisao sinisa
11 Sep 2009, 18:40
-
-
-
ELIT 25ST06A sužava sliku po vertikali "RESENO"
napisao seha » 06 Jun 2010, 13:54 » u Servisiranje CRT Televizora - 5 Odgovori
- 1346 Pregledano
-
Zadnji post napisao seha
07 Jun 2010, 19:32
-
-
-
TV Imperial 70dx95 - zatamnjuje sliku (Rešeno)
napisao viktel » 22 Jun 2010, 11:01 » u Servisiranje CRT Televizora - 3 Odgovori
- 949 Pregledano
-
Zadnji post napisao viktel
22 Jun 2010, 13:49
-
-
- 2 Odgovori
- 872 Pregledano
-
Zadnji post napisao integralpk
03 Feb 2011, 21:45
-
-
GRUNDIG,CUC3400,GUBI SLIKU I TON(RESENO)
napisao zoran@radivojevic » 03 Mar 2011, 00:41 » u Servisiranje CRT Televizora - 4 Odgovori
- 1299 Pregledano
-
Zadnji post napisao zoran@radivojevic
04 Mar 2011, 23:39
-



