TV VIVAX 1400NF - Nema plave boje riješeno
Pravila foruma
Naslov teme treba da bude u formatu: PROIZVOĐAČ, MODEL, KRATAK OPIS KVARA
Nakon rešenog kvara zatvoriti temu >> >UPUTSTVO< u suprotnom ništa ne činiti.
HOME -- SERVISERI -- DALJINSKI -- RAZNA UPUTSTVA
Naslov teme treba da bude u formatu: PROIZVOĐAČ, MODEL, KRATAK OPIS KVARA
Nakon rešenog kvara zatvoriti temu >> >UPUTSTVO< u suprotnom ništa ne činiti.
HOME -- SERVISERI -- DALJINSKI -- RAZNA UPUTSTVA
-
dane
- gx

- Postovi: 370
- Pridružen: 02 Apr 2007, 16:38
- Location: Hrvatska
- Contact person: Dane
- Specialty: tv-multimedia
- Lokacija: cro
TV VIVAX 1400NF - Nema plave boje riješeno
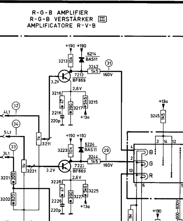
problem nema plave boje neispravan tranzistor bf422 koji se nalazi na rgb pločici na ekranu kada sam ga zamjenio dobio sam plavu boju ali nakon 2 sata ponovo izgorio isti tranzistor pomozite stavio sam jače tranzistore bf 869
Zadnja izmena: dane, dana 13 Jan 2008, 10:29, ukupno menjano 1 put.
Dane
- SaleSk
- ___

- Postovi: 656
- Pridružen: 04 Nov 2006, 21:08
- Location: Skopje
- Warranty service: Siemens, Konica Minolta, Kodak, B Braun, Dade Behring, Johnson & Johnson, Drew, TerumoBCT
- Kontakt:
a mozda i kvalitet tranzistora???
Nije lose radi probe da skines tranzistor sa zelene ili crvene, i da postavis na mesto gde ja plava boja, a na zelenoj ili crvenoj stavis novi tr pa da vidis sta ce da se desi....
Nije lose radi probe da skines tranzistor sa zelene ili crvene, i da postavis na mesto gde ja plava boja, a na zelenoj ili crvenoj stavis novi tr pa da vidis sta ce da se desi....
Dusevni bolesnik nikada ne napada bez razloga. U tome se razlikuje od normalnih ljudi.
A što ne pokušaš da ubaciš tri diode izmedju kolektora rgb tranzistora i njihovog napajanja (čija je i inače uloga da štite tranzistore od varničenja ekrana) kao što je to ranije bilo radjeno na skoro svim šasijama a u zadnje vreme to gotovo niko i ne radi. Primer philips k-40:
- Prilog
-
- RGB_K40.gif (66.19 KiB) Pregledano 1860 puta.
Bas kod tih Vivaxa (usput, po mom misljenju poticu od najgoreg kineskog proizvodjaca -> citaj veliko smece) su cesto izrazeni problemi na RGB-u. Ako nije problem sam ekran, kao sto su kolege vec naveli, obavezno stavi neke strujno jace tranzistore, ili tranzistore sa hladnjakom jer su ti RGB-i po defaultu poddimenzionirani i jos napravljeni sa kvalitativno vrlo losim tranzistorima. Provjeri napon za napajanje RGB-a. Ako nije do ekrana zamijeni sve tranzistore u RGB-u ako ne zelis da ti se za 15 dana ne vrati sa pregorenim tr na crvenoj ili zelenoj boji.
pozdrav
pozdrav
- tv servis goranovic
- ___

- Postovi: 204
- Pridružen: 22 Avg 2007, 19:40
- Lokacija: Niksic
-
- Slične teme
- Odgovori
- Pregledano
- Zadnji post
-
-
TV PHILIPS Chassis FL226 (FL2.26) - Nema boje (RIJEŠENO)
napisao zli_vuk » 11 Jan 2008, 18:54 » u Servisiranje CRT Televizora - 9 Odgovori
- 1745 Pregledano
-
Zadnji post napisao zli_vuk
14 Jan 2008, 22:17
-
-
-
TV BLAUPUNKT Chassis FM10030 - Nema boje (RIJEŠENO)
napisao robert » 21 Apr 2008, 10:21 » u Servisiranje CRT Televizora - 10 Odgovori
- 1872 Pregledano
-
Zadnji post napisao raiders
28 svi 2009, 22:31
-
-
-
KAMACROWN K3820 Kasni s pojavljivanjem boje -RIJEŠENO
napisao marty123 » 03 svi 2010, 12:19 » u Servisiranje CRT Televizora - 12 Odgovori
- 1893 Pregledano
-
Zadnji post napisao toce
16 Avg 2011, 16:40
-
-
-
TV GRUNDIG STF72-2010/8 Chassis BEKO 222 - Boje (REŠENO)
napisao fatk » 09 Nov 2008, 13:06 » u Servisiranje CRT Televizora - 14 Odgovori
- 2636 Pregledano
-
Zadnji post napisao vlatkocopa
12 Nov 2008, 21:40
-
-
-
SHARP 51AT15S gasi se, nestaje boje
napisao marty123 » 23 Apr 2010, 16:43 » u Servisiranje CRT Televizora - 5 Odgovori
- 1303 Pregledano
-
Zadnji post napisao nessha
23 Okt 2010, 19:14
-
-
-
Infiniti PH02 - mutna slika(dugine boje)-RESENO
napisao majstorr » 14 svi 2011, 22:24 » u Servisiranje CRT Televizora - 24 Odgovori
- 3734 Pregledano
-
Zadnji post napisao majstorr
21 svi 2011, 14:50
-
-
-
Panasonic TX32PK25P nema crvene boje
napisao BIKICA » 18 Sep 2011, 20:58 » u Servisiranje CRT Televizora - 5 Odgovori
- 1163 Pregledano
-
Zadnji post napisao BIKICA
24 Sep 2011, 06:17
-
-
-
Fox 29F05 Nema Slike,Dugine boje-INFO
napisao banertd » 06 Apr 2012, 21:09 » u Servisiranje CRT Televizora - 2 Odgovori
- 1537 Pregledano
-
Zadnji post napisao banertd
04 Feb 2013, 16:02
-


