Samsung CK21S4TB S15A - Posle nekoliko minuta pocne da pali/gasi sliku (zvuk ne prekida)
Pravila foruma
Naslov teme treba da bude u formatu: PROIZVOĐAČ, MODEL, KRATAK OPIS KVARA
Nakon rešenog kvara zatvoriti temu >> >UPUTSTVO< u suprotnom ništa ne činiti.
HOME -- SERVISERI -- DALJINSKI -- RAZNA UPUTSTVA
Naslov teme treba da bude u formatu: PROIZVOĐAČ, MODEL, KRATAK OPIS KVARA
Nakon rešenog kvara zatvoriti temu >> >UPUTSTVO< u suprotnom ništa ne činiti.
HOME -- SERVISERI -- DALJINSKI -- RAZNA UPUTSTVA
Samsung CK21S4TB S15A - Posle nekoliko minuta pocne da pali/gasi sliku (zvuk ne prekida)
FIRMA:Samsung
MODEL:CK21S4TB
CHASSIS: S15A
MCU(procesor): SAA5531PS
HORIZONTALA: C5386
VERTIKALA: TDA8356
SMPS (mreža):5Q0765RT
***************************************
DETALJAN OPIS KVARA i PREDUZETE RADNJE:
Tv je dosao sa kvarovima da posle nekoliko minuta rada pocne da pali/gasi sliku dok je ton uvek prisutan, horizontalne RGB linije u gornjem delu ekrana i malo losijom slikom. Zamenjeni su losi elektroliti u mrezi, vertikali, horizontali cak i na crt plocici, prelemljeni su losi spojevi kao i vertikala, his, fbt, crt plocica. Reseni su problemi sa losijom slikom i RGB linijama u gornjem delu ekrana ali je idalje ostao problem sa paljenjem/gasenjem slike posle nekoliko minuta rada.
MODEL:CK21S4TB
CHASSIS: S15A
MCU(procesor): SAA5531PS
HORIZONTALA: C5386
VERTIKALA: TDA8356
SMPS (mreža):5Q0765RT
***************************************
DETALJAN OPIS KVARA i PREDUZETE RADNJE:
Tv je dosao sa kvarovima da posle nekoliko minuta rada pocne da pali/gasi sliku dok je ton uvek prisutan, horizontalne RGB linije u gornjem delu ekrana i malo losijom slikom. Zamenjeni su losi elektroliti u mrezi, vertikali, horizontali cak i na crt plocici, prelemljeni su losi spojevi kao i vertikala, his, fbt, crt plocica. Reseni su problemi sa losijom slikom i RGB linijama u gornjem delu ekrana ali je idalje ostao problem sa paljenjem/gasenjem slike posle nekoliko minuta rada.
- nec
- Site Admin

- Postovi: 4870
- Pridružen: 17 Okt 2007, 22:15
- Location: Makedonija, Strumica
- Phone number: 0038978425778
- Specialty: tv-multimedia
- Kontakt:
Re: Samsung CK21S4TB S15A - Posle nekoliko minuta pocne da pali/gasi sliku (zvuk ne prekida)
Ekran "odradio" svoje 
Kad zamenimo ideje svi imamo duplo vise ideja
- Stolle
- Preminuo
- Postovi: 19098
- Pridružen: 12 Avg 2006, 23:35
- Location: Srbija
- Specialty: tv-multimedia
- Lokacija: Dimitrovgrad
Re: Samsung CK21S4TB S15A - Posle nekoliko minuta pocne da pali/gasi sliku (zvuk ne prekida)
Kad ima sliku, valja li? Ako je dobra, da ima smisla, da uradiš prepravku.
"29 poslednjih dana u mesecu je najteže"
Re: Samsung CK21S4TB S15A - Posle nekoliko minuta pocne da pali/gasi sliku (zvuk ne prekida)
@Stolle Ok je slika.
Povecao sam UG2 i zamenio elko 250V 10uF pored FBT i sad se retko desava da trepne.
Povecao sam UG2 i zamenio elko 250V 10uF pored FBT i sad se retko desava da trepne.
- Stolle
- Preminuo
- Postovi: 19098
- Pridružen: 12 Avg 2006, 23:35
- Location: Srbija
- Specialty: tv-multimedia
- Lokacija: Dimitrovgrad
Re: Samsung CK21S4TB S15A - Posle nekoliko minuta pocne da pali/gasi sliku (zvuk ne prekida) * REŠENO *
Ovo treba da ugradiš. BLC na RGB pločici presečeš.
"29 poslednjih dana u mesecu je najteže"
- alexa_pg
- Site Admin

- Postovi: 6119
- Pridružen: 22 Avg 2006, 08:10
- Location: Podgorica
- Specialty: tv-multimedia
Re: Samsung CK21S4TB S15A - Posle nekoliko minuta pocne da pali/gasi sliku (zvuk ne prekida)
Kao što rekoše kolege. Ekran je odradio svoje. Jedino rešenje je ovo što je Stole predložio.
"I ja volim ljude ali ih sve manje podnosim"
Re: Samsung CK21S4TB S15A - Posle nekoliko minuta pocne da pali/gasi sliku (zvuk ne prekida)
@Stolle To nisam nikad radio. Jel nije problem da mi malo vise pojasnite gde to treba da odradim?
- Stolle
- Preminuo
- Postovi: 19098
- Pridružen: 12 Avg 2006, 23:35
- Location: Srbija
- Specialty: tv-multimedia
- Lokacija: Dimitrovgrad
Re: Samsung CK21S4TB S15A - Posle nekoliko minuta pocne da pali/gasi sliku (zvuk ne prekida)
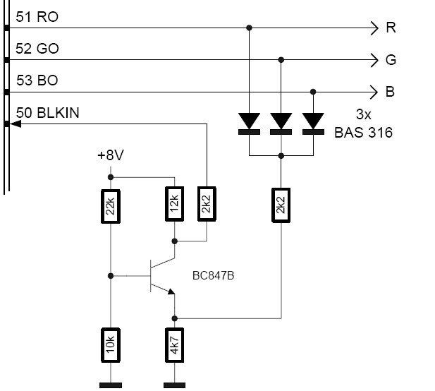
Prosto je. Prvo sastavi ovo na nekoj maloj pločici sa SMD komponentama najbolje. Na procesoru imaš istim redom ove tačke, RGB i BL. I ovo zalemiš tamo.
8V vežeš, normalno, na 8V tu blizu ima pored procesora, naći ćeš. I masu. A na RGB pločici samo presečeš žicu BL.
Evo kradem Tomovu sliku. Kod tebe možda nije isti procesor, ali nema veze, RGB, BL tačke su iste.
8V vežeš, normalno, na 8V tu blizu ima pored procesora, naći ćeš. I masu. A na RGB pločici samo presečeš žicu BL.
Evo kradem Tomovu sliku. Kod tebe možda nije isti procesor, ali nema veze, RGB, BL tačke su iste.
"29 poslednjih dana u mesecu je najteže"
Re: Samsung CK21S4TB S15A - Posle nekoliko minuta pocne da pali/gasi sliku (zvuk ne prekida)
@Stolle Odradjeno i sve radi korektno. Probao sam tv u radu kao i pri startu posle par sati nakon iskljucivanja. Veliko hvala!
Zadnja izmena: Stefan7, dana 11 Okt 2020, 20:31, ukupno menjano 3 puta.
- Stolle
- Preminuo
- Postovi: 19098
- Pridružen: 12 Avg 2006, 23:35
- Location: Srbija
- Specialty: tv-multimedia
- Lokacija: Dimitrovgrad
Re: Samsung CK21S4TB S15A - Posle nekoliko minuta pocne da pali/gasi sliku (zvuk ne prekida)
"29 poslednjih dana u mesecu je najteže"
-
- Slične teme
- Odgovori
- Pregledano
- Zadnji post
-
-
TV SAMSUNG CK21S4TB Chassis S15A - Ne zaustavlja (INFO)
napisao OSKAR » 13 Dec 2008, 16:53 » u Servisiranje CRT Televizora - 0 Odgovori
- 1279 Pregledano
-
Zadnji post napisao OSKAR
13 Dec 2008, 16:53
-
-
-
TV SAMSUNG CK21S4TB Chassis S15A - nece upali
napisao sacma » 17 Apr 2011, 13:06 » u Servisiranje CRT Televizora - 6 Odgovori
- 2006 Pregledano
-
Zadnji post napisao zilebukovac
18 svi 2011, 12:31
-
-
-
Teletech CTV2140TX - Gasi visoki napon (pali/gasi sliku a sa njom i ton) [ODUSTAO]
napisao Stefan7 » 09 Dec 2017, 23:55 » u Servisiranje CRT Televizora - 4 Odgovori
- 2691 Pregledano
-
Zadnji post napisao alexa_pg
24 Dec 2017, 00:16
-
-
-
Teletech CTV2140T - Gasi visoki napon (pali/gasi sliku a sa njom i ton)
napisao Stefan7 » 01 Avg 2018, 00:01 » u Servisiranje CRT Televizora - 9 Odgovori
- 4680 Pregledano
-
Zadnji post napisao rale
11 Sep 2018, 14:05
-
-
-
LG, MC019A - pali/gasi sliku na uvijanje ploce, RGB linije na vrhu [ODUSTAO]
napisao Stefan7 » 12 Jan 2020, 11:14 » u Servisiranje CRT Televizora - 11 Odgovori
- 5057 Pregledano
-
Zadnji post napisao majstorr
19 Jan 2020, 17:07
-
-
-
TV LIFETEC LT3700 - Gasi se, prekida (RESENO)
napisao agatel » 14 Apr 2008, 15:49 » u Servisiranje CRT Televizora - 5 Odgovori
- 1136 Pregledano
-
Zadnji post napisao agatel
15 Apr 2008, 15:57
-
-
-
TV SAMSUNG CB5073T Chassis S15A (INFO)
napisao antalj » 28 Apr 2008, 19:24 » u Servisiranje CRT Televizora - 3 Odgovori
- 1288 Pregledano
-
Zadnji post napisao tom
29 Apr 2008, 20:07
-
-
-
Samsung CB5073T S15A povratne linije (RESENO)
napisao kele » 28 Okt 2009, 18:44 » u Servisiranje CRT Televizora - 18 Odgovori
- 3134 Pregledano
-
Zadnji post napisao kele
31 Okt 2009, 11:25
-

