Grundig 70 Sedance 2010 text Beko 22.2 TDA16846 mreza - ODUSTAO
Pravila foruma
Naslov teme treba da bude u formatu: PROIZVOĐAČ, MODEL, KRATAK OPIS KVARA
Nakon rešenog kvara zatvoriti temu >> >UPUTSTVO< u suprotnom ništa ne činiti.
HOME -- SERVISERI -- DALJINSKI -- RAZNA UPUTSTVA
Naslov teme treba da bude u formatu: PROIZVOĐAČ, MODEL, KRATAK OPIS KVARA
Nakon rešenog kvara zatvoriti temu >> >UPUTSTVO< u suprotnom ništa ne činiti.
HOME -- SERVISERI -- DALJINSKI -- RAZNA UPUTSTVA
Grundig 70 Sedance 2010 text Beko 22.2 TDA16846 mreza - ODUSTAO
CRT TV
FIRMA: Grundig
MODEL: Grundig 70 Sedance 2010 text
CHASSIS: Grundig - Beko 22.2
***************************************
SIMPTOMI:
TV je po pozivu bio sa kvarom linija po vertikali,ali je pri preuzimanju imao problem da se upali.
DETALJAN OPIS KVARA i PREDUZETE RADNJE:
Ukljucen i nista.Tv je ispitivan bez komandi sa diodom da napomenem,prvobitno sa ukljucenom komandom dioda blinka non stop,ali modul nije skidan i ostao je u kucistu tv-a.Samo sasija bez prednjih komandi pokazuje napon na mreznom elku koji varira od 309-312V,osigurac ceo,napon B+ izlazi do 110-tak V i seta oko 5-10V,na nakacenu sijalicu na HIS ona ne sija.Kvar sto se tice linije je bio R516 u prekidu -par oma sto je verovatno bio uzrok linije ali mreza ne moze da staruje iz nekih razloga.Oko TDA 16846 sve ispitano sem kola koje nemam,otpori pored TDA kao na semi,kondenzatori ok,takodje FET T601 ok.TL 431 zamenjen novim Optookapler ok......Od sitnih SMD delova deluju u redu,lici da nista nije gorelo ali nesto blokira rad mreze.Ima li neko neki savet,ali bez UNI mreze koju takodje nemam,da suzim bar malo pretragu,ili sta da otkacim da barem mrezu dovedem u red pa da gledam dalje.Ovo je gratis popravka pa ne bih da kupujem delove vec da pomognem bez nekih daljih upustanja u vece kupovine..........hvala unapred za bilo kakav savet...
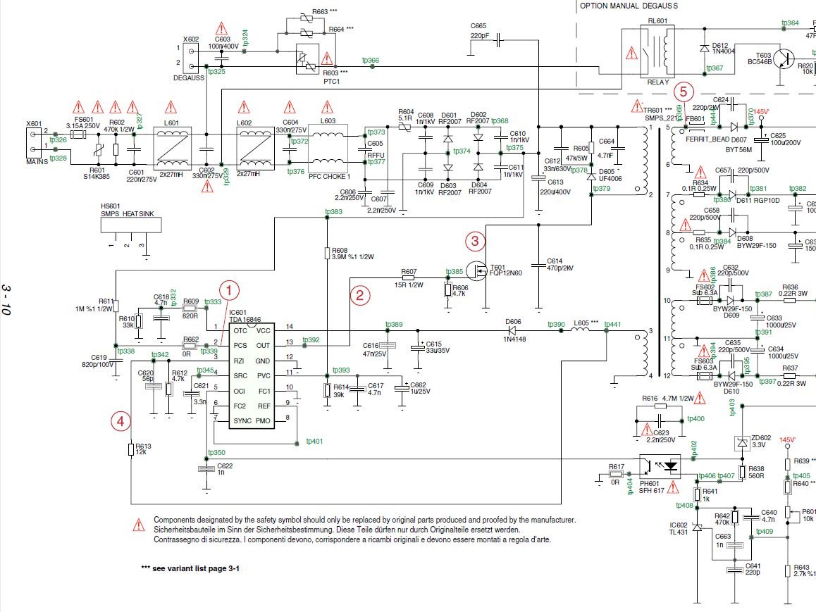
Sema u prilogu
FIRMA: Grundig
MODEL: Grundig 70 Sedance 2010 text
CHASSIS: Grundig - Beko 22.2
***************************************
SIMPTOMI:
TV je po pozivu bio sa kvarom linija po vertikali,ali je pri preuzimanju imao problem da se upali.
DETALJAN OPIS KVARA i PREDUZETE RADNJE:
Ukljucen i nista.Tv je ispitivan bez komandi sa diodom da napomenem,prvobitno sa ukljucenom komandom dioda blinka non stop,ali modul nije skidan i ostao je u kucistu tv-a.Samo sasija bez prednjih komandi pokazuje napon na mreznom elku koji varira od 309-312V,osigurac ceo,napon B+ izlazi do 110-tak V i seta oko 5-10V,na nakacenu sijalicu na HIS ona ne sija.Kvar sto se tice linije je bio R516 u prekidu -par oma sto je verovatno bio uzrok linije ali mreza ne moze da staruje iz nekih razloga.Oko TDA 16846 sve ispitano sem kola koje nemam,otpori pored TDA kao na semi,kondenzatori ok,takodje FET T601 ok.TL 431 zamenjen novim Optookapler ok......Od sitnih SMD delova deluju u redu,lici da nista nije gorelo ali nesto blokira rad mreze.Ima li neko neki savet,ali bez UNI mreze koju takodje nemam,da suzim bar malo pretragu,ili sta da otkacim da barem mrezu dovedem u red pa da gledam dalje.Ovo je gratis popravka pa ne bih da kupujem delove vec da pomognem bez nekih daljih upustanja u vece kupovine..........hvala unapred za bilo kakav savet...
Sema u prilogu
Zadnja izmena: baracuda, dana 30 Okt 2018, 20:54, ukupno menjano 1 put.
- Ribery
- gx

- Postovi: 664
- Pridružen: 28 Okt 2008, 20:21
- Location: Beograd
- Contact person: Darko
- Specialty: tv-multimedia
- Lokacija: Beograd-Zvezdara
- Kontakt:
Re: Grundig TDA16846 mreza
Ovakvi televizori se ne popravljaju gratis jer delovi za ovu mrezu nisu jeftini a pomocu stapa i kanapa ne mozes da popravis ovakav TV.Kako znas da ti je kolo TDA16846 potpuno ispravno? Napon na mreznom elku ne sme da varira nego mora da bude stabilan. Raskaci sekundar mreze pa vidi da li ti je napon na mreznom elku stabilan tada. Proveri detaljno i sve otpornike i hladne lemove u primaru mreze i oko optokaplera i TL431.
Posao TV servisera moras da volis da bi radio takav posao. Ovaj posao niko ne uci samo zbog novca.
Re: Grundig TDA16846 mreza
Na pinu 14 kola 16486 u povratnoj sprezi sa treceg namotaja mreznog transformatora VCC varira oko 13-15V.U sekundarnom delu kola nema +/- 15 V-da li je ovih 15V-tacka 10 isto kao 15V od drugog namotaja -tacka 7 trafoa jer se ne vidi na slici-da li unosi nestabilnost sa tih grana ?Ono sto me interesuje je koliko treba da bude VCC na ovom pinu?Odspojena je zavojnica L604 na B+ i i dalje ima oko varirajucih 110V,i varira par volti napon na mreznom elku.Sve komponente deluju sem kola ispravno(ili jos nisam nasao neispravnu) ,ali zbog povratne sprege ne mogu da odspojim delove kola jer ne moze da radi.Ideja mi je bila da suzim na jedan od napona-jednu granu koja vuce vise i eventualno njegove potrosace.Otkaceni su R608 i R611 na mreznom elku je stabilnih 313V-rad bez kola.Ako je sve ovo ispravno kupicu kolo...
- Ribery
- gx

- Postovi: 664
- Pridružen: 28 Okt 2008, 20:21
- Location: Beograd
- Contact person: Darko
- Specialty: tv-multimedia
- Lokacija: Beograd-Zvezdara
- Kontakt:
Re: Grundig TDA16846 mreza
Problem je definitivno u sekundaru mreze ili povratnoj sprezi po onome kako si opisao i ako imas stabilan napon na mreznom elku. Krenuo bih sa zamenom kola.
Posao TV servisera moras da volis da bi radio takav posao. Ovaj posao niko ne uci samo zbog novca.
Re: Grundig TDA16846 mreza
Nisam bio u mogucnosti da se posvetim ovome par dana,kupljeno je kolo i situacija je ista,preletovane su sve smd komponente oko kola,zamenjen C621 3,3nf jer je bio sumnjiv-napukao lem,zamenjen optokapler,otkacen LD1086 na grani +15V da ne ide dalje-isto,zamenjen je jedan po jedan LM317,i ukljucivan pre zamene da se vidi da li unosi potrese u mrezu i desava se isto,zamenjen TL431 sa novim -isto.Jos malo vremena cu da odvojim za ovo ali ne znam sta vise da odspojim.Sta na semi treba da se odspoji da bih ukljucio samo primar i uzak deo sekundara da daje samo osnovne napone,da lokalizujem na minimalni deo ploce.......svaki savet dobrodosao jer ocigledno nesto ne vidim,ili sam odspajao deo po deo pa nisam video celu sliku....
- Ribery
- gx

- Postovi: 664
- Pridružen: 28 Okt 2008, 20:21
- Location: Beograd
- Contact person: Darko
- Specialty: tv-multimedia
- Lokacija: Beograd-Zvezdara
- Kontakt:
Re: Grundig TDA16846 mreza
To ne mozes tako da odspojis kao sto kazes. Imas li stabilnih 3,3 V na elektrolitskim kondenzatorima C647 i C649?
Posao TV servisera moras da volis da bi radio takav posao. Ovaj posao niko ne uci samo zbog novca.
Re: Grundig TDA16846 mreza
Nema,sve seta a na ulazu LM 317 na oba stabilizatora se menja napon od 10-14V isto kao na kolu TDA16846,mrezni od 310-314V.Probao sam da skinem split trafo i bez njega ukljucio da vidim sta se desava-isto,ali nikako ne mogu da lokalizujem da skidanjem komponente stablilizujem napon.Ostavljao sam sve delove da rade koji su deo povratne sprege a skidao samo onaj "visak" koji nije potreban za stvaranje napona iza mreznog trafoa.Skinuto je audio kolo TDA 7297 jer i iz njega ide STAND BY ,naponi su se smirili malo ali i dalje setaju.Napon -15V nemam uopste pa sam pomislio da da ne svlaci ovo kolo.Ovde je sve sa svim vezano pa je nemoguce pratiti celu plocu.Napon na vertikalnom cipu ne postoji i ne postoji +45V kada je sve ukljuceno,pa sam zato skidao i njega jer se dobija +/- 14V sa VN trafoa.Sve sam misljenja da nije nesto na liniji EW drive posto je prvobitno otpor otkazao ali nisam nista uspeo da nadjem neispravno.Jos malo cu da se pozabavim a ako nista neka se prijatelj obrati iskusnijem od mene.
- alexa_pg
- Site Admin

- Postovi: 6029
- Pridružen: 22 Avg 2006, 08:10
- Location: Podgorica
- Specialty: tv-multimedia
Re: Grundig TDA16846 mreza
Ako je TV aparat imao vertikalnu liniju na pocetku price a kasnije nije htio da se ukljuci, prvo bih provjerio da sam sebi nisi napravio neku gresku, bilo spajanjem veza prilikom lemljenja ili pogresnim spajanjem konektora.
Kod primarne strane obavezno provjeri kondenzatore C615 i C662, zatim diodu D606 i prigusnicu L605.
Na sekundarnoj strani ne smijes da iskljucujes +145V i +7V. Sve ostalo mozes dici u vazduh.
Umjesto liniskog izlaza na C626 prikaci vjestacko opterecenje,
100W.
Otpornike R636 i R 637 slobodno otkaci i tu moras imati +/- 15V.
Provjeriti kolo stabilizacije napona koje cini PH601, IC602 sa pretecim pasivnim komponentama.
Ako ni nakon ovoga aparat ne proradi, onda
Kod primarne strane obavezno provjeri kondenzatore C615 i C662, zatim diodu D606 i prigusnicu L605.
Na sekundarnoj strani ne smijes da iskljucujes +145V i +7V. Sve ostalo mozes dici u vazduh.
Umjesto liniskog izlaza na C626 prikaci vjestacko opterecenje,
Otpornike R636 i R 637 slobodno otkaci i tu moras imati +/- 15V.
Provjeriti kolo stabilizacije napona koje cini PH601, IC602 sa pretecim pasivnim komponentama.
Ako ni nakon ovoga aparat ne proradi, onda
...neka se prijatelj obrati iskusnijem...
"I ja volim ljude ali ih sve manje podnosim"
Re: Grundig TDA16846 mreza
Kolega ga je preuzeo u sklopljenom stanju i probao tada na licu mesta,tako da su oba kvara vec bila,prvi po prici vlasnika a drugi po preuzimanju i probi tako da nema greske.C615 sam proveravao i ispravan,R636 na +15V je podizan i meren-nemoguce bilo ustanoviti vrednost, a R637 za -15V ne postoji na sasiji-drugacije izvedena i nema napona kada su samo oni bili jedini podignuti na ploci.PH 601 optokapler je zamenjen sa novim,IC 602 -TL431 takodje nov.Sto se tice sijalice na poziciji C626,skinuta je zavojnica L604 posle nje tako da je kondenzator ostao da visi sa nestabilnih 110-120V,ali nisam kacio sijalicu tada vec samo merio.Sijalica je tada stavljana na HIS tranzistor i nije htela da upali,kada je zavojnica bila prisutna da propusti napon dalje.Cela ploca je dosta osetljiva i nagorela na par mesta,imao sam popravku ploce na kolu napajanja pri okretanju i merenju vec,probacu ovo ostalo sto ste rekli a ako nista nemam toliko vremena za gubljenje,pa nazalost morace i da ga kosta nesto...
- alexa_pg
- Site Admin

- Postovi: 6029
- Pridružen: 22 Avg 2006, 08:10
- Location: Podgorica
- Specialty: tv-multimedia
Re: Grundig TDA16846 mreza
Nije mi jesno, kako ne može da se izmjeri vrijednost otpornika?
I ovo mi je malo čudno. Ako ima sve napone i oni su nestabilni, morao bi da postoji i ovaj napon i takodje da bude nestabilan. Da nije nesto u liniji -15V u kratkom spoju. Šta kaže ometar. Je li ispravna dioda i blok paralelno njoj.
"I ja volim ljude ali ih sve manje podnosim"
- Stolle
- Preminuo
- Postovi: 19099
- Pridružen: 12 Avg 2006, 23:35
- Location: Srbija
- Specialty: tv-multimedia
- Lokacija: Dimitrovgrad
Re: Grundig 70 Sedance 2010 text Beko 22.2 TDA16846 mreza
Ma tu se verovatno -15V i ne koristi. On ide na TDA7265 (subwoofer), kojeg ovde izgleda i nema, već je samo TDA7297 gde ide samo +15V.
A ono prvo, teško je objašnjavati bez šeme.
A ono prvo, teško je objašnjavati bez šeme.
"29 poslednjih dana u mesecu je najteže"
- alexa_pg
- Site Admin

- Postovi: 6029
- Pridružen: 22 Avg 2006, 08:10
- Location: Podgorica
- Specialty: tv-multimedia
Re: Grundig 70 Sedance 2010 text Beko 22.2 TDA16846 mreza
Postoji mogucnost da se -15V ne koristi ali to on treba da napise a ne da pretpostavljamo.
On kaze da "...R637 za -15V ne postoji na sasiji-drugacije izvedena..."
Šta to znači? Otpornik ne postoji i tu je veza prekinuta, minus napon se ne koristi. Ili, opornika nema, ugrađrn kratkospojnik.
Ako se -15V ne koristi onda nema ni osigurača, diode, elektrolita... Ako svega toga nema, zašto uopšte piše o naponu -15V?
On kaze da "...R637 za -15V ne postoji na sasiji-drugacije izvedena..."
Šta to znači? Otpornik ne postoji i tu je veza prekinuta, minus napon se ne koristi. Ili, opornika nema, ugrađrn kratkospojnik.
Ako se -15V ne koristi onda nema ni osigurača, diode, elektrolita... Ako svega toga nema, zašto uopšte piše o naponu -15V?
"I ja volim ljude ali ih sve manje podnosim"
Re: Grundig 70 Sedance 2010 text Beko 22.2 TDA16846 mreza
R636 otpornik postoji i on je podignut ali se +15V NAPON-NE OTPOR ne moze izmeriti jer seta toliko da ne znam koja je vrednost.Za R637 -15V ne postoji otpornik spojeni su krajevi kao da ga ima,i taj deo nisam hteo da secem pa je ostao spojen.Diode i kondenzatori-buster blokovi za +15V su mereni i pokazuju ispravno.Za -15V grana verovatno nije u upotrebi jer ima samo audio kolo a nema subwofer kolo.Moja je greska sto nisam naglasio da postoji samo jedan otpor,i izvinjavam se za to,ali sam pisao o -15V da naglasim koji izlaz sa mreznog trafoa gledam da ne bude zabune posto ima 2 puta po 15V.Kada se odspajalo za merenje,ostavljjane su sledece grane-145V do iza kondenzatora-skidana L604-i na kondenzatoru je postojao napon oko 110-120V,grana 15V odspojena do prvog stabilizatora -napon na C630-nestabilan 10-14V,napon na 7V sam morao da ostavim da ne diram nista jer napaja optokapler i ostatak povratne sprege,i grane +/-15V(odnosno samo +15V) podignuta u vis nogica R636-i na tom delu je nestabilan napon 11-14V.Kada se sve ovo podigne gore uz zamenjeno mrezno kolo,optokapler i TL431 i dalje nemam stabilan napon.Kada su se odspojili R608 i R611-otpori koji napajaju mrezno kolo(tada iskljuceno-na mreznom elku je bilo ravnih 315V,zato sam ostatak kola pre mreznog IC smatrao za ispravno.Na liniji pin 14 mreznog ic i blok kondenzator i elko 33uf ispravni.
-
ROAMER
- gx

- Postovi: 298
- Pridružen: 29 Jun 2016, 15:07
- Location: Umag
- Contact person: Dragan
- Specialty: consumer
Re: Grundig 70 Sedance 2010 text Beko 22.2 TDA16846 mreza
A nisi napisao kojom frekvencijom variraju ti naponi! Vjerovatno ti samo kolo napajanja pokusava "uloviti" pravi napon zbog zbog loše povratne sprege. Ili starta i gasi se non stop zbog neke zastite. Pogledaj u datasheet tog kola koje vrednosti trebas imati na kojem pinu. A sto se tice sekundara, povadis sve regulatore osim tih 7 i 145 V ,a sa njih ostavis samo izlaze za povratnu spregu. I onda zaboravis na sekundar dok ne stabilizujes napon. Nadam se da mjeris ESR na kondenzatorima, ja sam imao 2 slucaja skoro bas sa slicnim napajanjima gdje je visok ESR na kondenzatorima uzrokovao probleme.
Iskustvo je direktno proporcionalno kolicini unistene opreme............
Re: Grundig 70 Sedance 2010 text Beko 22.2 TDA16846 mreza
Ovo sve se meri sa Fluke 187,tako da nisam merio ESR-om a imam ga,a vrlo moguce da je i to razlog sto se sve ovo desava.To sto ste rekli za stabilizatore da se povade upravo na taj nacin sam i radio plocu-odspojim sve nepotrebno dok ne dobijem dobre napone sa primara,ali je problem sto su na stabilizatorima na nogicama prekrstene SMD komponente pa je muka vratiti sve a i ploca nije sjajna,dosta je osetljiva na prevrtanje i lako puca.Frekvenciju nisam merio ,istina,probacu jos malo vremena da izdvojim ali zbog ostalih obaveza vrlo je moguce da ce ploca i da se vrati dokonijem od mene,jer ovo je ipak pokusaj da se prodje minimalno sa delovima bez ruku.
---------- Tue Oct 30, 2018 20:53 ----------
Da zavrsimo temu odmah - ODUSTAO.
---------- Tue Oct 30, 2018 20:53 ----------
Da zavrsimo temu odmah - ODUSTAO.
Re: Grundig 70 Sedance 2010 text Beko 22.2 TDA16846 mreza - ODUSTAO
Probaj zamjeniti taj trimer u napajanju,ako ti naponi variraju,kod te sam sasije takodje mjenjo dvostruku diodu u kucistu na hladnjaku f60b150ds ako vec nisi skini je pa provjeri, probije u njoj damper dioda 20A ona je za ow korekciju,nalazi se kod VN tranzistora,ako vec nisi vratio aparat.
-
- Slične teme
- Odgovori
- Pregledano
- Zadnji post
-
-
TV GRUNDIG STF72-2010/8 Chassis BEKO 222 - Boje (REŠENO)
napisao fatk » 09 Nov 2008, 13:06 » u Servisiranje CRT Televizora - 14 Odgovori
- 2550 Pregledano
-
Zadnji post napisao vlatkocopa
12 Nov 2008, 21:40
-
-
-
Grundig sedance crtv st70-2500 top sasija 14.2 - Ne starta
napisao acabog1908 » 18 Nov 2022, 12:31 » u Servisiranje CRT Televizora - 7 Odgovori
- 3008 Pregledano
-
Zadnji post napisao acabog1908
20 Nov 2022, 00:13
-
-
-
TV GRUNDIG ZX819011 Chassis BEKO C7-C8 - Gasi se (ODUSTAO)
napisao sayko » 13 Sep 2008, 19:09 » u Servisiranje CRT Televizora - 6 Odgovori
- 2139 Pregledano
-
Zadnji post napisao sayko
16 Sep 2008, 19:32
-
-
-
TV ISKRA Beko Chassis 58G19001 - Problem mreža (REŠENO)
napisao Srečko » 09 Dec 2007, 13:05 » u Servisiranje CRT Televizora - 11 Odgovori
- 2134 Pregledano
-
Zadnji post napisao chellawy
16 Dec 2007, 18:45
-
-
- 3 Odgovori
- 1029 Pregledano
-
Zadnji post napisao enis.tz
25 Avg 2010, 14:23
-
-
TV GRUNDIG T51071 Chassis CUC7303 - Mreza (RESENO)
napisao yamamoto » 15 Mar 2009, 21:48 » u Servisiranje CRT Televizora - 9 Odgovori
- 1933 Pregledano
-
Zadnji post napisao yamamoto
04 Apr 2009, 14:06
-
-
-
GRUNDIG MINERVA G1000 problem mreza (RESENO)
napisao Marko Enter » 10 Apr 2010, 21:49 » u Servisiranje CRT Televizora - 15 Odgovori
- 2806 Pregledano
-
Zadnji post napisao nec
22 Apr 2010, 13:43
-
-
- 13 Odgovori
- 2188 Pregledano
-
Zadnji post napisao cacko85
03 Sep 2011, 03:55


