PROIZVOĐAČ:Panasonic
MODEL: TX29PS12P
MODEL DODATNO:Ceska proizvodnja
EKRAN: A68ERF182X044/M
CHASSIS:CP830FP
SMPS (mreža):2094.0047B,50M4936B4-,23805A T(801)
MCU (procesor i pozicija):SDA-55XX (IC701) nisam skidao naljepnicu
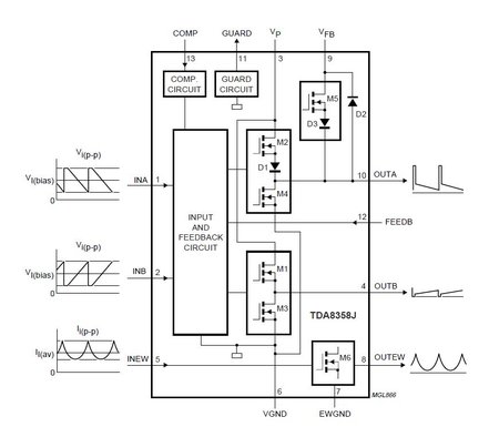
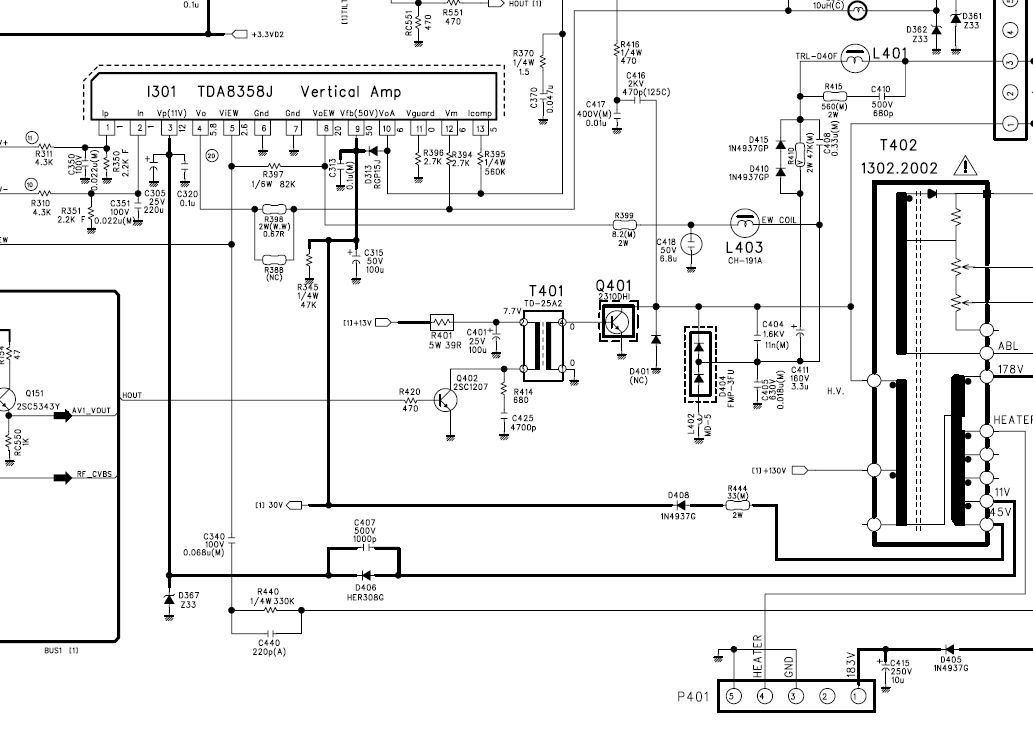
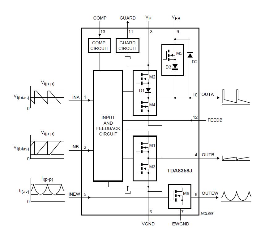
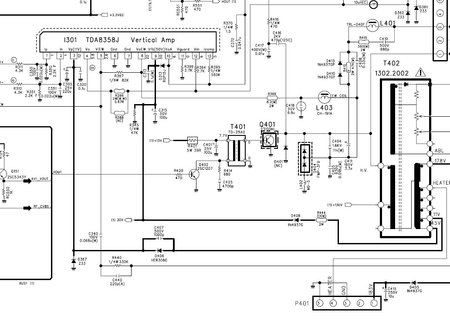
VERTIKALA (i pozicija):TDA8358J (I301)
FBT(vn trafo): 13022002D C08,50M0000301 (T402)
TUNER:UV1316/A I-4 PHILIPS (U100)
***************************************
SIMPTOMI: slika suzena po horizontali normalne vertikalne sirine i pozicije na ekranu
OPIS KVARA i PREDUZETE RADNJE:TV se po pricanju vlasnika jos za vrijeme garantnog roka kvario sporan je bio VN trafo,i poslje mu je bio problematican VN trafo vec je dva sprzio treci je sad u njemu -ovaj put je TV dosao sa izgoritim konektorom na otklonskoj kad sam direktno zalemio zicu ispod konektora na otklonskoj sa konektora na ploci dobio sam ovo sad sto imam :) sliku suzenu po horizontali na sredini normalne vertikalne visine i pozicije,ispocetka sam sumnjao samo na otklonsku al istu nisam nigdje nasao -istih otpornosti namotaja,one slicne su imale uglavnom jos uzu sliku ili priblizno istu al je nevolja u tome sto i druge pocinju smrditi kao i ova nakon izvjesnog vremena cak se pocela pusiti neki dan pa sam iskljucio na vrijeme,mjenjao sam elektrolite u napajanju 100 mikro i 47 mikro 250V,dvostruku damper diodu FMP-3FU(D404),L401,360nF(C408),cak sam spajao i anodni napon sa drugog TV prethodno iskljucivsi spulu sa Panasonic-ovog Tv-a i zicu sa stipaljkom za masu ekrana sa onog TV-a i radi super :) al je slika i tad sizena i elipticna na krajevima kao i sa anodnim priljuckom sa Panasonic-ovog VN trafoa -sto ce reci da je bar anodni napon vjerovatno dobar i koliki treba biti a nemam ga cime izmjeriti ,prilicno sam ispucao sve ideje,ako je neko imao imao isti kvar ili neki savjet molio bi da se javi ...Pozdrav svima


