FIRMA:SOYEA
MODEL:C25Z57NF
CHASSIS(oznaka šasije):PX20056-11G
PCB(oznake na štampanoj ploči):PX20056-11G
MCU(procesor):TDA9361D32NF
EEPROM:24C08
VERTIKALA:STV8172
AUDIO:AN17821
VIDEO:
SMPS (mreža):C3807,C4460
FBT (vn trafo):BSC25N0531
TUNER:
KVAR:VN trafo
OPIS KVARA:VN trafo je probio i spalio mrežu.Nemogu nigdje da nađem ovaj orginal VN trafo dali neko zna može li neka zamjena,neki drugi BSC.
SOYEA C25Z57NF VN TRAFO RIJEŠENO
Pravila foruma
Naslov teme treba da bude u formatu: PROIZVOĐAČ, MODEL, KRATAK OPIS KVARA
Nakon rešenog kvara zatvoriti temu >> >UPUTSTVO< u suprotnom ništa ne činiti.
HOME -- SERVISERI -- DALJINSKI -- RAZNA UPUTSTVA
Naslov teme treba da bude u formatu: PROIZVOĐAČ, MODEL, KRATAK OPIS KVARA
Nakon rešenog kvara zatvoriti temu >> >UPUTSTVO< u suprotnom ništa ne činiti.
HOME -- SERVISERI -- DALJINSKI -- RAZNA UPUTSTVA
-
- gx
- Postovi: 161
- Pridružen: 16 Jan 2010, 14:18
- Location: Goražde BiH
- Warranty service: LG Elit
- Contact person: vehid
- Specialty: tv-multimedia
SOYEA C25Z57NF VN TRAFO RIJEŠENO
Zadnja izmena: vehidc, dana 23 Sep 2011, 09:47, ukupno menjano 1 put.
- dzafer
- gx
- Postovi: 2522
- Pridružen: 21 Sep 2006, 13:13
- Location: BIH SARAJEVO-ILIDŽA
- Specialty: tv-multimedia
Re: SOYEA C25Z57NF VN TRAFO
Treba da vidis sta sve napaja taj trafo dali rgb, vertikalu tonski stepen grijanje..... mada kod neki cineza ima samo napaja grijanje i rgb
i da uporedis sa drugim slicnim trafoom
Nije problem prepraviti samo se moze desiti da nemozes izostreti sliku kao sa orginalnim bar se meni desavalo
i da uporedis sa drugim slicnim trafoom
Nije problem prepraviti samo se moze desiti da nemozes izostreti sliku kao sa orginalnim bar se meni desavalo
džale
Bez alata nema zanata, a bez znanja ni najbolji alat neće pomoći.
Bez alata nema zanata, a bez znanja ni najbolji alat neće pomoći.
-
- gx
- Postovi: 161
- Pridružen: 16 Jan 2010, 14:18
- Location: Goražde BiH
- Warranty service: LG Elit
- Contact person: vehid
- Specialty: tv-multimedia
Re: SOYEA C25Z57NF VN TRAFO
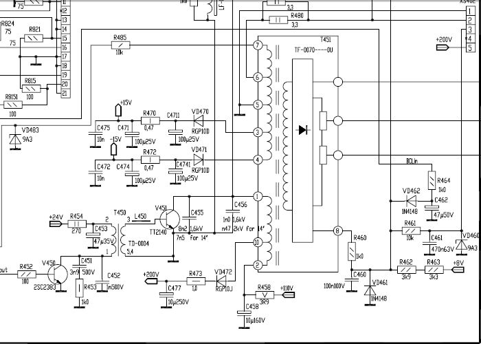
Neodgovara taj trafo toce.Kod mene je raspored drugačiji, ovako izgleda.
1. kolektor tran.
2.B+
3. +15v vertikala
4. -15v ver.
5. M
6. H grijanje
7. negdje na procesor preko otpora
8. moguće ABL nisam siguran
9. slobodna
10. 200v
Nemam dosta trafoa sa kojim bi mogao probati, da kupujem i da prepravljam neznam dali će uspjeti.Danas ću probati nešto pa ću vidjeti šta će biti.
Pokušao bi sa prepravkom, lakše bi bilo ako neko ima šemu ove moje šasije, ja je nigdje nisam našao.
1. kolektor tran.
2.B+
3. +15v vertikala
4. -15v ver.
5. M
6. H grijanje
7. negdje na procesor preko otpora
8. moguće ABL nisam siguran
9. slobodna
10. 200v
Nemam dosta trafoa sa kojim bi mogao probati, da kupujem i da prepravljam neznam dali će uspjeti.Danas ću probati nešto pa ću vidjeti šta će biti.
Pokušao bi sa prepravkom, lakše bi bilo ako neko ima šemu ove moje šasije, ja je nigdje nisam našao.
-
- gx
- Postovi: 161
- Pridružen: 16 Jan 2010, 14:18
- Location: Goražde BiH
- Warranty service: LG Elit
- Contact person: vehid
- Specialty: tv-multimedia
Re: SOYEA C25Z57NF VN TRAFO
Transplantacija uspjela pacijent preživio.
Ugradio trafo BSC24-2422DB naravno uz prepravku, još sam morao zamijeniti blok C467 umjesto 360nf stavio 270nf da bih dobio potrebnu širinu slike.Još ću ga isprobati jedan dan da budem siguran.
Hvala kolegama na pomoći.
Ugradio trafo BSC24-2422DB naravno uz prepravku, još sam morao zamijeniti blok C467 umjesto 360nf stavio 270nf da bih dobio potrebnu širinu slike.Još ću ga isprobati jedan dan da budem siguran.
Hvala kolegama na pomoći.
-
- Slične teme
- Odgovori
- Pregledano
- Zadnji post
-
-
TV ELITE 21ES67 Chassis PX200304C - Potreban VN trafo
napisao stojkePN » 27 Nov 2007, 05:31 » u Servisiranje CRT Televizora - 24 Odgovori
- 5521 Pregledano
-
Zadnji post napisao majstorr
06 Dec 2007, 23:14
-
-
- 13 Odgovori
- 1695 Pregledano
-
Zadnji post napisao kisko
25 Jul 2008, 22:03
-
-
TV FUNAI lTV2003 - VN trafo (RESENO)
napisao icko » 27 Jan 2009, 16:30 » u Servisiranje CRT Televizora - 13 Odgovori
- 1733 Pregledano
-
Zadnji post napisao vlatkocopa
29 Jan 2009, 14:19
-
-
-
TV QUADRO CTV72S10TXT Chassis 5P60 - Split Trafo (ODUSTAO)
napisao cacko85 » 03 Feb 2009, 15:39 » u Servisiranje CRT Televizora - 18 Odgovori
- 4627 Pregledano
-
Zadnji post napisao cacko85
08 Feb 2009, 20:52
-
-
-
TV DUBROVKINJA DCS2037VR Chassis C43M - VN Trafo
napisao Vucko_AR » 20 Apr 2009, 14:35 » u Servisiranje CRT Televizora - 74 Odgovori
- 7154 Pregledano
-
Zadnji post napisao Stolle
05 Apr 2013, 16:49
-
-
-
TV SAMSUNG CW29Z404N Chassis KS7C - Trafo (RESENO)
napisao Sully » 29 svi 2009, 13:22 » u Servisiranje CRT Televizora - 6 Odgovori
- 1644 Pregledano
-
Zadnji post napisao Majstor Duja
10 Jun 2009, 10:39
-
-
- 27 Odgovori
- 3968 Pregledano
-
Zadnji post napisao gagisd
25 svi 2010, 20:36
-
-
Trafo za TV ORION COLOR 5588VT - REŠENO
napisao mpajovic » 12 Mar 2011, 15:09 » u Servisiranje CRT Televizora - 5 Odgovori
- 1136 Pregledano
-
Zadnji post napisao mpajovic
17 Mar 2011, 10:23
-