Philips32PW8106 gasi se(RESENO)
Pravila foruma
Naslov teme treba da bude u formatu: PROIZVOĐAČ, MODEL, KRATAK OPIS KVARA
Nakon rešenog kvara zatvoriti temu >> >UPUTSTVO< u suprotnom ništa ne činiti.
HOME -- SERVISERI -- DALJINSKI -- RAZNA UPUTSTVA
Naslov teme treba da bude u formatu: PROIZVOĐAČ, MODEL, KRATAK OPIS KVARA
Nakon rešenog kvara zatvoriti temu >> >UPUTSTVO< u suprotnom ništa ne činiti.
HOME -- SERVISERI -- DALJINSKI -- RAZNA UPUTSTVA
Philips32PW8106 gasi se(RESENO)
FIRMA:PHILIPS
MODEL:32PW8106/12
CHASSIS(oznaka šasije):EM2E
PCB(oznake na štampanoj ploči):
MCU(procesor):
EEPROM:
VERTIKALA:TDA8177
AUDIO:TDA2616
VIDEO:TDA932H
SMPS (mreža):
FBT (vn trafo):
TUNER:
KVAR:Gasi se nakon 15-tak 20 minuta rada.
OPIS KVARA:Zdravo, imam problem.Gore navedeni tv ima standby i kad tv uklucim radi nekin 15-tak 20 minuta i onda se ugasi.Led dioda blinka a posle gasenja prekidaca dobijam opet standby i tv mogu opet da ukljucim.Dok tv radi ne primecujem nikakve simptome kvara na tv-u, sve izgleda ok.Napone sam merio i dobri su osim napajanja za zvuk +28V a ja izmerio +32V.Mislim da to nije uzrok gasenja.Inace tv je imao kvar izgoreo tranzistor 7641,7652 BC847B otpornik 3652 22R koji se nalaze u stepenu za vertikalno skretanje.Posle njihove zamene tv je proradio na nacin koji sam vec opisao.Neznam, pokusavam al' ne ide.Mislim da cu odustati, vi ste mi poslednja nada.
Dakle zna li neko sta bi mogao biti razlog da se tv gasi ili jos bolje dali neko ima iskustva sa takovim kvarom na ovom modelu tv-a?
Unapred hvala.
MODEL:32PW8106/12
CHASSIS(oznaka šasije):EM2E
PCB(oznake na štampanoj ploči):
MCU(procesor):
EEPROM:
VERTIKALA:TDA8177
AUDIO:TDA2616
VIDEO:TDA932H
SMPS (mreža):
FBT (vn trafo):
TUNER:
KVAR:Gasi se nakon 15-tak 20 minuta rada.
OPIS KVARA:Zdravo, imam problem.Gore navedeni tv ima standby i kad tv uklucim radi nekin 15-tak 20 minuta i onda se ugasi.Led dioda blinka a posle gasenja prekidaca dobijam opet standby i tv mogu opet da ukljucim.Dok tv radi ne primecujem nikakve simptome kvara na tv-u, sve izgleda ok.Napone sam merio i dobri su osim napajanja za zvuk +28V a ja izmerio +32V.Mislim da to nije uzrok gasenja.Inace tv je imao kvar izgoreo tranzistor 7641,7652 BC847B otpornik 3652 22R koji se nalaze u stepenu za vertikalno skretanje.Posle njihove zamene tv je proradio na nacin koji sam vec opisao.Neznam, pokusavam al' ne ide.Mislim da cu odustati, vi ste mi poslednja nada.
Dakle zna li neko sta bi mogao biti razlog da se tv gasi ili jos bolje dali neko ima iskustva sa takovim kvarom na ovom modelu tv-a?
Unapred hvala.
Zadnja izmena: rupes1, dana 27 Avg 2011, 01:11, ukupno menjano 3 puta.
- Majstor Duja
- Neaktivan
- Postovi: 3136
- Pridružen: 23 Avg 2006, 17:29
- Location: Novi Sad - centar
- Warranty service: http://www.elektrocentar.com
- Contact person: Goran Duic
- Specialty: tv-multimedia
Re: Philips32PW8106 gasi se
Ekran?
Da li pouzdano znas da je pre kvara sa vertikalom radio kako treba i da se nije gasio?
Da li pouzdano znas da je pre kvara sa vertikalom radio kako treba i da se nije gasio?
Rule #1 "Always stand for what you believe, even if it means standing alone."
Re: Philips32PW8106 gasi se
Imao sam slican problem na istoj sasiji, problem je bio u hladnim lemovima, dok tv radi lupni malo sasiju da vidis sta ce da se desi. I proveri u stepenu za vertikalno skretanje zavojnicu, imao sam slucaj da je i ona pravila problem, a da bi bio siguran sto se tice ekrana najbolje je ispitati ga...
- milkovski08
- _
- Postovi: 134
- Pridružen: 04 Jun 2008, 22:17
- Location: Kumanovo Makedonija
- Contact person: Milkovski
- Specialty: tv-multimedia
- Lokacija: Kumanovo Makedonija
Re: Philips32PW8106 gasi se
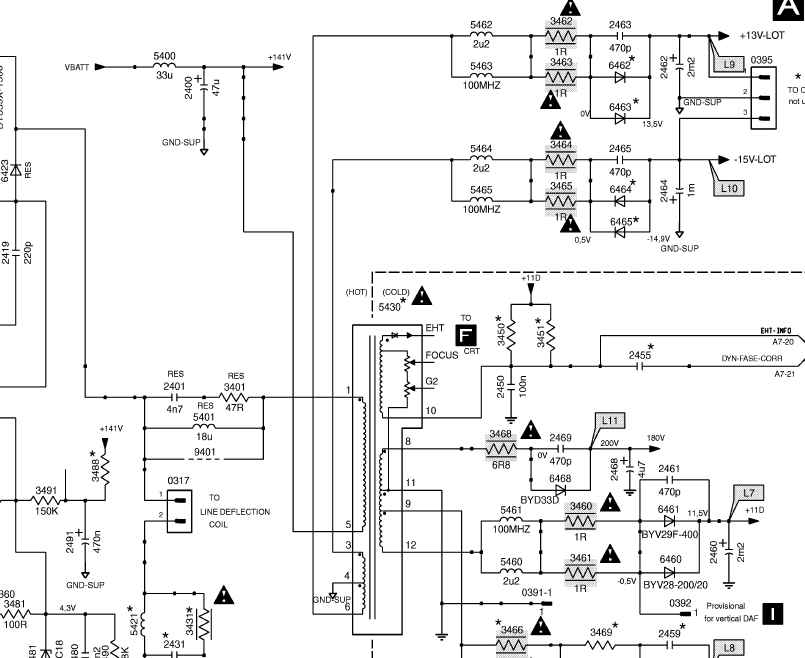
Standardna procedura provera mreze,otkaci HIS,postavi
i vidi kako se ponasa.Ako je EM2E evo saljem ti semu HIS proveri napone,mislim da ce ti pomoci da pronadjes kvar...

Milkovski08
Re: Philips32PW8106 gasi se
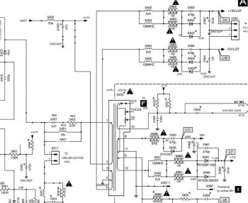
dali si mislio na ovu zavojnicu?
Re: Philips32PW8106 gasi se
Inace ovo su delovi koje sam menjao u tom modulu.
Re: Philips32PW8106 gasi se(RESENO)
Problem sam bio ja.Loše zalemljena nožica na tranzistoru 7641 BC847B kojeg sam menjao i loše zalemio nožicu kolektora.Original bio SMD a ja zalemio X-55 i tu sam napravio grsku.
Hvala svima koji su pokušali da mi pomognu !
Pozdrav svima !
Hvala svima koji su pokušali da mi pomognu !
Pozdrav svima !
-
- Slične teme
- Odgovori
- Pregledano
- Zadnji post
-
-
Teletech CTV2140TX - Gasi visoki napon (pali/gasi sliku a sa njom i ton) [ODUSTAO]
napisao Stefan7 » 09 Dec 2017, 23:55 » u Servisiranje CRT Televizora - 4 Odgovori
- 2567 Pregledano
-
Zadnji post napisao alexa_pg
24 Dec 2017, 00:16
-
-
-
Teletech CTV2140T - Gasi visoki napon (pali/gasi sliku a sa njom i ton)
napisao Stefan7 » 01 Avg 2018, 00:01 » u Servisiranje CRT Televizora - 9 Odgovori
- 4485 Pregledano
-
Zadnji post napisao rale
11 Sep 2018, 14:05
-
-
-
TV SABA E72 - Gasi se (RESENO)
napisao Killer_No1 » 05 Dec 2007, 21:26 » u Servisiranje CRT Televizora - 8 Odgovori
- 1123 Pregledano
-
Zadnji post napisao tv servis goranovic
07 Dec 2007, 08:30
-
-
-
TV JVC AV28GS1E Chassis MXI - Gasi se (RESENO)
napisao mancic » 31 Mar 2008, 14:46 » u Servisiranje CRT Televizora - 10 Odgovori
- 1334 Pregledano
-
Zadnji post napisao Majstor Duja
03 Apr 2008, 19:55
-
-
-
TV LIFETEC LT3700 - Gasi se, prekida (RESENO)
napisao agatel » 14 Apr 2008, 15:49 » u Servisiranje CRT Televizora - 5 Odgovori
- 1019 Pregledano
-
Zadnji post napisao agatel
15 Apr 2008, 15:57
-
-
-
TV PHILIPS 29PT5506/01 Chassis L011E - Gasi se (RESENO)
napisao milans01 » 13 Jan 2009, 19:16 » u Servisiranje CRT Televizora - 22 Odgovori
- 6786 Pregledano
-
Zadnji post napisao zlix
07 Mar 2012, 16:13
-
-
-
Gorenje TV21MT sam se pali,gasi pojacava ton(RESENO)
napisao enis.tz » 29 Nov 2009, 15:00 » u Servisiranje CRT Televizora - 17 Odgovori
- 3273 Pregledano
-
Zadnji post napisao johnlevi
22 Nov 2010, 17:06
-
-
-
SAMSUNG CW29M064 KS7A PALI SE I GASI [REŠENO]
napisao nesko62 » 11 Jul 2010, 15:17 » u Servisiranje CRT Televizora - 16 Odgovori
- 6594 Pregledano
-
Zadnji post napisao nusret
14 svi 2016, 12:38
-