FIRMA: GOLDSTAR
MODEL: CF14A80B
CHASSIS(oznaka šasije): MC41B
PCB(oznake na štampanoj ploči): MC-41B-111-M72B
MCU(procesor): GS843403A (GS8434-03A)
EEPROM: 24C02
VERTIKALA: TA8445
AUDIO: TDA2006
VIDEO: TA8690AN
SMPS (mreža):
FBT (vn trafo): 154064P (154-064P)
TUNER: 113118F (113-118F)
KVAR: STRADAO APARAT OD GRMLJAVINE
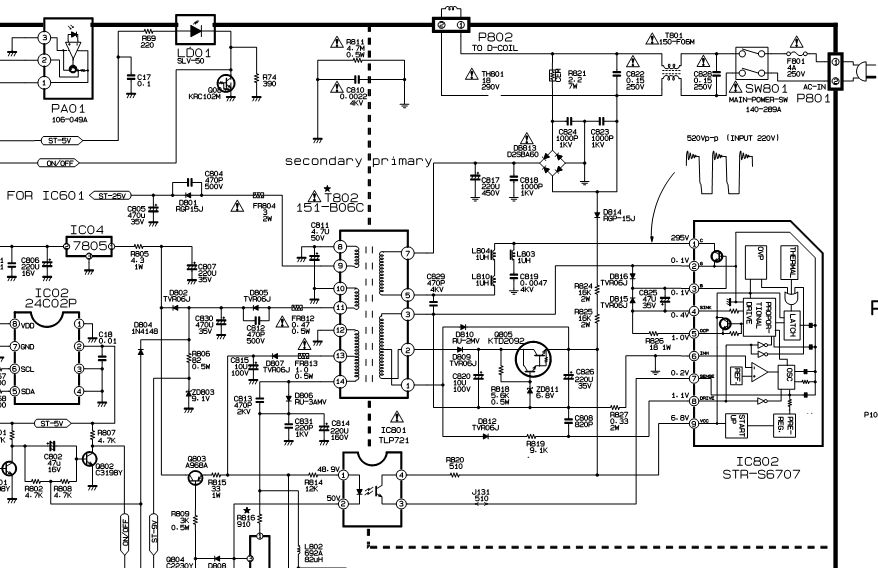
OPIS KVARA: Dosta elemenata se raspalo od udara grmljavine u mreži, tako da bez šeme nemogu ni pokušati da pravim. Izgled je kao STRS5707 u mreži ali nisam siguran. Ako neko ima šemu dobro bi došla da pokušam ako nebude stradao i procesor.
TV GOLDSTAR CF14A80B MC41B Potrebna šema RIJEŠENO
Pravila foruma
Naslov teme treba da bude u formatu: PROIZVOĐAČ, MODEL, KRATAK OPIS KVARA
Nakon rešenog kvara zatvoriti temu >> >UPUTSTVO< u suprotnom ništa ne činiti.
HOME -- SERVISERI -- DALJINSKI -- RAZNA UPUTSTVA
Naslov teme treba da bude u formatu: PROIZVOĐAČ, MODEL, KRATAK OPIS KVARA
Nakon rešenog kvara zatvoriti temu >> >UPUTSTVO< u suprotnom ništa ne činiti.
HOME -- SERVISERI -- DALJINSKI -- RAZNA UPUTSTVA
-
- gx
- Postovi: 161
- Pridružen: 16 Jan 2010, 14:18
- Location: Goražde BiH
- Warranty service: LG Elit
- Contact person: vehid
- Specialty: tv-multimedia
TV GOLDSTAR CF14A80B MC41B Potrebna šema RIJEŠENO
Zadnja izmena: vehidc, dana 17 Dec 2010, 11:13, ukupno menjano 1 put.
- dzafer
- gx
- Postovi: 2522
- Pridružen: 21 Sep 2006, 13:13
- Location: BIH SARAJEVO-ILIDŽA
- Specialty: tv-multimedia
Re: GOLDSTAR CF-14A80B POTREBNA ŠEMA
ukucas ovako broj shassije i dobices ako je u javnom dijelu foruma
a posto nije u javnom dijlu evo ti mrezni stependžale
Bez alata nema zanata, a bez znanja ni najbolji alat neće pomoći.
Bez alata nema zanata, a bez znanja ni najbolji alat neće pomoći.
-
- gx
- Postovi: 161
- Pridružen: 16 Jan 2010, 14:18
- Location: Goražde BiH
- Warranty service: LG Elit
- Contact person: vehid
- Specialty: tv-multimedia
Re: TV GOLDSTAR CF14A80B MC41B Potrebna šema
Hvala kolegama na pomoći, nisam imao svih dijelova za mrežu. Sad sam dobio, poredao sve imam st. ali mi neradi oscilator. Naponi na sekundaru su mi prema šemi svi umanjeni, B+ 80V , ovaj drugi na šemi 25V ja imam 17V. Malo mi je gužva pa ću još pogledati.
- spagagz
- gx
- Postovi: 1526
- Pridružen: 29 Dec 2008, 21:47
- Location: Gorazde BiH
- Contact person: Nedeljko
- Specialty: tv-multimedia
Re: TV GOLDSTAR CF14A80B MC41B Potrebna šema
Provjeri stabilizaciju mreze.
-
- gx
- Postovi: 161
- Pridružen: 16 Jan 2010, 14:18
- Location: Goražde BiH
- Warranty service: LG Elit
- Contact person: vehid
- Specialty: tv-multimedia
Re: TV GOLDSTAR CF14A80B MC41B Potrebna šema
Riješio sam problem, neispravan je bio tranzistor Q804 kao i dioda ZD803, sad sve radi. Hvala svima na pomoći.
-
- Slične teme
- Odgovori
- Pregledano
- Zadnji post
-
-
GoldStar PC31A sasija - uporno izgara mreza (RIJESENO)
napisao Nicky » 19 Mar 2013, 00:05 » u Servisiranje CRT Televizora - 6 Odgovori
- 1291 Pregledano
-
Zadnji post napisao Nicky
19 Mar 2013, 20:33
-
-
-
TV GOLDSTAR CKT9742 Chassis PC91A - Ne startuje (RESENO)
napisao ljube » 26 Jan 2009, 01:00 » u Servisiranje CRT Televizora - 19 Odgovori
- 2428 Pregledano
-
Zadnji post napisao cacko85
30 Jan 2009, 21:21
-
-
-
TV GOLDSTAR CKT9822 Chassis PC91A Crno/bela slika (REŠENO)
napisao simoni » 10 Jun 2009, 20:34 » u Servisiranje CRT Televizora - 8 Odgovori
- 1521 Pregledano
-
Zadnji post napisao bursac
14 Jul 2009, 16:27
-
-
-
GOLDSTAR CB20A80 PC31A ne startuje RESENO
napisao Djoko Hristovski » 26 Apr 2010, 14:03 » u Servisiranje CRT Televizora - 14 Odgovori
- 1724 Pregledano
-
Zadnji post napisao Djoko Hristovski
10 svi 2010, 12:29
-
-
-
GOLDSTAR PC91A NEMA BOJA *Reseno*
napisao danco » 20 Jul 2010, 13:15 » u Servisiranje CRT Televizora - 6 Odgovori
- 1144 Pregledano
-
Zadnji post napisao nec
22 Jul 2010, 17:45
-
-
- 5 Odgovori
- 860 Pregledano
-
Zadnji post napisao tom
20 Avg 2010, 22:41
-
- 5 Odgovori
- 706 Pregledano
-
Zadnji post napisao nec
13 Okt 2010, 09:17
-
-
GOLDSTAR CBT9508E Ne pamti podesavanja *RESENO*
napisao stojkePN » 03 Dec 2010, 02:31 » u Servisiranje CRT Televizora - 15 Odgovori
- 1719 Pregledano
-
Zadnji post napisao stojkePN
04 Dec 2010, 14:31
-