ROWA 25228 Cakće mreza u stand-by *ODUSTAO*
Pravila foruma
Naslov teme treba da bude u formatu: PROIZVOĐAČ, MODEL, KRATAK OPIS KVARA
Nakon rešenog kvara zatvoriti temu >> >UPUTSTVO< u suprotnom ništa ne činiti.
HOME -- SERVISERI -- DALJINSKI -- RAZNA UPUTSTVA
Naslov teme treba da bude u formatu: PROIZVOĐAČ, MODEL, KRATAK OPIS KVARA
Nakon rešenog kvara zatvoriti temu >> >UPUTSTVO< u suprotnom ništa ne činiti.
HOME -- SERVISERI -- DALJINSKI -- RAZNA UPUTSTVA
ROWA 25228 Cakće mreza u stand-by *ODUSTAO*
FIRMA: ROWA
MODEL: 25228
CHASSIS(oznaka šasije): M35
PCB(oznake na štampanoj ploči): SOT510065C-135 40-029181-MAG1X
MCU(procesor): MICRONAS VCT3831AC4 4302.4A LC F 136414.001 TLC-M35V04-MN TL03
EEPROM: 24C16WP
VERTIKALA: STV8172 V-DEFL.AMP 40V , 2-3A , EXT.REG.
AUDIO: TDA8944J
VIDEO: MICRONAS MSP3465G B8 V3 4487 0142T 200275.000
SMPS (mreža): 44608P40 + K2996
COPER TRAFO: BCK4201 36-TRF046-AX1
FBT (vn trafo): BSC29-0179B 37-SC2901-79B0X
EKRAN: THOMSON A59ELN011X004
TUNER: 07-389VI5-NA0 TCL79107B5B3 050819 077 0 4
KVAR: Cakće mreza u stand-by
OPIS KVARA: Tv je dosao sa problemom da nece da se upali. Svetli lampica za stand-by i pri pokusaju starta kao da krene na 1sec i stane. Problem su bili elektroliti C812 10uF 25V (u primaru mreze) i u sekundaru mreze C843 470uF 25V i C414 10uF 160V. Posle zamene ovih elektrolita TV je startovao bez problema i nema problema u radu. Za svaki slucaj sam izmenjao i ostatak elektrolita u sekundaru. Ali sam primetio da i pre pocetka popravljanja a i posle zamene elektrolita TV dok je u stand-by mreza sitno cakće nije mnogo glasno ali se cuje. Probao sam i zamenu mreznog elektrolita ali isto se desava. Kad pipalicom instrumenta dotaknem 1 nozicu IC-a u mrezi 44608P40 pocinje jace da cakce a kad dotaknem pin 2 cakcanje se utisa da se jedva cuje. Dok je TV u stand-by B+ je 17,50V sa malim varijacijama.
MODEL: 25228
CHASSIS(oznaka šasije): M35
PCB(oznake na štampanoj ploči): SOT510065C-135 40-029181-MAG1X
MCU(procesor): MICRONAS VCT3831AC4 4302.4A LC F 136414.001 TLC-M35V04-MN TL03
EEPROM: 24C16WP
VERTIKALA: STV8172 V-DEFL.AMP 40V , 2-3A , EXT.REG.
AUDIO: TDA8944J
VIDEO: MICRONAS MSP3465G B8 V3 4487 0142T 200275.000
SMPS (mreža): 44608P40 + K2996
COPER TRAFO: BCK4201 36-TRF046-AX1
FBT (vn trafo): BSC29-0179B 37-SC2901-79B0X
EKRAN: THOMSON A59ELN011X004
TUNER: 07-389VI5-NA0 TCL79107B5B3 050819 077 0 4
KVAR: Cakće mreza u stand-by
OPIS KVARA: Tv je dosao sa problemom da nece da se upali. Svetli lampica za stand-by i pri pokusaju starta kao da krene na 1sec i stane. Problem su bili elektroliti C812 10uF 25V (u primaru mreze) i u sekundaru mreze C843 470uF 25V i C414 10uF 160V. Posle zamene ovih elektrolita TV je startovao bez problema i nema problema u radu. Za svaki slucaj sam izmenjao i ostatak elektrolita u sekundaru. Ali sam primetio da i pre pocetka popravljanja a i posle zamene elektrolita TV dok je u stand-by mreza sitno cakće nije mnogo glasno ali se cuje. Probao sam i zamenu mreznog elektrolita ali isto se desava. Kad pipalicom instrumenta dotaknem 1 nozicu IC-a u mrezi 44608P40 pocinje jace da cakce a kad dotaknem pin 2 cakcanje se utisa da se jedva cuje. Dok je TV u stand-by B+ je 17,50V sa malim varijacijama.
Zadnja izmena: stojkePN, dana 16 Jun 2010, 21:20, ukupno menjano 4 puta.
Sto vise ucim sve vise vidim koliko neznam :plaz:
Re: ROWA 25228 Cakće mreza u stand-by
MCU(procesor): TCL-M35V04-MN TL03
Iмају документацију на овај линк:
http://www.eserviceinfo.com/downloadsm/16526/ (M35 & M36)

Iмају документацију на овај линк:
http://www.eserviceinfo.com/downloadsm/16526/ (M35 & M36)
da pijemo zajedno 
-
zmajtv
- _

- Postovi: 70
- Pridružen: 10 Jan 2007, 21:00
- Location: Srbija
- Specialty: tv
- Lokacija: Jagodina
Re: ROWA 25228 Cakće mreza u stand-by
Otkaci sve u primaru i meri. Isti problem sam imao skoro sa takvom mrezom,a TV je bio 11ak30. Evo sta mi je pravilo problem.


Re: ROWA 25228 Cakće mreza u stand-by
Proverio sam sve diode u primaru a ovu sam i menjao za svaki slucaj ali se ponasa isto. Proverio sam sve blokove ostaje mi jos otpore da isproveravam. Izgleda ce ispasti da je IC u primaru krivac.
EDIT
Proverio sam sve otpore u primaru cak sam zamenio i tranzistor u primaru ali isto. Ostaje mi IC u primaru i 2-3 kalema u kucistu otpornika.
EDIT
Proverio sam sve otpore u primaru cak sam zamenio i tranzistor u primaru ali isto. Ostaje mi IC u primaru i 2-3 kalema u kucistu otpornika.
Zadnja izmena: stojkePN, dana 20 svi 2010, 15:22, ukupno menjano 1 put.
Sto vise ucim sve vise vidim koliko neznam :plaz:
-
zmajtv
- _

- Postovi: 70
- Pridružen: 10 Jan 2007, 21:00
- Location: Srbija
- Specialty: tv
- Lokacija: Jagodina
Re: ROWA 25228 Cakće mreza u stand-by
Ako mu je ovako izveden st.by,onda ga zatvori,testiraj 24h na st.by i budi bez brige. Tako su ga napravili i tu nema pomoci. Neki elemenat se razglavio i pulsiranje mreze je postalo bucno. Ima takvih mreza i sa TDA4605. Kada je na st.by mreza non stop pulsira,a kad startujes onda se ne cuje nista i naponi na kolu se stabilizuju.
Re: ROWA 25228 Cakće mreza u stand-by
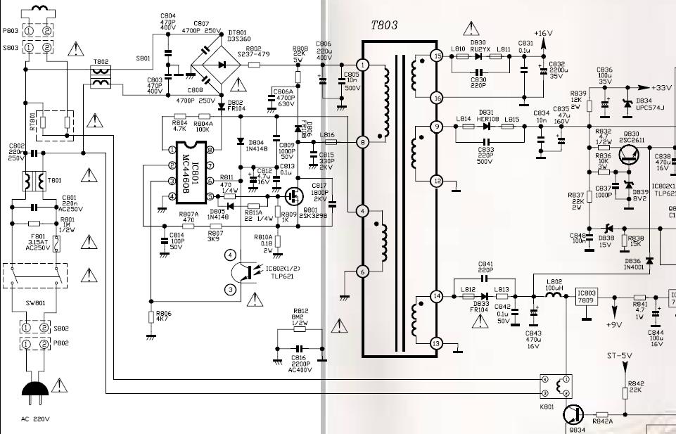
Videcu ako uspem da nabavim za probu IC iz mreze i da prekontrolisem neke tranzistore i diode u sekundaru ako ne nadjem nista onda cu da te poslusam da ga istestiram i to je. Kad se vrati poklopac nece ni da se cuje. On se necuje ni ovako mnogo ali sam hteo da resim.Evo je sema mreze.
Sto vise ucim sve vise vidim koliko neznam :plaz:
Re: ROWA 25228 Cakće mreza u stand-by
Zamenio sam mrezni IC 44608P40 pozajmio od prijatelja nov i ponasa se isto. Prekontrolisao sam tranzistore i diode u sekundaru i nisam nasao nista da nevalja. Sta da mu radim... testiracu ako radi ako kako treba i u stand-by se negreje nista sklapam i vracam 
Sto vise ucim sve vise vidim koliko neznam :plaz:
- cacko85
- gx

- Postovi: 1751
- Pridružen: 03 Dec 2008, 17:51
- Location: Macedonia
- Contact person: Slavche
- Specialty: tv-multimedia
- Lokacija: Sveti Nikole
- Kontakt:
Re: ROWA 25228 Cakće mreza u stand-by
M35-ka ima dosta problematicna mreza ja sam imao jedno loshe iskustvo so jedna pa sam morao da budzim jer nikako ne sam mogao da opravim.
Shema od taj budz je u Expert postaven kad sam bio privremeni expert.
Shema od taj budz je u Expert postaven kad sam bio privremeni expert.
www.facebook.com/slavceelectronics
- SaleSk
- ___

- Postovi: 656
- Pridružen: 04 Nov 2006, 21:08
- Location: Skopje
- Warranty service: Siemens, Konica Minolta, Kodak, B Braun, Dade Behring, Johnson & Johnson, Drew, TerumoBCT
- Kontakt:
Re: ROWA 25228 Cakće mreza u stand-by
Ako te bas nervira to cakcanje, ubaci mu uni mrezu...Tu lagano moze da ide uni sa vise razlicitim naponima...Mada kako su ti i ostali rekli...Pakuj i nek radi :))
Neverujem da ce da ti plate i da im ubacis mrezu...
Neverujem da ce da ti plate i da im ubacis mrezu...
Dusevni bolesnik nikada ne napada bez razloga. U tome se razlikuje od normalnih ljudi.
- birocip
- Preminuo
- Postovi: 718
- Pridružen: 01 Okt 2006, 00:17
- Location: Smederevo
- Warranty service: Fox
- Contact person: Zoran
- Specialty: tv-multimedia
- Lokacija: Smederevo
Re: ROWA 25228 Cakće mreza u stand-by
A da probas da promenis otpor za ogranicenje struje,moze on da pravi jako veliki problem. 
Ako nemate sada dovoljno vremena za svoje zdravlje,kasnije ćete odvojiti mnogo više vremena i novca za svoju bolest
Re: ROWA 25228 Cakće mreza u stand-by
Zaboravio sam na ovu temu. Tv je stajao kod mene oko 7 dana i isprobavao sam ga u radu i u stand by i radi bez problema. To sto cakce se necuje kad se poklopac vrati. Stavicu u naslovu ODUSTAO.

Sto vise ucim sve vise vidim koliko neznam :plaz:
-
katicbranko
- ___

- Postovi: 215
- Pridružen: 03 Okt 2006, 22:07
- Lokacija: Sabac
Re: ROWA 25228 Cakće mreza u stand-by *ODUSTAO*
Isti problem do naj sitnijih detalja kako je kolega opisao imam i ja.Sve proverio i opet isto.Zatvorim poklopac ali se cuje cak cak itd.Da li je mozda u medjuvremenu neko resio problem?
Re: ROWA 25228 Cakće mreza u stand-by *ODUSTAO*
Zdravo svima.
Imao takav kvar na Watson-u(11ak30) sa istim chipom u mrezi.Potrebno je proveriti da li smd blok od 100pF na pinu2 kola uopste i postoji.Ne desava se nista sa sekund. naponima-sve je u redu,ali se u st-by cuje kako cakce.pozz
Imao takav kvar na Watson-u(11ak30) sa istim chipom u mrezi.Potrebno je proveriti da li smd blok od 100pF na pinu2 kola uopste i postoji.Ne desava se nista sa sekund. naponima-sve je u redu,ali se u st-by cuje kako cakce.pozz
-
- Slične teme
- Odgovori
- Pregledano
- Zadnji post
-
- 3 Odgovori
- 967 Pregledano
-
Zadnji post napisao Stolle
26 Jun 2012, 20:58
-
-
TV ROWA 21288 Chassis M35 - Nestartuje (RESENO)
napisao milans01 » 28 Dec 2008, 18:00 » u Servisiranje CRT Televizora - 13 Odgovori
- 2753 Pregledano
-
Zadnji post napisao krllebg
05 Jan 2009, 22:57
-
-
-
ROWA 1427 - Nema fokus [REŠENO]
napisao msolajic » 03 Okt 2011, 01:17 » u Servisiranje CRT Televizora - 24 Odgovori
- 4769 Pregledano
-
Zadnji post napisao Dragan 83
10 Jun 2013, 18:17
-
-
- 3 Odgovori
- 2366 Pregledano
-
Zadnji post napisao banertd
11 Nov 2016, 20:58
-
-
TV EI Chassis B40 - Vraca se u Stand By (RESENO)
napisao bolle86 » 13 Apr 2008, 20:50 » u Servisiranje CRT Televizora - 14 Odgovori
- 3755 Pregledano
-
Zadnji post napisao bolle86
15 Apr 2008, 18:00
-
-
-
TV PANASONIC TX21W2T Chassis MX5A - Ide u Stand By (RESENO)
napisao kireelektron » 13 Nov 2008, 00:32 » u Servisiranje CRT Televizora - 10 Odgovori
- 1877 Pregledano
-
Zadnji post napisao kireelektron
14 Nov 2008, 01:02
-
-
-
TV SAMSUNG CX6202WB Chassis SCT12B - Stand By (RESENO)
napisao vlatkocopa » 10 Apr 2009, 16:13 » u Servisiranje CRT Televizora - 19 Odgovori
- 2912 Pregledano
-
Zadnji post napisao krllebg
22 Apr 2009, 21:45
-
-
-
QUADRO CTV-37D10TXT Gori otpornik u stand-by *RESENO*
napisao stojkePN » 07 Jul 2009, 01:40 » u Servisiranje CRT Televizora - 9 Odgovori
- 2287 Pregledano
-
Zadnji post napisao majstorr
10 Jul 2009, 00:14
-
