BEKO COLOUR TV 57V (Reseno)

problemi , kvarovi , sheme upload/download popravka CRT televizora
HOME -- SERVISERI -- EXPERT-TEAM -- DALJINSKI

Urednici: alexa_pg,KASA1

Pravila foruma
Naslov teme treba da bude u formatu: PROIZVOĐAČ, MODEL, KRATAK OPIS KVARA
Nakon rešenog kvara zatvoriti temu >> >UPUTSTVO< u suprotnom ništa ne činiti.

HOME -- SERVISERI -- DALJINSKI -- RAZNA UPUTSTVA
Avatar
SaleSk
___
___
Postovi: 656
Pridružen: 04 Nov 2006, 21:08
Location: Skopje
Warranty service: Siemens, Konica Minolta, Kodak, B Braun, Dade Behring, Johnson & Johnson, Drew, TerumoBCT
Kontakt:

BEKO COLOUR TV 57V (Reseno)

Post napisao SaleSk » 15 Mar 2010, 13:56

FIRMA: Beko
MODEL: Colour TV 57V
CHASSIS(oznaka šasije):
MCU(procesor): M50436-589SP
VERTIKALA: 2SA949; 2SC2073
AUDIO: AN7178
VIDEO: TA8659N
SMPS (mreža): Tranzistorska
FBT (vn trafo): TFB-404xxx
TUNER: ET561A

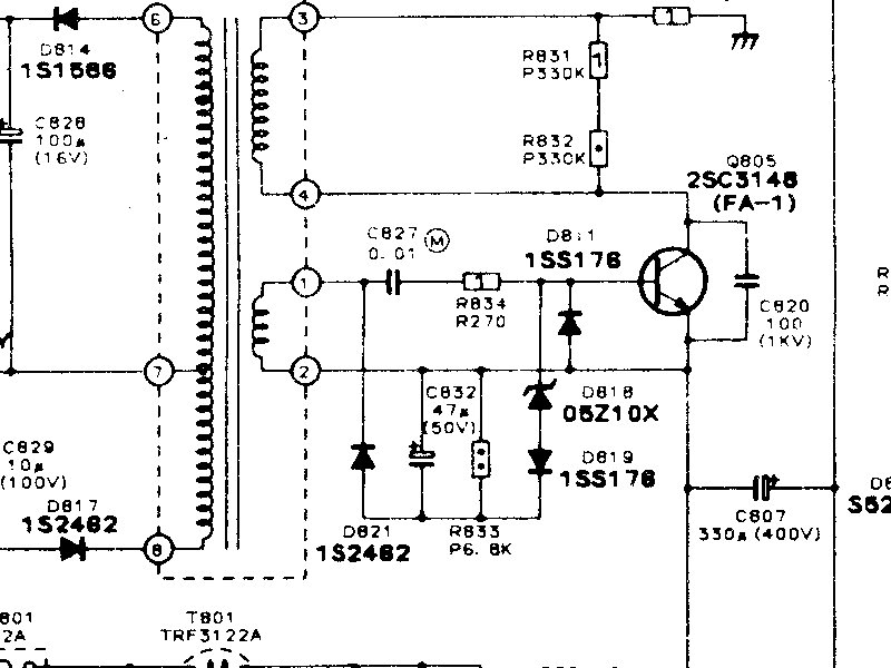
KVAR i OPIS KVARA: TV je dosao sa losim elkosima, karakteristicno za njega i njegove godine...Zbog starosti, dok sam menjao elko 10/50 V koj je u seriji vezan sa otporom od 470 oma, a nisu naslikani u semi, mehanicki ostecena zener dioda D818 sa oznakom O5Z10X koja je vezana u seriju sa D819 sa oznakom 1SS176... Pretpostavljam da je D818 zenerica od 10V, ali nisam bas siguran pa dali neko od kolega zna tacnu vrednost.
Semu imam ali dzaba kada su te oznake po njoj :)
Hvala
Prilog
sema.jpg
14032010889.jpg
14032010890.jpg
Zadnja izmena: SaleSk, dana 15 Mar 2010, 21:17, ukupno menjano 1 put.
Dusevni bolesnik nikada ne napada bez razloga. U tome se razlikuje od normalnih ljudi.

Avatar
eLAB
___
___
Postovi: 321
Pridružen: 08 svi 2007, 14:58
Location: Srbija
Lokacija: Pancevo

Re: BEKO COLOUR TV 57V

Post napisao eLAB » 15 Mar 2010, 14:08

Pozdrav,

jeste 10V je, pogledaj ovde http://www.datasheetarchive.com/O5Z10X-datasheet.html

Pozdrav,
Dejan.

Avatar
nec
Site Admin
Site Admin
Postovi: 4849
Pridružen: 17 Okt 2007, 22:15
Location: Makedonija, Strumica
Phone number: 0038978425778
Specialty: tv-multimedia
Kontakt:

Re: BEKO COLOUR TV 57V

Post napisao nec » 15 Mar 2010, 14:22

Nije lose da zamenis i elkose na sekundaru, za 5V i -30V
Kad zamenimo ideje svi imamo duplo vise ideja

Avatar
SaleSk
___
___
Postovi: 656
Pridružen: 04 Nov 2006, 21:08
Location: Skopje
Warranty service: Siemens, Konica Minolta, Kodak, B Braun, Dade Behring, Johnson & Johnson, Drew, TerumoBCT
Kontakt:

Re: BEKO COLOUR TV 57V

Post napisao SaleSk » 15 Mar 2010, 14:26

Ma zamenio sam sve elkose, nego sam sinoc kasno radio oko 22.00, a i verovatno dioda zbog grejanja je bila krta, pa kad sam vadio / stavljao novi elko, pukla je a i sva sreca sto sam je video...Mada moze i bez nje :)) da radi al necu tako da ga ostavim :))
eLAB je napisao:jeste 10V je, pogledaj ovde http://www.datasheetarchive.com/O5Z10X-datasheet.html
Dejan.
:pivopije:
Dusevni bolesnik nikada ne napada bez razloga. U tome se razlikuje od normalnih ljudi.

Avatar
Majstor Duja
Neaktivan
Postovi: 3136
Pridružen: 23 Avg 2006, 17:29
Location: Novi Sad - centar
Warranty service: http://www.elektrocentar.com
Contact person: Goran Duic
Specialty: tv-multimedia

Re: BEKO COLOUR TV 57V

Post napisao Majstor Duja » 15 Mar 2010, 19:56

SaleSK:
Znaci li to da je onda [RESENO]? Prvi post, EDIT, Submit? Zaboravio?
:pivopije:
Rule #1 "Always stand for what you believe, even if it means standing alone."

Avatar
SaleSk
___
___
Postovi: 656
Pridružen: 04 Nov 2006, 21:08
Location: Skopje
Warranty service: Siemens, Konica Minolta, Kodak, B Braun, Dade Behring, Johnson & Johnson, Drew, TerumoBCT
Kontakt:

Re: BEKO COLOUR TV 57V

Post napisao SaleSk » 15 Mar 2010, 20:17

Majstor Duja je napisao:SaleSK:
Znaci li to da je onda [RESENO]? Prvi post, EDIT, Submit? Zaboravio?
:pivopije:
Pa kolko ja znam nije mi Alchajmer u krvnom srodstvu lolzi lolzi
Nisam jos sklopio TV evo ga na stolu...Upisacu, ne brini...
Za nekih sat vremena....
Bice to i za jos jednog posta :fanzo:


Edit: A el sam brz :yeah:
Sa ubacivanjem zenerke od 10V na poziciji D818 i zamenom elektrolita kao i korekcijom nekoliko hladnih lemova smatram da se moze upisati reseno u naslovu :lala:
Hvala svima na nesebicnoj pomoci i sugestijama...
:pivopije:
Tacno jedan sat :pivopije:
Dusevni bolesnik nikada ne napada bez razloga. U tome se razlikuje od normalnih ljudi.

Odgovori
  • Slične teme
    Odgovori
    Pregledano
    Zadnji post

Natrag na “Servisiranje CRT Televizora”