PS kazes da se trafo greje (jesi merio napon B+ dok se trafo greje da slucajno nemas pad napona)
TV SAMSUNG CW28C7HG Chassis KS3A - Napon B+
Pravila foruma
Naslov teme treba da bude u formatu: PROIZVOĐAČ, MODEL, KRATAK OPIS KVARA
Nakon rešenog kvara zatvoriti temu >> >UPUTSTVO< u suprotnom ništa ne činiti.
HOME -- SERVISERI -- DALJINSKI -- RAZNA UPUTSTVA
Naslov teme treba da bude u formatu: PROIZVOĐAČ, MODEL, KRATAK OPIS KVARA
Nakon rešenog kvara zatvoriti temu >> >UPUTSTVO< u suprotnom ništa ne činiti.
HOME -- SERVISERI -- DALJINSKI -- RAZNA UPUTSTVA
- nec
- Site Admin

- Postovi: 4849
- Pridružen: 17 Okt 2007, 22:15
- Location: Makedonija, Strumica
- Phone number: 0038978425778
- Specialty: tv-multimedia
- Kontakt:
Re: TV SAMSUNG CW28C7HG Chassis KS3A - Napon B+
najbolje mozes ovako otkaci HIS tranzistor i prikaci
pa tako rasterecen mozes meriti frekfenciju na bazi HIS tranzistora (koji je otkacen) kad dobijes trazenu frekfenciju mozes prikaciti HIS tranzistor,
PS kazes da se trafo greje (jesi merio napon B+ dok se trafo greje da slucajno nemas pad napona)
PS kazes da se trafo greje (jesi merio napon B+ dok se trafo greje da slucajno nemas pad napona)
Kad zamenimo ideje svi imamo duplo vise ideja
- alexa_pg
- Site Admin

- Postovi: 6035
- Pridružen: 22 Avg 2006, 08:10
- Location: Podgorica
- Specialty: tv-multimedia
Re: TV SAMSUNG CW28C7HG Chassis KS3A - Napon B+
Sve sto bih u ovom casu imao da kazem vec su kolege rekle. Ponovicu sve to ali kao jednu cjelinu.
- Prvo otkaci linijski tranzistor i radi popravku bez njega.
- Prikaci na +B vestacko opterecenje (sijal. 75W)
- Napon u tacki +B mora biti stabilan i iznosi +130V
- Oscilator je u kolu 201 izlaz je na pinu 50. Moras imati impulse f=15KHz
- Izmedju oscilatora i drajvera imas jos jedno kolo 401 pa provjeri njegovo napajanje kao i talasni oblik signala koji ulazi odnosno izlazi
- Provjeri sam drajver 402
U prilogu je talasni oblik signala na drajveru. Odprilike po obliku je isti ovakav i na izlazu iz oscilatora samo manji po amplitudi.
Kad sve ovo provjeris videcemo sta dalje.
- Prvo otkaci linijski tranzistor i radi popravku bez njega.
- Prikaci na +B vestacko opterecenje (sijal. 75W)
- Napon u tacki +B mora biti stabilan i iznosi +130V
- Oscilator je u kolu 201 izlaz je na pinu 50. Moras imati impulse f=15KHz
- Izmedju oscilatora i drajvera imas jos jedno kolo 401 pa provjeri njegovo napajanje kao i talasni oblik signala koji ulazi odnosno izlazi
- Provjeri sam drajver 402
U prilogu je talasni oblik signala na drajveru. Odprilike po obliku je isti ovakav i na izlazu iz oscilatora samo manji po amplitudi.
Kad sve ovo provjeris videcemo sta dalje.
- Prilog
-
- Hor_osc.JPG (21.34 KiB) Pregledano 3435 puta.
"I ja volim ljude ali ih sve manje podnosim"
- nec
- Site Admin

- Postovi: 4849
- Pridružen: 17 Okt 2007, 22:15
- Location: Makedonija, Strumica
- Phone number: 0038978425778
- Specialty: tv-multimedia
- Kontakt:
Re: TV SAMSUNG CW28C7HG Chassis KS3A - Napon B+
moguce da opet nevalja VN trafo (kako sam napisao otkaci tranzistor i meri frekfenciju ) ako u tom slucaju imas dobru frekfenciju 15.625Hz moguce da je trafo otisao u vecna lovista
Ps sve se vise povtaramo sa kolegama
Ps sve se vise povtaramo sa kolegama
Kad zamenimo ideje svi imamo duplo vise ideja
-
dane
- gx

- Postovi: 370
- Pridružen: 02 Apr 2007, 16:38
- Location: Hrvatska
- Contact person: Dane
- Specialty: tv-multimedia
- Lokacija: cro
Re: TV SAMSUNG CW28C7HG Chassis KS3A - Napon B+
hvala kolege ali sutra ču da probam sve po redu ali kolega alexa ima jedan problem ovaj napon b+meni je bez sijalice 172v a sa sijalicom 145v nisam siguran koji bi trebao biti a niko nema shemu sa fuj29b002 da budem siguran da je napon iz mreže ok ali sutra ču probat mijerit frekvenciju pa čemo vidjeti
Dane
Re: TV SAMSUNG CW28C7HG Chassis KS3A - Napon B+
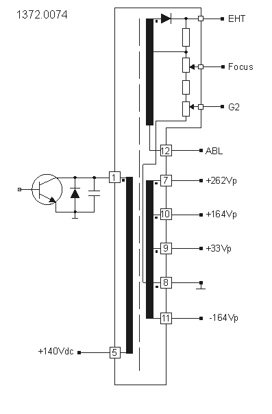
Napon iz mreze regulise KA431 i to Vo=Vref * (1+ R821/R819) , Vref=2.5V, R819=2.49k. R821 je opcioni i zavisi od velicine ekrana. E sad na svim semama KS3A je R821 133k sto je nekih 136V, a to je za ekrane do 55cm. Za ove vece (59cm i vise), kolko se secam,on je uglavnom 152k pa je napon oko 155V, sto kaze da ako je kod tebe na ploci R821 ove vrednosti ti imas umanjen napon iz mreze. Naravno da je i split trafo opcioni i zavisi od tog napona. I mene je ovaj napon u pocetku zbunjivao dok nisam otkrio u cemu je stos. I sa otkacenim HISom ovaj napon ne bi trebao toliko varirati. Ekvivalent za ovaj trafo bi trebao biti Eldor 1372.0074
- Prilog
-
- 13720074R.gif (6.36 KiB) Pregledano 3412 puta.
-
dane
- gx

- Postovi: 370
- Pridružen: 02 Apr 2007, 16:38
- Location: Hrvatska
- Contact person: Dane
- Specialty: tv-multimedia
- Lokacija: cro
Re: TV SAMSUNG CW28C7HG Chassis KS3A - Napon B+
kolege što se tiče oscilatora sve je ok frekvencija se kod 100hz tv množi sa 2 i u ovom slučaju kad se izvadi izlazni tranzisstor ona iznosi 32,45 khz što je ok ali sada ostaje kako eliminirati vn trafo koji se grije i da li neko zna da li kad se mjeri na izlaznom tranzistoru osciloskopom na bazi kakav treba biti oscilogram kod mene je dosta šiljat
Dane
- alexa_pg
- Site Admin

- Postovi: 6035
- Pridružen: 22 Avg 2006, 08:10
- Location: Podgorica
- Specialty: tv-multimedia
Re: TV SAMSUNG CW28C7HG Chassis KS3A - Napon B+
Uopste nije bitno da li je f=15KHz ili x2. Bitno je da nije
Ako oscilator radi ispravno, naruci novi trafo.
i nije...mijerio sam frekvenciju i ona iznosi 100khz ...
kao sto si ti mjerio...i dalje isti problem frekvencija je 225khz...
Ako oscilator radi ispravno, naruci novi trafo.
"I ja volim ljude ali ih sve manje podnosim"
-
dane
- gx

- Postovi: 370
- Pridružen: 02 Apr 2007, 16:38
- Location: Hrvatska
- Contact person: Dane
- Specialty: tv-multimedia
- Lokacija: cro
Re: TV SAMSUNG CW28C7HG Chassis KS3A - Napon B+
kolege evo mene ponovo sa ovim tv nabavio sam vn trafo i zamjenio ga i tv je proradio ali mi se hor tranzistor previše grijo i izgorio mi je za 4 sata rada tv slika je bila ok pa me zanima što bi to moglo uzrokovati izgaranje hor tranzistora tranzistor je probio u svim smjerovima
Dane
- vlatkocopa
- gx

- Postovi: 3030
- Pridružen: 04 Jun 2008, 22:41
- Location: Makedonija-Kumanovo
- Contact person: Vlado
- Phone number: 0038931420808
- Specialty: tv
Re: TV SAMSUNG CW28C7HG Chassis KS3A - Napon B+
Kakav si VN-trafo stavio...original,kinez,hr..?
Pozz
Pozz
Za sjaj u očima, rumenilo u licu i lepršav hod - koristite kozmetiku -Šljivovica a moze i domaca jabukovaca ..:))
- vlatkocopa
- gx

- Postovi: 3030
- Pridružen: 04 Jun 2008, 22:41
- Location: Makedonija-Kumanovo
- Contact person: Vlado
- Phone number: 0038931420808
- Specialty: tv
Re: TV SAMSUNG CW28C7HG Chassis KS3A - Napon B+
Imao sam slicnih problema i sa nekvalitetnim J6920... 
Za sjaj u očima, rumenilo u licu i lepršav hod - koristite kozmetiku -Šljivovica a moze i domaca jabukovaca ..:))
- krllebg
- ___

- Postovi: 1719
- Pridružen: 27 Avg 2006, 19:45
- Location: Beograd
- Warranty service: DeGermany
- Specialty: tv
- Lokacija: Beograd
- Kontakt:
Re: TV SAMSUNG CW28C7HG Chassis KS3A - Napon B+
100Hz sasije imaju lose odradjene otklone,moguce da je kod tebe jedan od tih slucajeva ... nazalost,ti otkloni se tesko nalaze.Jednom mojem kolegi je tv stajao preko 3 meseca cekajuci deo,probleme sa strankom i da nespominjemo.Nebih da te plasim,ali ovu varijantu bi trebalo razmotriti ...
... Here lies a man whom is little known !!!
-
dane
- gx

- Postovi: 370
- Pridružen: 02 Apr 2007, 16:38
- Location: Hrvatska
- Contact person: Dane
- Specialty: tv-multimedia
- Lokacija: cro
Re: TV SAMSUNG CW28C7HG Chassis KS3A - Napon B+
hvala kolege na odgovorima danas se ponovo hvatam lemilice i ispitivanja prvo ču malo preletat šasiju da nije negdje hladni spoj a poslije toga idem sa ispitivanjem pa čemo vidjeti jako se grije j 6920 a trafo se ne grije
Dane
-
Palme
- ___

- Postovi: 378
- Pridružen: 25 Jun 2007, 20:32
- Location: Sweden
- Contact person: Damir
- Phone number: 0046 31 811238
- Specialty: tv-multimedia
Re: TV SAMSUNG CW28C7HG Chassis KS3A - Napon B+
Koji tranzistor si stavio umjesto prgorelog?Orginal je D5703,,nadam se da si stavio takav,,ako nisi onda znamo u cemu je problem,,
-
dane
- gx

- Postovi: 370
- Pridružen: 02 Apr 2007, 16:38
- Location: Hrvatska
- Contact person: Dane
- Specialty: tv-multimedia
- Lokacija: cro
Re: TV SAMSUNG CW28C7HG Chassis KS3A - Napon B+
kolega stavio sam j6920 tranzistor radi se o 100hz tv ovaj sam dobio iz samsungovog servisa i kolega kaže da je taj najbolji
danas sam otpojio tranzistor i stavio sijalicu mijerio sam frekvenciju i ona je 32khz i osciloskopom sam mijerio točku tp08 koja je ok i mijerio sam napon b+koji iznosi 146v da li mogu mijeriti i tp 03 dok je
bez tranzistora ili moram stavit tranzistor hvala
danas sam otpojio tranzistor i stavio sijalicu mijerio sam frekvenciju i ona je 32khz i osciloskopom sam mijerio točku tp08 koja je ok i mijerio sam napon b+koji iznosi 146v da li mogu mijeriti i tp 03 dok je
Dane
-
dane
- gx

- Postovi: 370
- Pridružen: 02 Apr 2007, 16:38
- Location: Hrvatska
- Contact person: Dane
- Specialty: tv-multimedia
- Lokacija: cro
Re: TV SAMSUNG CW28C7HG Chassis KS3A - Napon B+
kolege jučer sam mijerio tp03 i stavio sam tranzistor gornja amlituda je ok a donja ide u špic nešto ipak nije ok i dalje mi se grije tranzistor
Dane
-
dane
- gx

- Postovi: 370
- Pridružen: 02 Apr 2007, 16:38
- Location: Hrvatska
- Contact person: Dane
- Specialty: tv-multimedia
- Lokacija: cro
Re: TV SAMSUNG CW28C7HG Chassis KS3A - Napon B+
evo kolege ovako izgleda slika kad se uključi tv i ide prema dolje ove crtice
Dane
- alexa_pg
- Site Admin

- Postovi: 6035
- Pridružen: 22 Avg 2006, 08:10
- Location: Podgorica
- Specialty: tv-multimedia
Re: TV SAMSUNG CW28C7HG Chassis KS3A - Napon B+
Ako se ove smetnje krecu lagano odozgo na dole, rekao bih da ne valja mrezni stepen. Prvo bih provjerio mrezni elko.
"I ja volim ljude ali ih sve manje podnosim"
-
- Slične teme
- Odgovori
- Pregledano
- Zadnji post
-
-
SAMSUNG CW28C7NG KS3A 100Hz napon B+ 100v RIJEŠENO
napisao robert » 29 Sep 2009, 12:11 » u Servisiranje CRT Televizora - 3 Odgovori
- 1113 Pregledano
-
Zadnji post napisao robert
19 Mar 2010, 11:31
-
-
-
Tv Samsung CW28D85V chassis KS3A vertikala+brujanje INFO
napisao Sapun » 19 Jun 2009, 05:13 » u Servisiranje CRT Televizora - 0 Odgovori
- 1109 Pregledano
-
Zadnji post napisao Sapun
19 Jun 2009, 05:13
-
-
-
Samsung KS3A sužena slika po horizontali (Odustao)
napisao Baba » 16 Okt 2015, 14:11 » u Servisiranje CRT Televizora - 5 Odgovori
- 3038 Pregledano
-
Zadnji post napisao alexa_pg
20 Okt 2015, 16:52
-
-
-
TV SAMSUNG CK5339ZB Chassis SCT11D - Varira napon (RESENO)
napisao sky_hawk » 10 Avg 2008, 17:13 » u Servisiranje CRT Televizora - 26 Odgovori
- 5324 Pregledano
-
Zadnji post napisao sky_hawk
14 Avg 2008, 16:12
-
-
-
TV LOREN-SEBO (SAMSUNG CB512Z ) - Mrezni napon (RESENO)
napisao majstorr » 26 Nov 2007, 21:10 » u Servisiranje CRT Televizora - 8 Odgovori
- 1675 Pregledano
-
Zadnji post napisao majstorr
05 Dec 2007, 23:17
-
-
-
TV EI 5671 Chassis B30 - Nema visoki napon (RESENO)
napisao stojkePN » 24 Jun 2008, 17:48 » u Servisiranje CRT Televizora - 20 Odgovori
- 4141 Pregledano
-
Zadnji post napisao alexa_pg
02 Jul 2008, 16:54
-
-
-
TV VIVAX 2901SF Chassis PH02 - Povisen napon
napisao dane » 07 Avg 2008, 18:47 » u Servisiranje CRT Televizora - 39 Odgovori
- 6148 Pregledano
-
Zadnji post napisao alexa_pg
18 Avg 2008, 14:09
-
-
-
TV ISKRA TV81 - Napon za horizontalu (REŠENO)
napisao antalj » 28 Apr 2008, 15:18 » u Servisiranje CRT Televizora - 6 Odgovori
- 1117 Pregledano
-
Zadnji post napisao sasafras
28 Apr 2008, 22:19
-

