TV SAMSUNG SMR40200 - Uni mreza by Nipur (INFO)
Pravila foruma
Naslov teme treba da bude u formatu: PROIZVOĐAČ, MODEL, KRATAK OPIS KVARA
Nakon rešenog kvara zatvoriti temu >> >UPUTSTVO< u suprotnom ništa ne činiti.
HOME -- SERVISERI -- DALJINSKI -- RAZNA UPUTSTVA
Naslov teme treba da bude u formatu: PROIZVOĐAČ, MODEL, KRATAK OPIS KVARA
Nakon rešenog kvara zatvoriti temu >> >UPUTSTVO< u suprotnom ništa ne činiti.
HOME -- SERVISERI -- DALJINSKI -- RAZNA UPUTSTVA
Re: TV SAMSUNG - SMR40200 - Uni mreza by Nipur (INFO)
Evo i mog iskustva sa UNI modulom E11-010 SUPER OZAY. Dva modula sam probao u četiri TV-a i video sam da je nestabilna slika po vertikali. U gornjem delu slike dobijam neku svetliju traku širine 3-4 cm po horizontali. Mušterija mi se žali na podrhtavanje slike po vertikali, koje se najviše primećuje po LOGO-u programa. Nabavio sam SMR i HIS u kompletu i vratio sve po starom na sva četiri TV i sve je bilo OK. Jednom rečju ove uni mreže koje imam ja, nijedna mi se nije pokazala dobra kad ju u pitanju SAMSUNG inače jednu sam koristio kod TV-a QUADRO koji dan danas dobro radi po rečima mušterije. Pozdrav
- cacko85
- gx
- Postovi: 1746
- Pridružen: 03 Dec 2008, 17:51
- Location: Macedonia
- Contact person: Slavche
- Specialty: tv-multimedia
- Lokacija: Sveti Nikole
- Kontakt:
Re: TV SAMSUNG - SMR40200 - Uni mreza by Nipur (INFO)
Uf, majke mu gaSully je napisao:...Mušterija mi se žali na podrhtavanje slike po vertikali...

Juce sam dobio jedan Samsung SCT11D u koi neki kolega je ugradzio (SMPS01, 1015-06, GZM SUPER, SMPS BEZLEME) pred nekoliko godina i elkosi su isushile pa napon na sekundaru je skoknuo izato shta nema R2KN (kolega ni je ugradzio) crknuo je HIS tranzistor.
Posle opravka na mreza i HIS, slika je podrhtavala po vertikalu neshto oko 0,5-1mm i najvishe se primetuje na logo od programa

Zameneto sve u vertikalu i opet tako, danas sam mislio da vidim neshta drugo ali cim kazes tako valjda je od mreza.

www.facebook.com/slavceelectronics
- tom
- gxu
- Postovi: 2297
- Pridružen: 23 Apr 2007, 20:01
- Location: Strumica
- Contact person: TOME
- Specialty: tv
- Lokacija: Makedonija
Re: TV SAMSUNG - SMR40200 - Uni mreza by Nipur (INFO)
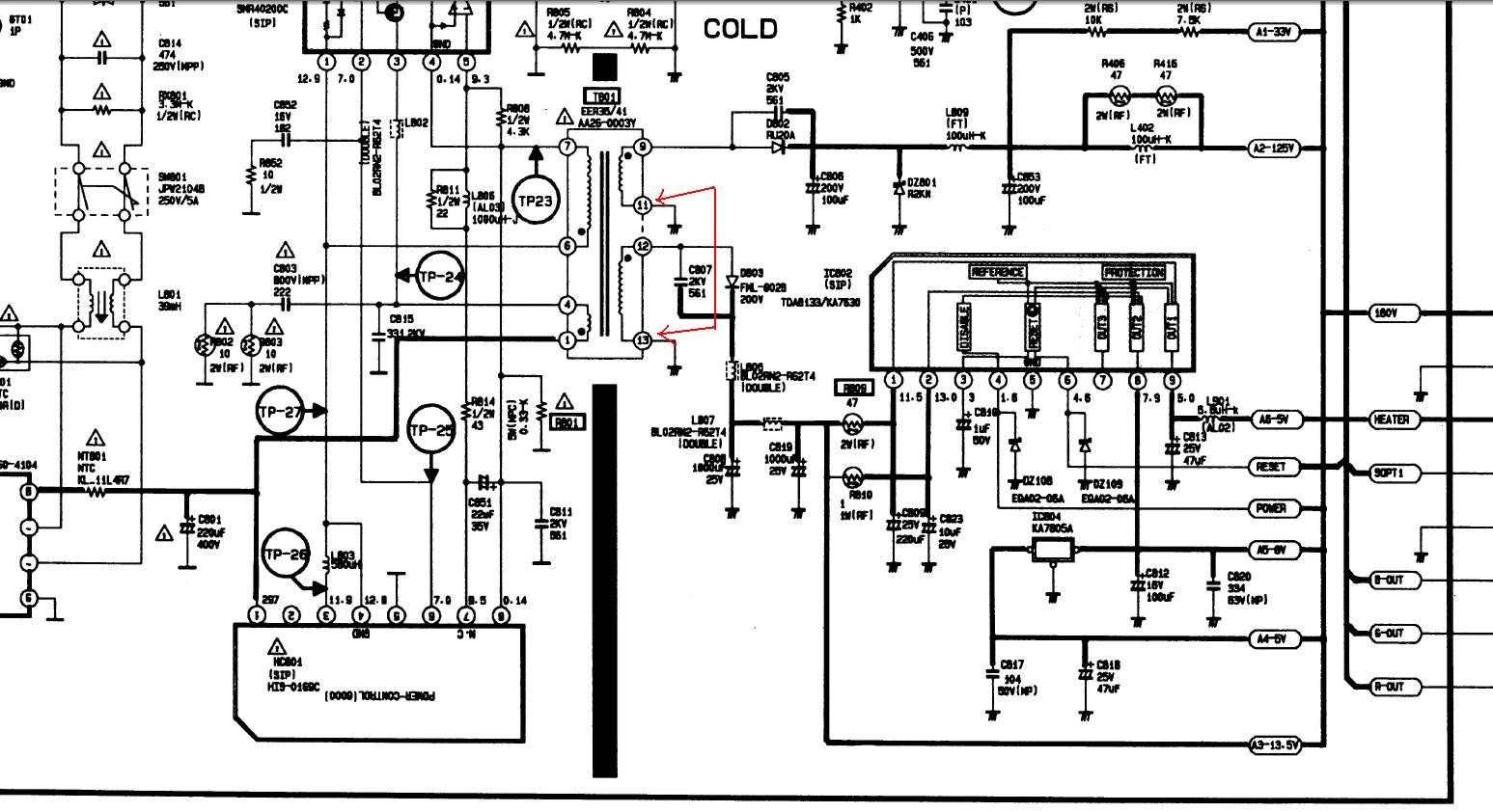
Originalni trafo ima dve (2) "mase", iliti dva odvojeno motana namotaja što bi značilo gnd i +B=125V i gnd i +16V, dok na uni mrežu imate "zajednički" gnd ili "masu", zato da ne bi došlo do titranja treba napraviti dva gnd iliti "mase" da bi došlo kao da imate dva posebno motana navoja za 125V i 16V... E sad kako to izvesti ostaje vama ... 

TOME
- cacko85
- gx
- Postovi: 1746
- Pridružen: 03 Dec 2008, 17:51
- Location: Macedonia
- Contact person: Slavche
- Specialty: tv-multimedia
- Lokacija: Sveti Nikole
- Kontakt:
Re: TV SAMSUNG - SMR40200 - Uni mreza by Nipur (INFO)
Spoijo sam oboje masi (za 125V i 16V) sa kratkospojnik i slika vise ne podrhtava.




www.facebook.com/slavceelectronics
- Stolle
- Preminuo
- Postovi: 19098
- Pridružen: 12 Avg 2006, 23:35
- Location: Srbija
- Specialty: tv-multimedia
- Lokacija: Dimitrovgrad
Re: TV SAMSUNG - SMR40200 - Uni mreza by Nipur (INFO)
Nije baš najjasnije. Gde si spojio? Mogao si to da slikaš.
"29 poslednjih dana u mesecu je najteže"
- cacko85
- gx
- Postovi: 1746
- Pridružen: 03 Dec 2008, 17:51
- Location: Macedonia
- Contact person: Slavche
- Specialty: tv-multimedia
- Lokacija: Sveti Nikole
- Kontakt:
- Liskun Elektronik
- gx
- Postovi: 1608
- Pridružen: 13 Avg 2006, 10:37
- Location: Srbija
- Warranty service: ERG-VOX
- Specialty: tv-multimedia
- Lokacija: Stara Pazova
Re: TV SAMSUNG - SMR40200 - Uni mreza by Nipur (INFO)
Bas cudno pa na uni mrezi su mase zajedno znaci kad ih spojis na plocu automatcki spajas i te mase na ploci,ili si ti ipak ugradio kao tu original sa odvojenim masama pa si morao da ih kratko spojis???? ili ja ovde nista nisam razumeo
,ko razume shvatice,bitno je da radi 


Mora da se zna ko namesta antenu, a ko vice ne valja :)
-
- _
- Postovi: 4
- Pridružen: 06 Jun 2009, 12:48
- Location: Zemun
- Warranty service: QUADRO, TELEFUNKEN
- Contact person: Milorad
- Specialty: tv
Re: TV SAMSUNG - SMR40200 - Uni mreza by Nipur (INFO)
Suprotno od Tomovog resenja 

- cacko85
- gx
- Postovi: 1746
- Pridružen: 03 Dec 2008, 17:51
- Location: Macedonia
- Contact person: Slavche
- Specialty: tv-multimedia
- Lokacija: Sveti Nikole
- Kontakt:
Re: TV SAMSUNG - SMR40200 - Uni mreza by Nipur (INFO)
Da na semu ne se vidi razlika, ali masu na 16V idu preku (od) druga strana t.e. mislim da idu i preko neki mini zavojnici.
Tacno da UNI Mreza ima spojeni masu sta mu dzodze isto, ali
radi.
Primeru na napajanje na racunar na oni 20(22) pinski konektor idu puno masi, a ako u mrezu su svi na istu tacku.
Ne mogu sada da slikam ali ako ima neko ta shasija neka vidi bolje kao se razlikuju obe mase a na semu nije bash uocito.

Tacno da UNI Mreza ima spojeni masu sta mu dzodze isto, ali

Primeru na napajanje na racunar na oni 20(22) pinski konektor idu puno masi, a ako u mrezu su svi na istu tacku.
Ne mogu sada da slikam ali ako ima neko ta shasija neka vidi bolje kao se razlikuju obe mase a na semu nije bash uocito.

www.facebook.com/slavceelectronics
- tom
- gxu
- Postovi: 2297
- Pridružen: 23 Apr 2007, 20:01
- Location: Strumica
- Contact person: TOME
- Specialty: tv
- Lokacija: Makedonija
Re: TV SAMSUNG - SMR40200 - Uni mreza by Nipur (INFO)
Da ne bi bilo zabune pričamo o ovoj mreži...SMR40200 kit

a ne o ovoj Uni mreži dole od 0V do 200V (iako može i ova da se koristi ali sa "strane")


a ne o ovoj Uni mreži dole od 0V do 200V (iako može i ova da se koristi ali sa "strane")

TOME
- cacko85
- gx
- Postovi: 1746
- Pridružen: 03 Dec 2008, 17:51
- Location: Macedonia
- Contact person: Slavche
- Specialty: tv-multimedia
- Lokacija: Sveti Nikole
- Kontakt:
Re: TV SAMSUNG - SMR40200 - Uni mreza by Nipur (INFO)
Tome ovo dole je ugradzen (SUPER 0-200V), ugradzen je od strana sa zicima.
www.facebook.com/slavceelectronics
Re: TV SAMSUNG SMR40200 - Uni mreza by Nipur (INFO)
Zna li neko gde se moze naci gore pomenuti mrezni modul za samsunga,ili ako neko ima koji visak?
- Majstor Duja
- Neaktivan
- Postovi: 3136
- Pridružen: 23 Avg 2006, 17:29
- Location: Novi Sad - centar
- Warranty service: http://www.elektrocentar.com
- Contact person: Goran Duic
- Specialty: tv-multimedia
Re: TV SAMSUNG SMR40200 - Uni mreza by Nipur (INFO)
Rule #1 "Always stand for what you believe, even if it means standing alone."
-
- Slične teme
- Odgovori
- Pregledano
- Zadnji post
-
-
TV SAMSUNG CB5020Z Chassis SCT11D - SMR40200 (RESENO)
napisao Hakija » 25 Dec 2008, 12:20 » u Servisiranje CRT Televizora - 37 Odgovori
- 5576 Pregledano
-
Zadnji post napisao Hakija
01 Jan 2009, 18:14
-
-
- 0 Odgovori
- 1974 Pregledano
-
Zadnji post napisao Stolle
15 Okt 2017, 19:48
-
- 0 Odgovori
- 2115 Pregledano
-
Zadnji post napisao Stolle
05 Nov 2017, 19:26
-
-
UNI-T UT803 stacionirani multimetar True RMS
napisao Kamenni » 10 Jul 2021, 10:38 » u SRB PRODAJA - OSTALO - 0 Odgovori
- 2410 Pregledano
-
Zadnji post napisao Kamenni
10 Jul 2021, 10:38
-
-
-
TV SAMSUNG CK5081T Chassis P69SA - Mreza (RESENO)
napisao xho » 29 Nov 2007, 16:42 » u Servisiranje CRT Televizora - 46 Odgovori
- 6147 Pregledano
-
Zadnji post napisao xho
09 Dec 2007, 09:07
-
-
-
TV SAMSUNG CK20H1T - Problem mreza
napisao zelic » 09 Jan 2008, 20:26 » u Servisiranje CRT Televizora - 1 Odgovori
- 995 Pregledano
-
Zadnji post napisao milan
09 Jan 2008, 20:36
-
-
-
TV SAMSUNG - Univerzalna mreza TELESAN SMPS04 (RESENO)
napisao sharp666 » 21 Apr 2009, 22:19 » u Servisiranje CRT Televizora - 6 Odgovori
- 1883 Pregledano
-
Zadnji post napisao Majstor Duja
22 Apr 2009, 08:49
-
-
- 5 Odgovori
- 1171 Pregledano
-
Zadnji post napisao Majstor Duja
19 svi 2010, 16:13