TV RECOR CTV4320PS Chassis RC4021A - Ne zaustavlja (RESENO)
Pravila foruma
Naslov teme treba da bude u formatu: PROIZVOĐAČ, MODEL, KRATAK OPIS KVARA
Nakon rešenog kvara zatvoriti temu >> >UPUTSTVO< u suprotnom ništa ne činiti.
HOME -- SERVISERI -- DALJINSKI -- RAZNA UPUTSTVA
Naslov teme treba da bude u formatu: PROIZVOĐAČ, MODEL, KRATAK OPIS KVARA
Nakon rešenog kvara zatvoriti temu >> >UPUTSTVO< u suprotnom ništa ne činiti.
HOME -- SERVISERI -- DALJINSKI -- RAZNA UPUTSTVA
- cacko85
- gx

- Postovi: 1752
- Pridružen: 03 Dec 2008, 17:51
- Location: Macedonia
- Contact person: Slavche
- Specialty: tv-multimedia
- Lokacija: Sveti Nikole
- Kontakt:
TV RECOR CTV4320PS Chassis RC4021A - Ne zaustavlja (RESENO)
FIRMA: RECOR
MODEL: CTV-4320PS
CHASSIS(oznaka šasije): RC4021 A-A
PCB(oznake na štampanoj ploči): 40207202
MCU(procesor): PCA84C444P/504
MF/DEFLECTION: TDA8305A
EEPROM: 24C02
VERTIKALA: TDA3653B
AUDIO: TDA1013B
VIDEO: TDA3505,TDA4565,TDA4650,TDA4661
SMPS (mreža): TRANZISTORSKA
FBT (vn trafo):
TUNER: ENV598B7F2
KVAR: Ne zaustavlja trazenje
OPIS KVARA:
TV RECOR RC4021 A-A.
Ne Radi AFT kontrola.
Tv je imao rasipan SMPS stepen toa sam popravio, ondak horizontala ni je radila kako sta treba, smenio sam svie elko kon.. vo mreza i horizontala, ver.
Ali koga Tv je dobio sliku i kad sam pokusao da trazim kanali ni je zaustavljal.
Probao sam so podesavanje na AGC I AFT Controla no ni je pomoglo. Ondak sam smenio svi elektroliti vo MF Stepenu no ni je pomoglo.
Dali neko ima ideju sta moze da bude???
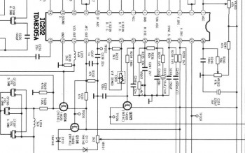
Eve zakacio sam semu na TV!
MODEL: CTV-4320PS
CHASSIS(oznaka šasije): RC4021 A-A
PCB(oznake na štampanoj ploči): 40207202
MCU(procesor): PCA84C444P/504
MF/DEFLECTION: TDA8305A
EEPROM: 24C02
VERTIKALA: TDA3653B
AUDIO: TDA1013B
VIDEO: TDA3505,TDA4565,TDA4650,TDA4661
SMPS (mreža): TRANZISTORSKA
FBT (vn trafo):
TUNER: ENV598B7F2
KVAR: Ne zaustavlja trazenje
OPIS KVARA:
TV RECOR RC4021 A-A.
Ne Radi AFT kontrola.
Tv je imao rasipan SMPS stepen toa sam popravio, ondak horizontala ni je radila kako sta treba, smenio sam svie elko kon.. vo mreza i horizontala, ver.
Ali koga Tv je dobio sliku i kad sam pokusao da trazim kanali ni je zaustavljal.
Probao sam so podesavanje na AGC I AFT Controla no ni je pomoglo. Ondak sam smenio svi elektroliti vo MF Stepenu no ni je pomoglo.
Dali neko ima ideju sta moze da bude???
Eve zakacio sam semu na TV!
- Prilog
-
RECOR,RC4020_RC4021_RC4120.rar- Eve Semu
- (1.16 MiB) Preuzeto 297 puta.
Zadnja izmena: cacko85, dana 14 Dec 2008, 15:05, ukupno menjano 5 puta.
www.facebook.com/slavceelectronics
- milan
- Preminuo
- Postovi: 4426
- Pridružen: 19 Avg 2006, 22:38
- Location: Novi Sad
- Specialty: tv-multimedia
Re: TV RECOR RC4021 A-A Ne zaustavlja trazenje
@cacko85
Molim te postavi temu u skladu sa pravilima foruma, napisi iz liste sve sto ti je poznato.
IC u MF tda..
Procesor PCA ili koji vec itd.
Hvala na razumevanju.
Molim te postavi temu u skladu sa pravilima foruma, napisi iz liste sve sto ti je poznato.
IC u MF tda..
Procesor PCA ili koji vec itd.
Hvala na razumevanju.
- Ribery
- gx

- Postovi: 668
- Pridružen: 28 Okt 2008, 20:21
- Location: Beograd
- Contact person: Darko
- Specialty: tv-multimedia
- Lokacija: Beograd-Zvezdara
- Kontakt:
Re: TV RECOR RC4021 A-A Ne zaustavlja trazenje
Probaj da zamenis memoriju a ako nije ni memorija onda je procesor riknuo. Nema sta drugo da bude posto kazes da si sve pregledao.cacko85 je napisao:Dali neko ima ideju sta moze da bude???
Posao TV servisera moras da volis da bi radio takav posao. Ovaj posao niko ne uci samo zbog novca.
- kisko
- Preminuo
- Postovi: 2054
- Pridružen: 12 Jun 2007, 01:51
- Location: Kovilj-na kraj sveta
- Specialty: tv-multimedia
- Lokacija: Kovilj-Novi sad
Re: TV RECOR RC4021 A-A Ne zaustavlja trazenje
Hehe pa kod vas sve isti kvarovi,jer i taj riknuo od onog nevremena i grmljavine
, uzgred bolje je da popuni tabelu onaj kome treba pomoć
kako reče Bora čorba: pravila,pravila....svugde važe http://monitor.espec.ws/section1/post753718.html
AFT sigurno,prati signal i vidi gde se gubi....Dali neko ima ideju sta moze da bude???
Zadnja izmena: kisko, dana 14 Dec 2008, 14:55, ukupno menjano 1 put.
uvek ima nesto interesantno
- cacko85
- gx

- Postovi: 1752
- Pridružen: 03 Dec 2008, 17:51
- Location: Macedonia
- Contact person: Slavche
- Specialty: tv-multimedia
- Lokacija: Sveti Nikole
- Kontakt:
Re: TV RECOR RC4021 A-A Ne zaustavlja trazenje
Hehe, nije od grmljava :)kisko je napisao:Hehe pa kod vas sve isti kvarovi,jer i taj riknuo od onog nevremena i grmljavine, uzgred bolje je da popuni tabelu onaj kome treba pomoć
kako reče Bora čorba: pravila,pravila....svugde važe http://monitor.espec.ws/section1/post753718.html
AFT sigurno,prati signal i vidi gde se gubi....Dali neko ima ideju sta moze da bude???
Ali kako ste me ulovile pa toa sam ja sa moim user na espec :) :) Koristio sam Google translate za da prevedem tekst mozda ima neke greske ali sta da radsim kad ne razumem Ruskog jezik
Ej pomazete ne e sala, ispitao sam sve sta mi je padnao na um, pa mora da pisem na mnogu forumi pa da sporedim rezultate :)
Moguce li je da je nekoj elektrolit sta ne sam go otkrio???
www.facebook.com/slavceelectronics
- dzafer
- gx

- Postovi: 2520
- Pridružen: 21 Sep 2006, 13:13
- Location: BIH SARAJEVO-ILIDŽA
- Specialty: tv-multimedia
Re: TV RECOR RC4021 A-A Ne zaustavlja trazenje
"cacko85" treba da postavis temu po pravilima foruma ako mislis da dobijes adekvatan odgovor a to je da dopunis ovajcacko85 je napisao:Evo zakacio sam semu pa moze da pogledate.milan je napisao:@cacko85
Molim te postavi temu u skladu sa pravilima foruma, napisi iz liste sve sto ti je poznato.
IC u MF tda..
Procesor PCA ili koji vec itd.
Hvala na razumevanju.
dio texsta koji je postavljen iznad tvog prvog posta to je svga 2-3 minuta posla za neke i krace
(jedino ako se zna tacno koja je shassija pa se napise onda ovaj text toliko nije ni bitnan)
Mozda se nebi trebali ni davati odgovori dok se ovo navedeno na ispostuje
džale
Bez alata nema zanata, a bez znanja ni najbolji alat neće pomoći.
Bez alata nema zanata, a bez znanja ni najbolji alat neće pomoći.
- tom
- gxu

- Postovi: 2299
- Pridružen: 23 Apr 2007, 20:01
- Location: Strumica
- Contact person: TOME
- Specialty: tv
- Lokacija: Makedonija
Re: TV RECOR CTV4320PS Chassis: RC4021A-A Ne zaustavlja trazenje
Dobronamerna i korisna opaska...
Kad se odgovara na prethodni tekst odgovara se dugmetom "ODGOVORI" ( koje se nalazi ispod zadnjeg posta na levoj strani ), a ne dugmetom "CITIRAJ" (koje se nalazi u zadnjem postu gore desno ) ...
Naravno da se može odgovoriti i sa "CITIRAJ' ali pritom izvučes iz konteksta ono što je bitno (srž) za odgovor...
Kad se odgovara na prethodni tekst odgovara se dugmetom "ODGOVORI" ( koje se nalazi ispod zadnjeg posta na levoj strani ), a ne dugmetom "CITIRAJ" (koje se nalazi u zadnjem postu gore desno ) ...
Naravno da se može odgovoriti i sa "CITIRAJ' ali pritom izvučes iz konteksta ono što je bitno (srž) za odgovor...
TOME
- vlatkocopa
- gx

- Postovi: 3034
- Pridružen: 04 Jun 2008, 22:41
- Location: Makedonija-Kumanovo
- Contact person: Vlado
- Phone number: 0038931420808
- Specialty: tv
Re: TV RECOR CTV4320PS Chassis: RC4021A-A Ne zaustavlja trazenje
Ehhh...lepo nas Grujevski vodi kampanju da svaki Makedonac ima bar 8-mi razred... 
Za sjaj u očima, rumenilo u licu i lepršav hod - koristite kozmetiku -Šljivovica a moze i domaca jabukovaca ..:))
- milan
- Preminuo
- Postovi: 4426
- Pridružen: 19 Avg 2006, 22:38
- Location: Novi Sad
- Specialty: tv-multimedia
Re: TV RECOR CTV4320PS Chassis: RC4021A-A Ne zaustavlja trazenje
Na pin 29 od IC PCA84.. dolazi info da je izabran kanal (video signal).Moras to ispratiti da li postoji taj info na IC kolu.
Ostalo pogledaj sa ove seme.
Ostalo pogledaj sa ove seme.
- cacko85
- gx

- Postovi: 1752
- Pridružen: 03 Dec 2008, 17:51
- Location: Macedonia
- Contact person: Slavche
- Specialty: tv-multimedia
- Lokacija: Sveti Nikole
- Kontakt:
Re: TV RECOR CTV4320PS Chassis: RC4021A-A Ne zaustavlja trazenje
Na plocu ima malo razlike od one sta je na semu, na semu ima processor PCA84C440 a na TV-to ima PCA84C444
E sada:
Signal za indefikacija od TDA8305A preko Q205 ide na pin 34 od PCA a ne kako na semu na 29pin.
Napajanje na Colector na Q205 je 12V, kada ne traze kanali napon na baze od Q205 je 1.5V a kada traze t.e. kada naide na kanal napon se menjue izmegju 5V i 8V zavisni od jacinu kanala.A na pin 34 od PCA napon je od 0.5V kada ne traze i do 5V kada naide na kanal.
Sta znace da TDA8305 detektue prisustvo na kanal ,ako se tocni napone.
E sada:
Signal za indefikacija od TDA8305A preko Q205 ide na pin 34 od PCA a ne kako na semu na 29pin.
Napajanje na Colector na Q205 je 12V, kada ne traze kanali napon na baze od Q205 je 1.5V a kada traze t.e. kada naide na kanal napon se menjue izmegju 5V i 8V zavisni od jacinu kanala.A na pin 34 od PCA napon je od 0.5V kada ne traze i do 5V kada naide na kanal.
Sta znace da TDA8305 detektue prisustvo na kanal ,ako se tocni napone.
www.facebook.com/slavceelectronics
- milan
- Preminuo
- Postovi: 4426
- Pridružen: 19 Avg 2006, 22:38
- Location: Novi Sad
- Specialty: tv-multimedia
Re: TV RECOR CTV4320PS Chassis: RC4021A-A Ne zaustavlja trazenje
PCA84C444 je isto sto i CTV222S ima ta dva kola u semi zajedno da uporedis.Kako se radi o TV za drugo
trziste, ostalo neodgovara u potpunosti.
trziste, ostalo neodgovara u potpunosti.
- Prilog
-
CHINA PCACTV222S PRC1.2 TDA3654 TDA4555 TDA2007 TDA8305.pdf- (817.17 KiB) Preuzeto 300 puta.
- cacko85
- gx

- Postovi: 1752
- Pridružen: 03 Dec 2008, 17:51
- Location: Macedonia
- Contact person: Slavche
- Specialty: tv-multimedia
- Lokacija: Sveti Nikole
- Kontakt:
Re: TV RECOR CTV4320PS Chassis: RC4021A-A Ne zaustavlja trazenje
Konecno sam resio defekt, malo je banalen ali oni sekat mogu biti zajebani :) :) :)
Znate da postupka za podesuvanje na MFT Transformatora je malo komplicirana rabota ako nemas detalen servisno uputstvo za nigovo podesuvanje, jednas sam zajebao jedan MF Stepen so tako podesuvajki bez soodvetat alat (OSC..., BAR... GEN...) pa ni sam pokusao na ovi od takve razloga.
Ali sada sam isao na sve ili nista pa sam malo podesio MFT 203 pa se TV konecno stilizao. :)
Rekao sam da je banalno ali toa je toa.
Hvala na pomos.
Samo se mislim od sta mogu da se desi toa, Ostao je da vidim dali ke radi stabilno, nem da se ponovi
Znate da postupka za podesuvanje na MFT Transformatora je malo komplicirana rabota ako nemas detalen servisno uputstvo za nigovo podesuvanje, jednas sam zajebao jedan MF Stepen so tako podesuvajki bez soodvetat alat (OSC..., BAR... GEN...) pa ni sam pokusao na ovi od takve razloga.
Ali sada sam isao na sve ili nista pa sam malo podesio MFT 203 pa se TV konecno stilizao. :)
Rekao sam da je banalno ali toa je toa.
Hvala na pomos.
Samo se mislim od sta mogu da se desi toa, Ostao je da vidim dali ke radi stabilno, nem da se ponovi
www.facebook.com/slavceelectronics
- tom
- gxu

- Postovi: 2299
- Pridružen: 23 Apr 2007, 20:01
- Location: Strumica
- Contact person: TOME
- Specialty: tv
- Lokacija: Makedonija
Re: TV RECOR CTV4320PS Chassis: RC4021A-A Ne zaustavlja trazenje
Najverojatnije od kondenzatora u MFT203 koji kod ovog modela po nekim podacima je "82pF"cacko85 je napisao:... pa sam malo podesio MFT 203 ....
Samo se mislim od sta mogu da se desi toa...
TOME
- cacko85
- gx

- Postovi: 1752
- Pridružen: 03 Dec 2008, 17:51
- Location: Macedonia
- Contact person: Slavche
- Specialty: tv-multimedia
- Lokacija: Sveti Nikole
- Kontakt:
Re: TV RECOR CTV4320PS Chassis: RC4021A-A Ne zaustavlja trazenje
A za ko kondezatora pricas, za onu koj se nalazi (treba) u MFT Transformatoru.tom je napisao: Najverojatnije od kondenzatora u MFT203 koji kod ovog modela po nekim podacima je "82pF"
Mozda trebase da zamenim MFT sa neko od drugog televizora (ispravni) ama podesavanje je mnogu komplicirano, pa bolje je da vidim kolku ke izdrzi ovi MFT
Ne sum siguran ali musterija mi je rekao da pred 5 godina se desio isti defect, mozda ni je, mozda lose mi kaze ili ja ne mogu da go svatim.
Ali ni je vazno, nadem se da ne ce da se povtoru u brze vreme :)
www.facebook.com/slavceelectronics
- Majstor Duja
- Neaktivan
- Postovi: 3136
- Pridružen: 23 Avg 2006, 17:29
- Location: Novi Sad - centar
- Warranty service: http://www.elektrocentar.com
- Contact person: Goran Duic
- Specialty: tv-multimedia
Re: TV RECOR CTV4320PS Chassis RC4021A - Ne zaustavlja (RESENO)
@cacka85: PROCITAJ PRAVILNIK i to CEO
http://www.fanzo.org/forum/viewtopic.php?f=4&t=2961
http://www.fanzo.org/forum/viewtopic.php?f=4&t=2961
Rule #1 "Always stand for what you believe, even if it means standing alone."
-
- Slične teme
- Odgovori
- Pregledano
- Zadnji post
-
- 12 Odgovori
- 1384 Pregledano
-
Zadnji post napisao rubin_miki
29 Jul 2009, 00:21
-
-
TV SAMSUNG CK21S4TB Chassis S15A - Ne zaustavlja (INFO)
napisao OSKAR » 13 Dec 2008, 16:53 » u Servisiranje CRT Televizora - 0 Odgovori
- 1279 Pregledano
-
Zadnji post napisao OSKAR
13 Dec 2008, 16:53
-
-
-
TV NEO 2166TX - Ne zaustavlja se (ODUSTAO)
napisao borce » 06 Sep 2008, 14:17 » u Servisiranje CRT Televizora - 25 Odgovori
- 4228 Pregledano
-
Zadnji post napisao staka
13 Sep 2008, 21:42
-
-
-
TV LOEWE Planus 4572Z Chassis Q2100 - RESENO
napisao andro79 » 03 Feb 2008, 18:34 » u Servisiranje CRT Televizora - 48 Odgovori
- 6401 Pregledano
-
Zadnji post napisao andro79
30 Mar 2012, 19:27
-
-
-
TV GORENJE Chassis 11AK37-13 - Nece da upali (RESENO)
napisao staka » 11 Feb 2008, 23:05 » u Servisiranje CRT Televizora - 10 Odgovori
- 3218 Pregledano
-
Zadnji post napisao staka
27 Feb 2008, 10:01
-
-
-
TV PHILIPS Chassis 2B - Nema VHF (RESENO)
napisao slavko.e » 20 Feb 2008, 20:20 » u Servisiranje CRT Televizora - 12 Odgovori
- 2159 Pregledano
-
Zadnji post napisao Majstor Duja
12 Feb 2009, 18:51
-
-
-
TV SCHNEIDER Chassis 176 (17.6) - Blokira (RESENO)
napisao milans01 » 25 Feb 2008, 11:24 » u Servisiranje CRT Televizora - 8 Odgovori
- 1412 Pregledano
-
Zadnji post napisao milans01
04 Mar 2008, 18:36
-
-
-
TV RADIOTONE TV7100 Chassis 97TA021C - Problem OW (RESENO)
napisao mancic » 25 Feb 2008, 16:20 » u Servisiranje CRT Televizora - 28 Odgovori
- 3781 Pregledano
-
Zadnji post napisao Majstor Duja
04 Mar 2008, 17:43
-
