TV BEKO 21T31TXS - Potreban pinout tunera (RIJESENO)
Pravila foruma
Naslov teme treba da bude u formatu: PROIZVOĐAČ, MODEL, KRATAK OPIS KVARA
Nakon rešenog kvara zatvoriti temu >> >UPUTSTVO< u suprotnom ništa ne činiti.
HOME -- SERVISERI -- DALJINSKI -- RAZNA UPUTSTVA
Naslov teme treba da bude u formatu: PROIZVOĐAČ, MODEL, KRATAK OPIS KVARA
Nakon rešenog kvara zatvoriti temu >> >UPUTSTVO< u suprotnom ništa ne činiti.
HOME -- SERVISERI -- DALJINSKI -- RAZNA UPUTSTVA
- skyline-GTR
- gx

- Postovi: 1369
- Pridružen: 26 Avg 2006, 22:26
- Location: Bosna i Hercegovina
- Contact person: Ibrahim
- Lokacija: Bosanska Krupa
TV BEKO 21T31TXS - Potreban pinout tunera (RIJESENO)
problem je tuner u njemu je thomson CTF5541 trazio sam na netu al nisam uspio da nadjem nikakav pinout a on mi je potreban da mogu uporediti sa tunerima koje ja imam pa ako neko ima pinout za navedeni tuner molio bih da ga okaci
pozz...
pozz...
Zadnja izmena: skyline-GTR, dana 10 Dec 2008, 17:09, ukupno menjano 1 put.
Danas je tesko biti budala,jebiga prevelika konkurencija
- tom
- gxu

- Postovi: 2297
- Pridružen: 23 Apr 2007, 20:01
- Location: Strumica
- Contact person: TOME
- Specialty: tv
- Lokacija: Makedonija
Re: Beko model 21 T31 TX S potreban pinout tunera
Pogledaj ovaj link mozda nadjes...
viewtopic.php?f=4&t=641
viewtopic.php?f=4&t=641
TOME
- Stolle
- Preminuo
- Postovi: 19098
- Pridružen: 12 Avg 2006, 23:35
- Location: Srbija
- Specialty: tv-multimedia
- Lokacija: Dimitrovgrad
Re: Beko model 21 T31 TX S potreban pinout tunera
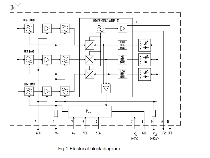
Da li je ovo?
- Prilog
-
- 1.jpg (19.82 KiB) Pregledano 1339 puta.
"29 poslednjih dana u mesecu je najteže"
- nec
- Site Admin

- Postovi: 4849
- Pridružen: 17 Okt 2007, 22:15
- Location: Makedonija, Strumica
- Phone number: 0038978425778
- Specialty: tv-multimedia
- Kontakt:
Re: Beko model 21T31TXS potreban pinout tunera
treba da moze da se zameni sa UV1316 (sa ulaskom u SM promenis tuner da je Philips)
Kad zamenimo ideje svi imamo duplo vise ideja
- skyline-GTR
- gx

- Postovi: 1369
- Pridružen: 26 Avg 2006, 22:26
- Location: Bosna i Hercegovina
- Contact person: Ibrahim
- Lokacija: Bosanska Krupa
Re: Beko model 21T31TXS potreban pinout tunera
@ tom prvo sam to pregledao da vas neopterecavam nakon tog sam osao na google naravno bez uspjeha pa sad ovdje sam,@stolle nije taj ovaj ima 11 nozica od koje pin 8 je izvadjen odnosno nema ga
pozz...
pozz...
Danas je tesko biti budala,jebiga prevelika konkurencija
- Stolle
- Preminuo
- Postovi: 19098
- Pridružen: 12 Avg 2006, 23:35
- Location: Srbija
- Specialty: tv-multimedia
- Lokacija: Dimitrovgrad
Re: Beko model 21T31TXS potreban pinout tunera
Pa i ovde ga nema. N.C.
pin2 takođe.
"29 poslednjih dana u mesecu je najteže"
- skyline-GTR
- gx

- Postovi: 1369
- Pridružen: 26 Avg 2006, 22:26
- Location: Bosna i Hercegovina
- Contact person: Ibrahim
- Lokacija: Bosanska Krupa
Re: Beko model 21T31TXS potreban pinout tunera
hehehhe ok je u pravu si moguce da je to taj provjericu sutra
pozz...
pozz...
Danas je tesko biti budala,jebiga prevelika konkurencija
- tom
- gxu

- Postovi: 2297
- Pridružen: 23 Apr 2007, 20:01
- Location: Strumica
- Contact person: TOME
- Specialty: tv
- Lokacija: Makedonija
Re: Beko model 21T31TXS potreban pinout tunera
Za CTF5541 sam nasao da ga menjaju CTF5511, KS-H146EA
http://forum.eshop.bg/viewtopic.php?p=184834#184834
http://forum.eshop.bg/viewtopic.php?p=184834#184834
TOME
-
Joca
- ___

- Postovi: 410
- Pridružen: 09 Okt 2006, 14:39
- Location: Bezdan
- Contact person: Jovica
- Specialty: tv
- Lokacija: Bezdan
- Kontakt:
Re: Beko model 21T31TXS potreban pinout tunera
Nadam se da ce ti ovo pomoci da resis problem.
- skyline-GTR
- gx

- Postovi: 1369
- Pridružen: 26 Avg 2006, 22:26
- Location: Bosna i Hercegovina
- Contact person: Ibrahim
- Lokacija: Bosanska Krupa
Re: Beko model 21T31TXS potreban pinout tunera(RIJESENO)
hvala puno rijeseno
pozz...
pozz...
Danas je tesko biti budala,jebiga prevelika konkurencija
- Stolle
- Preminuo
- Postovi: 19098
- Pridružen: 12 Avg 2006, 23:35
- Location: Srbija
- Specialty: tv-multimedia
- Lokacija: Dimitrovgrad
Re: Beko model 21T31TXS potreban pinout tunera(RIJESENO)
I koji sad odgovara?
"29 poslednjih dana u mesecu je najteže"
- skyline-GTR
- gx

- Postovi: 1369
- Pridružen: 26 Avg 2006, 22:26
- Location: Bosna i Hercegovina
- Contact person: Ibrahim
- Lokacija: Bosanska Krupa
Re: Beko model 21T31TXS potreban pinout tunera(RIJESENO)
nasao sam u ladici koji je stojao dosta vremena i njega ubacio (nije bilo nikakvih naljepnica na njemu)
pozz...
pozz...
Danas je tesko biti budala,jebiga prevelika konkurencija
-
- Slične teme
- Odgovori
- Pregledano
- Zadnji post
-
- 31 Odgovori
- 4671 Pregledano
-
Zadnji post napisao kibsa
14 Mar 2010, 23:29
-
-
Beko, 20T57TXS, nalazi samo jedan kanal? [RIJESENO]
napisao meklojd » 19 Dec 2010, 00:41 » u Servisiranje CRT Televizora - 9 Odgovori
- 1474 Pregledano
-
Zadnji post napisao meklojd
21 Dec 2010, 00:57
-
-
-
MEDION MD21031-S Beko 22.1 varnici gasi se [RIJESENO]
napisao zar099 » 21 Nov 2014, 21:48 » u Servisiranje CRT Televizora - 11 Odgovori
- 3330 Pregledano
-
Zadnji post napisao zar099
23 Apr 2015, 16:17
-
-
-
Beko X5Z.000 BA21APF Ch ETE2 potreban dump [REŠENO]
napisao focus » 20 Feb 2010, 10:57 » u Servisiranje CRT Televizora - 3 Odgovori
- 2009 Pregledano
-
Zadnji post napisao cubica
20 Feb 2010, 13:30
-
-
-
BEKO BA2998PF - NEMA TONA - potreban dump - RESENO
napisao stdarko » 14 Jun 2010, 10:04 » u Servisiranje CRT Televizora - 3 Odgovori
- 1289 Pregledano
-
Zadnji post napisao krllebg
16 Jun 2010, 11:29
-
-
-
TV BEKO NR21B6T02 , potreban dump
napisao OSKAR » 30 Jan 2011, 23:48 » u Servisiranje CRT Televizora - 2 Odgovori
- 789 Pregledano
-
Zadnji post napisao toce
01 Feb 2011, 19:40
-
-
-
potreban dump gorenje tvf21b15a RIJESENO
napisao ahmedamyr » 01 Okt 2010, 15:47 » u Servisiranje CRT Televizora - 3 Odgovori
- 1244 Pregledano
-
Zadnji post napisao Stolle
01 Okt 2010, 22:56
-
-
-
BIRA 2126T SILVER POTREBAN DUMP RIJEŠENO
napisao vehidc » 15 Jan 2011, 10:42 » u Servisiranje CRT Televizora - 8 Odgovori
- 1775 Pregledano
-
Zadnji post napisao vehidc
19 Jan 2011, 16:03
-
