MODEL:14pv354/01
CHASSIS:
PCB:
MCU:
EEPROM:24c08 smd
VERTIKALA: tda8356
AUDIO:
VIDEO:
SMPS:
FBT:
TUNER:
KVAR:ne startuje
OPIS KVARA:
pri ukljucenju u mrezni napon upali crvenu signalnu diodu.
Kada se startuje preko daljinskog dioda samo zatreperi.
Nekad se cuje da proradi visoki napon ali nema svetla na ekranu
Napon na colectoru his tranzistora bul310fp stabilnih 92v
Posto ovaj model ima i video ,normalno primi kasetu dovede je u ra dni polozaj.
Komandom na dugme play glava se zavrti ali se onda iskljuci
Crvena lampica i dalje svetli.
Na komande sa daljinskog odgovara samo treperenjem
Probano sa dampom -nista.
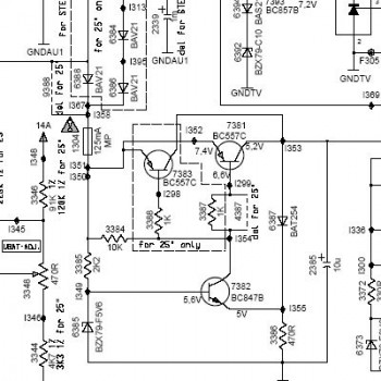
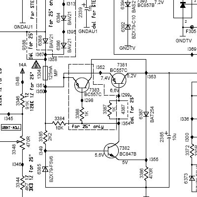
Semu imam al slabo pomaze .
Naponi mreze normalni po semi
Da li je neko mozda imao slican kvar .
Svaka pomoc dobro dosla.
procesor-tda9560ps/n1/3/0411



