TV NEO TV2166TX - Ne startuje (RESENO)
Pravila foruma
Naslov teme treba da bude u formatu: PROIZVOĐAČ, MODEL, KRATAK OPIS KVARA
Nakon rešenog kvara zatvoriti temu >> >UPUTSTVO< u suprotnom ništa ne činiti.
HOME -- SERVISERI -- DALJINSKI -- RAZNA UPUTSTVA
Naslov teme treba da bude u formatu: PROIZVOĐAČ, MODEL, KRATAK OPIS KVARA
Nakon rešenog kvara zatvoriti temu >> >UPUTSTVO< u suprotnom ništa ne činiti.
HOME -- SERVISERI -- DALJINSKI -- RAZNA UPUTSTVA
TV NEO TV2166TX - Ne startuje (RESENO)
NEO model TV 2166TX
procesor SDA5555-A068 memorija 24lc08
STV2248H
mreza TDA4605-3
vertikala TDA8174
Posle udara groma stoji u stand by i nece iz njega da startuje.Da li neko ima shemu ili neko mishljenje sta bi mogao da bude problem.Optokapler promenjen i provereni tranzistori u njegovom okruzenju.
procesor SDA5555-A068 memorija 24lc08
STV2248H
mreza TDA4605-3
vertikala TDA8174
Posle udara groma stoji u stand by i nece iz njega da startuje.Da li neko ima shemu ili neko mishljenje sta bi mogao da bude problem.Optokapler promenjen i provereni tranzistori u njegovom okruzenju.
Zadnja izmena: majstorr, dana 26 Jul 2008, 16:14, ukupno menjano 1 put.
- rubin_miki
- Preminuo
- Postovi: 3382
- Pridružen: 13 Avg 2006, 00:22
- Location: Prilep Makedonija
- Specialty: tv-multimedia
- Kontakt:
Re: NEO model TV 2166TX ne startuje
treba da krenes sa procesora, pin ST.BY dali okida kad hoces da ga ukljucis i krenes do mreze...ili je sam MCU ili usput ces naici na probem...
ce da izadjem na televizor,a????
http://www.macedonium.org/makedonija.swf
http://www.macedonium.org/makedonija.swf
Re: NEO model TV 2166TX ne startuje
Moze li neko da okaci semu ili da posalje na mail jer mi je ispala zener dioda kod optokaplera i neznam koja je a ne mogu ni da je nadjem.Na optokapleru imam 1 volt,to mi dodje malo?Naponi su neznatno smanjeni u sekundaru ,umesto 18 je 15,6 ,a umesto 13 je 11volti.
- milan
- Preminuo
- Postovi: 4426
- Pridružen: 19 Avg 2006, 22:38
- Location: Novi Sad
- Specialty: tv-multimedia
Re: NEO model TV 2166TX ne startuje
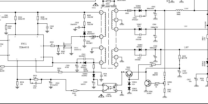
Imas ovde slicnu semu.
http://www.eserviceinfo.com/downloadsm/ ... -2966.html
http://www.eserviceinfo.com/downloadsm/ ... -2966.html
- Stolle
- Preminuo
- Postovi: 19098
- Pridružen: 12 Avg 2006, 23:35
- Location: Srbija
- Specialty: tv-multimedia
- Lokacija: Dimitrovgrad
Re: NEO model TV 2166TX ne startuje
Kao i većina u zadnje vreme,nema šasije,čak ni pozicije te diode....
Evo pogledaj:
Evo pogledaj:
"29 poslednjih dana u mesecu je najteže"
- milan
- Preminuo
- Postovi: 4426
- Pridružen: 19 Avg 2006, 22:38
- Location: Novi Sad
- Specialty: tv-multimedia
Re: NEO model TV 2166TX ne startuje
Mrzi ih da pisu, gde mere, kao da optocluper ima jednu nozicu.Stolle je napisao:Kao i većina u zadnje vreme,nema šasije,čak ni pozicije te diode....
Evo pogledaj:
Inace ako tv nije u radu, mreza nije opterecena pa ni naponi nebudu koliko su propisani.
Poslusaj kolegu, savet rubin_miki i kako da dodjes do kvara.
Evo ti i malo bolja sema mreze, ali po svemu sudeci nije tu kvar.
Re: NEO model TV 2166TX ne startuje
Jedna nozica diode u optokapleru je vezana na masu a 1 volt je na drugoj u odnosu na masu.Nisam napisao koja je sasija jer nisam siguran pa da ne pisem gluposti a mislim da je axt po onome sto sam gledao na internetu.Umoran sam imam mnogo posla i zato kratim.Izvinjavam se na nepotpunim podacima i hvala na semama.Probacu da pratim sa stand by nozice prema mrezi do sada nisam imao semu pa nisam znao koji je to pin na procesoru.
- kisko
- Preminuo
- Postovi: 2054
- Pridružen: 12 Jun 2007, 01:51
- Location: Kovilj-na kraj sveta
- Specialty: tv-multimedia
- Lokacija: Kovilj-Novi sad
Re: NEO model TV 2166TX ne startuje
Tu može biti i do TDA4605,Recimo kad upali na hladno i radi 30min ili sat-dva i sam se ugasi,nakon toga led sija a kad ga želiš ponovo startovati polako je ugasi i ništa se nedešava(bio je oštećen TDA4605).Posle udara groma ja radim komplet reparaciju mreže,sve otpornike podignem i merim a elkoe i tranzistore,opto i IC obavezno menjam.Kod tebe može biti i do tih dioda 6V2 i 1N4148 ali ti preporučujem i TDA4605 da promeniš bar za probu.Posle udara groma stoji u stand by i nece iz njega da startuje.Da li neko ima shemu ili neko mishljenje sta bi mogao da bude problem.Optokapler promenjen i provereni tranzistori u njegovom okruzenju.
uvek ima nesto interesantno
Re: TV NEO TV2166TX - Ne startuje
Procesor je u pitanju i dzabe sam se mucio ko ce da da tolike pare da popravi ovo s*anje od tv-a.
- kisko
- Preminuo
- Postovi: 2054
- Pridružen: 12 Jun 2007, 01:51
- Location: Kovilj-na kraj sveta
- Specialty: tv-multimedia
- Lokacija: Kovilj-Novi sad
Re: TV NEO TV2166TX - Ne startuje-reseno
Samo da te potsetim,postoji naplata tehničkog pregleda I ona je po meni nužna kod svih uredjaja jer se dosta njih odluči na odustajanje a ti izgubiš nekoliko sati rada.(ponekad ostave TV za delove umesto plaćanja
)
uvek ima nesto interesantno
-
- Slične teme
- Odgovori
- Pregledano
- Zadnji post
-
- 4 Odgovori
- 1205 Pregledano
-
Zadnji post napisao ljupco
12 Jun 2009, 11:49
-
-
NEO - TV2166TX-potrebna sema - problem mreza - reseno
napisao sveta » 18 Dec 2009, 18:29 » u Servisiranje CRT Televizora - 8 Odgovori
- 2571 Pregledano
-
Zadnji post napisao sveta
07 Jan 2010, 16:32
-
-
-
TV NEO TV2121FXX Chassis 11AK30A14 - Ne startuje (RESENO)
napisao Japanac » 03 Sep 2008, 18:13 » u Servisiranje CRT Televizora - 9 Odgovori
- 2646 Pregledano
-
Zadnji post napisao Japanac
22 Sep 2008, 21:35
-
-
-
TV NEO 1442TX - Ne startuje HIS (RESENO)
napisao sky_hawk » 30 Okt 2008, 19:05 » u Servisiranje CRT Televizora - 11 Odgovori
- 2376 Pregledano
-
Zadnji post napisao sky_hawk
31 Okt 2008, 16:44
-
-
-
NEO 2142TX Ne startuje (RESENO)
napisao Vucko_AR » 10 Avg 2010, 22:43 » u Servisiranje CRT Televizora - 17 Odgovori
- 3738 Pregledano
-
Zadnji post napisao saleservis
11 Feb 2012, 23:59
-
-
- 15 Odgovori
- 2354 Pregledano
-
Zadnji post napisao senad terzić
24 Sep 2011, 08:20
-
-
TV SONY KV29C3D Chassis AE4 - Nece da startuje (RESENO)
napisao gligor popovski » 30 Nov 2007, 22:13 » u Servisiranje CRT Televizora - 5 Odgovori
- 1619 Pregledano
-
Zadnji post napisao Majstor Duja
15 Dec 2007, 09:39
-
-
-
TV VIVAX TV2103 - Nece da startuje-RESENO
napisao milans01 » 09 Apr 2008, 13:01 » u Servisiranje CRT Televizora - 18 Odgovori
- 5485 Pregledano
-
Zadnji post napisao milans01
12 Apr 2008, 19:16
-

