Pozdrav
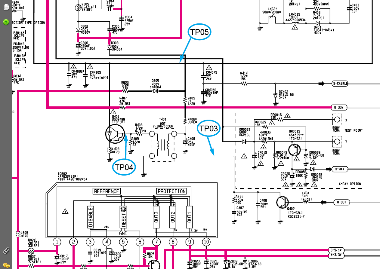
Za navedeni tv potrebna mi je sema (samsung cz20f42t Chassis ks1a) izgoreo je otpornik r414 i eksplodirao cr405s kondenzator.
TV SAMSUNG CZ20F42T Chassis KS1A - Potrebna sema (RESENO)
Pravila foruma
Naslov teme treba da bude u formatu: PROIZVOĐAČ, MODEL, KRATAK OPIS KVARA
Nakon rešenog kvara zatvoriti temu >> >UPUTSTVO< u suprotnom ništa ne činiti.
HOME -- SERVISERI -- DALJINSKI -- RAZNA UPUTSTVA
Naslov teme treba da bude u formatu: PROIZVOĐAČ, MODEL, KRATAK OPIS KVARA
Nakon rešenog kvara zatvoriti temu >> >UPUTSTVO< u suprotnom ništa ne činiti.
HOME -- SERVISERI -- DALJINSKI -- RAZNA UPUTSTVA
TV SAMSUNG CZ20F42T Chassis KS1A - Potrebna sema (RESENO)
Zadnja izmena: Majstor Duja, dana 18 Jun 2010, 12:08, ukupno menjano 2 puta.
Razlog: Slika dodata za Six-a
Razlog: Slika dodata za Six-a
- nec
- Site Admin

- Postovi: 4849
- Pridružen: 17 Okt 2007, 22:15
- Location: Makedonija, Strumica
- Phone number: 0038978425778
- Specialty: tv-multimedia
- Kontakt:
Re: tv samsung cz20f42t Chassis ks1a potrebna sema
evo seme
Kad zamenimo ideje svi imamo duplo vise ideja
-
- Slične teme
- Odgovori
- Pregledano
- Zadnji post
-
-
TV SAMSUNG CZ21V52T Chassis KS1A - Dump (RESENO)
napisao timpanes » 24 Jan 2008, 21:23 » u Servisiranje CRT Televizora - 8 Odgovori
- 2291 Pregledano
-
Zadnji post napisao timpanes
31 Jan 2008, 08:46
-
-
-
TV SAMSUNG CZ20H12T Chassis KS1A - Isti kanal (RESENO)
napisao Japanac » 23 Jul 2008, 21:15 » u Servisiranje CRT Televizora - 5 Odgovori
- 1659 Pregledano
-
Zadnji post napisao Japanac
28 Jul 2008, 20:32
-
-
-
TV SAMSUNG CZ21V52T Chassis KS1A - Pisti ton (RESENO)
napisao marec » 22 Avg 2008, 11:25 » u Servisiranje CRT Televizora - 7 Odgovori
- 1877 Pregledano
-
Zadnji post napisao marec
26 Avg 2008, 10:14
-
-
-
SAMSUNG CZ14F12T KS1A problem horizontala (Reseno)
napisao grki » 28 Jan 2012, 12:11 » u Servisiranje CRT Televizora - 14 Odgovori
- 2672 Pregledano
-
Zadnji post napisao krllebg
08 Feb 2012, 09:27
-
-
- 3 Odgovori
- 1851 Pregledano
-
Zadnji post napisao sky_hawk
08 Sep 2014, 14:18
-
-
CZ21H12T sasija KS1A D805 odlazi u kratak spoj (reseno)
napisao Japanac » 16 Okt 2014, 23:07 » u Servisiranje CRT Televizora - 5 Odgovori
- 1860 Pregledano
-
Zadnji post napisao Ribery
17 Okt 2014, 01:00
-
-
-
TV SAMSUNG CZ20H32T Potrebna sema problem HIS (RESENO)
napisao tihi » 11 svi 2010, 21:58 » u Servisiranje CRT Televizora - 5 Odgovori
- 1679 Pregledano
-
Zadnji post napisao tihi
14 svi 2010, 20:45
-
-
-
Re: SAMSUNG PT92 potrebna šema(REŠENO)
napisao Borce Vasilev » 05 Jul 2011, 11:53 » u Servisiranje CRT Televizora - 10 Odgovori
- 1766 Pregledano
-
Zadnji post napisao Borce Vasilev
06 Jul 2011, 16:19
-

