TV GRAN PRIX STV74100TF PT100 chassis- Tesko pali
Pravila foruma
Naslov teme treba da bude u formatu: PROIZVOĐAČ, MODEL, KRATAK OPIS KVARA
Nakon rešenog kvara zatvoriti temu >> >UPUTSTVO< u suprotnom ništa ne činiti.
HOME -- SERVISERI -- DALJINSKI -- RAZNA UPUTSTVA
Naslov teme treba da bude u formatu: PROIZVOĐAČ, MODEL, KRATAK OPIS KVARA
Nakon rešenog kvara zatvoriti temu >> >UPUTSTVO< u suprotnom ništa ne činiti.
HOME -- SERVISERI -- DALJINSKI -- RAZNA UPUTSTVA
TV GRAN PRIX STV74100TF PT100 chassis- Tesko pali
Stranka se zali na to da tesko pali kad se ohladi,mora vise puta da pali i gasi tv.Meni sve to lici na neki elko ali ono sto sam sumnjao to sam pogledao i nije dalo nikakve rezultate.Ako neko zna resenje problema ili ima semu neka javi.Hitno!
- nec
- Site Admin

- Postovi: 4849
- Pridružen: 17 Okt 2007, 22:15
- Location: Makedonija, Strumica
- Phone number: 0038978425778
- Specialty: tv-multimedia
- Kontakt:
Re: GRAN PRIX STV74-100TF
nemoj gledati menjaj elko-se u mreznom stepenu pozz
Kad zamenimo ideje svi imamo duplo vise ideja
Re: GRAN PRIX STV74-100TF
Menjao sam ali bez efekta.
- nec
- Site Admin

- Postovi: 4849
- Pridružen: 17 Okt 2007, 22:15
- Location: Makedonija, Strumica
- Phone number: 0038978425778
- Specialty: tv-multimedia
- Kontakt:
Re: GRAN PRIX STV74-100TF
prema opisu defekt treba da je u mreznom stepenu, ali ovako izmeri napone dok je jos hladan i onda sporedi kad upali, napisi kako je izveden mrezni stepen vidi kakvi su elko-si u sekundarno stepenu nacin na koji se TV pali ukazuje na to da se neki elko tesko puni ali uvek postoji neko ali...pozzz
Kad zamenimo ideje svi imamo duplo vise ideja
- micot
- _

- Postovi: 62
- Pridružen: 15 Jan 2008, 20:19
- Location: SKOPJE-MAKEDONIJA
- Contact person: Miodrag
- Phone number: 00389023074774
- Specialty: tv-multimedia
- Lokacija: Skoplje-Makedonija
Re: GRAN PRIX STV74-100TF
ako su naponi sa mreze ok,menjaj tranzistor za pobudu bu-a,i vidi koj je napon na njemu,ili proveri na samom bu-a dali imas na bazi 15,6kHz.
Re: TV GRAN PRIX STV74100TF - Tesko pali
+143V dobijem redovno ali kao da mi ne proradi oscilator koji je u smd tehnici.Kad zakacim osciloskop na izlaz oscilatora nema cetvrtki te ne moze da ima pobudu i na bazi izl.tranzistora.Na toj ploci oscilatora je jos nekog loma od smd-a i tu sam zamenio neke elektrolite 10mF/16V ali dzaba.I najgora stvar sto ga uvek cekam po sat,dva do sledeceg paljenja da bi se ohladio.
Re: TV GRAN PRIX STV74100TF - Tesko pali
Ako moras toliko cekati da se ohladi a sto ne pokusas sa LEDOLOM pojedine elemente hladiti i kad naidjes na taj sto zeza trebao bi brze da upali.Znaci prvo pokusas hladiti mrezu element po element pa onda dalje .Po nekoj logici trebao bi da naletis na element koji pravi tu zafrkanciju i tad neces odmah moci da upalis.
STAKA
Re: TV GRAN PRIX STV74100TF - Tesko pali
Sprej trenutno nemam ali sam neke stvari video veceras pa cu probati sutra.Posto sam skinuo neku semu na njoj je sprezni elko prema bazi izl.tran.47mF a kod mene 1mF fabricki.
- Stolle
- Preminuo
- Postovi: 19098
- Pridružen: 12 Avg 2006, 23:35
- Location: Srbija
- Specialty: tv-multimedia
- Lokacija: Dimitrovgrad
Re: TV GRAN PRIX STV74100TF - Tesko pali
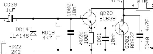
On je u bazi drajvera a ne HIS tr.Čisto sumnjam da je to,pogledaj ovo
- Prilog
-
- 1.jpg (19.25 KiB) Pregledano 1727 puta.
"29 poslednjih dana u mesecu je najteže"
- alexa_pg
- Site Admin

- Postovi: 6029
- Pridružen: 22 Avg 2006, 08:10
- Location: Podgorica
- Specialty: tv-multimedia
Re: TV GRAN PRIX STV74100TF - Tesko pali
Sigurno nije do tog 1uF. Sam kazes da na izlazu iz oscilatora nema impulsa. Provjerio bih elektrolite u napajanju oscilatora....Kad zakacim osciloskop na izlaz oscilatora nema cetvrtki ...
"I ja volim ljude ali ih sve manje podnosim"
Re: TV GRAN PRIX STV74100TF PT100 chassis- Tesko pali
Ja bih provjerio driver trafo;jer sam imao par slicnih simptoma na Schneider modelima tv aparata.
Pozdrav
Pozdrav
Majstor je onaj, ko zna svoj trud i rad;adekvatno naplatiti!?!
Re: TV GRAN PRIX STV74100TF PT100 chassis- Tesko pali
Ocigledno da sema koju sam skinuo nije 100%ista.To je ta koja meni treba jer je tu zaista i 1mF sprezni i ima tran.BC639 za razliku od moje;a sto se tice trafuljka sta da mu proverim sem da stavim neki drugi priblizni.On inace kad je ispravan ima malu zadrsku pri paljenju.
-
- Slične teme
- Odgovori
- Pregledano
- Zadnji post
-
-
Gran Prix STV71-269 - STV5112zamena sa TEA5101A (Rešeno)
napisao viktel » 13 Jun 2009, 10:55 » u Servisiranje CRT Televizora - 4 Odgovori
- 945 Pregledano
-
Zadnji post napisao viktel
13 Jun 2009, 12:56
-
-
-
Gran prix STV28-169 16:9 nema sve kanale-RESENO
napisao majstorr » 09 Nov 2012, 19:49 » u Servisiranje CRT Televizora - 8 Odgovori
- 1221 Pregledano
-
Zadnji post napisao majstorr
26 Nov 2012, 17:09
-
-
-
TV GRAN PRIX STV2112RC-koji daljinski (Riješeno)
napisao JURI » 14 Feb 2013, 18:08 » u Servisiranje CRT Televizora - 11 Odgovori
- 2070 Pregledano
-
Zadnji post napisao Mcu
15 Feb 2013, 21:31
-
-
-
Kennex ,pali samo na rucnu tipku P-,sporo pali HIS (RJEŠENO)
napisao zar099 » 28 Apr 2014, 21:58 » u Servisiranje CRT Televizora - 2 Odgovori
- 1230 Pregledano
-
Zadnji post napisao zar099
03 svi 2014, 15:12
-
-
-
VOX J2133 tesko startuje ODUSTAO
napisao Ribery » 02 svi 2016, 11:11 » u Servisiranje CRT Televizora - 12 Odgovori
- 3377 Pregledano
-
Zadnji post napisao Ribery
06 svi 2016, 08:11
-
-
-
TV PHILIPS Chassis GFL230 (GFL2.30) - Ne pali se (RIJEŠENO)
napisao robert » 09 Jan 2008, 10:33 » u Servisiranje CRT Televizora - 2 Odgovori
- 843 Pregledano
-
Zadnji post napisao robert
10 Jan 2008, 08:49
-
-
-
TV MAGNUM CTV2120TXT - Ne pali (RESENO)
napisao vlatkocopa » 20 svi 2009, 21:30 » u Servisiranje CRT Televizora - 10 Odgovori
- 1975 Pregledano
-
Zadnji post napisao vlatkocopa
21 svi 2009, 15:49
-
-
-
Gorenje TV21MT sam se pali,gasi pojacava ton(RESENO)
napisao enis.tz » 29 Nov 2009, 15:00 » u Servisiranje CRT Televizora - 17 Odgovori
- 3274 Pregledano
-
Zadnji post napisao johnlevi
22 Nov 2010, 17:06
-

