TV RADIOTONE TV7100 Chassis 97TA021C - Problem OW (RESENO)
Pravila foruma
Naslov teme treba da bude u formatu: PROIZVOĐAČ, MODEL, KRATAK OPIS KVARA
Nakon rešenog kvara zatvoriti temu >> >UPUTSTVO< u suprotnom ništa ne činiti.
HOME -- SERVISERI -- DALJINSKI -- RAZNA UPUTSTVA
Naslov teme treba da bude u formatu: PROIZVOĐAČ, MODEL, KRATAK OPIS KVARA
Nakon rešenog kvara zatvoriti temu >> >UPUTSTVO< u suprotnom ništa ne činiti.
HOME -- SERVISERI -- DALJINSKI -- RAZNA UPUTSTVA
- mancic
- Neaktivan
- Postovi: 335
- Pridružen: 23 Mar 2007, 13:37
- Location: Novi Sad
- Warranty service: impuls.tvservis@gmail.com
- Contact person: Slavisa
- Phone number: 00381216339902
- Specialty: tv
Sada je jos i stradao BU508AF zbog pregrevanja. Dok sam vrsio merenje TV je radio nekih 10min i za to vreme se ovo desilo. Da li to moze da bude povezano sa prethodnim kvarom?
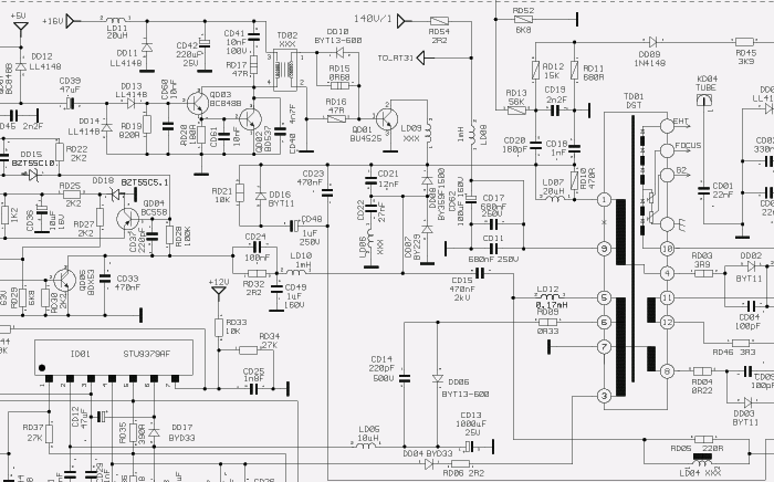
U medjuvremenu sam stavio zenericu od 2,7V kao po ovoj shemi i zamenio (BC846)SMD trandzu u pobudi BD678 jer je i on u medjuvremenu vrisnuo. Mozda i ovo nesto znaci, napon iz mreze nije 140V kao sto pise na ploci nego 130V, a sve elektrolite sam vec menjao.
U medjuvremenu sam stavio zenericu od 2,7V kao po ovoj shemi i zamenio (BC846)SMD trandzu u pobudi BD678 jer je i on u medjuvremenu vrisnuo. Mozda i ovo nesto znaci, napon iz mreze nije 140V kao sto pise na ploci nego 130V, a sve elektrolite sam vec menjao.
- Majstor Duja
- Neaktivan
- Postovi: 3136
- Pridružen: 23 Avg 2006, 17:29
- Location: Novi Sad - centar
- Warranty service: http://www.elektrocentar.com
- Contact person: Goran Duic
- Specialty: tv-multimedia
- mancic
- Neaktivan
- Postovi: 335
- Pridružen: 23 Mar 2007, 13:37
- Location: Novi Sad
- Warranty service: impuls.tvservis@gmail.com
- Contact person: Slavisa
- Phone number: 00381216339902
- Specialty: tv
- mancic
- Neaktivan
- Postovi: 335
- Pridružen: 23 Mar 2007, 13:37
- Location: Novi Sad
- Warranty service: impuls.tvservis@gmail.com
- Contact person: Slavisa
- Phone number: 00381216339902
- Specialty: tv
- mancic
- Neaktivan
- Postovi: 335
- Pridružen: 23 Mar 2007, 13:37
- Location: Novi Sad
- Warranty service: impuls.tvservis@gmail.com
- Contact person: Slavisa
- Phone number: 00381216339902
- Specialty: tv
Problem sam resio tako sto sam vezao otpornik od 47Kohm na 8V i nogicu 6 kola TDA9151B (OW ilzlaz). Tako sam dobio normalnu korekciju i kada udjem u servisni meni, mogu najnormalnije da podesavam sve OW parametre.
Sa emitora BD678 ka masi ide diodica - D213 koja mi deluje sumnjivo i na njoj je 10V, pa ne znam da li je to OK bez sheme. Stavio sam 1N4148 i napon je skocio na 20V.
U HIS-u sam stavio BUH1015 jer se tako manje greje.
Sa emitora BD678 ka masi ide diodica - D213 koja mi deluje sumnjivo i na njoj je 10V, pa ne znam da li je to OK bez sheme. Stavio sam 1N4148 i napon je skocio na 20V.
U HIS-u sam stavio BUH1015 jer se tako manje greje.
- Majstor Duja
- Neaktivan
- Postovi: 3136
- Pridružen: 23 Avg 2006, 17:29
- Location: Novi Sad - centar
- Warranty service: http://www.elektrocentar.com
- Contact person: Goran Duic
- Specialty: tv-multimedia
-
- Slične teme
- Odgovori
- Pregledano
- Zadnji post
-
-
TV ANSONIC MI21S Chassis PT90 - Problem OSD (RESENO)
napisao mancic » 20 svi 2008, 15:14 » u Servisiranje CRT Televizora - 12 Odgovori
- 3820 Pregledano
-
Zadnji post napisao mancic
28 svi 2008, 09:00
-
-
-
TV CROWN CTV5521 Chassis 99TA015J - Problem slika (RESENO)
napisao borce » 06 Jun 2008, 12:50 » u Servisiranje CRT Televizora - 2 Odgovori
- 1297 Pregledano
-
Zadnji post napisao borce
07 Jun 2008, 17:32
-
-
-
TV SONY KV2184MT Chassis GP1A - problem tuner (RESENO)
napisao zozontv1 » 06 Avg 2008, 06:33 » u Servisiranje CRT Televizora - 7 Odgovori
- 1449 Pregledano
-
Zadnji post napisao zozontv1
12 Sep 2008, 07:02
-
-
-
TV SAMSUNG CW21M063NFXXEC Chassis S16B - Problem G2 (RESENO)
napisao tanebosev » 23 Avg 2008, 13:49 » u Servisiranje CRT Televizora - 6 Odgovori
- 2366 Pregledano
-
Zadnji post napisao tanebosev
20 Okt 2008, 19:38
-
-
-
TV SONY KV29FX201D Chassis FE1A - Problem O/W (REŠENO)
napisao Jurkin » 28 Nov 2008, 12:37 » u Servisiranje CRT Televizora - 6 Odgovori
- 1147 Pregledano
-
Zadnji post napisao Jurkin
02 Dec 2008, 08:50
-
-
-
TV MASTER CTV2103 TXT Chassis 3Y11 - Problem ton(RESENO)
napisao makedonec » 03 Dec 2008, 10:30 » u Servisiranje CRT Televizora - 8 Odgovori
- 2558 Pregledano
-
Zadnji post napisao bogoslav
04 Dec 2008, 23:11
-
-
-
TV WEG NF29TXT HD9361A chassis problem mre [RESENO]
napisao slavko.e » 20 Avg 2009, 22:39 » u Servisiranje CRT Televizora - 5 Odgovori
- 1758 Pregledano
-
Zadnji post napisao slavko.e
31 Avg 2009, 23:03
-
-
-
Gorenje Chassis G2 PLL Tunning Problem (RESENO)
napisao cacko85 » 08 Sep 2009, 02:38 » u Servisiranje CRT Televizora - 11 Odgovori
- 1583 Pregledano
-
Zadnji post napisao cacko85
18 Sep 2009, 01:27
-


